Студопедия

КАТЕГОРИИ:


Архитектура-(3434)Астрономия-(809)Биология-(7483)Биотехнологии-(1457)Военное дело-(14632)Высокие технологии-(1363)География-(913)Геология-(1438)Государство-(451)Демография-(1065)Дом-(47672)Журналистика и СМИ-(912)Изобретательство-(14524)Иностранные языки-(4268)Информатика-(17799)Искусство-(1338)История-(13644)Компьютеры-(11121)Косметика-(55)Кулинария-(373)Культура-(8427)Лингвистика-(374)Литература-(1642)Маркетинг-(23702)Математика-(16968)Машиностроение-(1700)Медицина-(12668)Менеджмент-(24684)Механика-(15423)Науковедение-(506)Образование-(11852)Охрана труда-(3308)Педагогика-(5571)Полиграфия-(1312)Политика-(7869)Право-(5454)Приборостроение-(1369)Программирование-(2801)Производство-(97182)Промышленность-(8706)Психология-(18388)Религия-(3217)Связь-(10668)Сельское хозяйство-(299)Социология-(6455)Спорт-(42831)Строительство-(4793)Торговля-(5050)Транспорт-(2929)Туризм-(1568)Физика-(3942)Философия-(17015)Финансы-(26596)Химия-(22929)Экология-(12095)Экономика-(9961)Электроника-(8441)Электротехника-(4623)Энергетика-(12629)Юриспруденция-(1492)Ядерная техника-(1748)

Виды структур АС




Проектирование любого объекта, в том числе и АС, требует предварительного анализа этого объекта с целью его структуризации.

Структуризация АС – это локализация ее границ и выделение структурных составных частей. Выделенную по определенному признаку часть АС называют ее подсистемой. Совокупность действий, направленную на достижение определенной цели, называют функцией АСУ. Выполнение автоматизированной системой управления функций, осуществляемое на действующем объекте управления и обеспечивающее достижение заданных целей, называют функционированием АС (ГОСТ 24.003-84).

Структура системы управления отражает строение и внутреннюю форму организации, относительно устойчивые взаимоотношения и взаимосвязи элементов системы. АС, как и любая сложная система, имеет большое число элементов, свойств, связей между элементами.

Одной из главных задач структурного анализа АС является построение наглядной формальной модели, отображающей процесс взаимодействия между элементами или подсистемами, составляющими систему, а также их взаимодействие с внешней средой.

В процессе создания и в ходе функционирования АС выделяют различные аспекты ее внутреннего строения, различая в соответствии с этим разные виды структур системы: организационную, функциональную, алгоритмическую, информационную, комплекса технических средств и др.

Организационная структура АС отражает существование в системе управления объектом нескольких подразделений разного иерархического уровня и их взаимное административное подчинение. Эта структура является основной и именно с нее следует начинать анализ и последующий синтез АС.

Структурообразующий элемент такой структуры – это подсистема АС, осуществляющая автоматизацию тех процессов обработки информации и принятия решений, которые присущи соответствующему подразделению аппарата управления и отдельным лицам - операторам.

Связи между элементами такой организационной структуры АС – это информационные потоки между структурными подразделениями. При этом от вышестоящих подразделений в нижестоящие информация имеет характер директив (приказы, распоряжения, инструкции и т.п.), а от нижестоящих к вышестоящим подразделениям характер отчетности о выполнении полученных директив (рапорты, отчеты, сводки и т.п.).

Примеры организационной структуры АСУ приведены на рис. 1.2, 1.3 и 1.4.

При анализе организационной структуры решаются следующие задачи:

- описание состава организации и построение ее структурной схемы;

- определение функций отдельных подразделений и операторов;

- описание материальных и информационных связей;

- построение обобщенной структурной информационной модели организации.

Основные направление совершенствования организационной структуры:

- сокращение излишних подразделений или операторов;

- минимизация связей между этими элементами системы (подразделения и операторы);

- повышение пропускной способности этих связей;

- упорядочение документооборота;

- ликвидация циклов в движении документов и т.п.

Функциональной структурой АС называют структуру, элементами которой являются подсистемы, автоматизирующие выполнение отдельных функций управления. Функция управления – это совокупность действий, выполняемых в системе управления для достижения объектом управления определенной цели. Понятие функции управления переносится на функцию АС, если АС реализует эту функцию. Реализация той или иной функции осуществляется путем решения соответствующих задач.

Состав функций, реализуемых АС, определяет ее назначение. Примеры функциональных подсистем АСУ воздушным движением страны:

- подсистема перспективного планирования полетов в регионе;

- подсистема суточного (предварительного) планирования полетов в районе;

- подсистема текущего планирования полетов в аэроузле;

- подсистема управления взлетом – посадкой самолетов в аэропорту.

Связи между элементами функциональной структуры АС – это потоки информации, циркулирующей между отдельными функциональными подсистемами. Информация, поступающая от одной функциональной подсистемы к другой подсистеме, может быть двух видов. Первый вид – это результат решения некоторой задачи управления, полученный в одной из функциональных подсистем, который необходим как исходные данные для задачи, решаемой в другой функциональной подсистеме.

Второй вид – это информация о состоянии объекта управления, которая используется в разных функциональных подсистемах. Например, информация о подлете группы самолетов в зону аэроузла используется как в подсистеме текущего планирования этого аэроузла, так и в подсистеме управления взлетом – посадкой в аэропорту, куда направляется данная группа самолетов. С другой стороны, результаты решения задач управления в подсистеме суточного (предварительного) планирования полетов самолетов в районе используется как исходные данные для подсистемы текущего планирования полетов в аэроузле. Типичные функциональные группы дискретного производства представлены на рис. 1.4 – 1.8.

Если в организационной структуре системы управления существуют структурные подразделения, предназначенные для выполнения присущих только им определенных функций, то организационная и функциональная структуры АСУ могут совпадать.

Например, если в системе управления аэропортом есть подразделения текущего планирования воздушного движения, управления взлетом – посадкой, материального обеспечения и другие, ориентированные на выполнение какой-то одной функции управления, то организационная и функциональная структуры создаваемой АСУ аэропорта могут совпасть. С другой стороны, если какое-либо структурное подразделение системы управления выполняет несколько функций и его деятельность автоматизируется, то организационная и функциональная структуры АСУ могут быть частично или полностью совмещенными. В этом случае в качестве структурообразующих элементов АСУ могут выступать как организационные подсистемы (т.е. структурные подразделения, работа которых автоматизирована), так и функциональные подсистемы. При этом функциональные подсистемы раскрывают содержание автоматизируемых функций управления соответствующего структурного подразделения. Пример такого совмещения структур АСУ приведен на рис. 1.9, 1.10.

 

Рис. 1.2. Организационная структура АСУ производственного объединения

 

 

Рис. 1.3. Пример организационной структуры АСУ воздушным движением страны

 


Рис. 1.4. Типичные функциональные группы дискретного производства


Рис. 1.5. Пример функциональной структуры АСНИ


Рис. 1.6. Пример схемы функциональной структуры производства


Рис. 1.7. Схема функциональной структуры ИАСУ ГАЦ


Рис. 1.8. Приближенная функциональная схема системы управления предприятием


 

Рис. 1.9. Пример совмещения организационной и функциональной структур АСУ ВД

 

 

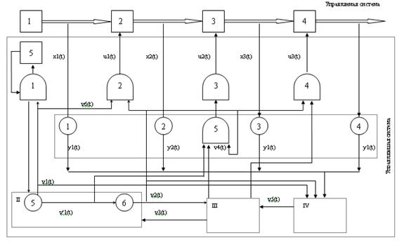
Рис. 1.10. Общая схема взаимосвязи управляющей и управляемой систем в условиях АС

На схеме использованы следующие обозначения:

 

При анализе функциональной структуры решаются следующие основные задачи:

- изучаются функции управления в структурных подразделениях системы;

- выбирается состав функций, подлежащих автоматизации;

- определяется взаимосвязь этих функций;

- составляется обобщенная функциональная структура задач управления.

Основные направления совершенствования функциональной структуры:

- устранение параллелизма в выполнении функций управления;

- освобождение элементов системы от выполнения функций, не предусмотренных соответствующими должностными обязанностями;

- перераспределение функций управления с целью оптимизации;

- создание максимально четких контуров ответственности.

Лекция 2.

Близкие по методам решения или исходной информации задачи управления, решаемые в функциональных или организационных подсистемах АС, часто объединяют в отдельные блоки, называемые модулями. Каждый такой модуль должен обладать следующими качествами:

- функциональность, т.е. модуль должен представлять собой функционально законченную и максимально независимую совокупность операций по обработке данных; обращение к модулю осуществляется как к единому целому и значения вызываемых параметров обычно отражает специфику функций модуля;

- связность, т.е. модуль реализует совокупность взаимосвязанных функций, требующих одних и тех же данных; часть этих данных обычно скрыта для системы в целом;

- алгоритмичность, т.е. модуль включает несколько функций, которые реализуются последовательно, причем выходные результаты одной функции являются входными для другой и т.д.; кроме того, функции модуля обычно являются взаимосвязанными во времени;

- однородность, т.е. в модуле объединяются однородные по своему функциональному назначению задачи управления и процедуры их решения.

Если в качестве структурообразующего элемента АС выступает модуль, то говорят, что задана модульная структура АС. Выделение модулей и построение из них создаваемой АС является в настоящее время одним из перспективных направлений автоматизации процессов проектирования АС.

Алгоритмическая структура отображает совокупность используемых алгоритмов и последовательность их декомпозиции, что позволяет в дальнейшем перейти к созданию программного обеспечения.

При анализе алгоритмической структуры решаются следующие задачи:

- выделение комплексов задач, отдельных задач, алгоритмов, модулей алгоритмов и т.п.;

- определение их информационно-логической взаимосвязи;

- определение последовательности их реализации.

Основные направления совершенствования алгоритмической структуры:

- использование стандартных (типовых) алгоритмов обработки информации;

- повышение точности, скорости и надежности вычислений;

- сокращение требуемых объемов памяти;

- совершенствование отдельных алгоритмов.

Кроме организационных, функциональных и алгоритмических структур АС выделяют обеспечивающие подсистемы. Как правило, эти подсистемы являются общими для большинства или даже всех задач, решаемых в различных функциональных (организационных) подсистемах.

Основными обеспечивающими подсистемами АС являются подсистема комплекса технических средств и подсистема информационного обеспечения.

Структурой комплекса технических средств АС называют структуру, элементами которой являются отдельные устройства комплекса технических средств АС.

Связи между элементами этой структуры отображают информационный обмен между этими устройствами. Для АС сложными объектами данная структура имеет вид многоуровневой распределенной вычислительной системы (РВС), отражающей в той или иной степени организационную структуру АСУ.

Информационная структура АС показывает характер и взаимосвязь информационных элементов (показателей, документов, блоков, массивов данных), используемых в процессе функционирования АС. В ней находят отражение классификационные свойства используемой информации, ее назначение, формы представления (машинное представление, не машинное представление, документированное и т.д.).

При построении информационной структуры АС необходимо стремиться к тому, чтобы она в полной мере отражала информационные потоки между отдельными подсистемами и задачами АС, показывала, какая информация является первичной, какая промежуточной, какая результатной. Понятие информационная структура АС тесно связано с понятием информационное обеспечение (информационная компонента) АС.




Поделиться с друзьями:


Дата добавления: 2014-01-07; Просмотров: 4602; Нарушение авторских прав?; Мы поможем в написании вашей работы!


Нам важно ваше мнение! Был ли полезен опубликованный материал? Да | Нет



studopedia.su - Студопедия (2013 - 2026) год. Все материалы представленные на сайте исключительно с целью ознакомления читателями и не преследуют коммерческих целей или нарушение авторских прав! Последнее добавление




Генерация страницы за: 0.01 сек.