Студопедия

КАТЕГОРИИ:


Архитектура-(3434)Астрономия-(809)Биология-(7483)Биотехнологии-(1457)Военное дело-(14632)Высокие технологии-(1363)География-(913)Геология-(1438)Государство-(451)Демография-(1065)Дом-(47672)Журналистика и СМИ-(912)Изобретательство-(14524)Иностранные языки-(4268)Информатика-(17799)Искусство-(1338)История-(13644)Компьютеры-(11121)Косметика-(55)Кулинария-(373)Культура-(8427)Лингвистика-(374)Литература-(1642)Маркетинг-(23702)Математика-(16968)Машиностроение-(1700)Медицина-(12668)Менеджмент-(24684)Механика-(15423)Науковедение-(506)Образование-(11852)Охрана труда-(3308)Педагогика-(5571)Полиграфия-(1312)Политика-(7869)Право-(5454)Приборостроение-(1369)Программирование-(2801)Производство-(97182)Промышленность-(8706)Психология-(18388)Религия-(3217)Связь-(10668)Сельское хозяйство-(299)Социология-(6455)Спорт-(42831)Строительство-(4793)Торговля-(5050)Транспорт-(2929)Туризм-(1568)Физика-(3942)Философия-(17015)Финансы-(26596)Химия-(22929)Экология-(12095)Экономика-(9961)Электроника-(8441)Электротехника-(4623)Энергетика-(12629)Юриспруденция-(1492)Ядерная техника-(1748)

Производство труб




КЛАССИФИКАЦИЯ ПРОКАТНЫХ СТАНОВ

 

Прокатные станы можно классифицировать по следующим основным признакам: по назначению – по роду выпускаемой продукции или сортаменту; по расположению, количеству и характеру вращения валков в рабочей клети; по расположению рабочих клетей в общей схеме стана.

Обычно станы состоят из нескольких рабочих клетей, которые в зависимости от выполняемой работы разделяются на обжимные, черновые и чистовые (отделочные). В случае прокатки из небольших блюмов или непрерывно литой заготовки обжимные клети в станах отсутствуют.

Черновые и чистовые клети в сортовых станах основную работу производят при прокатке профиля (полосы), а отделочную – уже после придания ему окончательной формы.

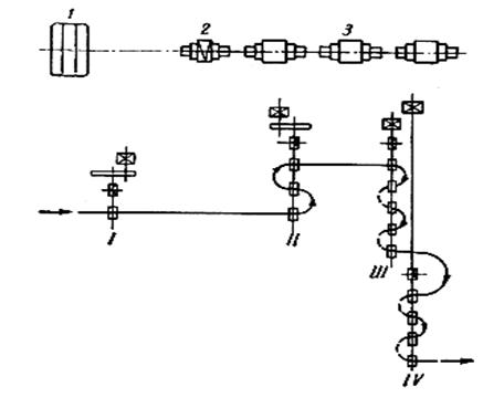
В зависимости от размеров и формы прокатываемого профиля (полосы) черновые и чистовые клети располагают определённом порядке, который можно свести к нескольким группам станов: периодические, непрерывные, полунепрерывные и тандем-станы (для листового проката). Возможные схемы расположения клетей представлены на рис. 18.

У периодических станов клети распо­ложены в одну или несколько линий; в каждой линии все валки связаны соединительными шпинделями и вращаются с одной скоростью. Заготовку периодически пропускают в одну клеть, затем в другую и т. д. Подобное расположение клетей представляет большое неудобство, так как черновые клети, вы­полняющие подготовительное обжатие толстых и коротких заго­товок, требуют меньшей скорости вращения, чем чистовые клети, придающие тонкой и вытянутой в длину заготовке окончательный профиль.

Рис. 18. Схемы расположения рабочих клетей станов:

1 – двигатель; 2 –шестеренная клеть; 3 – ра­бочие клети;

I, II – черновые линии; III, IV – чистовые линии

 

Поэтому в современных станах рабочие клети располагают в несколько линий. Например, у крупносортных станов рабочие клети располагаются обычно в две, три или четыре линии. Черновая клеть при таком расположении выделена в отдельную линию. Каждая линия имеет самостоятельный при­вод с числом оборотов валков, соответствующим прокатываемой заготовке.

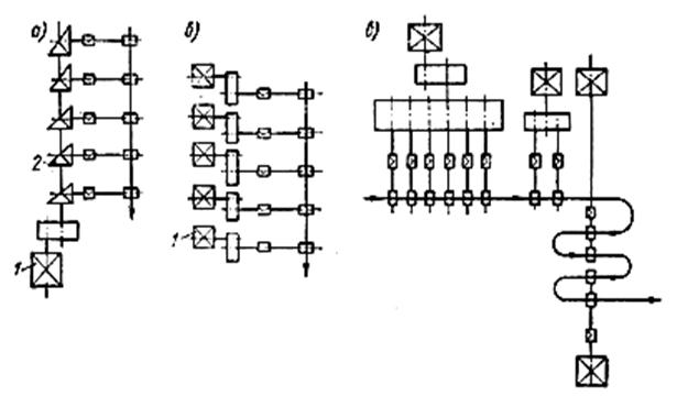
Непрерывный стан состоит из несколь­ких дуо- или кварто-клетей, расположенных последовательно одна за другой, в которых металл во время прокатки движется в одном направлении и деформируется одновременно в двух или нескольких клетях. Схемы непрерывных и полунепрерывных станов показаны на рис. 19.

Число рабочих клетей соответствует требуемому числу проходов металла между валками. Непрерывные станы выполняются с групповым или индивидуальным при­водом.В первом случае все рабочие клети получают свое вращение от общего электродвигателя при помощи кониче­ских зубчатых передач. Во втором случае каждая клеть имеет свой отдельный двигатель. Число оборотов валков возрастает от одной клети к другой в соответствии с уве­личением длины полосы по мере её прохода в валках последова­тельно расположенных клетей.

 

Рис. 19. Схемы непрерывных и полунепрерывных станов:

а – непрерывный с групповым приводом; б – с индивидуальным приводом; в – полунепрерывный стан

 

Для обеспечения нормальной прокатки в указанных станах диаметр валков и число их оборотов подбирают таким образом, чтобы во всех клетях соблюдалось соотношение:

Fпυп = соnst, (42)

где Fп – площадь поперечного сечения прокатываемой заготовки

при выходе из данной клети;

υп – скорость выхода заготовки из той же клети.

При несоблюдении указанного соотношения прокатываемый металл между клетями будет разрываться или образовывать боль­шие петли.

Непрерывные станы позволяют получить наиболее высокую производительность, так как в них одновременно работают все клети, в то время как в периодических станах работает только одна клеть, а остальные –вхолостую.

В полунепрерывном стане черновые клети расположены непрерывно, а чистовые клети – в линию или в другом порядке. Имеется несколько разновидностей полунепрерывных станов: петлевые, зигзагообразные и шахмат­ные станы. Полунепрерывное расположение клетей облегчает настройку стана, упрощает наблюдение за работой чистовых кле­тей и сокращает длину цеха, необходимую для размещения стана. Такие трубы изготовляют двух видов бесшовные и со швом, станы применяют для прокатки мелкого сортового металла и проволоки.

 

 

Трубы изготовляют двух видов – бесшовные и со швом, так называемые сварные. Бесшовные трубы – наиболее прочные, поэтому они применяются для передачи жидкостей и газов, рабо­тающих при высоких давлениях и температурах; шовные трубы используются при низких давлениях (до 90 кПа). Процесс прокатки бесшовных труб состоит из трех основных операций. Первая операция – образование отверстия в слитке (заготовке) – производится в горячем состоянии на прошивных станах или специальных прошивных прессах. Вторая операция – раскатка толстостенной гильзы в тонкостенную трубу – произ­водится также в горячем состоянии на трубопрокатных – раскат­ных станах различной конструкции. Третья операция – отделка тонкостенной трубы на готовую трубу – производится на отде­лочных станах различного назначения.

Для прошивки отверстия в слитке или заготовке применяются прошивные станы следующих трех типов: с бочкооб­разными, коническими (грибовидными) и дисковыми валками. Наибольшее применение имеют первые станы.

Прошивной стан с бочкообразными валкамиимеет два рабочих валка с двойной конусностью диаметром от 450 до 1000 мм, расположенных в горизонтальной плоскости, как показано на рис. 20.

Оси валков в вертикальной плоскости наклонены друг к другу под углом 4–140.Оба валка вращаются в одном и том же направлении. Для прошивки заготовки используется принцип косой прокатки.

Нагретый слиток (или заготовка) поступает в приемный желоб стана, расположенный между шестеренной и рабочей клетями, из которого с помощью специального толкателя по­дается в валки. Благодаря косому расположению валков,заготовка при прокатке получает одновременно вра­щательное и поступательное движения. Вследствие этого каждая точка деформируемой части заготовки совершает винтовое движение, причем с различной скоростью, увеличивающейся по мере приближения к калибровочному поясу.

В заготовке возникают внутренние напряжения, вызывающие течение металла от центра в радиальном направлении, что приводит вначале к разрыхлению осевой зоны – сердцевины, а затем по мере распространения их по очагу деформации – к образованию внутренней полости заготовки с неровными стенками. Для полу­чения отверстия нужного диаметра и с гладкой поверхностью про­катку ведут с применением оправки – пробки,удерживающейся на стержне.

Бочка валка имеет четыре части (зоны): конус прошивки, калибровочный цилиндрический пояс, конус раскатки и конус выдачи – выпуска. В конусе прошивки происходит начало образования полости в заготовке. В поясе пережима металл не деформируется, заготовка лишь продвигается вперед.

Рис. 20. Схема прошивки заготовок и расположения прошивного стана с бочкообразными валками:

а – схема расположения стана:

1 – толкатель; 2 – желоб; 3 – валки; 4 – рольганг; 5 – замок; 6 – стержень с пробкой; 7 – соединительные шпиндели; 8 – шестеренная клеть; 9 – двигатель;

б – схема прошивки слитка или заготовки:

1– валки; 2 – пробка на стержне; 3 – слиток или заготовка; 4 – конус прошивки; 5– калибровочный пояс; 6 – конус раскатки; 7 – конус выдачи

 

В конусе раскатки металл встречает коническую оправку – пробку. Полученная заготовка подвергается прокатке между вал­ками и оправкой, вследствие чего полость гильзы, полученная в конусе прошивки, увеличивается до диаметра пробки, а толщина стенки трубы уменьшается. В конусе выдачи выравниваются все напряжения, возникающие в металле в процессе прошивки, уплотняется металл, выравнивается поверхность гильзы и полу­чается требуемый диаметр толстостенной гильзы.

На этих станах прокатывают трубные заготовки (гильзы) диаметром от 60 до 650 ммс толщиной стенки гильзы от 10 до 100 мм. На прошивных станах с грибовидными валкамипроши­вают трубные заготовки диаметром 60–200 мм, а на станах с диско­выми валками диаметром 60–150 мм.

Полученные на прошивных станах толсто­стенные трубные заготовки (гильзы) далее раскатывают в горячем состоянии на раскатных станах различной конструкции в тонко­стенные трубы. Прокатка осуществляется на периодических (пильгерных), автоматических, непрерывных или на трехвалковых станах.

Периодический стан (пильгерстан) представляет собой неревер­сивный двухвалковый, стан. Валки его имеют круглый калибр переменного сечения, как показано на рис. 21. Металл подается в валки на­встречу их вращению. На этом стане производится прерывно-периодическая (пилигримовая) раскатка горячей гильзы в трубу на цилиндрической оправке. На рис. 21дана схема процесса прокатки на этом стане при различных положениях и форма калибра валков.

Рис. 21. Схема процесса и форма калибра валков для раскатки трубы на периодическом стане (пильгерстане):

а – схема прокатки при положениях 1, 2, 3 и 4; б – калибр валка

 

В процессе прокатки непрерывно чередуются прямой и обрат­ный ход с периодическим поворачиванием гильзы вокруг своей оси. Деформация трубной заготовки (гильзы) осуществляется правой стороной калибра, на поверхности которого имеются три участка b, с и d. На участке b происходит захват гильзы, на участке с обжатие её; на обоих участках профиль и радиус ручья переменные. На участке d происходит раскатка трубы и сглаживание ее поверхности; на этом участке радиус ручья постоянный.

Левая часть валка е имеет меньший радиус. Труба на этом участке с валками не соприкасается (холостой участок), что дает возможность свободно перемещать ее в направлении подачи. За каждый оборот валков прокатывается часть гильзы длиной 8–30 ммв часть трубы длиной 80–160 мм. Во время раскатки гильзы оправка нагревается до температуры свыше 300 °С, поэтому ее приходится менять и охлаждать. По этой причине раскатку каждой гильзы производят на отдельной оправке. Задний конец гильзы на этих станах не докатывают и отрезают на пилах горя­чей резки.

На периодических станах получают трубы диаметром от 50 до 616 мм при длине от 10 до 30 м. Толщина стенки трубы от 2,5 до 8 мм. Производительность этих станов при диаметре трубы 200 ммсоставляет 1400–1500 мза смену. Общая производитель­ность 80–250 тыс. тв год.

После раскатки на периодических станах трубы поступают на обкатный стан и далее на калибровоч­ный стан с валками круглого калибра, где происходит их кали­бровка по размерам (по диаметру). Затем они передаются на правильный пресс, холодильник (для охлаждения), трубообрезной станок для резки труб по длине, весы, контрольный пресс и далее на склад готовой продукции. Все это оборудование располагается последовательно по технологическому циклу в комплексную тру­бопрокатную установку по выпуску бесшовных труб различных размеров.

 




Поделиться с друзьями:


Дата добавления: 2014-01-20; Просмотров: 1176; Нарушение авторских прав?; Мы поможем в написании вашей работы!


Нам важно ваше мнение! Был ли полезен опубликованный материал? Да | Нет



studopedia.su - Студопедия (2013 - 2026) год. Все материалы представленные на сайте исключительно с целью ознакомления читателями и не преследуют коммерческих целей или нарушение авторских прав! Последнее добавление




Генерация страницы за: 0.009 сек.