Студопедия

КАТЕГОРИИ:


Архитектура-(3434)Астрономия-(809)Биология-(7483)Биотехнологии-(1457)Военное дело-(14632)Высокие технологии-(1363)География-(913)Геология-(1438)Государство-(451)Демография-(1065)Дом-(47672)Журналистика и СМИ-(912)Изобретательство-(14524)Иностранные языки-(4268)Информатика-(17799)Искусство-(1338)История-(13644)Компьютеры-(11121)Косметика-(55)Кулинария-(373)Культура-(8427)Лингвистика-(374)Литература-(1642)Маркетинг-(23702)Математика-(16968)Машиностроение-(1700)Медицина-(12668)Менеджмент-(24684)Механика-(15423)Науковедение-(506)Образование-(11852)Охрана труда-(3308)Педагогика-(5571)Полиграфия-(1312)Политика-(7869)Право-(5454)Приборостроение-(1369)Программирование-(2801)Производство-(97182)Промышленность-(8706)Психология-(18388)Религия-(3217)Связь-(10668)Сельское хозяйство-(299)Социология-(6455)Спорт-(42831)Строительство-(4793)Торговля-(5050)Транспорт-(2929)Туризм-(1568)Физика-(3942)Философия-(17015)Финансы-(26596)Химия-(22929)Экология-(12095)Экономика-(9961)Электроника-(8441)Электротехника-(4623)Энергетика-(12629)Юриспруденция-(1492)Ядерная техника-(1748)

Электронно-лучевая трубка




ТЕОРИЯ

ИЗУЧЕНИЕ РАБОТЫ ЭЛЕКТРОННОГО ОСЦИЛЛОГРАФА

Лабораторная работа №7

Цель работы: ознакомление с принципом действия электронного осциллографа и его основных узлов; определение чувствительности вертикального входа осциллографа к переменному напряжению; изменение величины неизвестного напряжения; наблюдение формы исследуемых сигналов, определение частоты неизвестного сигнала.

Приборы и принадлежности: э лектронный осциллограф, источник исследуемого напряжения, одно- и двухполупериодный выпрямители, релаксационный генератор, трансформатор, звуковой генератор.

Электронный осциллограф (ЭО) применяется для исследования и визуального наблюдения быстроизменяющихся процессов электрического характера. Осциллографические устройства применяются в медицине для регистрации биопотенциалов с последующим их анализом, что играет большую роль при специфических исследованиях и диагностике заболеваний.

Достоинствами электронного осциллографа являются высокая чувствительность и безынерционность действия, что позволяет исследовать процессы длительностью до с.

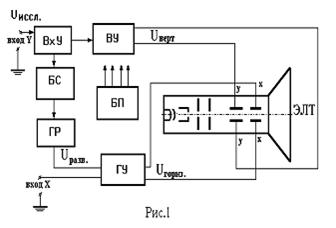
Устройство электронного осциллографа можно представить блок-схемой (рис.1)

 

На рис. 1 введены следующие обозначения:

ЭЛТ - электронно-лучевая трубка, служащая для преобразования электрических сигналов в видимое графическое изображение;

ВУ - вертикальный усилитель, служащий для усиления входного сигнала U ИССЛ., которое подается на вертикально отклоняющие пластины «YY» (U ВЕРТ.).

ГУ- горизонтальный усилитель, служащий для усиления сигнала генератора развертки ГР - U РАЗВ., которое подается на горизонтально отклоняющие пластины «XX» (U ГОРИЗ,).

ВхУ - входное устройство, служащее для согласования исследуемого U ИССЛ. сигнала с вертикальным усилителем ВУ.

ГР - генератор развертки, вырабатывающий пилообразное напряжение, равномерно перемещающее электронный луч по экрану ЭЛТ в горизонтальном направлении.

БС - блок синхронизации, осуществляющий процесс согласования периодов напряжения исследуемого сигнала и генератора развертки.

БП - блок питания всех блоков осциллографа.

Рассмотрим принцип действия всех блоков осциллографа.

 

Электронно-лучевая трубка является главным рабочим элементом осциллографа. Она представляет собой электровакуумный прибор, состоящий из баллона, расширенная часть которого заканчивается экраном. Внутри трубки впаян ряд электродов различного назначения, находящихся в условиях высокого вакуума (давление мм рт.ст.)

 

На рис.2 показаны основные элементы электронно-лучевой трубки с электростатическим управлением. В узкой части трубки находятся электроды, образующие «электронную пушку», в расширенной - система отклоняющих пластин YY и XX, АКВ - аквадаг (суспензия графита в воде, применяемая для образования электропроводящего слоя на внутренней поверхности электронно-лучевой трубки), Э - экран.

Электронная пушка

 

Электронная пушка включает в себя нить накала Н, катод К, модулятор М, аноды А1 и А2. Нить накала нагревается от блока питания и подогревает катод до высокой температуры Т =1000-1100 0К. В результате этого электроны выходят с поверхности катода (термоэлектронная эмиссия) и образуют вблизи катода электронное облако). При подаче на аноды А1 и А2 больших положительных относительно катода потенциалов электроны от катода устремляются к анодам и экрану, образуя рассеянный электронный пучок. Модулятор, потенциал которого отрицателен относительно катода, располагается намного ближе к катоду, чем аноды А1 и А2. На рис.3 графически изображено электрическое поле между катодом и модулятором.

 

 

Рис.3

 

Под действием силы Кулона часть электронов, вылетающих из катода К, возвращается к катоду, а другая часть движется под некоторым углом к силовым линиям электрического поля и вылетает через отверстие в модуляторе.




Поделиться с друзьями:


Дата добавления: 2014-10-15; Просмотров: 871; Нарушение авторских прав?; Мы поможем в написании вашей работы!


Нам важно ваше мнение! Был ли полезен опубликованный материал? Да | Нет



studopedia.su - Студопедия (2013 - 2026) год. Все материалы представленные на сайте исключительно с целью ознакомления читателями и не преследуют коммерческих целей или нарушение авторских прав! Последнее добавление




Генерация страницы за: 0.011 сек.