Студопедия

КАТЕГОРИИ:


Архитектура-(3434)Астрономия-(809)Биология-(7483)Биотехнологии-(1457)Военное дело-(14632)Высокие технологии-(1363)География-(913)Геология-(1438)Государство-(451)Демография-(1065)Дом-(47672)Журналистика и СМИ-(912)Изобретательство-(14524)Иностранные языки-(4268)Информатика-(17799)Искусство-(1338)История-(13644)Компьютеры-(11121)Косметика-(55)Кулинария-(373)Культура-(8427)Лингвистика-(374)Литература-(1642)Маркетинг-(23702)Математика-(16968)Машиностроение-(1700)Медицина-(12668)Менеджмент-(24684)Механика-(15423)Науковедение-(506)Образование-(11852)Охрана труда-(3308)Педагогика-(5571)Полиграфия-(1312)Политика-(7869)Право-(5454)Приборостроение-(1369)Программирование-(2801)Производство-(97182)Промышленность-(8706)Психология-(18388)Религия-(3217)Связь-(10668)Сельское хозяйство-(299)Социология-(6455)Спорт-(42831)Строительство-(4793)Торговля-(5050)Транспорт-(2929)Туризм-(1568)Физика-(3942)Философия-(17015)Финансы-(26596)Химия-(22929)Экология-(12095)Экономика-(9961)Электроника-(8441)Электротехника-(4623)Энергетика-(12629)Юриспруденция-(1492)Ядерная техника-(1748)

Полевых МОП - транзисторов




Изучение статических характеристик и параметров

ЛАБОРАТОРНОЕ ЗАДАНИЕ

 

2.1. Лабораторная установка и методика измерений

 

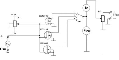
Схема лабораторной установки для получения статических вольтамперных характеристик МОП-транзисторов представлена на рис. 10. На рис. 11 показан внешний вид лабораторного макета. Исследуемые транзисторы подключены к плате внутри лабораторного макета. Выбор конкретного транзистора осуществляется с помощью переключателя «Выбор транзистора». Положение «1» соответствует подключению МОП-транзистора с индуцированным каналом (используется микросхема К176ЛП1). Положение «2» соответствует подключению МОП-транзистора со встроенным каналом (КП313Б). Положение «3» соответствует подключению другого МОП-транзистора со встроенным каналом(КП306Д).

Вольтметр для измерения напряжения затвор-исток VЗИ подключают, соблюдая указанную на макете полярность, к клеммам с надписью «Напряжение затвор-исток». Миллиамперметр для измерения тока стока IC присоединяют, соблюдая полярность, к клеммам с надписью «Ток стока». Вольтметр для измерения напряжения сток-исток VСИ присоединяют, соблюдая полярность, к клеммам с надписью «Напряжение сток-исток». К клеммам с надписью «Напряжение питания», соблюдая указанную на макете полярность, присоединяют один из каналов учебного трёхканального источника питания и устанавливают напряжение в пределах от 13 В до 15 В. Потенциометры с надписями «Установка напряжения затвор-исток» и «Установка напряжения сток-исток» предназначены для регулирования соответственно напряжений VЗИ и VСИ.

 

Рис. 10. Схема лабораторного макета для исследования

статических ВАХ МОП – транзисторов

 

Начиная работу, их следует установить в крайнее левое положение поворотом против часовой стрелки. Следует также проконтролировать знак напряжения на вольтметре, измеряющем напряжение VЗИ, когда переключатель «Выбор транзистора» находится в положениях «2» или «3» и исследуется полевой транзистор со встроенным каналом. При |VЗИ.| > 0 он должен быть отрицательным. Если это не так, то для удобства работы измените подключение клемм вольтметра.

 

 

Рис. 11. Внешний вид лабораторного макета для

исследования статических ВАХ МОП – транзисторов

 

Электрические параметры макета обеспечивают:

· возможность установки напряжения VЗИ в пределах от -3.5 В до +6 В;

· напряжение VСИ не менее +9 В (при IС = 0);

· ток стока IС не более 15 мА.

При получении выходных характеристик IC= IC(VСИ) напряжение затвор-исток следует поддерживать постоянным в соответствии с требованиями лабораторного задания. Для каждой кривой семейства следует получать не менее 5-7 экспериментальных точек. Установку пределов измерительных приборов следует проводить сообразно выполняемому заданию.

 




Поделиться с друзьями:


Дата добавления: 2014-11-18; Просмотров: 767; Нарушение авторских прав?; Мы поможем в написании вашей работы!


Нам важно ваше мнение! Был ли полезен опубликованный материал? Да | Нет



studopedia.su - Студопедия (2013 - 2026) год. Все материалы представленные на сайте исключительно с целью ознакомления читателями и не преследуют коммерческих целей или нарушение авторских прав! Последнее добавление




Генерация страницы за: 0.011 сек.