Студопедия

КАТЕГОРИИ:


Архитектура-(3434)Астрономия-(809)Биология-(7483)Биотехнологии-(1457)Военное дело-(14632)Высокие технологии-(1363)География-(913)Геология-(1438)Государство-(451)Демография-(1065)Дом-(47672)Журналистика и СМИ-(912)Изобретательство-(14524)Иностранные языки-(4268)Информатика-(17799)Искусство-(1338)История-(13644)Компьютеры-(11121)Косметика-(55)Кулинария-(373)Культура-(8427)Лингвистика-(374)Литература-(1642)Маркетинг-(23702)Математика-(16968)Машиностроение-(1700)Медицина-(12668)Менеджмент-(24684)Механика-(15423)Науковедение-(506)Образование-(11852)Охрана труда-(3308)Педагогика-(5571)Полиграфия-(1312)Политика-(7869)Право-(5454)Приборостроение-(1369)Программирование-(2801)Производство-(97182)Промышленность-(8706)Психология-(18388)Религия-(3217)Связь-(10668)Сельское хозяйство-(299)Социология-(6455)Спорт-(42831)Строительство-(4793)Торговля-(5050)Транспорт-(2929)Туризм-(1568)Физика-(3942)Философия-(17015)Финансы-(26596)Химия-(22929)Экология-(12095)Экономика-(9961)Электроника-(8441)Электротехника-(4623)Энергетика-(12629)Юриспруденция-(1492)Ядерная техника-(1748)

Режимы работы электрической цепи




При подключении к источнику питания различного количества потребителей или изменения их параметров будут изменяться величины напряжений, токов и мощностей в электрической цепи, от значений которых зависит режим работы цепи и ее элементов.

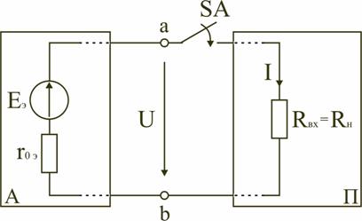
Реальная электрическая цепь может быть представлена в виде активного и пассивного двухполюсников (рис. 1.23).

Рис. 1.23

Двухполюсником называют цепь, которая соединяется с внешней относительно нее частью цепи через два вывода а и b – полюса.

Активный двухполюсник содержит источники электрической энергии, а пассивный двухполюсник их не содержит. Для расчета цепей с двухполюсниками реальные активные и пассивные элементы цепи представляются схемами замещения. Схема замещения пассивного двухполюсника П представляется в виде его входного сопротивления

Схема замещения активного двухполюсника А представляется эквивалентным источником с ЭДС Eэ и внутренним сопротивлением r, нагрузкой для которого является входное сопротивление пассивного двухполюсника Rвх = Rн.

Режим работы электрической цепи (рис. 1.23) определяется изменениями параметров пассивного двухполюсника, в общем случае величиной сопротивления нагрузки Rн. При анализе электрической цепи рассматривают следующие режимы работы: холостого хода, номинальный, короткого замыкания и согласованный.

Работа активного двухполюсника под нагрузкой Rн определяется его вольт-амперной (внешней) характеристикой, уравнение которой (1.10) для данной цепи запишется в виде

(1.12)

U = Eэ - Ir.

Эта вольт-амперная характеристика строится по двум точкам 1 и 2 (рис. 1.24), соответствующим режимам холостого хода и короткого замыкания.




Поделиться с друзьями:


Дата добавления: 2014-11-20; Просмотров: 434; Нарушение авторских прав?; Мы поможем в написании вашей работы!


Нам важно ваше мнение! Был ли полезен опубликованный материал? Да | Нет



studopedia.su - Студопедия (2013 - 2026) год. Все материалы представленные на сайте исключительно с целью ознакомления читателями и не преследуют коммерческих целей или нарушение авторских прав! Последнее добавление




Генерация страницы за: 0.01 сек.