Студопедия

КАТЕГОРИИ:


Архитектура-(3434)Астрономия-(809)Биология-(7483)Биотехнологии-(1457)Военное дело-(14632)Высокие технологии-(1363)География-(913)Геология-(1438)Государство-(451)Демография-(1065)Дом-(47672)Журналистика и СМИ-(912)Изобретательство-(14524)Иностранные языки-(4268)Информатика-(17799)Искусство-(1338)История-(13644)Компьютеры-(11121)Косметика-(55)Кулинария-(373)Культура-(8427)Лингвистика-(374)Литература-(1642)Маркетинг-(23702)Математика-(16968)Машиностроение-(1700)Медицина-(12668)Менеджмент-(24684)Механика-(15423)Науковедение-(506)Образование-(11852)Охрана труда-(3308)Педагогика-(5571)Полиграфия-(1312)Политика-(7869)Право-(5454)Приборостроение-(1369)Программирование-(2801)Производство-(97182)Промышленность-(8706)Психология-(18388)Религия-(3217)Связь-(10668)Сельское хозяйство-(299)Социология-(6455)Спорт-(42831)Строительство-(4793)Торговля-(5050)Транспорт-(2929)Туризм-(1568)Физика-(3942)Философия-(17015)Финансы-(26596)Химия-(22929)Экология-(12095)Экономика-(9961)Электроника-(8441)Электротехника-(4623)Энергетика-(12629)Юриспруденция-(1492)Ядерная техника-(1748)

Модуляторы вч колебаний на биполярных транзисторах




 

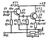
Транзисторный выключатель. Устройство (рис 721) пред­назначено для дистанционного включения переменного сигнала при отрицательном управляющем сигнале 1 В входной сигнал с ампли­тудой менее 1 В не проходит через транзисторы VT1 и VT2 Ослаб ление входного сигнала может превышать 100 дБ на частотах до 10 МГц. Для открывания схемы на управляющий вход подается напряжение положительной полярности 2 — 3 В. В этом режиме оба транзистора открыты. Коэффициент усиления схемы равен 09

Диодный выключатель. При отсутствии сигнала на управляю­щем входе (рис. 7.22) транзистор VT2 закрыт. Положительное кол­лекторное напряжение закрывает диоды VD1 и VD2 Положительное напряжение на управляющем входе открывает транзистор VT2 и на его коллекторе появляется напряжение минус 4 В которое от­кроет диоды. Входной сигнал с амплитудой 0,5 В, через диоды пройдет на выходы. Частота входного сигнала 100 МГц Диодный выключатель может работать в широком диапазоне частот Для уменьшения нижней граничной частоты входного сигнала необходи­мо увеличить емкости конденсаторов. При входном сигнале с амп­литудой более 1 В выходной сигнал имеет нелинейные искажения

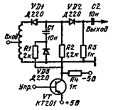
Диодный высокочастотный выключатель. Импульсный модуля­тор высокочастотного сигнала (рис. 7.23) представляет собой диод­ный переключатель. Когда управляющий транзистор закрыт отри­цательное напряжение на его коллекторе закрывает диоды V D1 и VD2 и открывает диод VD3. Конденсатор С1 ослабляет входной сигнал, который проходит через закрытый диод VD1. В результате этого общее ослабление на выходе схемы составит более 70 дБ. При открывании транзистора VT1 положительное напряжение открывает диоды VD1 и VD2 и закрывает диод VD3. Входной сигнал через диоды поступает на выход. Схема может управлять сигналами с частотой до 30 МГц. Скорость переключения может составлять 500 кГц.

Рис. 7.21 Рис. 7.22 Рис. 7.23

Рис. 7.24

 

Генератор радиоимпульсов. Генератор (рнс. 7.24) построен на одном транзисторе, включенном с ОБ. Коэффициент трансформации в пределах 0,3 — 0,15 не критичен. При запуске схемы на управля­ющий вход поступает положительный импульс с амплитудой до 5 В. Цепочка R2, С2 создает автоматическое смещение. Для транс­форматора с обмотками (w1=25 витков, w2 = Q витков, w3 = 2 вит­ка), намотанными на каркасе диаметром 7 мм, частота гармониче­ского сигнала равна 20 — 30 МГц. Колебания нарастают за 2 — 3 пе­риода. Длительность спада радиоимпульса определяется сопротивле­нием резистора R1. Для R1 — 1 кОм затухание происходит за 2 — 3 периода. Если применить транзистор ГТ313, можно получить колебания с частотой 100 — 150 МГц; при этом трансформатор дол­жен иметь обмотки (w1=4,5 витка; w2=1 виток) на каркасе диаметром 7 мм, R2 = 91 Ом; С2=18 пФ. Нарастание колебаний происходит за 5 — 7 периодов.

 

Рис. 7.25

Рис. 7.26

 

Импульсные высокочастотные модуляторы. В модуляторе (рис. 7.25) транзистор работает в режиме лавинного пробоя. При больших коллекторных напряжениях переход эмиттер — база транзисторов имеет участок с отрицательным дифференциальным сопро­тивлением. Максимумом 5-образной характеристики можно управ­лять напряжением в цепи базы. В данных модуляторах коллектор­ное напряжение выбрано немного меньше напряжения лавинного пробоя. При отсутствии входного сигнала транзистор закрыт. Поло­жительный сигнал в цепи базы открывает транзистор. Эмиттерный переход смещается в область отрицательного сопротивления. В эмит-терной цепи возникают релаксационные колебания, частота которых определяется цепочкой R3, С2. Конденсатор С1 шунтирует колеба­ния в цепи коллектора. В схеме рис. 7.25, а на выходе формиру­ются импульсные сигналы положительной полярности с амплитудой 5 В и частотой порядка 20 кГц. Схема рис. 7.25, б позволяет полу­чить сигналы отрицательной полярности с амплитудой 2 В и часто­той около 70 кГц.

В этих модуляторах могут быть использованы транзисторы П411Б с коллекторным напряжением 40 В и транзисторы ГТ311Ж с коллекторным напряжением 30 В, причем на этих транзисторах можно получить импульсы с частотой повторения до 100 МГц.

Управляемый высокочастотный генератор. Генератор гармони­ческих колебаний (рис. 7.26) собран на транзисторе VT2. Колеба­ния в схеме отсутствуют до тех пор, пока открыты диодные ключи на VD1 и VD2, которые шунтируют контур. Работой диодных клю­чей управляет транзистор VT1. Входной импульс положительной полярности закрывает транзистор VTJ и, следовательно, диоды VD1 и VD2. Поскольку постоянный ток транзистора VT1 протекает через контур, то при закрывании его в контуре возникают колебания ударного возбуждения. Эти колебания в генераторе на VT2 поддер­живаются ПОС через обмотку ОС и резистор R7. По мере возра­стания амплитуды колебаний в генераторе начинают проводить включенные в цепь ООС диоды VD3 и VD4, которые ограничивают ПОС. Таким образом стабилизируется амплитуда гармонических колебаний. При изменении питающего напряжения с 8 до 16 В амплитуда выходного сигнала меняется на 3%. Верхняя граничная частота схемы доходит до 1 МГц.

Генератор радиоимпульсов с низкоомным выходом. Генератор (рис. 7.27) предназначен для работы на емкостную нагрузку. Когда на входе отсутствует управляющий сигнал, транзистор VT1 открыт и находится в насыщении. Через индуктивность протекает ток. С приходом управляющего импульса транзистор закрывается.

Рис. 7.27

 

В контуре должны возникнуть затухающие колебания. Однако это­го не происходит. При работе эмнттерного повторителя на емкост­ную нагрузку с индуктивным сопротивлением в цепи базы в схеме возникают колебания. Емкость нагрузки, при которой начинает воз­буждаться эмиттерный повторитель, определяется выражением Сн = тк/h21Э R6, где тк — постоянная времени транзистора с ОЭ; h21Э — коэффициент передачи тока в схеме с ОЭ. В результате на выходе существуют незатухающие колебания. Для устранения возбуждения колебаний, когда транзистор VT1 открыт, в схему введен резистор R3.

Амплитуда гармонического сигнала с частотой 10 МГц на на­грузке с емкостью до 2 нФ составляет 5 В, а амплитуда сигнала с частотой 6 МГц на нагрузке с емкостью до 3,5 нФ равна 10 В Длительность управляющих сигналов от 0,1 икс до десятков мил­лисекунд.

 




Поделиться с друзьями:


Дата добавления: 2014-11-29; Просмотров: 1625; Нарушение авторских прав?; Мы поможем в написании вашей работы!


Нам важно ваше мнение! Был ли полезен опубликованный материал? Да | Нет



studopedia.su - Студопедия (2013 - 2026) год. Все материалы представленные на сайте исключительно с целью ознакомления читателями и не преследуют коммерческих целей или нарушение авторских прав! Последнее добавление




Генерация страницы за: 0.008 сек.