Студопедия

КАТЕГОРИИ:


Архитектура-(3434)Астрономия-(809)Биология-(7483)Биотехнологии-(1457)Военное дело-(14632)Высокие технологии-(1363)География-(913)Геология-(1438)Государство-(451)Демография-(1065)Дом-(47672)Журналистика и СМИ-(912)Изобретательство-(14524)Иностранные языки-(4268)Информатика-(17799)Искусство-(1338)История-(13644)Компьютеры-(11121)Косметика-(55)Кулинария-(373)Культура-(8427)Лингвистика-(374)Литература-(1642)Маркетинг-(23702)Математика-(16968)Машиностроение-(1700)Медицина-(12668)Менеджмент-(24684)Механика-(15423)Науковедение-(506)Образование-(11852)Охрана труда-(3308)Педагогика-(5571)Полиграфия-(1312)Политика-(7869)Право-(5454)Приборостроение-(1369)Программирование-(2801)Производство-(97182)Промышленность-(8706)Психология-(18388)Религия-(3217)Связь-(10668)Сельское хозяйство-(299)Социология-(6455)Спорт-(42831)Строительство-(4793)Торговля-(5050)Транспорт-(2929)Туризм-(1568)Физика-(3942)Философия-(17015)Финансы-(26596)Химия-(22929)Экология-(12095)Экономика-(9961)Электроника-(8441)Электротехника-(4623)Энергетика-(12629)Юриспруденция-(1492)Ядерная техника-(1748)

Детекторы с ОУ




 

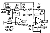
Детектор с удвоителем. Для детектирования AM сигнала в схеме (рис. 8.9, а) применен удвоитель напряжения на диодах Ког­да на входе отрицательная полуволна, происходит заряд конденса­тора С1 через диод VD1. При смене полярности входного сигнала конденсатор С1 разряжается через диод VD2. На конденсаторе С2 будет двойная амплитуда входного сигнала. Постоянная составляю­щая на выходе схемы зависит от коэффициента усиления ОУ Ky.u = l + (R2/R1). При малых сигналах на входе схема проявляет пороговые свойства. Порог открывания меняется в зависимости от коэффициента усиления ОУ. Переходные характеристики детектора при различных R1 приведены на рис. 8.9,6, а зависимость напря­жения порога Uп от Kу.и — на рис. 8.9, в.

Детектор с ОС по постоянному току. В схеме детектора (рис. 8.10, а) применена следящая ООС. Когда на входе положи­тельная полярность входного сигнала, ОУ быстро заряжает кон­денсатор С через диод VD2. Напряжение на конденсаторе отсле­живает уровень входного сигнала через резистор R1 При уменьше­нии уровня входного сигнала ОУ мгновенно переключается по­скольку напряжение на конденсаторе сохраняет максимальное зна­чение. Конденсатор разряжается через резистор R1 и диод VD1 Скорость разряда конденсатора определяется уровнем входного сигнала.

Выходной сигнал детектора зависит от отношения сопротив­лений резисторов R1 и R2. Для каждого значения этого отношения необходимо подбирать сопротивление резистора R3, чтобы исклю­чить постоянный уровень на выходе, вызванный разбалансом ОУ. На рис. 8.10,6 приведены передаточные- характеристики детектора для различных сопротивлений R2.

Рис. 8.9

Рис. 8.10 Рис. 811

 

Детектор с интегратором. Схема преобразования переменного напряжения в постоянное состоит из двух ОУ (рис. 8.11): первый выполняет функции детектора, а второй — интегратора. На­пряжение, получаемое в точке соединения VDI и R4, содер­жит положительные полувол­ны входного сигнала. Этот сигнал суммируется с проти­вофазным входным сигналом. На входе ОУ DA2 будет сиг­нал положительной полярно­сти с амплитудой, равной 1/3 от амплитуды сигнала, дейст­вующего на входе. Аналогич­ная амплитуда будет форми­роваться от положительной полярности входного сигнала. В результате на выходе ОУ DA2 по­лучается постоянное напряжение, пропорциональное входному пе­ременному напряжению. Линейчость преобразования достигается выбором сопротивлений резисторов из условия R1 = 2R3, Rl = R7. В настроенной схеме динамический диапазон преобразования вход­ного сигнала находится в пределах от 10 мВ до 1,5 В с погрешно­стью не более 1,5%; частота входного сигнала в пределах от 0 до 100 кГц.

Рис 8.12 Рис. 8.13

Пиковый детектор на ОУ с запоминанием. Входной сигнал де­тектора (рис. 8.12) через ОУ DA1 заряжает конденсатор С. Посто­янное напряжение на конденсаторе через ООС подается на второй вход ОУ DAL Эта связь действует через ОУ DA2. На конденсато­ре устанавливается максимальное значение входного сигнала. Это напряжение может продолжительное время оставаться на конденса­торе. С приходом положительного импульса по цепи управления происходит разряд кэнденсатора. После этого конденсатор может вновь запомнить максимальное значение выпрямленного напряжения входного сигнала.

Пик-детектор с ООС. Входной сигнал схемы (рис. 8.13) посту­пает на ОУ DA1, который усиливает его в 10 раз. Выходной сигнал ОУ DAJ через транзистор VT1 заряжает накопительный конденса­тор С. По мере увеличения напряжения на конденсаторе увеличи­вается напряжение ОС на инвертирующем входе интегральной мик­росхемы DA2. В результате напряжение ОС будет равно амплитуде сигнала на выходе микросхемы DA1. Это напряжение может сохра­няться продолжительное время. Для сброса напряжения конденса­тора необходимо открыть полевой транзистор при нулевом входном сигнале.

 




Поделиться с друзьями:


Дата добавления: 2014-11-29; Просмотров: 3181; Нарушение авторских прав?; Мы поможем в написании вашей работы!


Нам важно ваше мнение! Был ли полезен опубликованный материал? Да | Нет



studopedia.su - Студопедия (2013 - 2026) год. Все материалы представленные на сайте исключительно с целью ознакомления читателями и не преследуют коммерческих целей или нарушение авторских прав! Последнее добавление




Генерация страницы за: 0.007 сек.