Студопедия

КАТЕГОРИИ:


Архитектура-(3434)Астрономия-(809)Биология-(7483)Биотехнологии-(1457)Военное дело-(14632)Высокие технологии-(1363)География-(913)Геология-(1438)Государство-(451)Демография-(1065)Дом-(47672)Журналистика и СМИ-(912)Изобретательство-(14524)Иностранные языки-(4268)Информатика-(17799)Искусство-(1338)История-(13644)Компьютеры-(11121)Косметика-(55)Кулинария-(373)Культура-(8427)Лингвистика-(374)Литература-(1642)Маркетинг-(23702)Математика-(16968)Машиностроение-(1700)Медицина-(12668)Менеджмент-(24684)Механика-(15423)Науковедение-(506)Образование-(11852)Охрана труда-(3308)Педагогика-(5571)Полиграфия-(1312)Политика-(7869)Право-(5454)Приборостроение-(1369)Программирование-(2801)Производство-(97182)Промышленность-(8706)Психология-(18388)Религия-(3217)Связь-(10668)Сельское хозяйство-(299)Социология-(6455)Спорт-(42831)Строительство-(4793)Торговля-(5050)Транспорт-(2929)Туризм-(1568)Физика-(3942)Философия-(17015)Финансы-(26596)Химия-(22929)Экология-(12095)Экономика-(9961)Электроника-(8441)Электротехника-(4623)Энергетика-(12629)Юриспруденция-(1492)Ядерная техника-(1748)

Последовательность выполнения работы. 1. Изучите теоретические основы электрохимической размерной обработки




1. Изучите теоретические основы электрохимической размерной обработки.

2. Ознакомьтесь с устройством и принципом работы лабораторной установки ЭХТ–97.

3. Совместно с преподавателем разберите представленные в начале работы формулы химических реакций, протекающих в технологической системе при электрохимической размерной обработке.

4. Получите у учебного мастера заготовку для эксперимента — пластинку, изготовленную из стали 45.

5. Измерьте штангенциркулем размеры рабочей зоны пластинки, микрометром — толщину h заготовки и профилометром MarSurf PS1 — шероховатость обрабатываемой поверхности по параметру Ra,по три измерения каждого параметра. Полученные значения занесите в таблицу П.1 протокола измерений, форма которого представлена в разделе «Содержание отчета» данной работы.

6. Установите заготовку в ёмкость с электролитом — 15 % водным раствором соли NaCl, выдержав заданное преподавателем значение межэлектродного зазора d (в пределах 3–10 мм).

7. Проведите обработку заготовки в течение 5 минут при заданном преподавателем значении силы тока I и установившемся значении напряжения U. После травления измерьте толщину образца h и шероховатость поверхности Ra профилометром MarSurf PS1 (см. приложение 2). Результаты измерений занесите в таблицу П.2 протокола измерений.

8. Повторите дважды (в таблице П.2 — эксперименты 2 и 3) на этом же образце перечисленные в пунктах 5, 6, 7 действия, увеличивая каждый раз значение силы тока I, и занесите измеренные данные в таблицу П.2 (эксперименты 2 и 3) протокола измерений.

9. Вычислите значения плотности тока в каждом эксперименте по формуле ρI = I / S, А/мм2; результаты расчётов занесите в таблицу 1.37.

Таблица 1.37

Результаты расчётов

Номер эксперимента ρI, А/мм2 Δ h, мм mф, кг kh υр, мм/мин Пm, кг/мин wm, Дж/кг
               
               
               

10. Рассчитайте и занесите в таблицу 1.37 значения коэффициентов выхода по току для каждого эксперимента. Для этого:

— вычислите толщину Δ h удалённого за 5 минут обработки слоя материала по каждому эксперименту по формуле Δ h = h2 – h1, в которой индексы 1 и 2 обозначают номера измерений;

— рассчитайте массу mф, кг, удалённого слоя по формуле:

mф = 10-9 ρmS Δ h;

— используя формулу (1.57) и данные таблицы 1.38, определите значения коэффициента выхода по току kh.

Таблица 1.38

Плотность и электрохимические эквиваленты некоторых сплавов

№ п/п Материал ρ m, кг/м3 kэх, кг/Кл
  2Х13   2,58×10-7
  5ХНМ   2,86×10-7
  ВК8   3,10×10-7
  Т15К6   2,75×10-7
  Т5К10   3,05×10-7
  30ХГСА   2,88×10-7
  38ХНМЮА   2,83×10-7
  Д1   0,93×10-7
  ВТ16   1,79×10-7
  ВТ22   1,72×10-7

Окончание табл. 1.38

№ п/п Материал ρ m, кг/м3 kэх, кг/Кл
  ЭИ-893   2,64×10-7
  Х18Н9Т   2,76·10-7
Примечание. В экспериментах используются образцы из стали 45, имеющей kэх = 2,69×10-7 кг/Кл, ρm = 7800 кг/м3.

11. Рассчитайте производительность по массе Пm = mф / τо, кг/мин, и удельную энергоёмкость процесса обработки wm, Дж/кг, по формуле (1.61) при различных значениях плотности тока. Результаты расчётов занесите в таблицу 1.37.

12. Постройте графики экспериментально полученных зависимостей анодного выхода по току, скорости анодного растворения и удельной энергоёмкости процесса от плотности тока: kh = f1 (rI), υР = f2 (rI), wm = f3 (rI). Нанесите на построенные графики типовые графики соответствующих зависимостей, представленные на рисунке 1.65. Охарактеризуйте степень совпадения полученных результатов с теоретическими зависимостями электрохимической обработки заготовок.

13. Постройте график зависимости шероховатости обработанной поверхности заготовки от плотности тока Ra = f (ρI).

14. Рассчитайте по предложенным преподавателем параметрам производительность по массе Пm для процесса концевого фрезерования заготовки и сопоставьте полученные данные с производительностью электрохимической размерной обработки.

15. Получите у преподавателя индивидуальное задание (таблица 1.39).

Выполните по индивидуальному заданию следующие действия:

— нарисуйте схему обработки заготовки и эскиз рабочей части применяемого электрода-инструмента с необходимыми видами и (или) сечениями;

— рассчитайте площадь поверхности S, подлежащей обработке;

— пользуясь данными, приведёнными в таблице 1.39, определите необходимую для выполнения обработки плотность тока по формуле

, А/мм2;

— определите силу тока I, обеспечивающую скорость анодного растворения υр = 0,05 мм/мин, по формуле I = ρIS; анодный выход по току kh примите равным среднему значению, полученному в экспериментах;

— рассчитайте время tо электрохимической обработки заготовки.

Содержание отчёта

1. Наименование работы.

2. Условия проведения эксперимента: материал и размеры заготовки, размеры её рабочей зоны, значение межэлектродного зазора d,состав и концентрация электролита, измерительные приборы и инструменты.

3. Таблица результатов эксперимента по форме таблицы П.2 протокола измерений.

Расчёты, перечисленные в пунктах 9–11 раздела «Последовательность выполнения работы», и таблица результатов (по форме таблицы 3.1).

4. Графики зависимостей: kh = f1 (ρI), υР = f2 (ρI), wm = f3 (ρI), Ra = f4 (ρI).

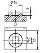
Таблица 1.39

Индивидуальные задания

№ п/п Операционный эскиз № п/п Операционный эскиз № п/п Операционный эскиз
  Материал: 2Х13   Материал: 30ХГСА   Материал: ЭИ-893
  Материал: Сталь 40Х   Материал: Т5К10   Материал: ВТ16

 

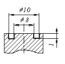
Окончание табл. 1.39

№ п/п Операционный эскиз № п/п Операционный эскиз № п/п Операционный эскиз
  Материал: 5ХНМА   Материал: Т15К6   Материал: 38ХМЮА
  Материал: ВК8   Материал: Сталь 40ХН   Материал: Д1

5. Сопоставление производительности электрохимической обработки заготовки (по эскизу индивидуального задания) с производительностью её обработки указанными преподавателем методом и режимом обработки.

6. Выводы.

7. Номер, формулировка, исходные данные индивидуального задания (таблица 1.39) и эскиз детали.

Индивидуальное задание: «Определить силу тока, необходимую для травления заготовки и рассчитать основное время обработки».

8. Расчёты силы тока I, обеспечивающей υр = 0,05 мм/мин, и основного времени обработки tо.

9. Приложение. Протокол измерений (по далее приведённой форме).

Приложение




Поделиться с друзьями:


Дата добавления: 2014-12-27; Просмотров: 490; Нарушение авторских прав?; Мы поможем в написании вашей работы!


Нам важно ваше мнение! Был ли полезен опубликованный материал? Да | Нет



studopedia.su - Студопедия (2013 - 2026) год. Все материалы представленные на сайте исключительно с целью ознакомления читателями и не преследуют коммерческих целей или нарушение авторских прав! Последнее добавление




Генерация страницы за: 0.013 сек.