Студопедия

КАТЕГОРИИ:


Архитектура-(3434)Астрономия-(809)Биология-(7483)Биотехнологии-(1457)Военное дело-(14632)Высокие технологии-(1363)География-(913)Геология-(1438)Государство-(451)Демография-(1065)Дом-(47672)Журналистика и СМИ-(912)Изобретательство-(14524)Иностранные языки-(4268)Информатика-(17799)Искусство-(1338)История-(13644)Компьютеры-(11121)Косметика-(55)Кулинария-(373)Культура-(8427)Лингвистика-(374)Литература-(1642)Маркетинг-(23702)Математика-(16968)Машиностроение-(1700)Медицина-(12668)Менеджмент-(24684)Механика-(15423)Науковедение-(506)Образование-(11852)Охрана труда-(3308)Педагогика-(5571)Полиграфия-(1312)Политика-(7869)Право-(5454)Приборостроение-(1369)Программирование-(2801)Производство-(97182)Промышленность-(8706)Психология-(18388)Религия-(3217)Связь-(10668)Сельское хозяйство-(299)Социология-(6455)Спорт-(42831)Строительство-(4793)Торговля-(5050)Транспорт-(2929)Туризм-(1568)Физика-(3942)Философия-(17015)Финансы-(26596)Химия-(22929)Экология-(12095)Экономика-(9961)Электроника-(8441)Электротехника-(4623)Энергетика-(12629)Юриспруденция-(1492)Ядерная техника-(1748)

И.А. Ковалькова 2 страница




Р2:=РЧП

Второй операнд подаётся на входной регистр АЛУ.

4 этап. Выполняются операции в АЛУ

РС:=Р1 операция Р2

5 этап. Записываются результаты

РАП:=РК(А3)

Адрес, по которому необходимо записать результат, подается в ОП на РАП

РЧП:=РС

Результат подается в ОП на РЧП

Зп(РАП):=РЧП

Результат записывается в ЗМ

 

3-х адресные команды.

 

 

операционная адресная

часть часть

 

В 3-х адресной команде отсутствует А4. При использовании 3-х адресной команды добавляется дополнительное устройство – счётчик команд и дополнительно появляются команды перехода.

 

 

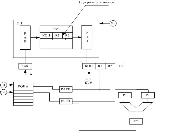
Микропрограмма и структурная схема операционной части ЦП при выполнении 3-х адресной команды.

 

Рис. 2.

 

СчК – счётчик команд, хранит адрес следующей команды

 

1 этап. РАП:=СчК

РЧП:=Чт(РАП)

РК:=РЧП

СчК:=СчК + n {n-длинна команды}

 

Этапы 2,3,4,5 см. 4-х адресные команды

 

2-х адресные команды.

 

операционная адресная

часть часть

 

Поле А3 – отсутствует. Результат записывается на место 1-го или 2-го операнда.

При этом операнд затирается и если его необходимо использовать в дальнейшем, он предварительно должен быть сохранён.

Одноадресные команды.

 

 

операционная адресная

часть часть

Есть только поле А1

В структуру ЦП вводится дополнительный регистр аккумулятор (РА), на который предварительно дополнительной командой засылается второй операнд.

Результат записывается на место либо первого операнда, либо в аккумулятор.

Безадресные команды.


Рис. 3

Имеется только поле кода операции.

Стек используется для хранения операндов и записи результата.

 

Способы адресации.

Различают понятия: адресный код в команде и исполнительный адрес операнда.

Адресный код в команде - это информация об адресе

Исполнительный адрес операнда – это физический адрес ячейки памяти, в которой хранится операнд или в которую необходимо записать результат.

1)Прямая адресация

Рис. 4

Выбор операнда
В адресном поле команды Ai задаётся исполнительный адрес операнда

РАП:=РК(Аi)

РЧП:=Чт(РАП)

Р1:=РЧП

Р1-входной регистр АЛУ

 

2)Непосредственная адресация

В адресном поле команды задается непосредственно сам операнд

Рис. 5

Р1:=РК(Ai)

3)Косвенная адресация

В адресном поле команды задается адрес ячейки оперативной памяти (ОП), в которой хранится адрес операнда. Иначе, эта адресация называется адрес адреса.

Рис. 6

 

РАП:=РК(Ai)

РЧП:=Чт(РАП) – выбор адреса операнда из ЗМ

РАП:=РЧП

РЧП:=Чт(РАП) – выбор операнда из ЗМ

Р1:=РЧП

 

4)Регистровая адресация

В структуру ЦП дополнительно вводятся регистры общего назначения (РОНы)

Они вводятся для того, чтобы:

1.Сократить время выбора операндов по сравнению с ОП

2.Сократить размер поля Ai для кодирования номера РОНа

Микропрограмма и структурная схема операционной части ЦП при выполнении двухадресной команды формата регистр-регистр.

При использовании регистровой адресации в адресном поле команд Аi задается номер регистра, где хранится операция.

При написании микропрограммы принимается, что запись результата производится на место первого операнда:

 

 

Рис. 7

 

РК - регистр команд - предназначается для хранения текущей выполняемой команды

 

 

1 этап. Выбор команды из памяти

РАП:=СчК (адрес следующей команды подается на РАП)

РЧП:=Чт(РАП) (выбор команды из ЗМ)

РК:=РЧП (машинная команда из памяти передается на РК в ЦП)

СчК:=СчК+n (n-длина выполняемой машинной команды в байтах)

2 этап. Дешифрация кода операции.

3 этап. Формирование исполнительного адреса и выбор операндов.

Выбор 1-го операнда
Операнды находятся в РОНах.

РАРП:=РК(R1) (на РАРП из РК подаётся номер регистра,где хранится 1-ый операнд)

РЧРП:=Чт(РАРП) (выбор первого операнда из РОНов)

Р1:=РЧРП (пересылка первого операнда на входной регистр АЛУ)

Выбор 2-го операнда
РАРП:=РК(R2) (на РАРП из РК подаётся номер регистра,где хранится 2-ой операнд)

РЧРП:=Чт(РАРП) (выбор второго операнда из РОНов)

Р2:=РЧРП (пересылка второго операнда на входной регистр АЛУ)

4 этап. Выполнение операции в АЛУ

РС:=Р1 операция Р2

5 этап. Запись результата

РАРП:=РК(R1)

РЧРП:=РС

Зп(РАРП):=РЧРП

 

5)Базовая адресация

 

Di – смещение

Исполнительный адрес [ИА] - в адресном поле явно не задан

Bi – номер базового регистра

ИА=(Bi) + Di

(Вi)- база (содержимое базового регистра)

Рис. 8

Базовая адресация – обеспечивает перемещаемость программ в памяти.

При базовой адресации операнды хранятся в ОП. Для вычисления исполнительного адреса операнда необходимо к содержимому базового регистра прибавить смещение, которое выбирается из адресного поля команды.

 

 

6)Индексная адресация

 

Xi – номер индексного регистра

ИА=(Xi) + Di


(Xi)-индекс (содержимое индексного регистра)

Рис. 9

Индексная адресация - используется при работе с массивами, таблицами.

Исполнительный адрес операнда вычисляется аналогично базовой адресации.

 

7)Базово – индексная адресация

 

 

ИА = (Xi) + (Bi) + Di

(Xi) – индекс (содержимое индексного регистра)

(Bi) – база (содержимое базового регистра)

Di – смещение выбирается из команды и подаётся на АЛУ

 

 

Рис. 10

 

 

Микропрограмма и структурная схема операционной части ЦП при выполнении двухадресной команды с записью результата на место первого операнда.

 

1-ый операнд: регистровая адресация

2-ой операнд: базово - индексная адресация


Рис. 11

1 этап. Выбор команды из памяти

РАП:=СчК

РЧП:=Чт(РАП)

РК:=РЧП

СчК:=СчК + n

2 этап. Дешифрация кода операции.

3 этап. Формирование ИА и выбор операндов

а) формирование ИА и выбор 2-го операнда

выбор индекса

Выбор индекса X2
РАРП:=РК(Х2) – номер индексного регистра подаётся в РОНы

РЧРП:=Чт(РАРП) – выбор индекса

Р1:=РЧРП

выбор базы

Выбор базы B2
РАРП:=РК(В2) – номер базового регистра подаётся в РОНы

РЧРП:=Чт(РАРП) – выбор базы

Р2:=РЧРП

РС=Р1 + Р2 - ((Х2) + (В2))

Р1:=РС - на Р1 пересылается часть ИА

Р2:=РК(D2) - выбор смещения

РС= Р1 + Р2 - вычисление ИА

 

выбор 2-го операнда:

РАП:=РС - ИА подаётся на РАП

РЧП:=Чт(РАП) - выбор 2-го операнда

Р1:=РЧП

б)выбор 1-го операнда:

РАРП:=РК(R1)

РЧРП:=Чт(РАРП)

Р2:=РЧРП

4 этап. Выполнение операции в АЛУ

РС:=РС Р2

5 этап. Запись результатов

РЧРП:=РС

Зп(РАРП):=РЧРП

 

 

8)Косвенно – регистровая адресация

 

 

 
 

В адресном поле команды указывается номер РОНа, который содержит адрес операнда, хранящийся в ОП (оперативной памяти).

Рис. 12

 

РАРП:=РК(R1)

РЧРП:=Чт(РАРП) - выбор адреса операнда из РОНов

РАП:=РЧРП

РЧП:=Чт(РАП) - выбор операнда из ОП

Р1:=РЧП

 

Если нужно записать результат на место операнда с косвенно – регистровой адресацией, то результат записывается в ОП, а не в РОНы.

 

 

Задание 4.

Составить микропрограмму функционирования центрального процессора при выполнении 2-х адресной команды. Использовать способы адресации согласно заданию.

Начертить структурную схему центрального процессора.

 

 

Таблица 3.

п/п 1ый операнд 2ой операнд Результат
  Регистровая Прямая 1ый операнд
  Регистровая Косвенная 1ый операнд
  Регистровая Косвенно-регистровая 1ый операнд
  Регистровая Базовая 1ый операнд
  Прямая Регистровая 1ый операнд
  Прямая Косвенная 1ый операнд
  Прямая Косвенно-регистровая 1ый операнд
  Прямая Базовая 1ый операнд
  Косвенная Регистровая 1ый операнд
  Косвенная Косвенно-регистровая 1ый операнд
  Косвенная Базовая 1ый операнд
  Косвенная Непосредственная 1ый операнд
  Косвенная Прямая 1ый операнд
  Косвенно-регистровая Регистровая 1ый операнд
  Косвенно-регистровая Прямая 1ый операнд
  Косвенно-регистровая Косвенная 1ый операнд
  Косвенно-регистровая Индексная 1ый операнд
  Базовая Регистровая 1ый операнд
  Базовая Прямая 1ый операнд
  Базовая Косвенная 1ый операнд
  Базовая Косвенно-регистровая 1ый операнд
  Базовая Непосредственная 1ый операнд
  Прямая Регистровая 2ой операнд
  Косвенная Регистровая 2ой операнд
  Косвенно-регистровая Регистровая 2ой операнд
  Индексная Регистровая 2ой операнд
  Регистровая Прямая 2ой операнд
  Косвенная Прямая 2ой операнд
  Косвенно-регистровая Прямая 2ой операнд
  Базовая Прямая 2ой операнд
  Регистровая Косвенная 2ой операнд
  Косвенно-регистровая Косвенная 2ой операнд
  Базовая Косвенная 2ой операнд
  Прямая Косвенная 2ой операнд
  Непосредственная Косвенно-регистровая 2ой операнд
  Регистровая Косвенно-регистровая 2ой операнд
  Прямая Косвенно-регистровая 2ой операнд
  Косвенная Косвенно-регистровая 2ой операнд
  Индексная Косвенно-регистровая 2ой операнд
  Регистровая Базовая 2ой операнд
  Прямая Базовая 2ой операнд
  Косвенная Базовая 2ой операнд
  Косвенно-регистровая Базовая 2ой операнд
  Непосредственная Базовая 2ой операнд
  Прямая Регистровая 1ый операнд
  Непосредственная Косвенно-регистровая 2ой операнд

 

 

Организация устройства управления.

 

Центральный процессор, как и любое другое устройство обработки цифровой информации, включает в себя две основные части:

· операционную часть (операционное устройство);

· управляющую часть (устройство управления).

Операционная часть состоит из регистров, счётчиков, сумматоров, дешифраторов и связей между ними. Операционная часть функционирует под воздействием управляющих сигналов, которые вырабатывает управляющее устройство. Операционная часть выполняет заданную микропрограмму, состоящую из микрокоманд.

Микрокоманда включает в себя одну или несколько микроопераций. Микрооперация – это элементарная функциональная операция, выполняемая под воздействием одного управляющего сигнала в течение одного такта. Если в течение одного такта выполняется несколько микроопераций под воздействием различных управляющих сигналов, то они объединяются в одну микрокоманду.

Устройство управления(УУ) служит для выработки последовательности управляющих сигналов, под воздействием которых выполняются микрооперации.В зависимости от способа выработки управляющего сигнала различают 2 основных подхода к построению УУ:

· микропрограммная реализация УУ;

· аппаратная реализация УУ (схемная реализация или УУ с жёсткой логикой).

 

 

Микропрограммная реализация устройства управления.

Схема Уилкса.

 


 

Рис. 13

 

 

РАМК - регистр адреса микрокоманд;

РМК - регистр микрокоманд;

Дш – дешифратор;

Тр.z – триггер задержки.

 

Микропрограмма, состоящая из микрокоманд, записывается в память микрокоманд. Каждая микрокоманда состоит из двух частей: управляющей части, где кодируются управляющие сигналы Vi и адресной части.

В адресной части микрокоманды кодируется адрес ячейки памяти, где хранится следующая выполняемая микрокоманда. В начальный момент времени на РАМК подается адрес ячейки памяти, где хранится первая микрокоманда. По этому адресу из памяти микрокоманда считывается и подается на регистр микрокоманд.

Из управляющей части микрокоманды управляющие сигналы подаются на вентили в операционную часть ЦП, а из адресной части на регистр адреса микрокоманд в следующем такте заводится адрес следующей выполняемой микрокоманды.

 

Пример реализации устройства управления центральным процессором при выполнении двухадресной команды формата R-R.

Результат записывается на место первого операнда

ОП

Чт.
ЗМ
Р Ч П
Р А П

 

       
   


V1
РК

V4
V3
V9

           
   
     
 
+n
 
 


КОП
R2
R1
СчК

                   
   
РК
 
     
Р1
 
Р2
     
 
 
 


Дш

 

 


Рис. 14

 

РАРП – регистр адреса регистровой памяти

РЧРП – регистр числа регистровой памяти

1 этап. Выбор команды из памяти.

V1 РАП:=СчК (адрес следующей команды подается на РАП)

V2 РЧП:=Чт(РАП) (выбор команды из ЗМ)

V3 РК:=РЧП (машинная команда из памяти передается на РК в ЦП)

V4 СчК:=СчК+n (n-длина выполняемой машинной команды в байтах)

2 этап. Дешифрация кода операции.

3 этап. Формирование исполнительного адреса и выбор операндов.

Выбор 1-го операнда
Операнды находятся в РОНах.

V5 РАРП:=РК(R1) (на РАРП из РК подаётся номер регистра, где хранится 1-ый операнд)

V6 РЧРП:=Чт(РАРП) (выбор первого операнда из РОНов)

V7 Р1:=РЧРП (пересылка первого операнда на входной регистр АЛУ)

V8

Выбор 2-го операнда
РАРП:=РК(R2) (на РАРП из РК подаётся номер регистра, где хранится 2-ой операнд)

V6 РЧРП:=Чт(РАРП) (выбор второго операнда из РОНов)

V9 Р2:=РЧРП (пересылка второго операнда на входной регистр АЛУ)

4 этап. Выполнение операции в АЛУ.

V10 РС:=Р1 операция Р2

5 этап. Запись результатов.

V5 РАРП:=РК(R1) (адрес 1-го операнда, по которому будет записан результат, подаётся в РАРП)

V11 РЧРП:=РС (пересылка результата в регистр РЧРП)

V12 Зп(РАРП):=РЧРП (запись результата в R1)

 

Отметим, что 4 этап представлен условно 1 микрооперацией. При рассмотрении функционирования АЛУ 4 этап заменяется микропрограммой.

 

Совместим микрооперации во времени.

После совмещения микроопераций:

1 этап. Выбор команды из памяти.

V1 РАП:=СчК

V2 РЧП:=Чт(РАП)

V3, V4 РК:=РЧП, СчК:=СчК+n

2 этап. Дешифрация кода операции.

3 этап. Формирование исполнительного адреса и выбор операндов.

V5 РАРП:=РК(R1)

V6 РЧРП:=Чт(РАРП)

V7, V8 Р1:=РЧРП, РАРП:=РК(R2)

V6 РЧРП:=Чт(РАРП)

V9 Р2:=РЧРП

4 этап.Выполнение операции в АЛУ.

V10 РС:=Р1 операция Р2

5 этап. Запись результатов.

V5, V11 РАРП:=РК(R1), РЧРП:=РС

V12 Зп(РАРП):=РЧРП

 

Задание 5.

Разработать микропрограммное устройство управления для операционной части

центрального процессора, в соответствии с заданием 4.

Использовать горизонтальный и вертикальный подход для реализации

микропрограммного устройства управления.

 

Горизонтальный подход к реализации микропрограммного устройства

управления.

 

При горизонтальном микропрограммировании для каждого управляющего сигнала в управляющей части выделяется отдельный разряд. Если в некотором такте управляющий сигнал должен быть равен 1, то в соответствующем разряде записывается 1. Таким образом, количество разрядов в управляющей части соответствует числу управляющих сигналов. При такой организации можно совмещать микрооперации во времени.

Достоинство: высокое быстродействие за счёт совмещения микроопераций во времени.

Недостатки: требуется большая ёмкость памяти для хранения микрокоманды, так как реально совместить большое количество микроопераций в одной микрокоманде не удаётся.

 

Вентили Такты
V1  
V2  
V3, V4  
V5  
V6  
V7, V8  
V6  
V9  
V10  
V5, V11  
V12  

Пример.

Линия задержки


V12 V11 V10 V9 V8 V7 V6 V5 V4 V3 V2 V1

 

               
   
 
 
     
 




Поделиться с друзьями:


Дата добавления: 2014-12-27; Просмотров: 861; Нарушение авторских прав?; Мы поможем в написании вашей работы!


Нам важно ваше мнение! Был ли полезен опубликованный материал? Да | Нет



studopedia.su - Студопедия (2013 - 2026) год. Все материалы представленные на сайте исключительно с целью ознакомления читателями и не преследуют коммерческих целей или нарушение авторских прав! Последнее добавление




Генерация страницы за: 0.012 сек.