Студопедия

КАТЕГОРИИ:


Архитектура-(3434)Астрономия-(809)Биология-(7483)Биотехнологии-(1457)Военное дело-(14632)Высокие технологии-(1363)География-(913)Геология-(1438)Государство-(451)Демография-(1065)Дом-(47672)Журналистика и СМИ-(912)Изобретательство-(14524)Иностранные языки-(4268)Информатика-(17799)Искусство-(1338)История-(13644)Компьютеры-(11121)Косметика-(55)Кулинария-(373)Культура-(8427)Лингвистика-(374)Литература-(1642)Маркетинг-(23702)Математика-(16968)Машиностроение-(1700)Медицина-(12668)Менеджмент-(24684)Механика-(15423)Науковедение-(506)Образование-(11852)Охрана труда-(3308)Педагогика-(5571)Полиграфия-(1312)Политика-(7869)Право-(5454)Приборостроение-(1369)Программирование-(2801)Производство-(97182)Промышленность-(8706)Психология-(18388)Религия-(3217)Связь-(10668)Сельское хозяйство-(299)Социология-(6455)Спорт-(42831)Строительство-(4793)Торговля-(5050)Транспорт-(2929)Туризм-(1568)Физика-(3942)Философия-(17015)Финансы-(26596)Химия-(22929)Экология-(12095)Экономика-(9961)Электроника-(8441)Электротехника-(4623)Энергетика-(12629)Юриспруденция-(1492)Ядерная техника-(1748)

Назначение, принцип действия и работа по структурной схеме авиагоризонта АГБ-3К




 

Авиагоризонт АГБ-3 предназначен для использования его в качестве резервного совместно с авиагоризонтом АГД-1. Он отличается от АГД-1 тем, что является не дистанционным прибором.

Прибор применяется на вертолетах Ми-8 и Ми-10, на самолетах Як-40, Ан-24, Ан-26, Ан-30, Ил-76 и других летательных аппаратах.

АГБ-3 устанавливается на самолетах с дозвуковыми скоростями как резервный и на вертолетах в качестве основного.

Он позволяет выдавать внешним потребителям (системе автоматического управления и навигации) электрические сигналы, пропорциональные углам крена и тангажа в пределах: по крену ± 360°; по тангажу ± 80°. При углах тангажа порядка 85—87° авиагоризонт может выбиваться, при этом его рамы совмещаются в одной пло­скости и гироскоп теряет одну степень свободы.

По принципу действия АГБ-3 аналогичен АГД - 1, но только в нем следящие системы индикации крена и тангажа находятся в самом корпусе прибора.

Авиагоризонт АГБ-3 состоит из следующих основных элементов: гироузла; системы коррекции для удержания оси ротора гироскопа в вертикальном положении; следящей системы передачи угла тангажа на указатель, которая дает возможность получить естественную индикацию по тангажу; упоров, предотвращающих совмещение оси внешней рамки с осью ротора гироскопа при выполнении самолетом фигур высшего пилотажа; арретирующего устройства; следящей системы передачи углов крена на указатель, воспроизводящий правильные крены.

На самолете авиагоризонт располагается таким образом, что ось внешней рамки карданного подвеса параллельна продольной оси самолета, а ось внутренней рамки — поперечной оси самолета.

Такое расположение осей карданного подвеса на самолете обеспечивает независимость устойчивости гироскопа от углов крена и показания истинных углов крена и тангажа.

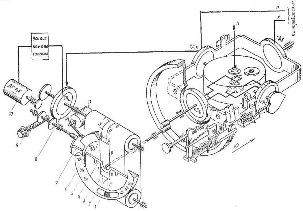
Рис. 11. Принципиальная электрокинематическая схема авиагоризонта АГБ-3;

1 — указатель скольжения; 2 — шкала тангажа; 3 — шпилька; 4 — силуэт самолетика; 5 — шкала крена; 6 — флажок сигнализатора отказа питания; 7 — индекс; 8 — дифференциальные сельсин-прнёмники: 9 — кремальера; 10 — двигатель отработки

 

Крены самолета имитируются поворотом силуэта самолетика. По положению крыльев силуэта самолетика относительно линии искусственного горизонта определяется направление крена. Отсчет углов крена производится по шкале кренов, стрелкой является конец крыла силуэта самолетика.

Для того чтобы показания крена соответствовали действительному, силуэт-самолетик связан с осью карданной рамы через зубчатую передачу с отно­шением 1:1.

Углы тангажа определяются по положению конца шпильки силуэта самолетика относительно шкалы тангажа.

Для большей наглядности шкала тангажа выше линии искусственного горизонта окрашена в голубой цвет (небо), ниже — в коричневый цвет (земля).

При наборе самолетом высоты линия искусственного горизонта опускается ниже конца шпильки, при спуске — поднимается выше конца шпильки.

В левом верхнем углу на фоне шкалы тангажа при отключенном питании виден флажоксигнализатора отказа питания. При включенном питании флажок убирается из видимой зоны шкалы тангажа.

В правом верхнем углу передней панели прибора расположена кнопка арретира с надписью «нажать перед пуском».

В левом нижнем углу расположена кремальера учёта угла атаки при его изменении. С левой стороны лицевой части прибора выведен индекс механизма кремальеры.

В нижней части переднего фланца прибора расположен указатель скольжения, обеспечивающий контроль за правильностью выполнения разворотов.

При координированном развороте шарик указателя скольжения должен оставаться между рисками — отклонения шарика свидетельствуют о наличии скольжения.

Гиросистема авиагоризонта представляет собой трехстепенной гироскоп, на кожухе в нижней части которого укреплен жидкостный маятник, управляющий коррекционными двигателями КД u и КДg.

Вместе с этими двигателями на осях карданного подвеса находятся сельсины-датчики СДu и СД g, выдающие электрические сигналы, пропорциональные углам крена и тангажа.

Сельсин-датчик СДu выдает тангаж потребителям, и в следящую систему индикации угла тангажа.

Следящая система угла тангажа состоит из дифференциального сельсина-приемника СПu, усилителя канала тангажа и двигателя отработки типа ДГ-0,5-10. При тангаже самолета сельсин-датчик СДu выдает сигнал на сельсин-приемник СПu, который, отрабатываясь следящей системой, подается на шкалу тангажа, выполненную в виде лентопротяжного механизма.

Для выполнения полета с некоторым заданным углом атаки предусмотрена кремальерас указательным индексом. При ее повороте разворачивается статор сельсина-приемника СП u, что приводит к рассогласованию следящей системы угла тангажа. Отрабатывая это рассогласование, следящая система подает значение утла атаки на шкалу тангажа.

Таким образом, выдерживая совмещенным силуэт-самолетик с линией искусственного горизонта на шкале тангажа, самолет будет лететь не в линии горизонта, а с заданным углом атаки (набор высоты с заданным углом тангажа).

Для арретирования гироузла в авиагоризонте предусмотрено арретирующее устройство, состоящее из кнопки арретира, системы рычагов, толкателей и двух кулачков.

Один кулачок выполнен в виде торцового среза на карданной раме, другой - в виде двух симметричных спиралей на оси внутренней рамки гироузла.

При нажатии на кнопку арретирования усилия передаются на кулачки и устанавливают гироузел в положе­ние, перпендикулярное горизонтальному основанию прибора.

Авиагоризонт АГБ - 3 (на слайде – АГБ-2), установленный на легком самолете, не теряет полностью устойчивости при выполнении фигур пилотажа.

Для предотвращения совмещения осей карданного подвеса с осью гироскопа в авиагоризонте применены упоры (ограничитель на внутренней раме и упор на внешней).

При выполнении «петли» благодаря упорам полного совмещения оси ротора гироскопа и оси карданной рамы не происходит, при этом устойчивость гироскопа при углах, близких к 90°, теряется неполностью. Упоры выполнены таким образом, что после выполнения «петли» с угловыми скоростями до 12 град/секпогрешность прибора не превышает 4—5°.

Для уменьшения погрешности при действии длительных одно­сторонних ускорений (набор скорости, торможение, вираж) в приборе предусмотрено отключение поперечной коррекции с помощью ВК-53РБ и продольной коррекции специальным устройством (акселерометром). При выключенной коррекции прибор накапливает погрешность со скоростью собственного ухода, равной 0,3—0,5 град/мин.

 

Вывод: созданные АГД и АГБ устанавливаемые на бортах обеспечивают считывание информации для обеспечения пространственной ориентировки экипажей ЛА. Возможна установка обеих приборов на борту для обеспечения дублирования и резервирования.

 




Поделиться с друзьями:


Дата добавления: 2015-01-03; Просмотров: 7729; Нарушение авторских прав?; Мы поможем в написании вашей работы!


Нам важно ваше мнение! Был ли полезен опубликованный материал? Да | Нет



studopedia.su - Студопедия (2013 - 2026) год. Все материалы представленные на сайте исключительно с целью ознакомления читателями и не преследуют коммерческих целей или нарушение авторских прав! Последнее добавление




Генерация страницы за: 0.01 сек.