Студопедия

КАТЕГОРИИ:


Архитектура-(3434)Астрономия-(809)Биология-(7483)Биотехнологии-(1457)Военное дело-(14632)Высокие технологии-(1363)География-(913)Геология-(1438)Государство-(451)Демография-(1065)Дом-(47672)Журналистика и СМИ-(912)Изобретательство-(14524)Иностранные языки-(4268)Информатика-(17799)Искусство-(1338)История-(13644)Компьютеры-(11121)Косметика-(55)Кулинария-(373)Культура-(8427)Лингвистика-(374)Литература-(1642)Маркетинг-(23702)Математика-(16968)Машиностроение-(1700)Медицина-(12668)Менеджмент-(24684)Механика-(15423)Науковедение-(506)Образование-(11852)Охрана труда-(3308)Педагогика-(5571)Полиграфия-(1312)Политика-(7869)Право-(5454)Приборостроение-(1369)Программирование-(2801)Производство-(97182)Промышленность-(8706)Психология-(18388)Религия-(3217)Связь-(10668)Сельское хозяйство-(299)Социология-(6455)Спорт-(42831)Строительство-(4793)Торговля-(5050)Транспорт-(2929)Туризм-(1568)Физика-(3942)Философия-(17015)Финансы-(26596)Химия-(22929)Экология-(12095)Экономика-(9961)Электроника-(8441)Электротехника-(4623)Энергетика-(12629)Юриспруденция-(1492)Ядерная техника-(1748)

Двигатель. Установочная метка на крышке картера




Установочная метка на крышке картера.

Метки,

Распределительный вал выпускных клапанов,

Распределительный вал впускных клапанов,

Метки,

При снятии и установке распределительных валов установочные метки должны быть совмещены, как показано на рисунке.

5 - метка "Т",




 

2. Болты крепления крышек подшипников распре- Снятие и установка привода ГРМ делительных валов отворачиваются и заворачива­ются равномерно за 2-3 прохода.

Момент затяжки............................................ 12 Н-м

1 - корпус привода, 2 - ведомая шестерня, 3 - ве­дущая шестерня, 4 - промежуточная шестерня, 4 - установочный штифт.

1- установочная втулка, 2 - болты крепления, 3 - установочная втулка.

Затяжка болтов крепления привода ГРМ осуществ­ляется в порядке, показанном на рисунке.



 



 

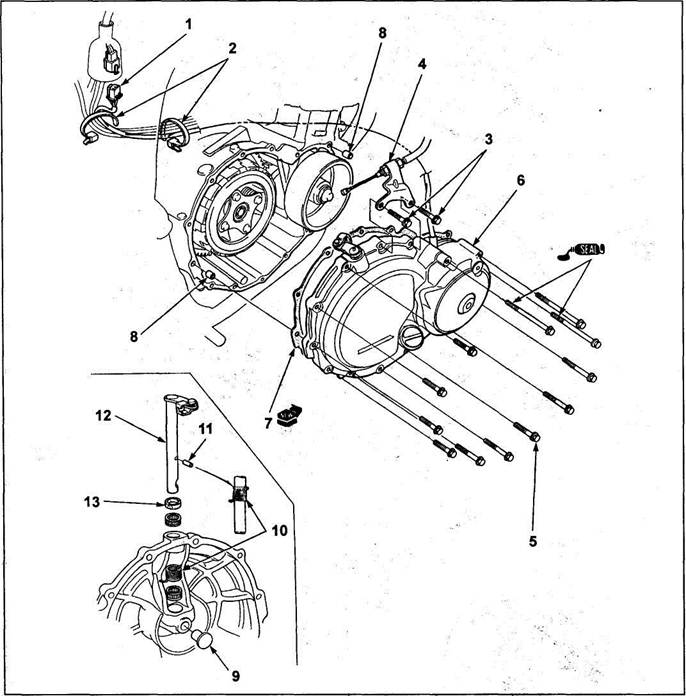
Сцепление

Крышка картера сцепления (Honda CB400N). 1 - разъем генератора, 2 - зажим проводки, 3 - болт кронштейна троса сцепления, 4 - трос сцепления с кронштейном, 5 - болт крепления крышки картера Сцепления, 6 - правая крышка картера сцепления, 7 - прокладка, 8 - установочная втулка, 9 - нажим­ная пята, 10 - возвратная пружина, 11 - фиксатор пружины, 12 - шток выключения сцепления, 13 - пыльник.






Поделиться с друзьями:


Дата добавления: 2014-12-23; Просмотров: 396; Нарушение авторских прав?; Мы поможем в написании вашей работы!


Нам важно ваше мнение! Был ли полезен опубликованный материал? Да | Нет



studopedia.su - Студопедия (2013 - 2026) год. Все материалы представленные на сайте исключительно с целью ознакомления читателями и не преследуют коммерческих целей или нарушение авторских прав! Последнее добавление




Генерация страницы за: 0.011 сек.