Студопедия

КАТЕГОРИИ:


Архитектура-(3434)Астрономия-(809)Биология-(7483)Биотехнологии-(1457)Военное дело-(14632)Высокие технологии-(1363)География-(913)Геология-(1438)Государство-(451)Демография-(1065)Дом-(47672)Журналистика и СМИ-(912)Изобретательство-(14524)Иностранные языки-(4268)Информатика-(17799)Искусство-(1338)История-(13644)Компьютеры-(11121)Косметика-(55)Кулинария-(373)Культура-(8427)Лингвистика-(374)Литература-(1642)Маркетинг-(23702)Математика-(16968)Машиностроение-(1700)Медицина-(12668)Менеджмент-(24684)Механика-(15423)Науковедение-(506)Образование-(11852)Охрана труда-(3308)Педагогика-(5571)Полиграфия-(1312)Политика-(7869)Право-(5454)Приборостроение-(1369)Программирование-(2801)Производство-(97182)Промышленность-(8706)Психология-(18388)Религия-(3217)Связь-(10668)Сельское хозяйство-(299)Социология-(6455)Спорт-(42831)Строительство-(4793)Торговля-(5050)Транспорт-(2929)Туризм-(1568)Физика-(3942)Философия-(17015)Финансы-(26596)Химия-(22929)Экология-(12095)Экономика-(9961)Электроника-(8441)Электротехника-(4623)Энергетика-(12629)Юриспруденция-(1492)Ядерная техника-(1748)

Система запуска





 


 


Реле стартера

1. Отсоедините разъем реле стартера (4Р).

2. Проверьте наличие проводимости между выво­
дом (З/Кр -"+") разъема и массой ("-") при нажатом
рычаге сцепления и нейтральной передаче КПП.

3. Проверьте наличие проводимости между выво­
дом (З/Кр -"-") разъема и массой ("+") при отпущен­
ном рычаге сцепления, передаче КПП, кроме ней­
тральной, выдвинутой боковой подставке.


4. Проверьте напряжение между выводом (Ж/Кр -
"+") разъема и массой ("-") при включенном зажига­
нии, положении "RUN" выключателе двигателя и
включенном стартере.

Номинальное напряжение.................................... АКБ

5. Снимите реле стартера.

6. Подайте напряжение от аккумуляторной батареи
на выводы (Ж/Кр -"+") и (З/Кр -"-") реле и проверь­
те наличие проводимости между выводами реле,
как показано на рисунке.


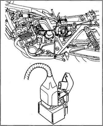
Стартер (снятие и установка). 1 - болты крепления трубки охлаждающей жидкости, 2 - трубка охлаж­дающей жидкости, 3 - гайка, 4 - наконечник провода стартера, 5 - болт крепления, 6 - клемма провода массы, 7 - стартер в сборе, 8 - кольцевое уплотнение.


Система запуска




7. Проверьте наличие проводимости между выво­дами выключателя подставки при ее различном по­ложении.

Подставка убрана........................................... 3/Б - 3

Подставка выпущена.................................... Ж/Ч - 3


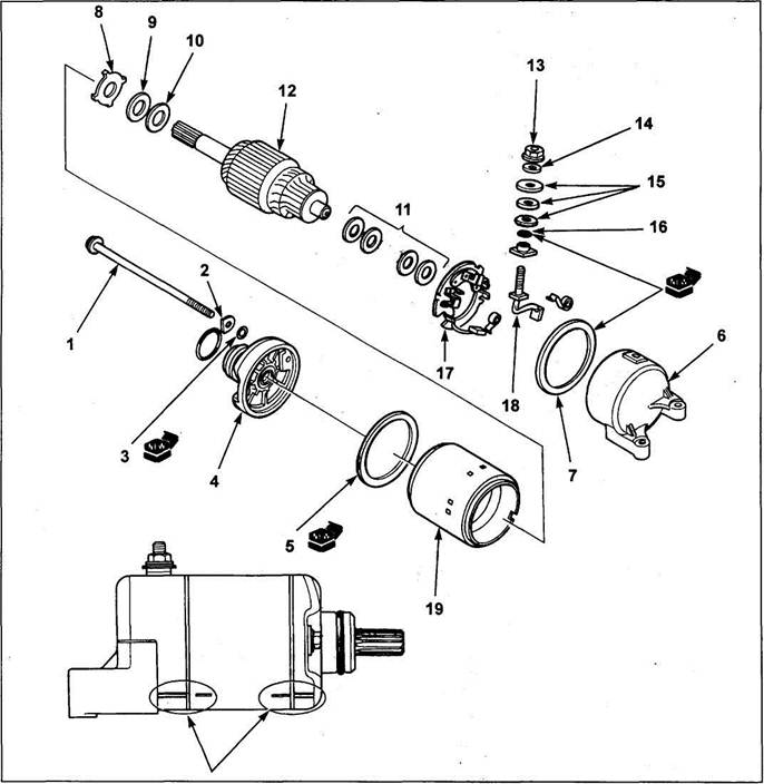
Стартер (разборка и сборка). 1 - стяжной болт, 2 - клемма, 3 - кольцевое уплотнение, 4 - крышка со стороны привода, 5 - кольцевое уплотнение, 6 - крышка со стороны коллектора, 7 - кольцевое уп­лотнение, 8 - стопорная шайба, 9 - шайба (с зеленой меткой), 10 - шайба, 11 - регулировочные шайбы, 12 - якорь, 13 - гайка клеммы, 14 - шайба, 15 - шайба (с зеленой меткой), 16 - кольцевое уплотнение, 17 - блок выпрямителей, 18 - щетка, 19 - статор.



Система запуска


Муфта стартера. 1 - разъем прерывателя (2Р) (С), 2 - болт крепления крышки картера, 3 - левая крышка картера, 4 - прокладка, 5 - установочная втулка, 6 - установочный болт, 7 - шайба, 8 - храповик, 9 - об­гонная муфта стартера, 10 - ведомая шестерня стартера, 11 - игольчатый подшипник, 12 - обгонная муфта, 13 - шайба, 14 - ось ведущей шестерни стартера, 15 - ведущая шестерня стартера.


Система запуска



Расположение компонентов системы запуска (CB400F). 1 - выключатель сцепления, 2 - индикатор положения подставки, 3 - замок зажигания, 4 - выключатель стартера, 5 - реле стартера и главный предохранитель (30А), 6 - предохранитель (10А), 7 - аккумуляторная батарея, 8 - диод, 9 - выключа­тель подставки, 10 - выключатель запрещения запуска, 11 - стартер.

Схема системы запуска (CB400F). 1 - выключатель сцепления, 2 - индикатор положения подставки, 3 - замок зажигания, 4 - выключатель стартера, 5 - реле стартера, 6 - главный предохранитель (30А), 7 - предохранитель (10А), 8 - аккумуляторная батарея, 9 - диод, 10 - выключатель подставки, 11 - включатель запрещения запуска, 12 - электродвигатель стартера, 13 - индикатор выключателя запрещения запуска.





Поделиться с друзьями:


Дата добавления: 2014-12-23; Просмотров: 373; Нарушение авторских прав?; Мы поможем в написании вашей работы!


Нам важно ваше мнение! Был ли полезен опубликованный материал? Да | Нет



studopedia.su - Студопедия (2013 - 2026) год. Все материалы представленные на сайте исключительно с целью ознакомления читателями и не преследуют коммерческих целей или нарушение авторских прав! Последнее добавление




Генерация страницы за: 0.011 сек.