Студопедия

КАТЕГОРИИ:


Архитектура-(3434)Астрономия-(809)Биология-(7483)Биотехнологии-(1457)Военное дело-(14632)Высокие технологии-(1363)География-(913)Геология-(1438)Государство-(451)Демография-(1065)Дом-(47672)Журналистика и СМИ-(912)Изобретательство-(14524)Иностранные языки-(4268)Информатика-(17799)Искусство-(1338)История-(13644)Компьютеры-(11121)Косметика-(55)Кулинария-(373)Культура-(8427)Лингвистика-(374)Литература-(1642)Маркетинг-(23702)Математика-(16968)Машиностроение-(1700)Медицина-(12668)Менеджмент-(24684)Механика-(15423)Науковедение-(506)Образование-(11852)Охрана труда-(3308)Педагогика-(5571)Полиграфия-(1312)Политика-(7869)Право-(5454)Приборостроение-(1369)Программирование-(2801)Производство-(97182)Промышленность-(8706)Психология-(18388)Религия-(3217)Связь-(10668)Сельское хозяйство-(299)Социология-(6455)Спорт-(42831)Строительство-(4793)Торговля-(5050)Транспорт-(2929)Туризм-(1568)Физика-(3942)Философия-(17015)Финансы-(26596)Химия-(22929)Экология-(12095)Экономика-(9961)Электроника-(8441)Электротехника-(4623)Энергетика-(12629)Юриспруденция-(1492)Ядерная техника-(1748)

Крепление настилов




Расчет

ХАРАКТЕРИСТИКИ НАСТИЛОВ

25.6. Основные характеристики поперечного сечения профилей по ГОСТ 24045-86 приведены в табл. 69.

25.7. Расчетная ширина плоских участков сжатых полок профилей принимается равной 40 t при определении моментов сопротивления и 60 t - при определении моментов инерции, приведенных в табл. 69.

Криволинейные участки, стенки гофров и растянутые полки настила включены в расчетную площадь сечения полностью.

25.8. Прочность и жесткость (прогиб) профилированных настилов при поперечном изгибе проверяются по приведенным в пп. 25.9 и 25.10 рекомендациям, составленным с использованием [37].

Устойчивость гладких стенок гофров над средними опорами при неразрезных схемах раскладки настилов проверяется по методике, приведенной в п. 25.11. Устойчивость стенок ступенчатого поперечного сечения в неразрезных настилах из профилей Н75-750-0.8 (0,9), H114-600-0,8 (0,9) и Н114-750-0,8 (0,9) проверяется над средними опорами в соответствии с пп. 25.12 и 25.13 с учетом требований СНиП II-23-81* к стенке сжато-изогнутого элемента, укрепленной продольным ребром жесткости.

25.9. Прочность изгибаемого настила следует проверять по формуле

, (163)

где М - расчетное значение изгибающего момента в рассматриваемом сечении;

Wmin - минимальный расчетный момент сопротивления в рассматриваемом сечении, принимаемый по табл. 69;

Ry - расчетное сопротивление изгибу;

gn - коэффициент надежности по назначению [37].

25.10. Прогиб настила fp от нормативной нагрузки, определяемый как для балки с моментом инерции Ix, по табл. 69, следует проверять по формуле

, (164)

где l - расчетный пролет настила.

Таблица 69

Обозначение профиля Размеры сечения, мм Пло­щадь Масса 1 м Справочные данные на 1 м ширины настила при сжатых полках
    сече- длины узких широких
      ния А, см2 про­филя, кг мо­мент инер­ции Iх, момент сопро­тивления, см3 мо­мент инер­ции Iх, момент сопро­тивления, см3
  t h     см4 Wx1 Wx2 см4 Wx1 Wx2
НС40-800-0,6 0,6   6,6 5,6 23,3 10,5 13,0 22,3 9,8 9,4
НС40-800-0,7 0,7   7,7 6,5 27,1 12,2 15,1 27,1 11,8 12,1
НС44-1000-0,7 0,7   9,8 8,3 32,9 13,4 16,8 32,9 13,0 13,6
Н57-750-0,7 0,7   7,7 6,5 53,8 14,8 21,1 53,8 16,4 19,7
Н57-750-0,8 0,8   8,8 7,4 6l,2 17,9 24,4 61,2 18,9 24,0
Н60-845-0,7 0,7   8,8 7,4 62,1 14,6 24,4 59,1 16,5 18,7
Н60-845-0,8 0,8   10,0 8,4 70,6 17,7 28,1 69,9 19,0 22,7
Н60-845-0,9 0,9   11,3 9,3 79,0 20,9 31,8 78,7 21,5 27,0
Н75-750-0,8 0,8   10,0 8,4 114,9 25,8 32,2 114,9 28,5 33,1
Н75-750-0,9 0,9   11,3 9,3 129,6 30,2 37,6 119,6 31,6 38,0
H114-750-0,8 0,8   11,2 9,4 307,9 51,2 57,1 307,9 51,2 57,1
H114-750-0,9 0,9   12,6 10,5 345,2 57,4 64,0 345,2 57,4 64,0
H114-750-1,0 1,0   14,0 11,7 383,6 63,8 71,1 383,6 63,8 71,1
H114-600-0,8 0,8   10,0 8,4 320,9 53,3 59,7 320,9 52,4 55,8
H114-600-0,9 0,9   11,3 9,3 361,0 60,0 67,2 361,0 59,6 65,9
H114-600-1,0 1,0   12,5 10,3 405,4 67,6 75,0 405,4 67,6 75,0

25.11. Устойчивость стенок гофров над средними опорами неразрезного настила высотой не более 60 мм проверяется согласно [37] по формуле

, (165)

где s - нормальное напряжение от изгиба, определяемое по формуле (163);

sloс - местное напряжение от реакции средней опоры, определяемое по формуле (166);

so - нормальное критическое напряжение, определяемое по формуле (167);

scr - местное критическое напряжение, определяемое по формуле (168);

т = 1 - при опирании настила на прогон из двутавра, двух швеллеров или гнутосварного замкнутого профиля;

т = 0,9 - при опирании настила на прогон из одиночного швеллера;

, (166)

где Вo - опорная реакция на одну стенку гофра;

z - ширина расчетного участка стенки гофра, равная b + 2 r, но не более 1,5 h;

b - ширина полки прогона или другого элемента несущих конструкций покрытия, на который опирается настил;

r - радиус сопряжения стенок гофров с полками профиля;

, МПа, (167)

где ko - коэффициент, зависящий от характера напряжений в участке и принимаемый по табл. 70;

ko1 - коэффициент, определяемый по формуле (169);

ho = h - 2 (r + t) - расчетная высота гофра;

Таблица 70

Марка настила А ko
НС40-800-0,6 21,6 3,57
НС40-800-0,7 25,3 3,55
НС44-1000-0,7 24,8 3,66
Н57-750-0,7 23,2 3,09
Н57-750-0,8 26,6 3,19
Н60-845-0,7 22,9 2,94
Н60-845-0,8 26,2 2,91
Н60-845-0,9 29,6 2,97

, (168)

где Ry - в МПа;

А - коэффициент, зависящий от размеров сечения стенки и определяемый по табл. 70;

k - коэффициент, определяемый по табл. 71 в зависимости от ширины опоры настила при условии, что b £ (1,5 h - 2 r),

. (169)

Таблица 71

b, мм            
k 0,192 0,161 0,141 0,118 0,104 0,094

Примечание. В интервале между значениями, приведенными в таблице, коэффициент k определяется линейной интерполяцией.

Если или , то принимается ko1 = 1,0.

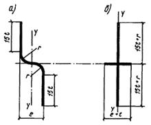
25.12. При проверке устойчивости стенок ступенчатого поперечного сечения в гофрах неразрезного профилированного настила уступ на стенке рассматривается как продольное ребро эквивалентной жесткости (рис. 62).

Рис. 62. Участок стенки а, рассматриваемый как ребро жесткости, и его расчетное сечение б

25.13. Продольное ребро жесткости в виде уступа делит стенку гофра на два расчетных отсека, высоты которых hо1 и ho2 равны расстояниям от выкружек уступа соответственно до нижней и верхней полок настила (рис. 63).

Устойчивость каждого из отсеков стенки в надопорных зонах настила считается обеспеченной, если выполняются условия:

hо1 £ ho; ho2 £ ho,

где ho - наибольшая по условиям устойчивости ширина сжато-изогнутой пластины, зависящая от значения коэффициента a, определяемого по формулам:

(для отсека 1);

(для отсека 2),

здесь

- наибольшее сжимающее напряжение в отсеке 1, принимаемое со знаком “плюс”;

- напряжение, соответствующее sс, у противоположной расчетной границы отсека;

у - расстояние от опорной полки гофра до горизонтальной оси уступа на стенке, принимаемое по ГОСТ 24045-86;

Wx1 и Wх2 -моменты сопротивления сечения настила, принимаемые по табл. 69;

st - наибольшее растягивающее напряжение в надопорном сечении настила, принимаемое со знаком “минус”.

Рис. 63. Расчетная схема для проверки устойчивости ступенчатой стенки

1, 2 - расчетные отсеки пластинок

При a £ 0,5 значение ho определяется по формуле (здесь sс - в МПа).

При a ³ 1,0 значение ho определяется по формуле ,

где g - коэффициент, учитывающий местное смятие согласно [38] и определяемый по формуле

g = 0,42 (2 a - 1) sloc / sc;

b - коэффициент, зависящий от характера напряжений в надопорном сечении стенки и определяемый по формуле

;

здесь tо = t1 - среднее касательное напряжение в отсеке 1, определяемое по формуле

;

tо = t2 - среднее касательное напряжение в отсеке 2, определяемое по формуле

.

В интервале 0,5 < a < 1,0 значение ho определяется линейной интерполяцией между значениями ho при a = 0,5 и a = 1,0.

Если ho 1 > ho или ho2 > ho, устойчивость стенок гофров считается необеспеченной и расчетную нагрузку на настил следует уменьшить.

25.14. К прогонам и другим несущим элементам покрытия настил прикрепляется самонарезающими болтами по ОСТ 34-13-016-77 Куйбышевского завода “Электрощит” или винтами по ТУ 67-269-79 Челябинского завода профилированного стального настила (ЧЗПСН) с уплотнительными шайбами.

25.15. Настил допускается крепить к поддерживающим стальным элементам сварными электрозаклепками согласно [27].

25.16. К несущим стальным элементам толщиной от 5 до 12 мм настил допускается крепить пристрелкой дюбелями согласно ОСТ 36-122-85.

25.17. Во всех случаях, кроме указанных в пп. 25.18 и 25.19, настил на крайних опорах и в стыках следует крепить в каждом гофре, на промежуточных опорах неразрезных настилов - через гофр.

25.18. Крепления и соединения настила, выполняющего функцию горизонтальных связей в покрытиях зданий или учитываемого в расчете как диск, рекомендуется выполнять согласно [38].

25.19. В углах здания и по внешнему контуру покрытия на участках шириной 1,5 м, а также при расчетном отрицательном давлении ветра свыше 1,5 кН/м2 (153кгс/м2) настил необходимо крепить к несущим конструкциям в каждом гофре на всех опорах.

25.20. Профили настила следует соединять между собой продольными крайними полками внахлест комбинированными заклепками по ОСТ 34-13-017-78 Куйбышевского завода „Электрощит", ТУ 67-730-86 ЧЗПСН или ТУ 36-2088-85 Минмонтажспецстроя СССР.

При укрупнении профилей настила в монтажные карты до их установки в проектное положение допускается использовать вместо комбинированных заклепок точечную сварку, выполняемую согласно [27].

Шаг комбинированных заклепок или сварных точек в продольных стыках настила следует принимать равным 500 мм, кроме случаев, предусмотренных п. 25.18.

25.21. Стыки настила по длине следует осуществлять над прогонами или другими несущими элементами покрытия.

Ширину опирания настила рекомендуется принимать не менее 40 мм на крайних и 60 мм - на промежуточных опорах.




Поделиться с друзьями:


Дата добавления: 2014-12-26; Просмотров: 1203; Нарушение авторских прав?; Мы поможем в написании вашей работы!


Нам важно ваше мнение! Был ли полезен опубликованный материал? Да | Нет



studopedia.su - Студопедия (2013 - 2026) год. Все материалы представленные на сайте исключительно с целью ознакомления читателями и не преследуют коммерческих целей или нарушение авторских прав! Последнее добавление




Генерация страницы за: 0.01 сек.