Студопедия

КАТЕГОРИИ:


Архитектура-(3434)Астрономия-(809)Биология-(7483)Биотехнологии-(1457)Военное дело-(14632)Высокие технологии-(1363)География-(913)Геология-(1438)Государство-(451)Демография-(1065)Дом-(47672)Журналистика и СМИ-(912)Изобретательство-(14524)Иностранные языки-(4268)Информатика-(17799)Искусство-(1338)История-(13644)Компьютеры-(11121)Косметика-(55)Кулинария-(373)Культура-(8427)Лингвистика-(374)Литература-(1642)Маркетинг-(23702)Математика-(16968)Машиностроение-(1700)Медицина-(12668)Менеджмент-(24684)Механика-(15423)Науковедение-(506)Образование-(11852)Охрана труда-(3308)Педагогика-(5571)Полиграфия-(1312)Политика-(7869)Право-(5454)Приборостроение-(1369)Программирование-(2801)Производство-(97182)Промышленность-(8706)Психология-(18388)Религия-(3217)Связь-(10668)Сельское хозяйство-(299)Социология-(6455)Спорт-(42831)Строительство-(4793)Торговля-(5050)Транспорт-(2929)Туризм-(1568)Физика-(3942)Философия-(17015)Финансы-(26596)Химия-(22929)Экология-(12095)Экономика-(9961)Электроника-(8441)Электротехника-(4623)Энергетика-(12629)Юриспруденция-(1492)Ядерная техника-(1748)

Геометрические размеры фундаментов




МАТЕРИАЛЫ

КОНСТРУКТИВНЫЕ УКАЗАНИЯ ПО ПРОЕКТИРОВАНИЮ ФУНДАМЕНТОВ

4.1.* Для монолитных железобетонных фундаментов следует применять тяжелый бетон классов по прочности В12,5 и В15 на сжатие, при соответствующем обосновании допускается применение бетона класса В20.

Для замоноличивания колонн в стакане применяется бетон класса не ниже В12,5. Бетон подготовки под подошвой фундамента принимается класса В3,5.

4.2. Для армирования фундаментов рекомендуется применять горячекатаную арматуру периодического профиля класса А-III по ГОСТ 5781-82. Для слабонагруженных сечений, где прочность арматуры используется не полностью (конструктивные сетки армирования подколонника, сетки косвенного армирования дна стакана и т.п.), а также в тех случаях, когда прочность арматуры класса А-III не используется полностью из-за ограничения по раскрытию трещин, допускается применять арматуру классов A-II по ГОСТ 5781-82 и Вр-I по ГОСТ 6727-80.

4.3. Монолитные фундаменты рекомендуется проектировать ступенчатого типа, плитная часть которых имеет от одной до трех ступеней.

4.4. Все размеры фундамента следует принимать кратными 300 мм (3 М в соответствии с ГОСТ 23478-79) из условия их изготовления с применением инвентарной щитовой опалубки.

При соответствующем обосновании в случае массового применения или для отдельных индивидуальных фундаментов разрешается принимать размеры, кратные 100 мм в соответствии с ГОСТ 23477-79.

4.5. При центральной нагрузке подошву фундамента следует принимать квадратной.

При внецентренной нагрузке, соответствующей основному варианту нагружения, подошву рекомендуется принимать прямоугольной с соотношением сторон не менее 0,6.

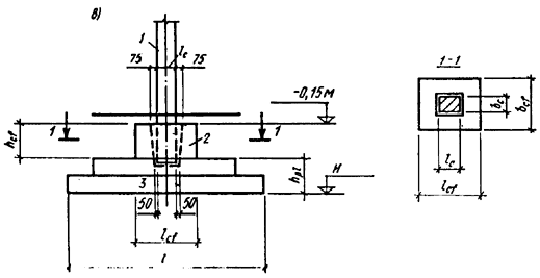
4.6. Высота фундамента h назначается с учетом глубины заложения подошвы и уровня обреза фундамента. Обрез фундамента железобетонных колонн зданий следует принимать, как правило, на отметке 0,15 для обеспечения условий выполнения работ нулевого цикла.

4.7. Рекомендуемые размеры сечений подколонников, высот фундаментов и плитной части, а также подошвы приведены в табл. 4.

Таблица 4

Эскиз фундамента Р И С У Н О К
Модульные размеры фундамента, м, при модуле, равном 0,3
    соответственно hpl подошвы подколонника
h hpl     h1     h2     h3   квад­рат­ной b ´ l   пря­мо­уголь­ной b ´ l под рядо­вые ко­лонны bcf ´ lcf под ко­лонны в тем­пера­тур­ных швах bcf ´ lcf
1,5 0,3 0,3 - - 1,5´1,5 1,5´1,8 0,6´0,6 0,6´1,8
1,8 0,6 0,3 0,3 - 1,8´1,8 1,8´2,1 0,6´0,9 0,9´2,1
2,1 0,9 0,3 0,3 0,3 2,1´2,1 1,8´2,4 0,9´0,9 1,2´2,1
2,4 1,2 0,3 0,3 0,6 2,4´2,4 2,1´2,7 0,9´1,2 1,5´2,1
2,7 1,5 0,3 0,6 0,6 2,7´2,7 2,4´3,0 0,9´1,5 1,8´2,1
3,0 1,8 0,6 0,6 0,6 3,0´3,0 2,7´3,3 1,2´1,2 2,1´2,1
3,6 - - - - 3,6´3,6 3,0´3,6 1,2´1,5 2,1´2,4
4,2 - - - - 4,2´4,2 3,3´3,9 1,2´1,8 2,1´2,7
Да­- - - - - 4,8´4,8 3,6´4,2 1,2´2,1 -
лее с         5,4´5,4 3,9´4,5 1,2´2,4 -
ша­гом - - - - - 4,2´4,8 1,2´2,7 -
0,3 м - - - - - 4,5´5,1 - -
или - - - - - 4,8´5,4 - -
0,6 м - - - - - 5,1´5,7 - -
  - - - - - 5,4´6,0 - -

4.8. Сопряжение фундамента с колонной выполняется монолитным для фундаментов под монолитные колонны (черт. 25, а) и стаканным для сборных или монолитных фундаментов под сборные колонны (черт. 25, б, в).

 

 




Поделиться с друзьями:


Дата добавления: 2014-12-26; Просмотров: 688; Нарушение авторских прав?; Мы поможем в написании вашей работы!


Нам важно ваше мнение! Был ли полезен опубликованный материал? Да | Нет



studopedia.su - Студопедия (2013 - 2026) год. Все материалы представленные на сайте исключительно с целью ознакомления читателями и не преследуют коммерческих целей или нарушение авторских прав! Последнее добавление




Генерация страницы за: 0.011 сек.