Студопедия

КАТЕГОРИИ:


Архитектура-(3434)Астрономия-(809)Биология-(7483)Биотехнологии-(1457)Военное дело-(14632)Высокие технологии-(1363)География-(913)Геология-(1438)Государство-(451)Демография-(1065)Дом-(47672)Журналистика и СМИ-(912)Изобретательство-(14524)Иностранные языки-(4268)Информатика-(17799)Искусство-(1338)История-(13644)Компьютеры-(11121)Косметика-(55)Кулинария-(373)Культура-(8427)Лингвистика-(374)Литература-(1642)Маркетинг-(23702)Математика-(16968)Машиностроение-(1700)Медицина-(12668)Менеджмент-(24684)Механика-(15423)Науковедение-(506)Образование-(11852)Охрана труда-(3308)Педагогика-(5571)Полиграфия-(1312)Политика-(7869)Право-(5454)Приборостроение-(1369)Программирование-(2801)Производство-(97182)Промышленность-(8706)Психология-(18388)Религия-(3217)Связь-(10668)Сельское хозяйство-(299)Социология-(6455)Спорт-(42831)Строительство-(4793)Торговля-(5050)Транспорт-(2929)Туризм-(1568)Физика-(3942)Философия-(17015)Финансы-(26596)Химия-(22929)Экология-(12095)Экономика-(9961)Электроника-(8441)Электротехника-(4623)Энергетика-(12629)Юриспруденция-(1492)Ядерная техника-(1748)

Подача песка на ЭП1М




Работой форсунок управляют электропневматиче­скими клапанами У11-У14. Подсыпка песка производится под первые колесные пары первой и третей тележек (1 и 5) по ходу движения электровоза. Поэтому, в зависимости от направления движения в работе участвует по два клапана.

Во избежание вероятности образования ползунов при скорости движения электровоза выше 10 км/ч и при повышении давления в тормозных цилиндрах до значения из диапазона от 2,8 до 3,2 кгс/см2 установлен пневматический выключатель управления SP8, обеспечивающий автоматическую подсыпку песка. Подсыпка песка прекращается при давлении в тормозных ци­линдрах 1,8 кгс/см2 и менее.

Автоматическая подсыпка песка произво­дится также при экстренном торможении, когда ручка крана машиниста устанавливает­ся в 6 положение. Схема подачи песка будет рассмотрена в разделе «Электрические цепи».

Система смазки гребней на ЭП1М

НАЗНАЧЕНИЕ: уменьшает износ гребней колесных пар при прохождении ими кривых участков пути.

УСТРОЙСТВО: гребнесмазывателями оборудованы первая и шестая колесные пары, следовательно, на первой и третьей тележках установлены:

ü бак с маслом;

ü фильтр с сеткой;

ü две форсунки;

ü трубопроводы и гибкие шланги.

Блок управления системой установлен в кабине, вентили управления в кузове электровоза.

Контрольные вопросы по теме: «Пескоподающие устройства»

 

  1. Для чего необходима подсыпка песка при тяге?
  2. С чем соединяются горловины форсунки?
  3. Для чего необходим переключательный клапан?
  4. Под какие колесные пары будет подаваться песок при электрическом управлении и движении «Назад»?
  5. Укажите последовательность движения песка под колесную пару?
  6. Когда возможна автоматическая подсыпка песка?
  7. Как отрегулировать расход песка форсунки?
  8. Под какие колесные пары будет подаваться песок при ручном управлении и движении «Назад»?
  9. В каком случае будет подаваться песок?
  10. В какое отверстие КС и КП подается воздух из питательной магистрали?

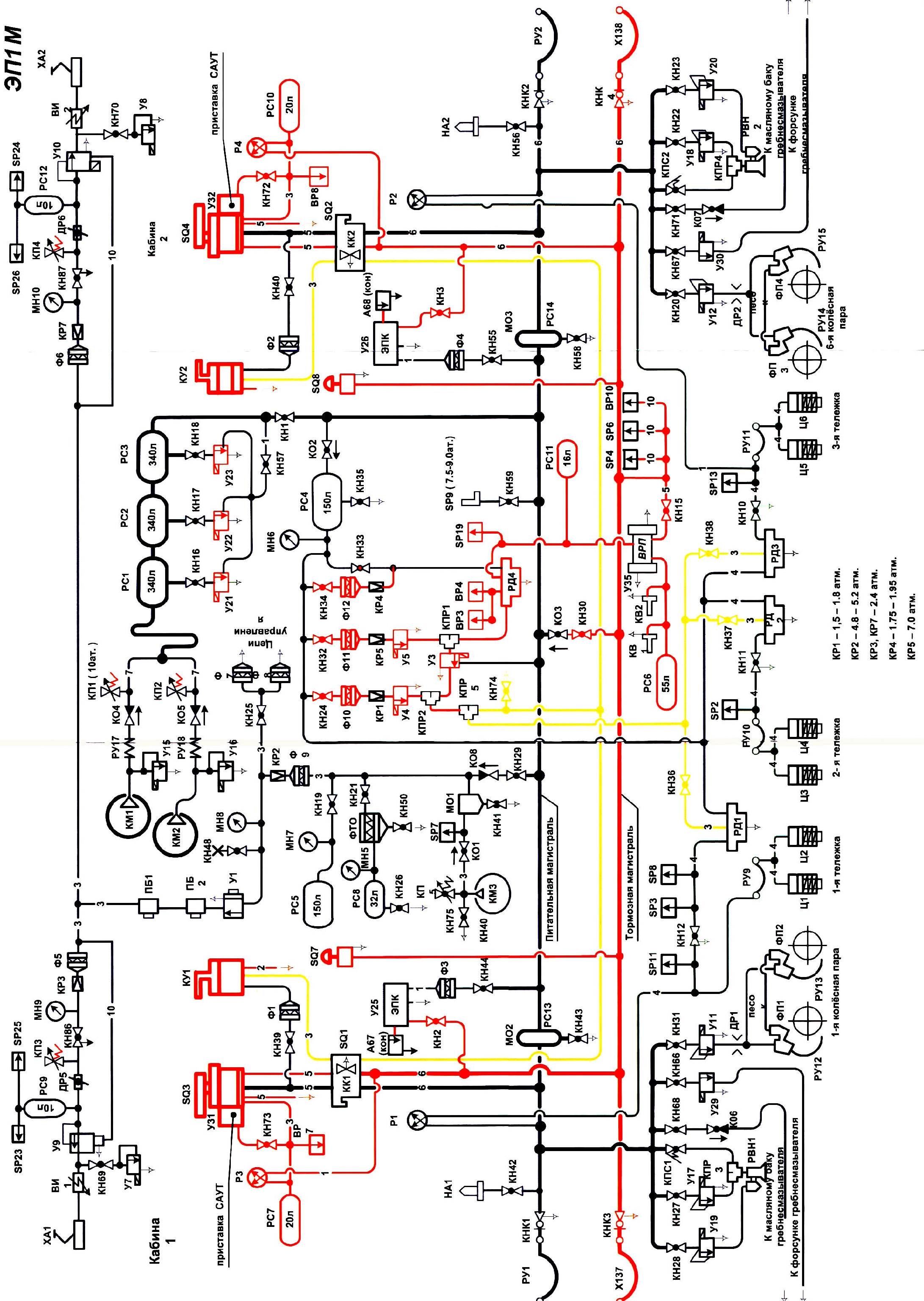
Схема пневматических вспомогательных цепей

НАЗНАЧЕНИЕ: вспомогательные пневматические цепи электровоза служат для подачи сжатого воздуха к главному воздушному выключателю, токоприемникам, электропневматическим контакторам, гребнесмазывателям, форсункам песочниц и звуковым сигналам.

УСТРОЙСТВО на ВЛ-80с: сжатый воздух из ГР, через кран КН1 поступает:

  1. К регулятору давления 230 в кабине для автоматического управления компрессорами и поддерживает давление 7,5÷9,0 кгс/см².
  2. К крану КН45 в кабине и далее к редукционным клапанам стеклоочистителей.
  3. К крану КН24 и к электропневматическому клапану 243 для управления свистком.
  4. Через педаль КПС и переключательный клапан – к тифону при ручном управлении.
  5. К крану КН25, к электропневматическому клапану 244, далее переключательный клапан и тифон – при электрическом управлении (в коридоре над кабиной, за дверями).
  6. К крану КН26 и далее на ручной клапан пескоподачи КПП (в кабине), переключательному клапану, форсункам и под 1-ю колесную пару.
  7. К крану КН27 и электропневматическому клапану 241 (в коридоре за дверью в кабину), далее:

a) Через форсунку под 1-ю колесную пару.

b) Через форсунку под 3-ю колесную пару при электрическом управлении

  1. К крану КН29и электропневматическому клапану 242 (задняя стенка кузова) и к форсункам 2-й и 4-й колесной пары. При электрическом управлении на электровозах с №1904 ручной клапан пескоподачи КПП - снят.
  2. К крану КН 21, через фильтр (в коридоре за дверью в кабину), редуктор 348 (1,5÷1,8 кгс/см²) и далее:

a) К крану КН31 и электропневматическим клапанам 262, 263 и в зависимости от положения реверсоров в цилиндры противо разгрузочных устройств со стороны кабины или со стороны переходной площадки.

b) Через электропневматический клапан 261 (при срыве реостатного тормоза или при срыве клапана автостопа, или при экстренном торможении КМ срабатывает ЭПК261) и через переключательный клапан воздух поступает к крану 254, который срабатывает как повторитель и на электровозе приходит в действие пневматический тормоз.

  1. К крану КН19, через обратный клапан КО3 и центробежный маслоотделитель МО3 и далее:

a) К крану КН30, фильтр с металлокерамической вставкой, резервуар ГВ (32 л) и к манометру, а также через КН40 к электромагнитным вентилям 221 и 222 для подачи сжатого воздуха к контакторам ЭКГ с дугогашением.

b) От МО3, через 3-х ходовой кран КН54 в положении «Зарядка высоким давлением», кран КН17, резервуар ЦУ 55 или 78, или 150 литров, манометр (задняя стенка кузова).

c) МО3, фильтр и редуктор 348 и далее:

ü Редуктор 348, 3-х ходовой кран, КН54 в положении «Зарядка низким давлением», кран КН17, резервуар ЦУ (заполняется давлением 5кгс/см²).

ü Редуктор 348 и на вентиль защиты 104.

ü Редуктор 348 и на кран КН16, манометр на пульте помощника и к пневмоприводам аппаратов ВВК: реверсору, тормозному переключателю, переключателю потоков воздуха, пневматическим контакторам.

  1. Для создания запаса сжатого воздуха, который необходим для подъема токоприемника и включения ГВ когда нет сжатого воздуха в ГР, на каждой секции установлен вспомогательный компрессор. Напряжение на него подается от АБ при включении кнопки «Компрессор токоприемника» на щитке 227.

Когда вспомогательный компрессор работает, то воздух поступает к обратному клапану КО2, центробежному маслоотделителю и далее к выше указанным магистралям и в резервуар ГВ, вентилю защиты 104. Когда давление воздуха в магистрали токоприемников достигнет 5кгс/см², то можно поднимать токоприемник, а при давлении в резервуаре ГВ 5,6÷5,8 кгс/см² переключается блокировка АМД и можно включать ГВ, запускать ФР, основные МК. Когда давление воздуха в ГР достигнет 5,0÷6,0 кгс/см² можно выключить вспомогательный компрессор.

 

УСТРОЙСТВО на ЭП1М: схема включает в себя систему смазывания гребней 1-й и 6-й колесных пар. Сжатый воздух в систему поступает через электромагнитные вентили У29 и УЗО. В работу вступает гребнесмазыватель первый по ходу движения электровоза колесной пары. Краны КН66, КН67 и КН68, КН71 постоянно открыты и перекры­ваются только в случае выхода из строя гребнесмазывателей.

Звуковыми сигналами являются тифон и свисток РВН1 (РВН2), установ­ленные на едином кронштейне. Тифон имеет дистанционное электропневматиче­ское управление клапанами У17 (У18) и непосредственное пневматическое управление клапанами КПС1 (КПС2), свисток - электропневматическое управле­ние клапанами У19 (У20). При выходе из строя электропневматических клапанов У17, У18, У19, У20 их отключают соответствующими кранами КН27, КН22, КН28, КН23.

Сжатый воздух, поступающий в резервуар РС8 главного воздушного вы­ключателя из питательной магистрали, дополнительно очищен фильтром с металлокерамической вставкой ФТО. Разобщительный кран КН21 постоянно открыт и опломбирован в этом положении. Перекрывают кран КН21 только в случае выхо­да из строя выключателя. Перед этим выключатель должен быть переведен в по­ложение «выключен». Для спуска конденсата из резервуара РС8 и фильтра ФТО установлены спускные краны КН26 и КН50.

Сжатый воздух, питающий аппараты цепей управления и токоприемника, очищается фильтром Ф9 и поступает в редуктор КР2, где давление воздуха пони­жается до 5,0±0,2 кгс/см2. Далее воздух заполняет цепи блокиро­вания задвижных штор высоковольтных камер, токоприемника и электропневма­тических контакторов.

Для обеспечения подъема токоприемника давление сжатого воздуха пони­жается редуктором КРЗ (КР7) до 2,4 кгс/см2. Управление подъемом и опусканием токоприемника осуществляется клапаном У9 (У10). С целью обеспе­чения устойчивой работы токоприемника установлен резервуар РС9 (PC12) объе­мом 10 литров и дроссельное устройство ДР5 (ДР6). Клапан предохранительный КПЗ (КП4) защищает токоприемник от перегрузок при его перемещениях или раз­регулировке редуктора КРЗ (КР7). Воздухопровод ВИ1 (ВИ2) - изоляционное устройство, разъединяющее токоприемник от земли. Материал воздухопровода - фторопласт. Для исключения возможности входа в высоковольтную камеру без опускания токоприемника установлен вентиль защиты. Вентиль не открывает вы­ход сжатого воздуха в атмосферу, а следовательно и не разблокирует высоко­вольтную камеру, если хотя бы одна из его катушек остается под напряжением.

Для стабилизации величины нажатия полоза токоприемника на контакт­ный провод, при прохождении участков с меняющейся высотой контактного про­вода, в системе питания токоприемника установлены сигнализаторы давления SP23 (SP24) и SP25 (SP26) и устройство пневматическое У7 (У8).

После подачи напряжения на клапан токоприемника У9 (У 10) воздух из буферного резервуара РС9 (PC 12) и через калибровочный клапан ДР5 (ДР6) со стороны редуктора КРЗ (КР7) поступает в баллон токоприемника. При достиже­нии необходимого давления в баллоне токоприемник поднимается. Время подъе­ма токоприемника регулируется с помощью клапана ДР5 (ДР6). Контакт сигнали­затора давления SP23 (SP24) разомкнут, при этом устройство пневматическое У7 (У8) закрыто. При движении полоза токоприемника вниз давление в системе нарастает и при достижении 2,5 кгс/см сигнализатор давления SP23 (SP24) собирает цепь подачи напряжения на устройство пневматическое У7 (У8). Происходит кратковременный сброс воздуха из системы питания токоприемника. Как только давление в системе станет меньше 2,5 кгс/см., сигнализатор SP23 (SP24) разберет цепь подачи напряжения на У7 (У8) и сброс воздуха пре­кратится. Для исключения возможности опускания токоприемника под нагрузкой, установлен сигнализатор давления SP25 (SP26), отрегулированный на размыкание контакта при снижении давления до 1,9 кгс/см. При снижении давле­ния до этой уставки сигнализатор SP25 (SP26) обеспечит отключение главного выключателя. Величины уставок сигнализаторов SP23 (SP24), SP25 (SP26), и ре­дуктора КРЗ (КР7) могут корректироваться на локомотиве в процессе наладки системы питания асимметричного токоприемника для обеспечения необходимого диапазона контактных нажатий.

Если при опускании токоприемника он по какой-либо причине не опустит­ся, то при включенном главном воздушном выключателе вентиль защиты У1 ос­танется под напряжением и не выпустит воздух из пневматических блокировок. Вход в высоковольтные камеры в этом случае невозможен. При выходе из строя клапанов У9 (У 10) или токоприемников их отключают кранами КН86 и КН87.

Схема предусматривает сохранение запаса сжатого воздуха для ускоренно­го подъема токоприемника после длительного отстоя без использования вспомо­гательного компрессора КМЗ. Для этого служит резервуар РС5 емкостью 150 л, отключаемый на время отстоя от питательной магистрали краном КН39. Перед длительным отстоем электровоза кран КН39 необходимо закрыть, убедившись по манометру МН6, что давление в резервуаре РС5 не менее 9,0 кгс/см.

При необходимости подъема токоприемника следует перекрыть кран КНЗО, КН32, а краны КН39, КНЗ1 открыть. В остальном порядок работы такой же, как описано выше.При следовании электровоза «холодным резервом» все краны вспомога­тельных цепей должны быть перекрыты.

 




Поделиться с друзьями:


Дата добавления: 2015-04-24; Просмотров: 6826; Нарушение авторских прав?; Мы поможем в написании вашей работы!


Нам важно ваше мнение! Был ли полезен опубликованный материал? Да | Нет



studopedia.su - Студопедия (2013 - 2026) год. Все материалы представленные на сайте исключительно с целью ознакомления читателями и не преследуют коммерческих целей или нарушение авторских прав! Последнее добавление




Генерация страницы за: 0.012 сек.