Студопедия

КАТЕГОРИИ:


Архитектура-(3434)Астрономия-(809)Биология-(7483)Биотехнологии-(1457)Военное дело-(14632)Высокие технологии-(1363)География-(913)Геология-(1438)Государство-(451)Демография-(1065)Дом-(47672)Журналистика и СМИ-(912)Изобретательство-(14524)Иностранные языки-(4268)Информатика-(17799)Искусство-(1338)История-(13644)Компьютеры-(11121)Косметика-(55)Кулинария-(373)Культура-(8427)Лингвистика-(374)Литература-(1642)Маркетинг-(23702)Математика-(16968)Машиностроение-(1700)Медицина-(12668)Менеджмент-(24684)Механика-(15423)Науковедение-(506)Образование-(11852)Охрана труда-(3308)Педагогика-(5571)Полиграфия-(1312)Политика-(7869)Право-(5454)Приборостроение-(1369)Программирование-(2801)Производство-(97182)Промышленность-(8706)Психология-(18388)Религия-(3217)Связь-(10668)Сельское хозяйство-(299)Социология-(6455)Спорт-(42831)Строительство-(4793)Торговля-(5050)Транспорт-(2929)Туризм-(1568)Физика-(3942)Философия-(17015)Финансы-(26596)Химия-(22929)Экология-(12095)Экономика-(9961)Электроника-(8441)Электротехника-(4623)Энергетика-(12629)Юриспруденция-(1492)Ядерная техника-(1748)

Пример 6.5




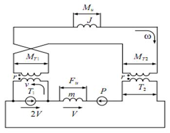
В качестве следующего примера возьмём диск, подвешенный на нити, один конец которой закреплён на неподвижном основании, а к другому концу приложено некоторое внешнее воздействие Т1, причём Т1 > P/2 > Т2 (рис. 6.26). Диск имеет радиус r. Внешняя сила T1 создаёт вращающий момент МТ1, под действием которого диск вращается по часовой стрелке с угловой скоростью ω. Инерционный момент M и и момент МТ2, создаваемый силой натяжения нити T2, препятствуют вращению

диска и, следовательно, являются силами сопротивления.

Рис. 6.26

Таблица 6.7

Передаточные функции элементарных звеньев

Составим уравнение равновесия сил

(6.11)

и уравнение равновесия моментов

(6.12)

где ,

Уравнения (6.11) и (6.12) служат основой для построения эквивалентной электрической схемы (рис.6.27).

Рис. 6.27

Уравнения трансформаторов:

В качестве основы для построения сети связей (рис.6.28) использовано уравнение (6.11). Передаточные функции в табл. 6.8.

Рис. 6.28

Таблица 6.8

Передаточные функции элементарных звеньев




Поделиться с друзьями:


Дата добавления: 2015-04-24; Просмотров: 555; Нарушение авторских прав?; Мы поможем в написании вашей работы!


Нам важно ваше мнение! Был ли полезен опубликованный материал? Да | Нет



studopedia.su - Студопедия (2013 - 2026) год. Все материалы представленные на сайте исключительно с целью ознакомления читателями и не преследуют коммерческих целей или нарушение авторских прав! Последнее добавление




Генерация страницы за: 0.012 сек.