Студопедия

КАТЕГОРИИ:


Архитектура-(3434)Астрономия-(809)Биология-(7483)Биотехнологии-(1457)Военное дело-(14632)Высокие технологии-(1363)География-(913)Геология-(1438)Государство-(451)Демография-(1065)Дом-(47672)Журналистика и СМИ-(912)Изобретательство-(14524)Иностранные языки-(4268)Информатика-(17799)Искусство-(1338)История-(13644)Компьютеры-(11121)Косметика-(55)Кулинария-(373)Культура-(8427)Лингвистика-(374)Литература-(1642)Маркетинг-(23702)Математика-(16968)Машиностроение-(1700)Медицина-(12668)Менеджмент-(24684)Механика-(15423)Науковедение-(506)Образование-(11852)Охрана труда-(3308)Педагогика-(5571)Полиграфия-(1312)Политика-(7869)Право-(5454)Приборостроение-(1369)Программирование-(2801)Производство-(97182)Промышленность-(8706)Психология-(18388)Религия-(3217)Связь-(10668)Сельское хозяйство-(299)Социология-(6455)Спорт-(42831)Строительство-(4793)Торговля-(5050)Транспорт-(2929)Туризм-(1568)Физика-(3942)Философия-(17015)Финансы-(26596)Химия-(22929)Экология-(12095)Экономика-(9961)Электроника-(8441)Электротехника-(4623)Энергетика-(12629)Юриспруденция-(1492)Ядерная техника-(1748)

Пример 6.6




В качестве следующего примера рассмотрим механическое устройство, которое представляет собой жёсткий вал на 3 опорах, обладающих свойствами упругости и демпфирования (рис.6.29). Такое устройство может служить прототипом шпинделя металлорежущего станка, установленного на 3 подшипниках.

Рис. 6.29

В рассматриваемом примере вал длинной 2 l под действием внешней силы P и сил реакций Т1, Т2, Т3 в опорах совершает сложные колебания, которые можно представить как сумму поступательных движений вала параллельно самому себе и вращательных движений вала, совершаемых вокруг его центра масс. Внутренние силы Т1, Т2, Т3 в опорах зависят от значений коэффициентов податливости g1, g2, g3 и коэффициентов демпфирования h1, h2, h3 опор.

Составим уравнение равновесия сил:

(6.13)

где

Составим уравнение равновесия моментов:

MT1+ MT2 - MT3 - Mu = 0, (6.14)

где MТ1 = T1 × l; MТ2 = T2 × l /2; MТ3 = T3 × l.

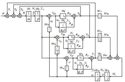
На основании данных уравнений составляем эквивалентную электрическую схему (рис. 6.30).

Рис. 6.30

Электрическая схема содержит 5 контуров, 3 узла и 3 трансформатора. Уравнения Кирхгофа для контуров 1-5 совпадают с уравнениями равновесия сил и с уравнениями равновесия моментов (6.13-6.14). Записываем уравнения Кирхгофа для узлов 1, 2 и 3.

Записываем уравнения трансформаторов.

В данной математической модели соотношения для скоростей изменений токов, протекающих через обмотки трансформаторов, не используются. Поэтому в уравнениях трансформаторов этих соотношений нет.

Рис. 6.31

Рассматриваемое твердое тело имеет две степени свободы, так как оно может совершать прямолинейное и одновременно вращательное движения. Поэтому чтобы построить сеть связей динамической системы, необходимо в двух уравнениях Кирхгофа для контуров вынести вправо инерционные составляющие. Такими уравнениями являются уравнения (6.13) и (6.14). Используя дополнительно уравнения Кирхгофа для узлов 1–3, а также уравнения трансформаторов, строим сеть связей динамической системы (рис.6.31).

Таблица 6.9

Передаточные функции элементарных звеньев

Теперь можно построить структурную схему динамической системы. С этой целью каждую ветвь сети связей заменяем элементарным звеном. Передаточные функции элементарных звеньев приведены в табл. 6.9, а структурная схема на рис. 6.32.

Рис. 6.32

В соответствии со структурной схемой записываем уравнения связей и дифференциальные уравнения элементарных звеньев.

На рис.6.33 представлена программа моделирования рассмотренного механического объекта в математической среде MathCAD.

Вал на трех опорах

Рис. 6.33. Код программы моделирования в системе MathCAD

Рис. 6.33 а. График процесса при h1=h2=h3=10.

Результаты моделирования представлены в виде графиков линейных (рис. 6.34, а)

Рис.6.34

и угловых (рис. 6.34, б) скоростей движений объекта при отсутствии демпфирования. На рис. 6.34, в показано движение объекта, когда коэффициенты демпфирования не равны нулю.




Поделиться с друзьями:


Дата добавления: 2015-04-24; Просмотров: 530; Нарушение авторских прав?; Мы поможем в написании вашей работы!


Нам важно ваше мнение! Был ли полезен опубликованный материал? Да | Нет



studopedia.su - Студопедия (2013 - 2026) год. Все материалы представленные на сайте исключительно с целью ознакомления читателями и не преследуют коммерческих целей или нарушение авторских прав! Последнее добавление




Генерация страницы за: 0.008 сек.