Студопедия

КАТЕГОРИИ:


Архитектура-(3434)Астрономия-(809)Биология-(7483)Биотехнологии-(1457)Военное дело-(14632)Высокие технологии-(1363)География-(913)Геология-(1438)Государство-(451)Демография-(1065)Дом-(47672)Журналистика и СМИ-(912)Изобретательство-(14524)Иностранные языки-(4268)Информатика-(17799)Искусство-(1338)История-(13644)Компьютеры-(11121)Косметика-(55)Кулинария-(373)Культура-(8427)Лингвистика-(374)Литература-(1642)Маркетинг-(23702)Математика-(16968)Машиностроение-(1700)Медицина-(12668)Менеджмент-(24684)Механика-(15423)Науковедение-(506)Образование-(11852)Охрана труда-(3308)Педагогика-(5571)Полиграфия-(1312)Политика-(7869)Право-(5454)Приборостроение-(1369)Программирование-(2801)Производство-(97182)Промышленность-(8706)Психология-(18388)Религия-(3217)Связь-(10668)Сельское хозяйство-(299)Социология-(6455)Спорт-(42831)Строительство-(4793)Торговля-(5050)Транспорт-(2929)Туризм-(1568)Физика-(3942)Философия-(17015)Финансы-(26596)Химия-(22929)Экология-(12095)Экономика-(9961)Электроника-(8441)Электротехника-(4623)Энергетика-(12629)Юриспруденция-(1492)Ядерная техника-(1748)

Условное обозначение элементов кинематических схем




Наименование Обозначение Наименование Обозначение  
Вал Зубчатые передачи:  
Соединение двух валов: цилиндрическими колесами  
глухое  
глухое с предохранением от перегрузок коническими колесами  
эластичное  
шарнирное винтовыми колесами  
телескопическое  
плавающей муфтой червячная  
зубчатой муфтой  
Соединение детали с валом:  
свободное при вращении реечная  
подвижное без вращения  
при помощи вытяжной шпонки Передача ходовым винтом с гайкой:  
глухое неразъемной  
Подшипники скольжения: разъемной  
радиальный Муфты:  
радиально-упорный односторонний кулачковая односторонняя  
радиально-упорный двухсторонний кулачковая двухсторонняя  
Подшипники качения: конусная односторонняя  
радиальный  
радиально-упорный односторонний дисковая односторонняя  
радиально-упорный двухсторонний дисковая двухсторонняя  
Ременные передачи: электромагнитная односторонняя  
плоским ремнем  
электромагнитная двухсторонняя  
обгонная односторонняя  
клиновидным ремнем  
обгонная двухсторонняя  
Тормоза:  
конусный  
Передача цепью  
колодочный  
дисковый  

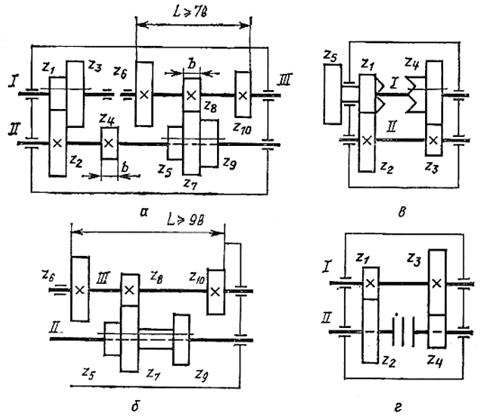
с колесом z6 необходимо, чтобы блок свободно проходил мимо колеса z8, не зацепив его колесом z9. Это возможно, если z7 – z9 > 5. В противном случае необходимо применять схему передачи, показанную на рис.2.15,б. На рис. 2.15, в показана передача с перебором. Вал I может получать вращение от колеса z5 при включении кулачковой муфты колес z1 и z4. При выключенной муфте и зацеплении колеса z4 с z3 вращение на вал I передается через зубчатые колеса z1/z2, вал II и колеса z3/z4.

 

Рис. 2.15. Механизмы шестеренчатых коробок: а ─ с двумя

передвижными блоками; б ─ с трехвенцовым блоком;

в ─ с перебором; г ─ с фрикционной двухсторонней муфтой

 

Передачи с передвижными блоками и кулачковыми муфтами просты по конструкции, надежны в эксплуатации и удобны в управлении, но не допускают переключения при вращении и имеют большие размеры в осевом направлении. На рис. 2.15, г приведена передача, которая лишена этих недостатков. Колеса z2 и z4 свободно установлены на валу II и постоянно находятся в зацеплении с колесами z1 и z3, жестко закрепленными на валу I. Передача движения валу II от вала I происходит при включении фрикционной двухсторонней муфты, которая жестко соединяет с валом II колеса z2 и z4. В этом случае частоту вращения можно изменять на ходу.

В современных металлорежущих станках с автоматическими коробками скоростей используются одно и двухсторонние фрикционные электромагнитные муфты.

На рис. 2. 16, а показан механизм миандра с накидным колесом z0, позволяющий увеличивать в два раза передаточные отношения при включении соседней пары зубчатых колес. Если принять вал I ведущим, а вал II ведомым, и z = z2 = z3 = z6 = 56, а z1 = z4 = z5 = z7 = 28, то получим передаточные отношения механизма:

 

 

Рис. 2.16. Механизмы миандра коробок подач:

а ─ с накидным колесом; б ─ с подвижным колесом

 

Механизм миандра еще называют “умножающим механизмом”. Механизм с накидным колесом имеет тот недостаток, что он не обеспечивает постоянного межосевого расстояния между накидным колесом z0 и z2, так как поворотный рычаг 2 фиксируют нежестким подвижным цилиндрическим фиксатором 1.

На рис. 2.16, б показана более совершенная конструкция механизма миандра, из которого исключено накидное колесо с поворотным рычагом.

Соединение с колесами блоков производят подвижным колесом z, благодаря чему обеспечивается постоянство межосевых расстояний.

Механизм Нортона (рис. 2. 17) представляет собой конус, набранный из зубчатых колес, с накидным колесом, смонтированным на поворотном рычаге с цилиндрическим фиксатором. Накидное колесо z0 может поочередно вступать в зацепление со всеми колесами конуса (z1 – z6) и передавать движение от вала I на вал II. Таким образом, можно получить шесть различных передаточных отношений. Выбор чисел зубьев колес конуса не связан с постоянством межосевого расстояния между ведущим и ведомым валами. Преимуществом этого механизма является компактность, недостатком – малая жесткость. Основное назначение этого механизма – создание арифметического ряда передаточных отношений. Используется главным образом в универсальных токарно-винторезных станках.

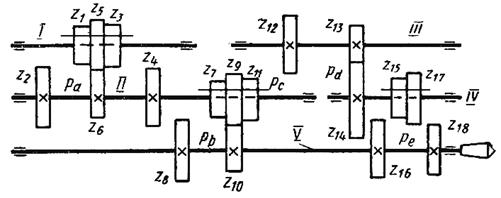
Приведенная на рис. 2.15, а схема шестиступенчатой шестеренчатой коробки является обычной множительной структурой, состоящей из одной кинематической цепи с последовательным соединением передвижных блоков (групп передач), и обеспечивает геометрический ряд круговых частот вращения выходного вала. Такая структура позволяет успешно создавать рациональные приводы главного движения. Однако в ряде случаев, например в универсальных токарно-винторезных станках, при увеличении диапозона регулирования скоростей, создать простой привод, удовлетворяющий требованиям, на базе такой структуры невозможно. Поэтому в станкостроении применяют так называемые сложенные структуры. Сложенной называется структура многоскоростного ступенчатого привода, состоящая из двух, реже из трех кинематических цепей, каждая из которых является обычной множительной структурой. Одна из этих цепей (короткая) предназначена для высших скоростей привода, другие (более длинные) – для низких скоростей. В качестве примера на рис. 2.18 приведена схема шестеренчатой коробки на 12 значений частоты вращения шпинделя (выходного вала), у которой сложенная

 

Рис. 2.18. Структура сложенного многоскоростного привода

 

структура состоит из двух кинематических цепей. Вращение от вала I валу II сообщает группа колес Ра. Далее движение на шпиндель V передается по двум цепям: при левом и среднем положениях блока z7 - z9 - z11 через передачу z7/z8 или передачу z9/z10 (группа Рb); при правом положении блока z7 - z9 - z11 группой передач Рc, Рd, Рe. При этом передача z11/z12 выполняет функцию одиночной передачи и обеспечивает переключение с короткой на длинную цепь и наоборот. В итоге рассматриваемая схема сложенного привода обеспечивает следующие значения передаточных отношений от входного вала I к шпинделю V:

- по короткой цепи

- по длинной цепи

В ряде современных станков со ступенчатыми коробками скоростей один из шестеренчатых блоков заменяют двух или трех скоростным асинхронным электродвигателем.

Методика задания передаточных отношений и чисел зубьев зубчатых колес в шестеренчатых коробках рассматривается в специальном разделе соответствующего курса, посвященном проектированию кинематических схем металлорежущих станков.

 




Поделиться с друзьями:


Дата добавления: 2015-04-24; Просмотров: 3112; Нарушение авторских прав?; Мы поможем в написании вашей работы!


Нам важно ваше мнение! Был ли полезен опубликованный материал? Да | Нет



studopedia.su - Студопедия (2013 - 2026) год. Все материалы представленные на сайте исключительно с целью ознакомления читателями и не преследуют коммерческих целей или нарушение авторских прав! Последнее добавление




Генерация страницы за: 0.011 сек.