Студопедия

КАТЕГОРИИ:


Архитектура-(3434)Астрономия-(809)Биология-(7483)Биотехнологии-(1457)Военное дело-(14632)Высокие технологии-(1363)География-(913)Геология-(1438)Государство-(451)Демография-(1065)Дом-(47672)Журналистика и СМИ-(912)Изобретательство-(14524)Иностранные языки-(4268)Информатика-(17799)Искусство-(1338)История-(13644)Компьютеры-(11121)Косметика-(55)Кулинария-(373)Культура-(8427)Лингвистика-(374)Литература-(1642)Маркетинг-(23702)Математика-(16968)Машиностроение-(1700)Медицина-(12668)Менеджмент-(24684)Механика-(15423)Науковедение-(506)Образование-(11852)Охрана труда-(3308)Педагогика-(5571)Полиграфия-(1312)Политика-(7869)Право-(5454)Приборостроение-(1369)Программирование-(2801)Производство-(97182)Промышленность-(8706)Психология-(18388)Религия-(3217)Связь-(10668)Сельское хозяйство-(299)Социология-(6455)Спорт-(42831)Строительство-(4793)Торговля-(5050)Транспорт-(2929)Туризм-(1568)Физика-(3942)Философия-(17015)Финансы-(26596)Химия-(22929)Экология-(12095)Экономика-(9961)Электроника-(8441)Электротехника-(4623)Энергетика-(12629)Юриспруденция-(1492)Ядерная техника-(1748)

Выпрямители. Выпрямитель – это устройство, предназначенное для преобразования переменного напряжения в постоянное




Выпрямитель – это устройство, предназначенное для преобразования переменного напряжения в постоянное. Наиболее часто для выпрямления используются диоды (диодные ключи). Для частот 50…60 Гц пригодны низкочастотные диоды, но для более высоких частот необходимы диоды типа HEXFRED, ультрабыстрые, выпускаемые фирмой International Rectifier, время восстановления которых 40-60 нс. Объяснение состоит в том, что низкочастотные диоды имеют большое время восстановления и на высоких частотах теряют выпрямительные свойства.

Кроме того, диодные ключи должны иметь минимальное сопротивление в прямом направлении и наименьший ток утечки в обратном направлении, паразитные индуктивности и емкости должны стремиться к нулю.

На рис. 7.1 а), б), в) изображены типовые схемы включения диодов в выпрямительные схемы.

 

а) б) в)

Рис. 7.1. Схемы включения диодов в выпрямительные схемы

 

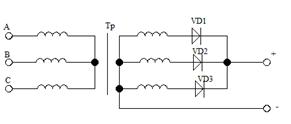
Все схемы изображены с трансформаторами, однако это устаревшие решения, т.к. трансформаторы снижают КПД. Поэтому в настоящее время предпочтительные такие же схемы выпрямителей, подключаемые к сети, но без трансформаторов. Схема рис. 7.1, б) не имеет смысла в связи с наличием средней точки вторичной обмотки трансформатора. Недостатком варианта рис. 7.1, а) является однополупериодное выпрямление, т.е. от сети потребляется только один полупериод, нарушается симметрия сетевого напряжения, ухудшаются энергетические показатели. Недостаток схемы рис. 7.1, в) в 4-х диодах, но с этих приходится соглашаться, большинство выпрямителей от однофазной сети построены по этой схеме. В случае трехфазной сети применяют варианты, изображенные на рис. 7.2, причем для включения без трансформатора, снижающего КПД, пригодна только схема рис. 7.2, б).

 

а) б)

Рис. 7.2. Трехфазные схемы диодного выпрямления: а) - однополупериодная трехфазная; б) - двухполупериодная трехфазная

 

Известны диодные схемы выпрямителей с умножением напряжения, одна из которых изображена на рис. 7.3

 

Рис. 7.3. Схема выпрямления и умножения напряжения на четыре

 

Желательно, чтобы отсутствовал трансформатор Тр, снижающий КПД и увеличивающий массогабаритные показатели при сетевом напряжении.

Заряд конденсаторов C1 и C2 происходит за один период напряжения на вторичной обмотке трансформатора. За второй период аналогично заряжаются конденсаторы C3 и C4 до напряжения 2U2m. Таким образом, полный заряд конденсаторов происходит за два периода, при этом конденсатор C1 заряжается до напряжения U2m, а остальные – до 2U2m Обратное напряжение на всех диодах равно 2U2m Достоинство схемы – несложность, однако выходная мощность невелика. Количество треугольных звеньев, а также коэффициент умножения могут быть увеличены.

 




Поделиться с друзьями:


Дата добавления: 2015-03-29; Просмотров: 1190; Нарушение авторских прав?; Мы поможем в написании вашей работы!


Нам важно ваше мнение! Был ли полезен опубликованный материал? Да | Нет



studopedia.su - Студопедия (2013 - 2026) год. Все материалы представленные на сайте исключительно с целью ознакомления читателями и не преследуют коммерческих целей или нарушение авторских прав! Последнее добавление




Генерация страницы за: 0.011 сек.