Студопедия

КАТЕГОРИИ:


Архитектура-(3434)Астрономия-(809)Биология-(7483)Биотехнологии-(1457)Военное дело-(14632)Высокие технологии-(1363)География-(913)Геология-(1438)Государство-(451)Демография-(1065)Дом-(47672)Журналистика и СМИ-(912)Изобретательство-(14524)Иностранные языки-(4268)Информатика-(17799)Искусство-(1338)История-(13644)Компьютеры-(11121)Косметика-(55)Кулинария-(373)Культура-(8427)Лингвистика-(374)Литература-(1642)Маркетинг-(23702)Математика-(16968)Машиностроение-(1700)Медицина-(12668)Менеджмент-(24684)Механика-(15423)Науковедение-(506)Образование-(11852)Охрана труда-(3308)Педагогика-(5571)Полиграфия-(1312)Политика-(7869)Право-(5454)Приборостроение-(1369)Программирование-(2801)Производство-(97182)Промышленность-(8706)Психология-(18388)Религия-(3217)Связь-(10668)Сельское хозяйство-(299)Социология-(6455)Спорт-(42831)Строительство-(4793)Торговля-(5050)Транспорт-(2929)Туризм-(1568)Физика-(3942)Философия-(17015)Финансы-(26596)Химия-(22929)Экология-(12095)Экономика-(9961)Электроника-(8441)Электротехника-(4623)Энергетика-(12629)Юриспруденция-(1492)Ядерная техника-(1748)

Компенсационные стабилизаторы напряжения. Получили свое название «компенсационные» потому, что компенсируют нестабильность питающего напряжения




Получили свое название «компенсационные» потому, что компенсируют нестабильность питающего напряжения, поддерживая напряжение на нагрузке относительно стабильным, т.е. последовательно с нагрузкой вводится регулирующий, «компенсирующий» элемент, обычно это транзистор, действующий в режиме сопротивления, которое нарастает при увеличении входного напряжения, или убывает при его уменьшении, следовательно, транзистор выполняет роль регулируемого на рис. 7.5.

Поскольку это уже настоящие стабилизаторы, следует привести основные требования к ним и характеристики.

По выходной мощности стабилизаторы разделяются на маломощные (до 1 Вт), средней мощности (до 250 Вт) и большой мощности (свыше 250 Вт).

По точности поддержания выходного напряжения на нагрузке стабилизаторы делят на прецизионные (изменение напряжения на более 0,005%), точные (изменение напряжения от 0,01 до 0,005%), средней точности (изменение напряжения от 0,1 до 0,01%) и низкой точности (изменение напряжения от 1 до 0,01%).

Диапазон изменения входного напряжения Uвх позволяет установить пределы изменения напряжения на входе стабилизатора, при которых сохраняются точностные свойства стабилизатора.

Диапазон изменения тока нагрузки Iн позволяет установить пределы изменения тока нагрузки.

Относительный коэффициент стабилизации, равный отношению относительного приращения напряжения на входе к относительному приращению на выходе источника при Rн=const:

Отношение Kcm=ΔUвх/ΔUвых как абсолютный коэффициент стабилизации равноценно коэффициенту сглаживания фильтра, и часто применяется для оценки сглаживания пульсаций выпрямленного напряжения.

Коэффициент полезного действия стабилизатора – это отношение мощности, отдаваемой в нагрузку Pн, к мощности, потребляемой от первичного источника питания Pпот:

Коэффициент нестабильности по напряжению KHU – это отношение относительного изменения выходного напряжения к вызвавшему его изменению входного напряжения

, %/В

Коэффициент нестабильности по току – это отношение относительного изменения выходного напряжения к вызвавшему его относительному изменению тока нагрузки :

Коэффициент сглаживания пульсаций – это отношение амплитудного значения пульсаций входного напряжения к амплитудному значению пульсаций выходного напряжения:

Быстродействие стабилизатора характеризует его способность быстро отрабатывать скачкообразные изменения входного напряжения или тока нагрузки. Обычно быстродействие стабилизатора определяют временем установления выходного напряжения при заданном скачкообразном изменении напряжения на входе или тока нагрузки.

Дифференциальное выходное сопротивление стабилизатора – это отношение приращения выходного напряжения к приращению тока нагрузки:

Температурные коэффициент – это отношение относительного изменения выходного напряжения к вызвавшему его изменению температуры окружающей среды:

, %/ .

По виду входной электроэнергии выделяют стабилизаторы, работающие от сети переменного напряжения (однофазной или многофазной), работающие от сети постоянного напряжения и работающие от сети постоянного и переменного напряжения.

По числу выходов питающих напряжений - одноканальные, имеющие один выход, и многоканальные, имеющие два и более выходов питающих напряжений.

Как параметрические, так и компенсационные стабилизаторы могут выполняться по последовательной или параллельной схеме включения стабилизирующего элемента относительно нагрузки. По отношению к компенсационным стабилизаторам на практике предпочитают последовательное включение.

Стабилизатор должен иметь защиту от перегрузок и коротких замыканий в нагрузке и схему автоматического восстановления работоспособности при снятии перегрузки или короткого замыкания в нагрузке.

В случае порчи стабилизирующего элемента вторичное напряжение может повыситься до недопустимых величин и выжечь электронные схемы потребителя. Для предотвращения этого должна быть предусмотрена защита от превышения напряжения питания в этом аварийном режиме.

Стабилизатор должен удовлетворять ряду эксплуатационных и конструктивно-технологических требований. Среди них – надежность, работоспособность в условиях вибраций, ударов, ускорений, работоспособность в условиях воздействия климатических факторов; ремонтопригодность, безопасность и простота обслуживания, дистанционная управляемость; время готовности источника питания или время выхода его на режим, когда выходные напряжения достигают заданного уровня; способы сигнализации о неисправностях, масса устройств электропитания должна быть минимальной; конструкция стабилизаторов должна исключать возможность случайного сдвига органов регулирования.

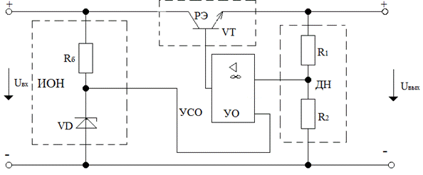
Упрощенная схема компенсационного стабилизатора напряжения с непрерывным регулированием приведена на рис. 7.6

 

 

Рис. 7.6. Упрощенная схема компенсационного стабилизатора напряжения с непрерывным регулированием

 

Делитель напряжения ДН выполнен на резисторах R1, R2. Коэффициент передачи такого делителя:

Источник опорного напряжения (ИОН) – это обычный параметрический стабилизатор схемы рис. 7.4

Усилитель сигнала ошибки УСО выполнен на операционном усилителе ОУ. Регулирующий (компенсирующий) элемент РЭ построен на транзисторе VT по схеме эмиттерного повторителя, т.е. транзистор VT всегда работает в активной области и на нем большие потери мощности. Коэффициент передачи по напряжению такого регулирующего элемента близок к единице.

Уравнение компенсационного стабилизатора можно записать в следующем виде:

,

где Uoп – напряжение опорного источника, Uвых - выходное напряжение стабилизатора, Kд – коэффициент передачи делителя напряжения ДН, K0 – коэффициент усиления сигнала рассогласования УСО и регулирующего элемента РЭ.

Следовательно, значение напряжения на выходе стабилизатора определяется соотношением

Если усиление УСО достаточно велико, то при условии, что получаем

Из этого соотношения следует, что выходное напряжение стабилизатора можно не только стабилизировать, но и регулировать в определенных пределах, причем, чем меньше , тем выше выходное напряжение, т.е. при перемещении движка потенциометра вверх по схеме рис. 7.6 (если делитель R1, R2 заменить потенциометром), выходное напряжение уменьшается.

Поскольку выходное напряжение зависит от нестабильности опорного напряжения , то оно не может быть стабильнее последнего.

Выходной ток компенсационного стабилизатора значительно больше, чем у параметрического и ограничивается возможностями регулирующего элемента. КПД компенсационного стабилизатора выше, чем у параметрического потому, что нет необходимости в токе, ответвляющемся в цепь стабилитрона. Тем не менее, почти весь избыток напряжения должен выделяться на регулирующем элементе с целью поддержания стабильным напряжение на нагрузке, поэтому КПД компенсационных стабилизаторов тем ниже, чем больше стабилизируемый диапазон. Следовательно, по своему принципу действия эти стабилизаторы не удовлетворяют требованиям таблиц 7.1, 7.2, их время прошло, несмотря на то, что до таблиц 7.1, 7.2 были разработаны и изготовлены множество типов компенсационных стабилизаторов, в том числе и интегральных.

 

 




Поделиться с друзьями:


Дата добавления: 2015-03-29; Просмотров: 1422; Нарушение авторских прав?; Мы поможем в написании вашей работы!


Нам важно ваше мнение! Был ли полезен опубликованный материал? Да | Нет



studopedia.su - Студопедия (2013 - 2025) год. Все материалы представленные на сайте исключительно с целью ознакомления читателями и не преследуют коммерческих целей или нарушение авторских прав! Последнее добавление




Генерация страницы за: 0.013 сек.