Студопедия

КАТЕГОРИИ:


Архитектура-(3434)Астрономия-(809)Биология-(7483)Биотехнологии-(1457)Военное дело-(14632)Высокие технологии-(1363)География-(913)Геология-(1438)Государство-(451)Демография-(1065)Дом-(47672)Журналистика и СМИ-(912)Изобретательство-(14524)Иностранные языки-(4268)Информатика-(17799)Искусство-(1338)История-(13644)Компьютеры-(11121)Косметика-(55)Кулинария-(373)Культура-(8427)Лингвистика-(374)Литература-(1642)Маркетинг-(23702)Математика-(16968)Машиностроение-(1700)Медицина-(12668)Менеджмент-(24684)Механика-(15423)Науковедение-(506)Образование-(11852)Охрана труда-(3308)Педагогика-(5571)Полиграфия-(1312)Политика-(7869)Право-(5454)Приборостроение-(1369)Программирование-(2801)Производство-(97182)Промышленность-(8706)Психология-(18388)Религия-(3217)Связь-(10668)Сельское хозяйство-(299)Социология-(6455)Спорт-(42831)Строительство-(4793)Торговля-(5050)Транспорт-(2929)Туризм-(1568)Физика-(3942)Философия-(17015)Финансы-(26596)Химия-(22929)Экология-(12095)Экономика-(9961)Электроника-(8441)Электротехника-(4623)Энергетика-(12629)Юриспруденция-(1492)Ядерная техника-(1748)

Принцип работы не инвертирующего сумматора и его параметры




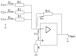
Принцип работы инвертирующего сумматора и его параметры.

Для выполнения сложения используют оба входа ОУ, причём по не инвертирующему входу осуществляют сложение, а по инвертирующему входу вычитание.

Схема

При рассмотрении теории исходим из предыдущих утверждений что идеальный ОУ имеет очень большое усиление поэтому разность входных сигналов равна нулю(виртуальный ноль) IВХ=0 поэтому I1+I2+I3=IОС I1=U1/R1; I2=U2/R2; I3=U3/R3; IОС=- UВЫХ/RОС пользуясь первым законом Кирхгофа и подставляя значения тока: UВЫХ=-(U1*(RОС/R1)+ U2*(RОС/R2)+ U3*(RОС/R3).Если брать разные сопротивления RОС и R1 то в этом случае учитывается масштабный коэффициент. На выходе получается инвертируемая сумма входных напряжений если R1≠ R2≠ R3 то на выходе получается сумма с различными масштабными коэффициентами. Инвертирующий сумматор объединяет в себе функции сумматора и усилителя при сохранении простоты схемы. Резистор R на не инвертирующем входе служит для компенсации сдвига нуля на выходе ОУ вызванного временными и температурными колебаниями входного тока.

 

Назначение его такое же как и инвертирующего сумматора только без инверсии суммы входных напряжений. Т.к. при UО=0, UВХ.ИНВ.=UВХ.НЕ ИНВ. Поэтому можем записать следующие логические выражения. Т.к. UО=0, UН=(R/ RОС+R)* UВЫХ. Учитывая что входное сопротивление ОУ с не инвертирующим входом равно бесконечности Входной ток равен нулю(I1+I2+I3=0). =>

(U1-UН)/R+(U2-UН)/R+(U3-UН)/R=0, U1+ U2+ U3= n*(R/RОС+R)* UВЫХ=> UВЫХ= (RОС+R/nR)*(U1+ U2+ U3) где n-число входов.

 




Поделиться с друзьями:


Дата добавления: 2015-05-06; Просмотров: 867; Нарушение авторских прав?; Мы поможем в написании вашей работы!


Нам важно ваше мнение! Был ли полезен опубликованный материал? Да | Нет



studopedia.su - Студопедия (2013 - 2025) год. Все материалы представленные на сайте исключительно с целью ознакомления читателями и не преследуют коммерческих целей или нарушение авторских прав! Последнее добавление




Генерация страницы за: 0.007 сек.