Студопедия

КАТЕГОРИИ:


Архитектура-(3434)Астрономия-(809)Биология-(7483)Биотехнологии-(1457)Военное дело-(14632)Высокие технологии-(1363)География-(913)Геология-(1438)Государство-(451)Демография-(1065)Дом-(47672)Журналистика и СМИ-(912)Изобретательство-(14524)Иностранные языки-(4268)Информатика-(17799)Искусство-(1338)История-(13644)Компьютеры-(11121)Косметика-(55)Кулинария-(373)Культура-(8427)Лингвистика-(374)Литература-(1642)Маркетинг-(23702)Математика-(16968)Машиностроение-(1700)Медицина-(12668)Менеджмент-(24684)Механика-(15423)Науковедение-(506)Образование-(11852)Охрана труда-(3308)Педагогика-(5571)Полиграфия-(1312)Политика-(7869)Право-(5454)Приборостроение-(1369)Программирование-(2801)Производство-(97182)Промышленность-(8706)Психология-(18388)Религия-(3217)Связь-(10668)Сельское хозяйство-(299)Социология-(6455)Спорт-(42831)Строительство-(4793)Торговля-(5050)Транспорт-(2929)Туризм-(1568)Физика-(3942)Философия-(17015)Финансы-(26596)Химия-(22929)Экология-(12095)Экономика-(9961)Электроника-(8441)Электротехника-(4623)Энергетика-(12629)Юриспруденция-(1492)Ядерная техника-(1748)

ИМС, используемые в работе




Литература

Подготовка к работе

2.1 Изучить следующие вопросы курса:

2.1.1 Подложки полупроводниковых интегральных микросхем;

2.1.2 Способы изоляции элементов ППИМС (p-n переходом, резистивная диэлектрическая и др.);

2.1.3 Активные элементы ППИМС: биполярные транзисторы (БТ), полевые транзисторы (ПТ) и диоды;

2.1.4 Пассивные элементы ППИМС: резисторы, конденсаторы, пленочные проводники и контактные площадки;

2.1.5 Основные технологические процессы, используемые при изготовлении ППИМС (эпитаксия, получение пленки SiO2, литография, локальная диффузия, ионное легирование, металлизация).

 

2.2 При подготовке к работе рекомендуется ответить на следующие контрольные вопросы.

2.2.1 Дать определение ППИМС.

2.2.2 Какие способы изоляции элементов используются при изготовлении ПП ИМС?

2.2.3 Какие основные технологические операции применяются при изготовлении ПП ИМС? Рассказать о них.

2.2.4 Объяснить устройство планарного биполярного транзистора ППИМС.

2.2.5 Привести эквивалентную схему биполярного транзистора в составе ППИМС и объяснить влияние подложки.

2.2.6 Разновидности БТ: многоэмиттерные, горизонтальные p-n-p и др.

2.2.7 Каким образом выполняются диоды в ППИМС? Перечислить варианты и сравнить их.

2.2.8 Объяснить устройство полевых транзисторов различных структур в ППИМС.

2.2.9 Объяснить устройство диффузионного и ионно-легированного резистора ППИМС. Привести эквивалентные схемы и указать паразитные элементы.

2.2.10 Объяснить устройство конденсаторов ППИМС на основе p-n перехода и МДП структуры, привести эквивалентные схемы и указать паразитные элементы.

 

1 Ефимов И.Е., Козырь И.Я. Основы микроэлектроники. – СПб.: Издательство «Лань», 2008, с.169-270.

2 Степаненко И.П. Основы микроэлектроники. -М: Лаборатория Базовых Знаний, 2001, с. 274-280.

3 Электронные, квантовые приборы и микроэлектроника: Под редакцией Федорова Н.Д. - М.: Радио и связь, 1998, с.201-214.

4 Савиных В.Л. Конспект лекций. Электронная версия. СибГУТИ. 2009

 

В лабораторной работе исследуются ППИМС серии К122. Все ИМС этой серии изготавливают на основе единого базового кристалла (рисунок 1), т.е.

 

Рисунок 1- Базовый кристалл ППИМС серии К122

без пленочных межэлементных соединений.

единого набора пассивных и активных элементов, расположенных в полупроводниковой подложке, которые в зависимости от назначения имеют различное соединение, согласно принципиальной схеме.

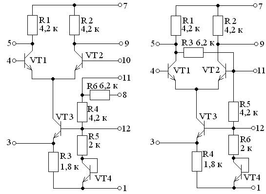
Принципиальная схема исследуемой ППИМС типа К122УТ1А приведена на рисунке 2, а микросхемы К122ТШ1- на рисунке 3.

Рисунок 2- Принципиальная схема ППИМС типа К122УТ1А Рисунок 3- Принципиальная схема ППИМС типа К122ТШ1



Поделиться с друзьями:


Дата добавления: 2015-05-06; Просмотров: 458; Нарушение авторских прав?; Мы поможем в написании вашей работы!


Нам важно ваше мнение! Был ли полезен опубликованный материал? Да | Нет



studopedia.su - Студопедия (2013 - 2026) год. Все материалы представленные на сайте исключительно с целью ознакомления читателями и не преследуют коммерческих целей или нарушение авторских прав! Последнее добавление




Генерация страницы за: 0.011 сек.