Студопедия

КАТЕГОРИИ:


Архитектура-(3434)Астрономия-(809)Биология-(7483)Биотехнологии-(1457)Военное дело-(14632)Высокие технологии-(1363)География-(913)Геология-(1438)Государство-(451)Демография-(1065)Дом-(47672)Журналистика и СМИ-(912)Изобретательство-(14524)Иностранные языки-(4268)Информатика-(17799)Искусство-(1338)История-(13644)Компьютеры-(11121)Косметика-(55)Кулинария-(373)Культура-(8427)Лингвистика-(374)Литература-(1642)Маркетинг-(23702)Математика-(16968)Машиностроение-(1700)Медицина-(12668)Менеджмент-(24684)Механика-(15423)Науковедение-(506)Образование-(11852)Охрана труда-(3308)Педагогика-(5571)Полиграфия-(1312)Политика-(7869)Право-(5454)Приборостроение-(1369)Программирование-(2801)Производство-(97182)Промышленность-(8706)Психология-(18388)Религия-(3217)Связь-(10668)Сельское хозяйство-(299)Социология-(6455)Спорт-(42831)Строительство-(4793)Торговля-(5050)Транспорт-(2929)Туризм-(1568)Физика-(3942)Философия-(17015)Финансы-(26596)Химия-(22929)Экология-(12095)Экономика-(9961)Электроника-(8441)Электротехника-(4623)Энергетика-(12629)Юриспруденция-(1492)Ядерная техника-(1748)

Следует в депо. Возвращается в головную кабину




Возвращается в головную кабину.

а) снимает головной вагон со стояночного тормоза,

б) приводит кабину в рабочее положение,

в) включает ВУД2 и закрывает двери в неисправном вагоне,

1. Дверизакрылись, ЛСДгорит.

 

Продолжаем работу. Докладывает ДЦХ.

 

2. Дверине закрылись, ЛСД – не горит.

Вновь отключился А-16глухое К.З. на 16 -м вагонном проводе.

а) Открыть двери в поезде,

б) Высадить пассажиров из поезда,

в) Доложить ДЦХ,

г) По сигналу дежурной по станции, после высадки пассажиров,

закрывает двери в поезде от ВУД 2, а в неисправном вагоне от КРЗД.

 

2) А-16 включён (не выбит) – высадить пассажиров из вагона.

 

Причины:

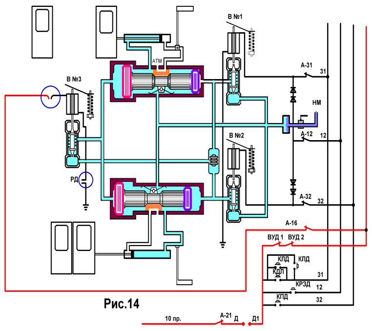
а) Обрыв в цепи 16 -го вагонного провода,

б) Разомкнутая (неисправная), нормально-замкнутая блокировка РД

при открытых дверях (Рис.14).

Действия машиниста:

а) Высаживает пассажиров из вагона,

б) Закрывает двери, нажатием на вентиль №3 пальцем руки (Рис.15),

в) Отключает А-31 или А-32 для того, чтобы после прибытия в головную

кабину и открытия дверей в поезде для высадки пассажиров, в неисп-

равном вагоне не открылись двери.(Рис.15)

г) Вручную раздвигает дверной проём, выходит из вагона и следует в

кабину управления,

д) Открывает двери и высаживает пассажиров из поезда,

е) Докладывает ДЦХ,

ж) По сигналу дежурной по станции закрывает двери в поезде,

 




Поделиться с друзьями:


Дата добавления: 2015-05-08; Просмотров: 348; Нарушение авторских прав?; Мы поможем в написании вашей работы!


Нам важно ваше мнение! Был ли полезен опубликованный материал? Да | Нет



studopedia.su - Студопедия (2013 - 2026) год. Все материалы представленные на сайте исключительно с целью ознакомления читателями и не преследуют коммерческих целей или нарушение авторских прав! Последнее добавление




Генерация страницы за: 0.008 сек.