Студопедия

КАТЕГОРИИ:


Архитектура-(3434)Астрономия-(809)Биология-(7483)Биотехнологии-(1457)Военное дело-(14632)Высокие технологии-(1363)География-(913)Геология-(1438)Государство-(451)Демография-(1065)Дом-(47672)Журналистика и СМИ-(912)Изобретательство-(14524)Иностранные языки-(4268)Информатика-(17799)Искусство-(1338)История-(13644)Компьютеры-(11121)Косметика-(55)Кулинария-(373)Культура-(8427)Лингвистика-(374)Литература-(1642)Маркетинг-(23702)Математика-(16968)Машиностроение-(1700)Медицина-(12668)Менеджмент-(24684)Механика-(15423)Науковедение-(506)Образование-(11852)Охрана труда-(3308)Педагогика-(5571)Полиграфия-(1312)Политика-(7869)Право-(5454)Приборостроение-(1369)Программирование-(2801)Производство-(97182)Промышленность-(8706)Психология-(18388)Религия-(3217)Связь-(10668)Сельское хозяйство-(299)Социология-(6455)Спорт-(42831)Строительство-(4793)Торговля-(5050)Транспорт-(2929)Туризм-(1568)Физика-(3942)Философия-(17015)Финансы-(26596)Химия-(22929)Экология-(12095)Экономика-(9961)Электроника-(8441)Электротехника-(4623)Энергетика-(12629)Юриспруденция-(1492)Ядерная техника-(1748)

Директор 2 страница




 

МІНІСТЕРСТВО ОСВІТИ І НАУКИ МОЛОДІ ТА СПОРТУ УКРАЇНИ

ПОЛТАВСЬКИЙ НАЦІОНАЛЬНИЙ ТЕХНІЧНИЙ УНІВЕРСИТЕТ

імені ЮРІЯ КОНДРАТЮКА

Факультет інформаційних та телекомунікаційних технологій і систем

кафедра комп’ютерної інженерії

 

РОЗРАХУНКОВО ГРАФІЧНА РОБОТА

 

з навчальної дисципліни

Комп’ютерна логіка

 

 

Тема: СИНТЕЗ КОМБІНАЦІЙНИХЦИФРОВИХ АВТОМАТІВ

 

 

Виконавець: студент _____навчальної групи

____________________________________

(ініціали, прізвище, ім’я, по батькові)

 

Керівник: ___________________________________________________________________

(посада, науковий ступень, вчене звання, ініціали, прізвище)

 

Полтава


Зміст

 

1. Вихідні дані

2. Синтез комбінаційного цифрового пристрою

2.1. Отримання логічних функцій пристрою

2.2. Мінімізація логічних функцій за допомогою карт Карно

2.3. Побудова структурної схеми логічного пристрою

3. Моделювання та аналіз схеми синтезованого пристрою

Література


Додаток 2. Приклад виконання РГР

 

1. Вхідні дані

 

Варіант № 1.

 

Таблиця істинності логічних функцій пристрою, який необхідно синтезувати:

Таблиця 1

X5                                
X4                                
X3                                
X2                                
X1                                
Y1                   х            
Y2         х                      
X5                                
X4                                
X3                                
X2                                
X1                                
Y1         х                      
Y2         х                      

 

 


2. Синтез комбінаційного цифрового пристрою

2.1. Отримання логічних функцій пристрою

 

На підставі таблиці істинності записуємо логічні функції виходів комбінаційного пристрою у вигляді ДДНФ.

 

 

 

2.2. Мінімізація логічних функцій за допомогою карт Карно

x5 = 0 x5 = 1

     
     
      x/0
       
       
   
 
       
       
       
    x/0  
   

x5=0 x5=1

     
  1    
       
     
    x/1  
   
   
       
     
1     1
    x/1  
   

 

Отримуємо мінімальні ДНФ логічних функцій:

 

Логічний вираз є загальним для логічних функцій Y1 та Y2.


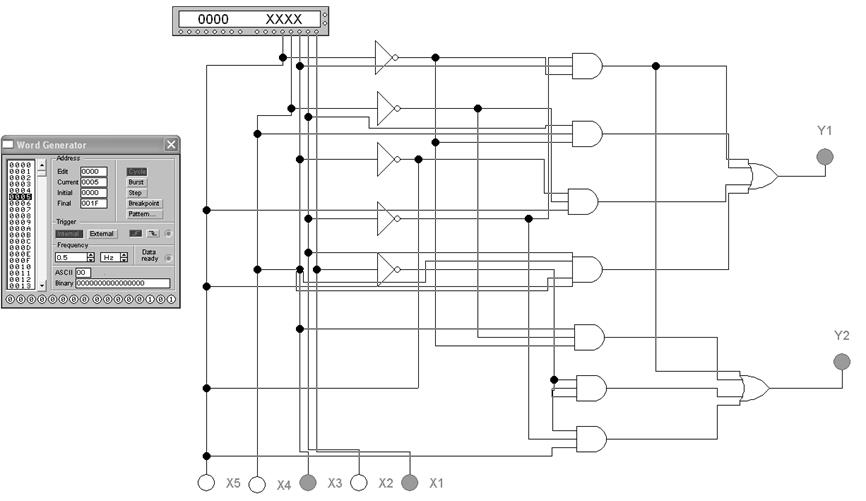
Побудова структурної схеми логічного пристрою


 

 

3. Моделювання та аналіз схеми синтезованого пристрою

 

 


Рекомендована література

1. Жабін В.І., Жуков І.А., Клименок І.А., Ткаченко В.В. Прикладна теорія цифрових автоматів: Навч. посібник. - К.: Книжкове вид-во НАУ, 2007. – 364 с.

2. Бойко В.І., Гуржій А.М., Жуйков В.Я. та ін. Схемотехніка електронних систем: У 3 кн. Кн. 2. Цифрова схемотехніка: Підручник. – К.: Вища шк., 2004. – 423 с.: іл.

3. Торба А. А. Компъютерная схемотехника: Учебное пособие. – Харьков: ООО «Компания СМИТ», 2007.- 288 с.

4. Угрюмов Е.П. Цифровая схемотехника. – СПб.: БХВ - Петербург, 2002.

 

БУ «Сургутский медицинский колледж»

____________ Т.П. Прохорова

«____»___________2012 г.

.

 

 




Поделиться с друзьями:


Дата добавления: 2015-05-09; Просмотров: 455; Нарушение авторских прав?; Мы поможем в написании вашей работы!


Нам важно ваше мнение! Был ли полезен опубликованный материал? Да | Нет



studopedia.su - Студопедия (2013 - 2026) год. Все материалы представленные на сайте исключительно с целью ознакомления читателями и не преследуют коммерческих целей или нарушение авторских прав! Последнее добавление




Генерация страницы за: 0.013 сек.