Студопедия

КАТЕГОРИИ:


Архитектура-(3434)Астрономия-(809)Биология-(7483)Биотехнологии-(1457)Военное дело-(14632)Высокие технологии-(1363)География-(913)Геология-(1438)Государство-(451)Демография-(1065)Дом-(47672)Журналистика и СМИ-(912)Изобретательство-(14524)Иностранные языки-(4268)Информатика-(17799)Искусство-(1338)История-(13644)Компьютеры-(11121)Косметика-(55)Кулинария-(373)Культура-(8427)Лингвистика-(374)Литература-(1642)Маркетинг-(23702)Математика-(16968)Машиностроение-(1700)Медицина-(12668)Менеджмент-(24684)Механика-(15423)Науковедение-(506)Образование-(11852)Охрана труда-(3308)Педагогика-(5571)Полиграфия-(1312)Политика-(7869)Право-(5454)Приборостроение-(1369)Программирование-(2801)Производство-(97182)Промышленность-(8706)Психология-(18388)Религия-(3217)Связь-(10668)Сельское хозяйство-(299)Социология-(6455)Спорт-(42831)Строительство-(4793)Торговля-(5050)Транспорт-(2929)Туризм-(1568)Физика-(3942)Философия-(17015)Финансы-(26596)Химия-(22929)Экология-(12095)Экономика-(9961)Электроника-(8441)Электротехника-(4623)Энергетика-(12629)Юриспруденция-(1492)Ядерная техника-(1748)

Автоматизация котельных




14.1. Описание и классификация котельных
установок

Котельные установки необходимы для получения перегретого пара на ТЭЦ и ГРЭС, насыщенного технологического пара на промышленных котельных, получения горячей воды для технологических нужд, отопления, горячего водоснабжения. Все котельные установки предназначены для получения тепловой энергии.

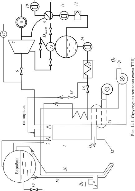
На рис. 14.1 представлена структурная тепловая схема ТЭЦ. Питательный насос 14 через регулирующий клапан 16 снабжает питательной водой паровой котел 1. В топку котла с помощью топливоприготовительных устройств 3 подается топливо В т (каменноугольная пыль, горючий газ, мазут или смесь разных видов топлива). Вентилятором 4 нагнетается воздух Q в и дымососом 5 отсасываются продукты сгорания – дымовые газы Qr.

Требуемая подача топливоприготовительных устройств, вентиляторов, дымососов и питательных насосов устанавливается автоматически или дистанционно в зависимости от паропроизводительности G п.п и давления перегретого пара P п.п. Насыщенный водяной пар, выработанный в испарительной части парового котла, перегревается до требуемой температуры в пароперегревателе 2; при этом температура перегрева t п.п поддерживается вблизи заданного значения автоматическим регулятором. Далее перегретый пар через регулирующие клапаны 6 поступает в проточную часть турбины 7, где происходит превращение тепловой энергии теплоносителя – перегретого водяного пара – в механическую энергию вращения ротора турбины и генератора 8.

Для обеспечения постоянства частоты генерируемого тока ротор турбины должен вращаться с постоянной скоростью независимо от электрической нагрузки генератора. Поддержание постоянства частоты вращения n осуществляется АСР скорости турбины.

Отработанный пар из турбины поступает в конденсатор 9, где он охлаждается и конденсируется на поверхности трубной системы, в которой циркулирует охлаждающая вода, поступающая от насоса 10. Уровень конденсата в конденсаторе Н к должен поддерживаться постоянным независимо от количества конденсируемого в нем пара. Эту задачу выполняет автоматический регулятор уровня в конденса­торе, воздействующий на подачу конденсатных насосов. Далее кон­денсат турбины прокачивается насосами 11 через систему подогрева­телей низкого давления (ПНД) 12 и поступает в смешивающий по­догреватель – деаэратор 13. В деаэраторе конденсат смешивается с химически очищенной водой D х.о.в, подаваемой для восполнения по­терь, и доводится до температуры насыщения (кипения), при которой происходит удаление растворенного в воде кислорода О2.

Нормальный режим работы деаэратора и установленного за ним питательного насоса 11 возможен лишь при постоянстве давления пара в деаэраторной головке P д и уровня воды H д в аккумуляторном баке. Это обеспечивается автоматическими регуляторами давления и уровня в деаэраторе, воздействующими соответственно на расход греющего пара и химически очищенной воды, поступающих в деаэратор.

Вода из деаэратора перекачивается питательными насосами 14 через систе­му подогревателей высокого давления 15 и поступает в экономайзер и испарительную часть парового котла. Расход воды регулируется автоматическим регулятором питания. На этом техно­логический цикл превращения теплоты в электрическую энергию замыкается, и описанный выше процесс повторяется.

Тепловые электростанции, вырабатывающие, помимо электрической энергии, и тепловую (ТЭЦ), оборудуются редукционно-охла­ди­тельными установками (РОУ) 17, пред­назначенными для резервирования теплофикационных и промышленных отборов пара турбин.
Поддержание постоян­ных давления Р р.п и температуры t р.п редуцированного пара обеспечивается автоматическими регуляторами давления

и температуры, воздействующими соответственно на измене­ние расхода редуцированного пара и охлаждающей воды G р.п и D oв.

Особенность технологического процесса на ТЭС состоит в невозможности складирования гото­вой продукции – электроэнергии – при весьма ограниченной тепловой аккумулирующей способности основных источни­ков теплоты – паровых котлов. Поэтому количество пара, выработанного паровым котлом, мощность, развиваемая турбиной и турбогенератором, и электрическая нагрузка, задаваемая потребителем, должны строго соответствовать друг другу во времени.

Исходя из необходимости непрерывного поддержания баланса по расходу пара, вырабатываемого котлом и по­требляемого турбиной, регулирование его расхода ведется по наиболее простому с точки зрения измерения косвенному показателю этого баланса –давлению перед турбиной Р п.п. Стабилизация Р п.посуществляется автоматической системой регулирования парового котла (АСР давления парового котла).

Качество конечной продукции ТЭС – электроэнергии – должно отвечать требованиям ГОСТ 13.109.67. Допустимые отклонения колебаний промышленной частоты f составляют ± 0,2 Гц (0,4 %), а по напряжению на шинах генератора Ur ± 5 %. В поддержании этих показателей важная роль принадлежит автоматической системе регулирования напряжения генератора (АСР напряжения генератора).

Кроме основных объектов управления – паровых кот­лов, турбин и генераторов, на ТЭС имеется значительное количество вспомогательных теплоэнергетических устано­вок, также оснащенных автоматическими устройствами ре­гулирования и защиты.

Котельные агрегаты могут работать в одном из двух режимов: базовом или регулирующем.

Базовым режимом называется режим поддержания тепловой нагрузки котла на заданном уровне вне зависимости от общей электрической и тепловой нагрузки ТЭЦ.

Регулирующим режимом называется режим работы парового котла, когда паровой котел воспринимает колебания тепловой и электрической нагрузки станции, т.е. участвует в регулировании общей тепловой и электрической нагрузки станции.

По результатам тепломеханических испытаний котла ТП-81 (Чайковская ТЭЦ) предел изменения нагрузки – 294–420 т/ч (уголь), 250–420 т/ч (газ), т.е. минимально допустимая нагрузка котла
по условиям обеспечения надежности циркуляции составляет
40–45 % от номинальной. Причем котел может быть перегружен до 440 т/ч.

При параллельной работе котлов нагрузка между ними должна распределяться с учетом их экономичной работы. Как правило, один из котлов работает на регулировании, другой котел – в базовом режиме с постоянной нагрузкой. При достижении нижнего предела одного котла часть нагрузки снимается с другого котла. Режим котла задается режимной картой.

Котельные установки можно классифицировать:

1. Водогрейные котлы для отопления и горячего водоснабжения

а) малой производительности до 3 Гкал/ч, работающие под наддувом до 0,7 кПа с вентилятором без дымососа (ВК, КСВА, НИКА, КБНГ, КВГ и др.);

б) малой производительности до 3 Гкал/ч, с разряжением до 0,1 кПа. («Факел», НИИСТУ, «Универсал», ТГ и др.);

в) средней производительности до 10 Гкал/ч, с разряжением до 0,1 кПа (КВЖ, ТВТ, ДЕВ);

г) большой производительности до 100 Гкал/ч (ПТВМ, КВГМ);

2. Промышленные котельные по выработке насыщенного или перегретого пара для технологических нужд и систем отопления с производительностью до 75 т/час (до 50 мВт) типов ДЕ, ДКВР, К, БКЗ, БЭМ, КПЖ, БГМ.

3. Котельные цеха тепловых паротрубных электростанций (ТПЭС), теплоэлектроцентралей (ТЭЦ).

Для непрерывного производства водяного пара или горячей воды котельный агрегат нуждается в воде, топливе и воздухе. В зависимости от характера потребителей паровой котел может вырабатывать насыщенный и перегретый пар. При получении перегретого пара происходят следующие процессы: подогрев питательной воды до температуры насыщения в поверхности нагрева, которая называется экономайзером; парообразование, т.е. генерация насыщенного пара из воды, нагретой до температуры насыщения в испарительной (парогенерирующей) поверхности нагрева; перегрев насыщенного пара до заданной температуры перегрева в пароперегревателе. Все перечисленные поверхности нагрева выполнены из труб.

Для непрерывного отвода тепла и обеспечения нормального температурного режима металла поверхностей нагрева рабочее тело в них – вода в экономайзере, пароводяная смесь в испарительной поверхности и перегретый пар в пароперегревателе – движется непрерывно.

Перегретый пар после пароперегревателя поступает потребителям – паровым турбинам (ТЭЦ) или непосредственно на производство. У паровых котлов, вырабатывающих насыщенный пар, потребителями являются производственные процессы и бойлерные установки для получения горячей воды, используемой на отопление, вентиляцию и горячее водоснабжение.

Для котельных агрегатов характерен П-образный профиль.

Первая шахта представляет собой топочную камеру. Стены топочной камеры изнутри покрыты огнеупорным материалом, а снаружи – тепловой изоляцией. С внутренней стороны у стен топочной камеры расположена испарительная поверхность нагрева. Эта поверхность нагрева получает тепло от факела и топочных газов излучением и называется топочным экраном.

В топочной камере происходит сжигание топлива с преобразованием химической энергии в тепловую. Около половины тепла топлива воспринимается поверхностью нагрева, расположенной в топочной камере, где продукты сгорания охлаждаются до температуры 900–1100 °С (в зависимости от вида сжигания топлива). Основным видом топлива является в настоящее время в России природный газ, запасным – каменный уголь, мазут. При использовании каменного угля имеется система углеподачи, когда уголь подается системами транспортеров, измельчается и в пылеобразном состоянии подается через систему форсунок.

Затем продукты сгорания поступают в горизонтальный газоход и следующий вертикальный, в которых последовательно расположены пароперегреватель, водяной экономайзер и воздухоподогреватель. Перед входом в горизонтальный газоход устанавливается фестонный пучок труб, состоящий из 3–5 рядов труб, образованных трубами заднего экрана.

Поверхности нагрева, расположенные в горизонтальной и второй вертикальной шахте, воспринимают в основном тепло конвекцией и поэтому называются конвективными.

Современный котельный агрегат обслуживается рядом вспомогательных механизмов и устройств. К ним относятся: системы топливоподачи, газорегуляторная станция при сжигании газообразного топлива, дымососы и дутьевые вентиляторы, питательные и водоподогревательные установки.

Дутьевые вентиляторы применяются для подачи воздуха, необходимого в процессе сжигания топлива.

Дымососы предназначаются для удаления дымовых газов из котельной установки. При сжигании твердого топлива образуются зола и шлак. Зола уносится из топки дымовыми газами в газоходы котельного агрегата, а из них через дымовую трубу – в атмосферу, что приводит к загрязнению воздушного бассейна и окружающей территории. Для сведения к минимуму выбросов золы в атмосферу котельные установки, предназначенные для сжигания твердого топлива, оснащаются золоуловителями, которые устанавливаются перед дымососами. В топочной камере в результате сжигания топлива образуется шлак. Зола и шлак удаляются в золовой отвал. Питательная установка предназначена для подачи в котел воды, которая расходуется на образование пара. Основной частью питательной установки являются питательные насосы. Они обеспечивают подачу воды в паровой котел в необходимом количестве и должны развивать давление, достаточное для преодоления сопротивления водяного тракта, включая сопротивление экономайзера и давление пара в барабане котла.

В водяных котельных, предназначенных для получения горячей воды (не более 150 °С) роль питательных насосов для подачи воды в котел выполняют сетевые насосы. Подпиточные насосы обеспечивают компенсацию невозврата сетевой воды.

Природная вода содержит механические и коллоидальные примеси, растворенные соли и газы. Некоторые соли выделяются из воды в процессе ее нагревания и испарения и оседают на внутренних стенках поверхности нагрева в виде плотной, трудно отделяемой накипи, которая имеет коэффициент теплопроводности, в 40 раз меньший коэффициента теплопроводности стенок труб. Поэтому, ухудшая передачу тепла через стенку трубы, накипь вызывает перегрев трубы и ее разрушение. Другие соли выпадают в объеме котловой воды в виде мелкодисперсных взвешенных частиц шлама, который также может служить причиной повреждения котла. Поэтому воду, предназначенную для подачи в котел, приходится предварительно осветлять и умягчать, доводя содержание в ней солей, образующих накипь и шлам, до технически возможного минимума. Для этого сооружается специальная водоподготовительная установка. Кроме указанных примесей и солей, вода содержит растворенные газы (кислород, углекислый газ), которые вступают в реакцию с металлом, вызывая его коррозию. Дегазация воды осуществляется в деаераторе. Отфильтрованную воду подают в деаэратор. Из нижней части деаэратора подают пар, который при встрече с опускающейся книзу водой подогревает воду до температуры 105–110 °С и отделяет из нее кислород и другие содержащиеся газы. Регулировка температуры производится через соответствующую подачу пара (локальная система регулирования).

Вода из деаэратора поступает в деаэраторный бак (бак питательной воды). Уровень воды в этом баке также регулируется. Причем вначале автоматика подает воду из конденсатосборника. Лишь при отсутствии воды в конденсатосборнике запускается деаэратор. При низком давлении в магистрали отфильтрованной воды включается подпиточный насос[1].




Поделиться с друзьями:


Дата добавления: 2015-05-29; Просмотров: 3147; Нарушение авторских прав?; Мы поможем в написании вашей работы!


Нам важно ваше мнение! Был ли полезен опубликованный материал? Да | Нет



studopedia.su - Студопедия (2013 - 2026) год. Все материалы представленные на сайте исключительно с целью ознакомления читателями и не преследуют коммерческих целей или нарушение авторских прав! Последнее добавление




Генерация страницы за: 0.009 сек.