Студопедия

КАТЕГОРИИ:


Архитектура-(3434)Астрономия-(809)Биология-(7483)Биотехнологии-(1457)Военное дело-(14632)Высокие технологии-(1363)География-(913)Геология-(1438)Государство-(451)Демография-(1065)Дом-(47672)Журналистика и СМИ-(912)Изобретательство-(14524)Иностранные языки-(4268)Информатика-(17799)Искусство-(1338)История-(13644)Компьютеры-(11121)Косметика-(55)Кулинария-(373)Культура-(8427)Лингвистика-(374)Литература-(1642)Маркетинг-(23702)Математика-(16968)Машиностроение-(1700)Медицина-(12668)Менеджмент-(24684)Механика-(15423)Науковедение-(506)Образование-(11852)Охрана труда-(3308)Педагогика-(5571)Полиграфия-(1312)Политика-(7869)Право-(5454)Приборостроение-(1369)Программирование-(2801)Производство-(97182)Промышленность-(8706)Психология-(18388)Религия-(3217)Связь-(10668)Сельское хозяйство-(299)Социология-(6455)Спорт-(42831)Строительство-(4793)Торговля-(5050)Транспорт-(2929)Туризм-(1568)Физика-(3942)Философия-(17015)Финансы-(26596)Химия-(22929)Экология-(12095)Экономика-(9961)Электроника-(8441)Электротехника-(4623)Энергетика-(12629)Юриспруденция-(1492)Ядерная техника-(1748)

Совершенствование гидравлических схем водогрейных котельных

 

В данной публикации описываются широко используемые гидравлические схемы водогрейных котельных, их достоинства и недостатки, а так же возможности автоматизации этих схем. Совершенствование гидравлических схем, точнее, преобразование одной схемы в другую более качественную, надежную и легко управляемую.

Всем известна традиционная классическая гидравлическая схема водогрейной котельной (далее классическая схема), показанная на рисунке 1, - "рождение" ее было связано с появлением первых котлов, и на протяжении долгого времени была неизменной. Естественно, эта гидравлическая схема не отвечает современным требованиям, предъявляемым заводами изготовителями котлов и техническим возможностям настоящего времени. Одни из существенных недостатков классической схемы это:

1. отсутствие возможности поддержания определенной минимальной температуры теплоносителя на входе котла. Это одно из требований заводов изготовителей котлов;
2. схема имеет переменный проток воды через котлы, т.е. во время ремонтных либо профилактических работ котел отсекается от системы своей запорной арматурой, объем воды нагнетаемый насосом распределяется через оставшиеся котлы, при этом меняется гидравлическое сопротивление котельной и соответственно температурный график, а это уже явное отклонение от проектных расчетов, что существенно сказывается на общем КПД котельной;
3. не качественное регулирование теплоносителя в нагрузках. В настоящее время управление нагрузками осуществляется 3-х (4-х) ходовыми смесителями совместно с погодозависимыми регуляторами температуры.
Не зря же все стремятся заставить работать двигатель внутреннего сгорания на одних постоянных оборотах, при постоянной рабочей температуре и при этом иметь переменную нагрузку, при такой работе двигателя можно получить максимальный КПД работы, но об этом после. В теплотехнике нагрузки практически всегда имеют переменный характер работы, как по температуре теплоносителя, так и по протоку теплоносителя, но нам надо, что бы это никак не влияло на температуру теплоносителя в котле и на проток теплоносителя через котел.

То что насосы стоят в обратной линии (см. рис. 1) связано только с тем, что отечественные насосы серии К (раньше широко применялись) по паспорту могут перекачивать теплоноситель с температурой до 70оС. Где стоят насосы, в обратной или подающей линии зависит от проектных решений и удобства монтажа, главное что бы насосы по паспорту выдерживали температуру теплоносителя, было обеспечено подпорное давление и производительность насосов должна соответствовать паспортным данным.
Согласно СНиП II-35-76 "Котельные установки" и СП 41-104-2000 "Проектирование автономных источников теплоснабжения", котлов в схеме должно быть не менее двух. Это и послужило поводом для создания и использования общекотловой автоматики, дающей экономию энергоресурсов и исключающей человеческий фактор. Общекотловая автоматики классической схемы позволяет:
— использовать ротацию котлов и насосов (поочередную работу котлов и сетевых насосов К2);
— при необходимости автоматическое включение в работу дополнительного котла.
Ротация котлов позволяет делать одинаковый моторесурс всех котлов, а ротация насосов кроме одинакового моторесурса не позволяет насосам "захряснуть". Многие производители насосов, такие как Grundfos, Wilo и др., особенно на маломощные насосы рекомендуют использовать поочередную работу насосов или при долгом отключении насоса проводить его кратковременное включение на 1-2 минуты.

 

Для устранения основных недостатков классической схемы, стали вносить изменения и вводить дополнительные элементы:
1. дополнительные насосы, т.е. для повышения температуры обратного теплоносителя перед котлом, установлены дополнительные насосы на каждый котел, как показано на рисунке 2.

Производительность насоса К3 примерно на 30% меньше производительности насоса К2. При помощи элементов автоматики, насос К3 поддерживает необходимую минимальную температуру теплоносителя на входе котла.
Общекотловая автоматика в этой схеме (см. рис. 2) позволяет:
— поддерживать определенную минимальную температуру теплоносителя на входе котла;
— использовать ротацию котлов и сетевых насосов;
— при необходимости автоматическое включение в работу дополнительного котла.
Не достаток схемы (см. рис. 2):
— проток воды через котел имеет переменный характер;
— через выключенный котел течет теплоноситель;

 

 


2. Для качественного регулирования нагрузок котельной, применили 3-х (4-х) ходовые смесители. Это действительно оригинальное решение в гидравлических схемах котельных, смотрите рисунок 3.

Качественное регулирование нагрузки осуществляется за счет подмешивания подающего теплоносителя от котлов и обратного теплоносителя от нагрузки при помощи 3-х (4-х) ходового смесителя и соответствующего прибора автоматики с ПИД регулированием. Температурный график теплоносителя нагрузки может быть как переменный, так и постоянный это зависит от технического задания на проектирование. Для нормальной работы этой гидравлической схемы большое внимание следует уделить котловой и общекотловой автоматике. Данную автоматику следует назвать интеллектуальной, поскольку она должна отслеживать инерционный нагрев и остывание котла на разных режимах нагрузок, в противном случае котлы часто будут перегреваться и при помощи предохранительного температурного термостата будут входить в аварию. Как правило, схему на рисунке 3 рекомендуют производители котлов и котловой автоматики такие, как Buderus, Wiessmann, De Dietrich и др. Общекотловая автоматика в этой схеме (см. рис. 3) позволяет:
— поддерживать определенную минимальную температуру теплоносителя на входе котла;
— использовать ротацию котлов и сетевых насосов;
— при необходимости автоматическое включение в работу дополнительного котла;
— погодозависимое управление нагрузками.
Не достаток схемы (см. рис. 3):
— проток воды через котел имеет переменный характер;
— через выключенный котел течет теплоноситель.
Для устранения протока сетевой воды через выключенный котел, некоторые фирмы стали отсекать котел от системы при помощи запорной арматуры с управляющим электроприводом, но это не совсем красивое решение.

 

 

3. На рисунке 4 показана гидравлическая схема, которая лишена практически всех выше перечисленных недостатков. В схему введен новый дополнительный элемент К8,

описание которого вы не найдете ни в одном справочнике и СНиП-е. Элемент К8 называют гидравлическим (термогидравлическим) распределителем или в простонародье гидравлическая "стрелка" и т.д.. В журнале АВОК за 2002г. N3 есть статья доктора технических наук П.А. Хаванова, - "Принципиальные тепловые схемы автономных источников теплоснабжения с коллекторами малых перепадов давления", где описывается гидравлический распределитель. Сам по себе гидравлический распределитель представляет собой короткозамкнутый участок, имеющий минимальное гидравлическое сопротивление и выполняет 3 функции:
1. — гидравлическое разделение котельной и нагрузки, т.е. работает золотое правило - котельная и нагрузки работают по своим правилам, не мешая друг другу;
2. — гидравлический распределитель является фильтром отстойником для крупных взвешенных частиц присутствующих в сетевой воде;
3. — гидравлический распределитель является сборником воздуха и деаэратором. Некоторые производители в своих гидравлических распределителях в верхней зоне устанавливают так называемую "отбойную доску", с множеством маленьких отверстий по всей площади. Это помогает интенсивному выделению воздуха из сетевой воды.
Основное требование для нормальной работы гидравлической схемы, что бы объем циркулируемой воды в котловом контуре, превышал в 1/ 2 - 1/5 раза суммарный объем циркулируемой воды во всех контурах нагрузок при максимальной потребности в тепле. Скорость протока воды через гидравлический распределитель должна быть не более 0,1м3/час. Эта гидравлическая схема прекрасно управляется общекотловой автоматикой и работает она действительно как двигатель внутреннего сгорания.



 

Более подробное описание общекотловой автоматики и описание гидравлической схемы показанной на рисунке 4, вы можете посмотреть по интернет адресу: http://www.sura.ru/atm/stat/stat1.html.
Фотографии котельных выполненных по схеме 4, вы можете посмотреть по адресу: http://www.sura.ru/pgk/foto.html.
Описание и работа гидравлического распределителя не плохо описана в проспекте на котлы De Dietrich, это описание можно скачать с сайта по интернет адресу: http://beg.kiev.ua/download/proect.exe. Файл proect.exe является самораспаковывающимся RAR-архивом.
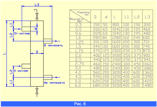
В руки автора попадали еще 2 рисунка с расчетами по изготовлению гидравлического распределителя, один рисунок из г. Самары (см. рис. 5), второй рисунок из г. Мытищи (см. рис. 6) и третий рисунок из проспекта на котлы De Dietrich (см. рис. 7).
По рисункам 5, 6 и 7 видно, что идеология построения гидравлического распределителя очень похожи.

 

 

Существуют и другие решение по построению гидравлических схем, смотрите рисунок 8. Эту гидравлическую схему для своих котлов предложила американская компания "Teledyne Laars" и называется она - "Многокотловые отопительные системы с первичными и вторичными циркуляционными кольцами". Описание этой гидравлической схемы можно посмотреть по интернет адресу: http://otoplenie.com.ru/otp2/gl1.html.

На первый взгляд эта схема коренным образом отличается от предыдущих схем, однако это совсем не так. Обратите внимание на короткозамкнутые участки А и В, расстояние между врезок труб равно 200мм, а это и есть миниатюрные гидравлические распределители, который мы рассматривали выше, только соединены все они последовательно. Если соединить все точки А и В, то мы получим гидравлическую схему показанную на рисунке 4 и лишенную недостатков находящихся в схеме на рисунке 8. Недостатки эти видны не вооруженным взглядом, температура теплоносителя после каждой нагрузки понижается в зависимости от характера нагрузки.
Еще одна часто применяемая гидравлическая схема для приготовления ледяной воды (+1 - +4оС), смотрите на рисунке 9. Опять видно, что это не что иное, как наш гидравлический распределитель, только открытого типа и расположен он горизонтально.

Дальнейшее развития гидравлических схем водогрейных котельных, вряд ли обойдется без гидравлического распределителя и 3-х (4-х) ходовых смесителей в контурах нагрузок.

 

<== предыдущая лекция | следующая лекция ==>
Время – 2 часа | Говоря о подростках, гипогонадизмом называют отсутствие появление вторичных половых признаков у девочек после 13 лет, у мальчиков после 14 лет
Поделиться с друзьями:


Дата добавления: 2015-06-25; Просмотров: 2281; Нарушение авторских прав?; Мы поможем в написании вашей работы!


Нам важно ваше мнение! Был ли полезен опубликованный материал? Да | Нет



studopedia.su - Студопедия (2013 - 2026) год. Все материалы представленные на сайте исключительно с целью ознакомления читателями и не преследуют коммерческих целей или нарушение авторских прав! Последнее добавление




Генерация страницы за: 0.016 сек.