Студопедия

КАТЕГОРИИ:


Архитектура-(3434)Астрономия-(809)Биология-(7483)Биотехнологии-(1457)Военное дело-(14632)Высокие технологии-(1363)География-(913)Геология-(1438)Государство-(451)Демография-(1065)Дом-(47672)Журналистика и СМИ-(912)Изобретательство-(14524)Иностранные языки-(4268)Информатика-(17799)Искусство-(1338)История-(13644)Компьютеры-(11121)Косметика-(55)Кулинария-(373)Культура-(8427)Лингвистика-(374)Литература-(1642)Маркетинг-(23702)Математика-(16968)Машиностроение-(1700)Медицина-(12668)Менеджмент-(24684)Механика-(15423)Науковедение-(506)Образование-(11852)Охрана труда-(3308)Педагогика-(5571)Полиграфия-(1312)Политика-(7869)Право-(5454)Приборостроение-(1369)Программирование-(2801)Производство-(97182)Промышленность-(8706)Психология-(18388)Религия-(3217)Связь-(10668)Сельское хозяйство-(299)Социология-(6455)Спорт-(42831)Строительство-(4793)Торговля-(5050)Транспорт-(2929)Туризм-(1568)Физика-(3942)Философия-(17015)Финансы-(26596)Химия-(22929)Экология-(12095)Экономика-(9961)Электроника-(8441)Электротехника-(4623)Энергетика-(12629)Юриспруденция-(1492)Ядерная техника-(1748)

Дифференцирующие и интегрирующие схемы на основе ОУ




ЛАБОРАТОРНАЯ РАБОТА N8

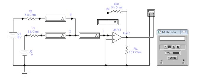
Включите схему, повторите измерения и расчеты

7. Откройте файл lab 7/7_6, проделайте пункты 5 и 6 для инвертирующего усилителя.

Содержание отчета

1. Цель работы.

2. Исследуемые схемы.

3. Входные токи ОУ.

4. Напряжение смещения ОУ.

5. Входное и выходное напряжение ОУ.

6. Время нарастания выходного напряжения ОУ.

7. Коэффициент усиления и постоянная составляющая инвертирующего и неинвертирующего ОУ.

Контрольные вопросы

1. Отличаются ли все измеренные значения от номинальных значений для ОУ LM741, взятого из его паспортных данных.

2. Какие основные требования предъявляются к ОУ.

3. С какой целью используется в ОУ схемы генераторов тока и «токового зеркала».

4. Основные параметры ОУ

5. Отличие передаточных характеристик ОУ по инвертирующему и неинвертирующему входам.

6. Природа протекания входного тока ОУ.

7. Вид ЛАЧХ.

8. Зачем во входном каскаде ОУ используется дифференциальный усилитель.

9. Чем определяется постоянная составляющая выходного сигнала.

10. Почему коэффициент усиления инвертирующего усилителя не может быть меньше единицы.

 

Паспортные данные ОУ LM741:

- средний входной ток (Input bias current) 0,08мкА

- разность входных токов (Input offset current) 0,02мкА

- напряжение смещения (Input offset voltage) 1mВ

- входное сопротивление (Input resistance) 2Мом

- выходное сопротивление (Output resistance) 75Ом

- скорость нарастания выходного напряжения (Slew rat) 0,5В/мкс

 

Суммирование напряжений в схемах на операционных усилителях.

Цель работы: Анализ работы схемы суммирующего усилителя на ОУ. Исследование суммирования двух постоянных входных напряжений. Исследование суммирования постоянного и переменного напряжения. Исследование суммирования двух переменных напряжений. Исследование схемы интегратора. Исследование схемы дифференциатора. Анализ влияния входных воздействий на выходной сигнал интегратора и дифференциатора. Исследование влияния параметров элементов интегратора и дифференциатора на выходной сигнал.

Приборы и элементы:

Приборы и элементы Расположение на панели Приборы и элементы Расположение на панели
Резисторы Basic ОУ LM741 Analog ICs
Мультимер Indicators Функциональный генератор Instrument
Амперметр Indicators Осциллограф Instrument
Источник напряжения Sources Конденсаторы Basic

Теоретическое введение:

В суммирующем усилителе (рис.8.1), пренебрегая входными токами и напряжением смещения, выполняются следующие соотношения:

Из полученных соотношений можно получить следующее выражение для выходного напряжения при условии

рис 8.1

Интегратором называется электронное устройство, выходной сигнал которого пропорционален интегралу по времени от его входного сигнала.

Дифференциатором называется электронное устройство, выходной сигнал которого пропорционален производной от его входного сигнала.

На основе ОУ можно построить почти идеальные интеграторы. Простейшая схема интегратора показана на рис.8.2. Её выходное напряжение связано с входным напряжением следующими соотношениями:

 
 

Рис. 8.2

Недостатком этой схемы является дрейф выходного напряжения, обусловленный напряжением смещения и входными токами ОУ. Если к конденсатору подключить резистор с большим сопротивлением (рис.8.3), обеспечивающий стабилизацию рабочей точки за счет обратной связи по постоянному току, то этого можно избежать.

 

 

Рис.8.3

Резистор обратной связи предотвращает также насыщение ОУ после заряда конденсатора, тогда ток через конденсатор станет равным нулю. Выходное напряжение этой схемы при подаче на неё скачка входного напряжения с амплитудой изменяется в соответствии с выражением:

На начальном интервале переходного процесса при , изменение выходного напряжения будет достаточно близко к линейному и скорость его изменения может быть вычислена из выражения:

Для схемы дифференциатора (рис.8.4) выходное напряжение пропорционально скорости изменения входного сигнала и вычисляется по формуле:

 

рис.8.4




Поделиться с друзьями:


Дата добавления: 2015-06-04; Просмотров: 2229; Нарушение авторских прав?; Мы поможем в написании вашей работы!


Нам важно ваше мнение! Был ли полезен опубликованный материал? Да | Нет



studopedia.su - Студопедия (2013 - 2025) год. Все материалы представленные на сайте исключительно с целью ознакомления читателями и не преследуют коммерческих целей или нарушение авторских прав! Последнее добавление




Генерация страницы за: 0.011 сек.