Студопедия

КАТЕГОРИИ:


Архитектура-(3434)Астрономия-(809)Биология-(7483)Биотехнологии-(1457)Военное дело-(14632)Высокие технологии-(1363)География-(913)Геология-(1438)Государство-(451)Демография-(1065)Дом-(47672)Журналистика и СМИ-(912)Изобретательство-(14524)Иностранные языки-(4268)Информатика-(17799)Искусство-(1338)История-(13644)Компьютеры-(11121)Косметика-(55)Кулинария-(373)Культура-(8427)Лингвистика-(374)Литература-(1642)Маркетинг-(23702)Математика-(16968)Машиностроение-(1700)Медицина-(12668)Менеджмент-(24684)Механика-(15423)Науковедение-(506)Образование-(11852)Охрана труда-(3308)Педагогика-(5571)Полиграфия-(1312)Политика-(7869)Право-(5454)Приборостроение-(1369)Программирование-(2801)Производство-(97182)Промышленность-(8706)Психология-(18388)Религия-(3217)Связь-(10668)Сельское хозяйство-(299)Социология-(6455)Спорт-(42831)Строительство-(4793)Торговля-(5050)Транспорт-(2929)Туризм-(1568)Физика-(3942)Философия-(17015)Финансы-(26596)Химия-(22929)Экология-(12095)Экономика-(9961)Электроника-(8441)Электротехника-(4623)Энергетика-(12629)Юриспруденция-(1492)Ядерная техника-(1748)

Расчет усилителя мощности 7




Калининград


УТВЕРЖДЕНО

 

 

АВТОРЫ

 

 

РЕЦЕНЗЕНТ

 

Ó Калининградский государственный технический университет, 2002 г.

 

 


Содержание

Общие организационно-методические указания 4

Литература 5

Методические указания по выполнению курсовой работы 5

Содержание курсовой работы 6

Таблицы вариантов заданий 7

Пример 1 Расчет бестрансформаторного усилителя мощности с однополярным питанием 8

Пример 2. Расчет бестрансформаторного усилителя мощности в двухполярным питанием 13

Пример 3. Расчет бестрансформаторного усилителя мощности с двухполярным питанием 17

Пример 4. Расчет компенсационного стабилизатора напряжения с изменяющимся уровнем ограничения тока и использованием ОУ 24

Пример 5. Расчет импульсного стабилизатора напряжения с ограничением тока в ШИМ с использованием микросхемы A78 S40 фирмы Fairchild 27

Пример 6. Расчет импульсного стабилизатора напряжения с ограничением тока и ШИМ с использованием интегрального таймера КР1006ВИ (LМ555) 31

Пример 7. Расчет мостового выпрямителя с емкостным фильтром 36

Пример 8. Расчет сглаживающего LC-фильтра 38

Пример 9. Расчет силового трансформатора 39

Оформление расчетно-пояснительной записки 41

Приложения 42


ОБЩИЕ ОРГАНИЗАЦИОННО-МЕТОДИЧЕСКИЕ УКАЗАНИЯ

 

Курсовая работа по расчету усилителя мощности со стабилизированным источником питания выполняется студентами на третьем курсе. Основными задачами, решаемыми в ходе её выполнения, являются:

1) овладение методами расчета наиболее распространенных электронных устройств, применяемых в современных системах автоматизации;

2) умение пользоваться технической я справочной литературой при обосновании выбора электро-радиоэлементов;

3) составление документации я оформление графических материалов в соответствии о требованиями ЕСКД и ГОСТов.

Методические указания включают табл. 1 вариантов заданий, список рекомендуемой литературы, методические разработки по выполнению расчетов электронных узлов, программы расчета параметров некоторых электронных узлов на ЭВМ.

Данные для выполнения задания определяются из таблицы по последней и предпоследней цифрам номера (цифра) зачетной книжки студента.

Работы, выполненные не по своему варианту, не зарегистрированные методистом заочного отделения к на соответствующей кафедре, к защите не принимаются.

Курсовая работа состоит из двух основных частей: расчетно-пояснительной записки и графических материалов.

При оценке курсовой работы учитываются знание студентом принципа работы схем, отдельных электронных элементов, самостоятельность принятых решений, качество расчетной части и оформления графических материалов.


ОБЩИЙ ПЕРЕЧЕНЬ РЕКОМЕНДУЕМОЙ ЛИТЕРАТУРЫ

Основная

1. Разработка и оформление конструкторской документации РЭА: Справочное пособие: э.Т. Романычева, А.К. Иванова, А.С. Куликов, Т.П. Новикова, - М.: Радио и связь, 1984. – 256 с.

2. Цифровые и аналоговые интегральные микросхемы: справочник: С.В. Якубовский, Л.И. Ниссельсон, В.И. Кулешова и др./Под ред. С.В. Якубовского. – М.: Радио и связь, 1989. – 496 с.

3. Источники электропитания радиоэлктронной аппаратуры: Справочник: Г.С. Найвельт, К.Б. Мазель., Ч.И. Хусаинов и др./ Под ред. Г.С. Найвельта. – М.: Радио и связь, 1985. – 576 с.

4. Резисторы: Справочник: В.В. Дубовский, Д.М. Иванов, Н.Я. Пратусевич и др./ Под общ. ред. И.И. Четверткова и В.М. Терехова. – М.: Радио и связь, 1987. – 352 с.

5. полупроводниковые приборы: транзисторы: справочник; В.А. Аронов, А.В. Баюков, А.А. Зайцев и др./ Под общ. ред. Н.Н. Горюнова. – М.: Энергоиздат, 1982. – 904 с.

6. Полупроводниковые приборы: диоды, тиристоры, оптоэлектронные приборы: справочник; А.В. Баюков, А.Б. Гитцевич, А.А. Зайцев и др./ Под общ. ред. Н.Н. Горюнова. – М.: Энергоиздат, 1982. – 744 с.

7. Микросхемы для бытовой аппаратуры: Справочник; И.В. Новаченко, В.М. Петухов, И.Ш. Блудов, А.В. Юровский. – М.: Радио и связь, 1989. – 384 с.

8. Справочник по электрическим конденсаторам; М.Н. Дьяконов, В.И. Карабанов, В.и. Присняков и др./ Под общ. ред. И.И. Четверткова и В.Ф. Смирнова. – М.:.: Радио и связь, 1983. – 576 с.

9. Титце У., Шепк К. Полупроводниковая схемотехника: справочное руководство: пер с нем. – м: Мир, 1982. – 512 с.

10. Герасимов В.Г., Князьков О. М., Сухоруков В.В. основы промышленной электроники: учебн. Для неэлектр. Спец. вузов/ Под ред. В.Г. Герасимова. 3-е изд., переработ. И доп. – М: Высш. Школа, 1986. – 320 с.

11. Горбачев Г.Н, Чаплыгин Е.Е. Промышленная электроника: учебник для вузов / Под ред. В.А. Лабунцова, - М.: Энергоатомиздат, 1988. – 320 с.

12. Быстров Ю.А., Мироненко И.Г. Электронные цепи и устройства: Учебное пособие для электротехн. и энерг. вузов. - М: Высш. школа, 1989. - 287 с.

 

Дополнительная

13. Микросхемы и их применение: Справ. пособие; В.А. Батушев, В.Н. Вениаминов, В.Г. Ковалев и др. - М.: Радио и связь, 1984. - 272 с.

14. ГОСТ 2.710-81. Обозначения буквенно-цифровые в электрических схемах.

15. ГОСТ 2.730-73. Обозначения условные графические в схемах. Приборы полупроводниковые.

16. Расчет электронных схем. Примеры и задачи: Учебн. пособ, для вузов; Г.И. Изьюрова, Г.В. Королев, В.А.. Терехов и др.- Высш. шк., 1987. - 335 с.

I7. Фишер Д.Э., Гетланд Х.Б. Электроника - от теории к практике. - М.: Энергия, I960. - 278 с.

18. Дьяконов В.П. Справочник по алгоритмам и программам на языке бейсик для персональных ЭВМ: Справочник. - М.: Наука, | 1982. - 240 с.

 


ОБЩИЕ МЕТОДИЧЕСКИЕ УКАЗАНИЯ ПО ВЫПОЛНЕНИЮ КУРСОВОЙ РАБОТЫ

СОДЕРЖАНИЕ КУРСОВОЙ РАБОТЫ

Самостоятельно выполненная курсовая работа при соответствующей проработке теоретического материала способствует усвоению курса. Поэтому перед выполнением каждого её раздела необходимо изучить теоретический материал, наложенный в соответствующих главах литературы (2,3,9...12).

Усилитель мощности и стабилизированный источник питания являются одними из наиболее распространенных узлов электронных устройств автоматики. В задачу курсовой работы входит расчет усилителя мощности и стабилизированного источника питания.

В методических указаниях рассматриваются примеры расчет электронных схем, которые студентами могут быть использованы в соответствии со своими заданиями. Допускается также применять другие схемотехнические решения, элементную базу, методики расчета. Но их характеристики не долины быть хуже тех, которые имеют схемы, рассматриваемые в методических указаниях.

Структурная, схема усилителя мощности с источником питания приведена на рис.1.

Рис. 1. Структурная схема усилителя мощности с источником питания

 

1 - усилитель мощности; 2 - стабилизатор напряжения; 3 - сглаживающий фильтр; 4 - выпрямитель; 5 - силовой трансформатор;

и - переменное напряжение входного и выходного сигналов усилителя мощности;

- сопротивление нагрузки;

и - постоянное напряжение на входе и выходе фильтра;

- действующее значение напряжения на вторичной обмотке трансформатора;

- сетевое напряжение.


РАСЧЕТ УСИЛИТЕЛЯ МОЩНОСТИ

Усилители мощности применяются для усиления сигнала с целью обеспечения заданной мощности в нагрузке. Усилители мощности бывают однотактные и двухтактные. Однотактные усилители часто применяют при относительно малых мощностях. Как правило, в однотактной схеме выходной транзистор работает в режиме А, в двухтактной схеме выходные транзисторы - в режимах АВ или В. Усилители мощности подразделяют на трансформаторные и бестрансформаторные. Для питания усилителей используются один или два источника напряжения.

К основным характеристикам усилителя мощности относятся мощность в нагрузке, КПД, полоса, пропускания, коэффициент нелинейных искажений, напряжение питания и некоторые другие.

При расчете усилителя мощности обычно бывают заданы мощность в нагрузке и сопротивление нагрузки. Расчет усилителей мощности производится графоаналитическим или аналитическим методом.

Ниже приведены примеры расчетов.

Таблица 1

 

Примечание.

Расшифровка обозначения вариантов задания:

1-е число указывает выходную мощность усилителя напряжения в Вт;

буква указывает на тип усилителя мощности (УМ), при этом приняты следующие обозначения:

А - двухполярный УМ с непрерывным стабилизатором напряжения;

В - двухполярный УМ с импульсным стабилизатором напряжения;

С - однополярный, УМ с непрерывным стабилизатором напряжения;

Д - однополярный УМ с импульсным стабилизатором напряжения;

2-е число (цифра после буквы) указывает величину сопротивления нагрузки в Ом.

Пример варианта задания: 10A4 - означает, что = 10 Вт, двухполярный УМ с непрерывным стабилизатором напряжения,


Пример 1

Расчет бестрансформаторного усилителя мощности с однополярным питанием.

 

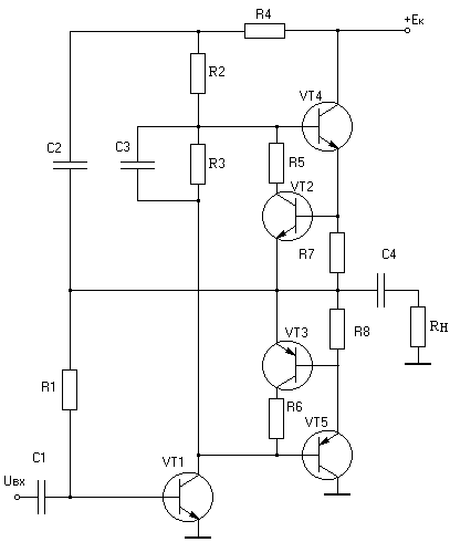
Принципиальная электрическая схема усилителя мощности (УМ) приведена на рис. 2.

 

Принципиальная электрическая схема УМ с однополярным питанием

Рис. 2

 

 

Транзистор VT1 УМ работает в режиме А. Выходные транзисторы VT4, VT5 работают в режиме АВ. "Вольт-добавка" в схеме осуществляется с помощью конденсатора C2. На транзисторах VT2, VT3 собрана защита УМ от перегрузки, которая работает следующим образом. При большом входном сигнале (больше номинального) в выходном каскаде может возникнуть перегрузка транзисторов VТ4, VT5 по току вследствие увеличения напряжения источника питания больше номинального или подключения к УМ сопротивления нагрузки меньше номинального. Когда ток в нагрузке имеет номинальное значение, то он вызывает малое падение напряжения на резисторах R7, R8, поэтому транзисторы VT2, VT3 закрыты. При увеличении тока нагрузки возрастает падение напряжения на резисторах R7, R8 и транзисторы VT2, VT3 приоткрываются и прикрывают транзисторыVT4,VT5, тем самым ограничивая значение выходного тока на уровне максимально допустимого.

Исходные данные для расчета:

- максимальная выходная мощность усилителя, Вт;

-сопротивление нагрузки, Ом.

1. Определяем мощность, отдаваемую выходным транзистором VТ4 в нагрузку.

2. Находим амплитуду тока коллектора транзистора VT4 =

3. Вычисляем амплитуду выходного напряжения

4. Находим напряжение питания УМ

,

где - остаточное напряжение насыщения коллектор-эмиттер транзистора VT4;

= 0,5…0,6 для кремниевых транзисторов;

= 0,2... 0,3 для германиевых транзисторов.

5. Вычисляем мощность, рассеиваемую транзистором VT4 за период сигнала:

6. Из справочника (5) выбираем типы транзисторов VT4, VT5, составляющих комплементарную пару, с примерно одинаковыми параметрами из условия

где - максимальное напряжение коллектор-эмиттер выбранного типа транзистора;

- максимальный импульсный ток коллектора;

P к - максимальная мощность транзистора на коллекторе. Выписываем основные технические данные выбранных типов транзисторов VT4, VT5.

7. Вычерчиваем из справочника семейство статических выходных и входных характеристик транзистора VT4, если они имеются. На рис. 3 приведено семейство статических выходных и входных характеристик транзистора.

8. На семействе выходных ВАХ транзистора вычерчиваем динамическую нагрузочную характеристику. Выбираем положение точки покоя транзисторов VT4, VT5. Определяем с помощью графиков значения

Семейство а/ выходных и б/ входных характеристик транзистора




Поделиться с друзьями:


Дата добавления: 2015-06-04; Просмотров: 2455; Нарушение авторских прав?; Мы поможем в написании вашей работы!


Нам важно ваше мнение! Был ли полезен опубликованный материал? Да | Нет



studopedia.su - Студопедия (2013 - 2026) год. Все материалы представленные на сайте исключительно с целью ознакомления читателями и не преследуют коммерческих целей или нарушение авторских прав! Последнее добавление




Генерация страницы за: 0.011 сек.