Студопедия

КАТЕГОРИИ:


Архитектура-(3434)Астрономия-(809)Биология-(7483)Биотехнологии-(1457)Военное дело-(14632)Высокие технологии-(1363)География-(913)Геология-(1438)Государство-(451)Демография-(1065)Дом-(47672)Журналистика и СМИ-(912)Изобретательство-(14524)Иностранные языки-(4268)Информатика-(17799)Искусство-(1338)История-(13644)Компьютеры-(11121)Косметика-(55)Кулинария-(373)Культура-(8427)Лингвистика-(374)Литература-(1642)Маркетинг-(23702)Математика-(16968)Машиностроение-(1700)Медицина-(12668)Менеджмент-(24684)Механика-(15423)Науковедение-(506)Образование-(11852)Охрана труда-(3308)Педагогика-(5571)Полиграфия-(1312)Политика-(7869)Право-(5454)Приборостроение-(1369)Программирование-(2801)Производство-(97182)Промышленность-(8706)Психология-(18388)Религия-(3217)Связь-(10668)Сельское хозяйство-(299)Социология-(6455)Спорт-(42831)Строительство-(4793)Торговля-(5050)Транспорт-(2929)Туризм-(1568)Физика-(3942)Философия-(17015)Финансы-(26596)Химия-(22929)Экология-(12095)Экономика-(9961)Электроника-(8441)Электротехника-(4623)Энергетика-(12629)Юриспруденция-(1492)Ядерная техника-(1748)

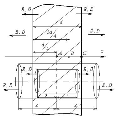
Решение. Рис.1.10 Для решения задачи применим метод Гаусса




 

Рис.1.10
Для решения задачи применим метод Гаусса. Из условия следует, что заряд, сообщенный листу стекла извне (его принято называть свободным зарядом) распределен в пространстве симметрично относительно плоскости, проходящей через точку А перпендикулярно оси х (см. рис.1.8). Поэтому есть основание утверждать, что электрическое поле симметрично относительно этой плоскости. Кроме того, так как мы рассматриваем диэлектрик, находящийся в электрическом поле, то чтобы исключить рассмотрение влияния поляризационных зарядов диэлектрика, теорему Гаусса следует применять для вектора электрического смещения . Полагая, что точки А,В,С достаточно удалены от краев листа стекла, можно считать, что линии вектора в любой точке расположены параллельно оси х. Исходя из этого, будем выбирать гауссову поверхность в виде цилиндра, образующие которого параллельны оси х, а основания перпендикулярны к ней и расположены от плоскости симметрии на равном расстоянии.

Начало координат оси х расположим в точке А.

Разобьем пространство на две области:

1. . Поток вектора электрического смещения через выбранную поверхность

равен

Первый интеграл равен нулю, так как линии вектора не пересекают боковую поверхность цилиндра. Второй и третий интегралы равны по признаку симметрии.

Свободный заряд, попавший внутрь выбранной поверхности, равен

 

.

 

По теореме Гаусса

 

Рис.1.8
.

 

 

Отсюда внутри листа стекла.

Известно, что в том случае, когда диэлектрик полностью заполняет пространство между двумя эквипотенциальными поверхностями, связь между электрическим смещением и напряженностью поля выражается весьма просто:

.

Это же справедливо и для модулей векторов. Тогда напряженность электрического поля внутри стекла равна .

2. . Поток вектора электрического смещения через поверхность цилиндра, как и в предыдущем случае выражается формулой .

 

Свободный заряд, попавший внутрь гауссовой поверхности, в этом случае равен

.

По теореме Гаусса .

Тогда , а напряженность, соответственно , так как вне стекла e = 1. Таким образом, вне листа стекла поле является однородным, его напряженность не зависит от координат.

Рис.1.9


Рис.1.11
Теперь построим график зависимости

модуля вектора напряженности от координаты х (рис.1.9).

Отметим, что при переходе из стекла в воздух модуль напряженности скачком увеличивается в e раз.

Найдем теперь численные значения напряженности Е в точках А,В,С (рис.1.9).

1. Точка А: х = 0; ЕА = 0.

2. Точка В: х = d/4; .

3. Точка С: х = d/2; ЕС имеет два значения:

а) внутри стекла ;

б) вне стекла .

 

Ответ: ЕА = 0; ЕВ = 80,7 В/м; ЕС1 = 161,4 В/м, ЕС2 = 1130 В/м.

 

Пример 5. Эбонитовый сплошной шар (e = 3) радиуса R = 5 см несет заряд, равномерно распределенный с объемной плотностью r = 10 нКл/м3. Определить напряженность электрического поля в точках: 1) на расстоянии r1 = 3 см от центра шара; 2) на поверхности шара; 3) на расстоянии r3 = 10 см от центра шара. Построить график зависимости Е(r).




Поделиться с друзьями:


Дата добавления: 2015-06-04; Просмотров: 411; Нарушение авторских прав?; Мы поможем в написании вашей работы!


Нам важно ваше мнение! Был ли полезен опубликованный материал? Да | Нет



studopedia.su - Студопедия (2013 - 2026) год. Все материалы представленные на сайте исключительно с целью ознакомления читателями и не преследуют коммерческих целей или нарушение авторских прав! Последнее добавление




Генерация страницы за: 0.012 сек.