Студопедия

КАТЕГОРИИ:


Архитектура-(3434)Астрономия-(809)Биология-(7483)Биотехнологии-(1457)Военное дело-(14632)Высокие технологии-(1363)География-(913)Геология-(1438)Государство-(451)Демография-(1065)Дом-(47672)Журналистика и СМИ-(912)Изобретательство-(14524)Иностранные языки-(4268)Информатика-(17799)Искусство-(1338)История-(13644)Компьютеры-(11121)Косметика-(55)Кулинария-(373)Культура-(8427)Лингвистика-(374)Литература-(1642)Маркетинг-(23702)Математика-(16968)Машиностроение-(1700)Медицина-(12668)Менеджмент-(24684)Механика-(15423)Науковедение-(506)Образование-(11852)Охрана труда-(3308)Педагогика-(5571)Полиграфия-(1312)Политика-(7869)Право-(5454)Приборостроение-(1369)Программирование-(2801)Производство-(97182)Промышленность-(8706)Психология-(18388)Религия-(3217)Связь-(10668)Сельское хозяйство-(299)Социология-(6455)Спорт-(42831)Строительство-(4793)Торговля-(5050)Транспорт-(2929)Туризм-(1568)Физика-(3942)Философия-(17015)Финансы-(26596)Химия-(22929)Экология-(12095)Экономика-(9961)Электроника-(8441)Электротехника-(4623)Энергетика-(12629)Юриспруденция-(1492)Ядерная техника-(1748)

Определение этапов и методов обработки




Нумерация поверхностей

 

 

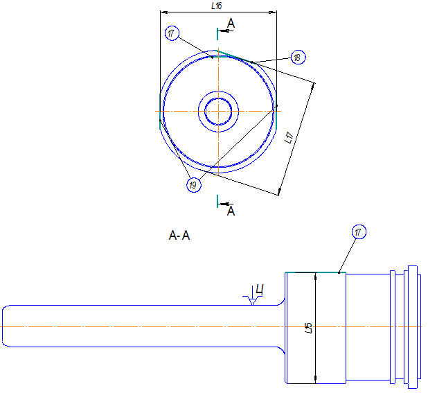
Нумерацию поверхностей производим в предполагаемой последовательности обработки, согласно выработанной ранее концепции. При этом поверхности, имеющие размеры, расположенные в одной координатной плоскости, нумеруем характерным образом, например, только нечётными числами. Пронумеровав поверхности в одной плоскости, переходим к другой и нумеруем оставшиеся поверхности опять сначала. В конце нумеруем поверхности явно не относящиеся ни к одной плоскости оставшимися цифрами. Буквами X и Y обозначаем соответствующие плоскости симметрии детали.

Такой метод нумерации поверхностей удобен для последующего проведения размерного анализа, который выполняется по координатным осям.


 

Рисунок 3.1 – Нумерация поверхностей


Механическая обработка металлов подразделяется на несколько этапов, для каждого из которых характерны определѐнные показатели точности и качества поверхности. Согласно этим критериям назначаем количество этапов обработки каждой пронумерованной поверхности. Объѐм обработки назначается по этапу, соответствующему заданному состоянию поверхности на чертеже детали. Если шероховатость поверхности и точность (квалитет) попадают в разные этапы, то номер этапа принимается по более жѐстким требованиям.

Последовательность обработки каждой пронумерованной поверхности представлена в таблице 3.1.

Таблица 3.1 – Этапы и методы обработки

I этап II этап III этап
14-10 кв Ra ≥6,3 11-10 кв Ra ≥1,6 9-8 кв Ra ≥0,2
  Подрезать однократно    
  Сверлить, рассверлить    
  Сверлить отверстие    
  Расточить фаску    
  Сверлить отверстие    
  Точить предварительно Точить окончательно  
  Сверлить отверстие    
  Точить предварительно Точить окончательно Точить тонко
  Подрезать однократно    
  Обточить однократно    
  Расточить канавку    
  Точить предварительно Точить окончательно  
  Сверлить отверстие    
  Фрезеровать однократно    
  Подрезать однократно    
  Цековать отверстие    
  Подрезать однократно    
  Точить однократно    
  Точить канавку    
  Точить однократно    
  Подрезать предварительно Подрезать окончательно  
  Точить однократно    
  Подрезать однократно    
  Точить предварительно Точить окончательно  
  Подрезать однократно    
  Расточить фаску    
  Расточить предварительно Расточить окончательно Расточить тонко
  Расточить канавку    
  Фрезеровать однократно    
  Фрезеровать однократно    
  Фрезеровать однократно    
  Точить фаску    
             

3.4. Маршрут обработки – БАЗОВЫЙ вариант

 

  Горизонтально-расточная
Переходы: 1. Установить и снять. 2. Центровать торцы 1,8.
Инструмент Ä Режущий:   Центровочное сверло
Оснастка: Приспособление специальное
Оборудование: РС-80
     

  Токарно-винторезная
Переходы: 1. Установить и снять. 2. Точить поверхность 3. 3. Подрезать торец 4. 4. Скруглить радиус 11.
Инструмент: Ä Режущий:     Резец проходной  
Оснастка: Патрон 3х кулачковый, центр вращающийся.
Оборудование: ТВ-31-14

  Токарно-винторезная
 
Переходы: 1. Установить и снять. 2. Подрезать торец 8. 3. Точить поверхность 5 по операционному эскизу, подрезать торец 18. 4. Точить поверхность 7
Инструмент: Ä Режущий:     Резец проходной  
Оснастка: Патрон 3х кулачковый
Оборудование: ТВ-31-14
     

  Токарно-винторезная
 
Переходы: 1. Установить и снять. 2. Сверлить глухое отверстие 12. 3. Расточить поверхность 12. 4. Скруглить радиус 19.
Инструмент: Ä Режущий:     Сверло, резец расточной.
Оснастка: Патрон 3х кулачковый
Оборудование: ТВ-31-14

 

  Токарно-винторезная
   
Переходы: 1. Установить и снять. 2. Обработать отверстие под рым болт 2а 3. Подрезать торец 1  
Инструмент: Ä Режущий:     Резец проходной, сверло.  
Оснастка: Патрон 3х кулачковый, люнет  
Оборудование: ТВ-31-14  
030-045 Слесарная, Контрольная, Термическая Токарно-винторезная
Переходы: 1. Установить и снять. 2. Подрезать торец 1. 3. Переустановить деталь 4. Подрезать торец поверхности 24.
Инструмент: Ä Режущий:     Резец проходной.
Оснастка: Патрон 3х кулачковый, люнет
Оборудование: ТВ-31-14
         

  Токарная с ЧПУ
Переходы: 5. Установить и снять. 6. Подрезать торец 1 по чертежу. 7. Точить поверхность 2. 8. Подрезать торец 8 по чертежу. 9. Точить поверхность 7 по чертежу. 10. Точить поверхность 14. 11. Точить поверхность 13, подрезать торец 9 одновременно
Инструмент: Ä Режущий:     Резец MC- 2210, Резец 16P-1050  
Оснастка: Вращающийся центр
Оборудование: ТП-31-25
     

  Токарная с ЧПУ
Переходы: 1. Установить и снять. 2. Точить пов.10. 3. Расточить канавку 27,28
Инструмент: Ä Режущий:     Резец mc 2210  
Оснастка: Патрон разрезн. ∅110,8
Оборудование: ТП-31-25
     

  Кругло-шлифовальная
Переходы: 1. Установить и снять. 2. Шлифовать пов. 2. 3. Переустановить и закрепить 4. Шлифовать пов. 14 до ∅110f 5. Сдать ОТК
Инструмент: Ä Режущий:     Шлифовальный круг  
Оснастка: Оправка
Оборудование: ШКП-24-20
     

  Токарно-винторезная
Переходы: 1. Установить и снять. 2. Заправить недоход от шлифовального круга пов.14,2 3. Точить фаски 23, 24, 25 4. Полировать пов. 5,6, полировать фаску 25.
Инструмент: Ä Режущий:     Резец f=15°  
Оснастка: Патрон 3х кулачковый, люнет
Оборудование: ТВ-31-14
     

  Токарно-винторезная
Переходы: 1. Установить и снять. 2. Выверить биение патрона до 0,03 3. Обточить пов. 12, с подрезкой торца 24. 4. Обточить канавку пов. 15,16, полировать
Инструмент: Ä Режущий:     Резец 16Р  
Оснастка: Патрон разрезн. ∅110
Оборудование: ТВ-31-14
     

  Вертикально-фрезерная
Переходы: 1. Установить и снять. 2. Фрезеровать лыски пов. 17,18,19.
Инструмент: Ä Режущий:     Фреза торцевая  
Оснастка: Оправка цанговая, головка.
Оборудование: ФВ-14

  Радиально-сверлильная
 
Переходы: 1. Установить и снять. 2. Сверлить отв 4. 3. Зенкеровать отв. пов. 4 в р-р чертежа 4. Зенковать фаску 1х45°
Инструмент: Ä Режущий: Ä Вспомогательный:   Сверло, Зенкер ∅25H11ГОСТ12489-71 Патрон сверлильный
Оснастка: Болты, Планка
Оборудование: Радиально-сверлильный
     

  Токарно-винторезная
Переходы: 1. Установить и снять. 2. Полировать отв. 10, фаску 23.
Инструмент: Ä Режущий:     Резец расточной
Оснастка: Патрон разрезн ∅110
Оборудование: ТВ-34-14

  Разметочная Радиально-сверлильная
Переходы: 1. Установить и снять. 2. С переустановкой детали сверлить отв. 21,25,26,29 в р-р Ч.
Инструмент: Ä Режущий: Ä Вспомогательный:   Сверло, зенкер Патрон сверлильный
Оснастка: Болты планки
Оборудование: СН-2
  Контрольная Слесарная

3.5. Маршрут обработки – ПРОЕКТНЫЙ вариант

  Многоцелевая
Переходы: 1. Установить и снять. 2. Подрезать торец 1 однократно. 3. Сменить инструмент. 4. Центровать торец 1. 5. Сменить инструмент. 6. Точить поверхности 6, 8 предварительно, подрезать торец 9 однократно, обточить радиус 10 однократно одновременно. 7. Повернуть инструмент. 8. Точить поверхности 6, 8 окончательно. 9. Сменить инструмент. 10. Сверлить сквозные отверстия 3, 5, 7. 11. Сменить инструмент. 12. Точить поверхность 8 по контуру тонко. 13. Сменить позицию детали. 14. Точить поверхность 22 однократно, подрезать торец 25 однократно одновременно. 15. Точить поверхность 12 предварительно, подрезать торец буртика 21 предварительно, точить фаску 38 однократно одновременно. 16. Повернуть инструмент. 17. Точить поверхность 12 окончательно, подрезать торец буртика 21 окончательно, одновременно. 18. Точить поверхность 24 предварительно, подрезать торец буртика 23 однократно одновременно 19. Точить поверхность 24 окончательно. 20. Повернуть инструмент. 21. Точить поверхность 18 однократно, подрезать торцы 15,17 однократно одновременно. 22. Фрезеровать поверхности 14, 32, 34, 36 однократно. 23. Сменить инструмент. 24. Сверлить отверстие 13. 25. Сменить инструмент. 26. Сверлить отверстие 16. 27. Сменить инструмент. 28. Точить канавку 20. 29. Сменить инструмент. 30. Расточить поверхность 28 предварительно, подрезать торец 11 однократно одновременно. 31. Сменить инструмент. 32. Расточить поверхность 28 окончательно, расточить канавку 30 одновременно. 33. Расточить поверхность 28 тонко, расточить фаску 26 одновременно.
Оснастка: Патрон 3-кулачковый, люнет.
Оборудование: Многоцелевой токарно-обрабатывающий центр Mazak INTEGREX 200-IIIST
005, продолжение Многоцелевая
Инструмент: Ä Режущий:       Сверло центровочное HC3 Flash tools - CoroPlex MT M-40C8-39018C12D11 Режущие пластины: CoroTurn 107 CCMT 12мм CCMT 12 04 08-PM 4325  
Оснастка: Патрон 3-кулачковый, люнет.
005, продолжение Многоцелевая
Инструмент: Ä Режущий:       Flash tools - CoroPlex MT M-40C8-39018C12D11 Режущие пластины: CoroTurn 107 CCMT 12мм CCMT 12 04 08-PM 4325 CoroTurn 107 DCMT 11мм DCMT 11 T3 08-PMC 4325  
Оснастка: Патрон 3-кулачковый, центр вращающийся.
005, продолжение Многоцелевая
Инструмент: Ä Режущий:   Ä Вспомогательный:   Сверло   Патрон сверлильный
Оснастка: Патрон 3-кулачковый, центр вращающийся.
     

005, продолжение Многоцелевая
Инструмент: Ä Режущий:       Flash tools - CoroPlex MT M-40C8-39018C12D11 Режущие пластины: CoroTurn 107 CCMT 12мм CCMT 12 04 08-PM 4325 CoroTurn 107 DCMT 11мм DCMT 11 T3 08-PMC 4325
Оснастка: Патрон 3-кулачковый.

 

  005, продолжение Многоцелевая
 
  Инструмент: Ä Режущий:     Flash tools - CoroPlex MT M-40C8-39018C12D11 Режущие пластины: CoroTurn 107 DCMT 11мм DCMT 11 T3 08-PMC 4325  
  Оснастка: Патрон 3-кулачковый.
  005, продолжение Многоцелевая
 
  Инструмент: Ä Режущий:   Ä Вспомогательный:   Flash tools - CoroPlex MT M-40C8-39018C12D11 Режущие пластины: CoroTurn 107 CCMT 12мм CCMT 12 04 08-PM 4325 CoroTurn 107 DCMT 11мм DCMT 11 T3 08-PMC 4325 CoroMill 390 R390 18мм R390-18 06 08H-ML 2040 CoroCut® 1-2 C3-RF123E15-22055B Режущая пластина N123E2-0200-0002-GM 4225   Оправка CoroCut® 1-2 C3-RF123E15-22055B
  Оснастка: Патрон 3-кулачковый.
  005, продолжение Многоцелевая
 
  Инструмент: Ä Режущий:   Ä Вспомогательный:   Flash tools - CoroPlex MT M-40C8-39018C12D11 Режущие пластины CoroMill 390 R390 18мм R390-18 06 Сверло, цековка   Патрон сверлильный
  Оснастка: Патрон 3-кулачковый.
  005, продолжение Многоцелевая
 
  Инструмент: Ä Режущий:     Ä Вспомогательный:   Режущие пластины CoroTurn® 107: TCMX 16 T3 08-WM 4205 VBMT 16 04 12-PF 4015 Оправка CoroTurn® 107 A32T-STFCR 16 Резцовая головка CoroTurn® 107 SL-SVLBR-32-16-QC
  Оснастка: Патрон 3-кулачковый.
  Вертикально-сверлильная  
 
Переходы: 1. Установить и снять. 2. Сверлить отверстие 2. 3. Сменить инструмент. 4. Зенкеровать фаску 4.  
Инструмент: Ä Режущий: Ä Вспомогательный:   Сверло 2301-3544 Р6М5 ГОСТ 12121-77.   Патрон сверлильный.  
Оснастка: Приспособление специальное  
Оборудование: Радиально-сверлильный  
  Контрольная  
           




Поделиться с друзьями:


Дата добавления: 2015-06-30; Просмотров: 3367; Нарушение авторских прав?; Мы поможем в написании вашей работы!


Нам важно ваше мнение! Был ли полезен опубликованный материал? Да | Нет



studopedia.su - Студопедия (2013 - 2026) год. Все материалы представленные на сайте исключительно с целью ознакомления читателями и не преследуют коммерческих целей или нарушение авторских прав! Последнее добавление




Генерация страницы за: 0.009 сек.