Студопедия

КАТЕГОРИИ:


Архитектура-(3434)Астрономия-(809)Биология-(7483)Биотехнологии-(1457)Военное дело-(14632)Высокие технологии-(1363)География-(913)Геология-(1438)Государство-(451)Демография-(1065)Дом-(47672)Журналистика и СМИ-(912)Изобретательство-(14524)Иностранные языки-(4268)Информатика-(17799)Искусство-(1338)История-(13644)Компьютеры-(11121)Косметика-(55)Кулинария-(373)Культура-(8427)Лингвистика-(374)Литература-(1642)Маркетинг-(23702)Математика-(16968)Машиностроение-(1700)Медицина-(12668)Менеджмент-(24684)Механика-(15423)Науковедение-(506)Образование-(11852)Охрана труда-(3308)Педагогика-(5571)Полиграфия-(1312)Политика-(7869)Право-(5454)Приборостроение-(1369)Программирование-(2801)Производство-(97182)Промышленность-(8706)Психология-(18388)Религия-(3217)Связь-(10668)Сельское хозяйство-(299)Социология-(6455)Спорт-(42831)Строительство-(4793)Торговля-(5050)Транспорт-(2929)Туризм-(1568)Физика-(3942)Философия-(17015)Финансы-(26596)Химия-(22929)Экология-(12095)Экономика-(9961)Электроника-(8441)Электротехника-(4623)Энергетика-(12629)Юриспруденция-(1492)Ядерная техника-(1748)

Призматические шпонки




ШПОНКИ. ШПОНОЧНЫЕ СОЕДИНЕНИЯ

Шпоночное соединение предназначено для передачи крутящего момента без предъявления особых требований к точности центрирования деталей.

В настоящем курсовом проекте применяются шпоночные соединения между валами и такими конструктивными элементами, как соединительные муфты, зубчатые колеса, втулки и плиты.

По форме шпонки делятся:

· на призматические (ГОСТ 23360-78 «Соединения шпоночные с призматическими шпонками. Размеры шпонок и сечений пазов. Допуски и посадки»);

· сегментные (ГОСТ 24071-97 «Соединения шпоночные с сегментными шпонками. Размеры шпонок и сечений пазов. Допуски
и посадки»);

· клиновые (ГОСТ 24068-80 «Соединения шпоночные с клиновыми шпонками. Размеры шпонок и сечений пазов. Допуски и посадки»);

· тангенциальные (ГОСТ 24069-97 «Соединения шпоночные с тангенциальными и нормальными шпонками. Размеры шпонок и сечений пазов. Допуски и посадки»).

При использовании призматических шпонок получают как подвижные, так и неподвижные соединения; соединения сегментной и клиновой шпонками служат для образования только неподвижных соединений.

 

 

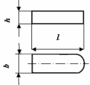
Основными размерами призматической шпонки являются ширина b, высота h и длина шпонки l (рис. 10.1). Размеры ширины и высоты шпонки, а также глубина паза вала t 1и глубина паза втулки t 2 зависят от диаметра вала d. Длина шпонки выбирается из ряда: 6, 8, 10, 12, 14, 16, 18, 20, 22, 25, 28, 32, 40, 45, 50, 56, 63, 70, 80, 90, 100, 110, 125, 140, 160 и далее до 500 мм.

Стандарт устанавливает следующие поля допусков размеров призматических шпонок и шпоночных пазов:

· ширина b – h 9;

· высота h – h 9, если h > 6 – h 11;

· длина lh 14;

· длина паза вала LH 15;

· глубина паза вала t 1 и глубина паза втулки t 2ЕI = 0;
ES = +0,1…+0,3 мм.

 

Рис. 10.1. Соединение с призматической шпонкой

Призматические шпонки бывают трех исполнений (рис. 10.2).

 

 




Поделиться с друзьями:


Дата добавления: 2015-06-27; Просмотров: 841; Нарушение авторских прав?; Мы поможем в написании вашей работы!


Нам важно ваше мнение! Был ли полезен опубликованный материал? Да | Нет



studopedia.su - Студопедия (2013 - 2026) год. Все материалы представленные на сайте исключительно с целью ознакомления читателями и не преследуют коммерческих целей или нарушение авторских прав! Последнее добавление




Генерация страницы за: 0.007 сек.