Студопедия

КАТЕГОРИИ:


Архитектура-(3434)Астрономия-(809)Биология-(7483)Биотехнологии-(1457)Военное дело-(14632)Высокие технологии-(1363)География-(913)Геология-(1438)Государство-(451)Демография-(1065)Дом-(47672)Журналистика и СМИ-(912)Изобретательство-(14524)Иностранные языки-(4268)Информатика-(17799)Искусство-(1338)История-(13644)Компьютеры-(11121)Косметика-(55)Кулинария-(373)Культура-(8427)Лингвистика-(374)Литература-(1642)Маркетинг-(23702)Математика-(16968)Машиностроение-(1700)Медицина-(12668)Менеджмент-(24684)Механика-(15423)Науковедение-(506)Образование-(11852)Охрана труда-(3308)Педагогика-(5571)Полиграфия-(1312)Политика-(7869)Право-(5454)Приборостроение-(1369)Программирование-(2801)Производство-(97182)Промышленность-(8706)Психология-(18388)Религия-(3217)Связь-(10668)Сельское хозяйство-(299)Социология-(6455)Спорт-(42831)Строительство-(4793)Торговля-(5050)Транспорт-(2929)Туризм-(1568)Физика-(3942)Философия-(17015)Финансы-(26596)Химия-(22929)Экология-(12095)Экономика-(9961)Электроника-(8441)Электротехника-(4623)Энергетика-(12629)Юриспруденция-(1492)Ядерная техника-(1748)

Расчет поперечного ребра плиты




 

Поперечные ребра частично защемлены в продольных ребрах силой сопротивления кручению. Пренебрегая этим частичным сопротивлением, расчётную схему поперечного ребра принимаем в виде простой балки таврового профиля с шарнирными опорами и пролётом в свету между продольными рёбрами. Расчетная нагрузка на ребро состоит из нагрузки от полки плиты и веса поперечного ребра. Треугольную нагрузку заменяем равномерно распределенной эквивалентной. Поперечное ребро рассматривается как балка на двух свободных опорах с расчетным пролетом, равным расстоянию между осями продольных рёбер:

.

 


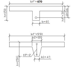
Рисунок 11 – К расчету поперечного ребра плиты П1.

 

Определим величины погонных расчетных нагрузок на ребро:

- от собственного веса выступающей части ребра:

(2.33)

- от веса слоев перекрытия и временной нагрузки:

(2.34)

Величина расчетного изгибающего момента в середине пролета:

[ZZ4] (2.35)

.

Определим расчетную поперечную силу на опоре:

(2.36)

Определим ширину свесов полки по следующей формуле:

мм, принимаем мм. [ZZ5]

Определим расчетную ширину сжатой полки:

мм (2.37)

Определим расчетную ширину ребра (при скошенных боковых гранях ее упрощенно принимают среднюю):

мм.

Определим площадь сечения растянутой арматуры.

(2.38)

где - коэффициент условий работы бетона;

- расчетная прочность бетона С30/37.

Æ= мм.

Полученное значение сравниваем со значением :

,

где ;

;

;

;

;

- расчетное сопротивление арматуры S500.

Находим значение .

Все необходимые численные значения подставляем в формулу (2.29) и получаем:

.

Находим коэффициент :

где .

Подставляя данные в формулу (2.30), получим численное значение коэффициента :

.

Требуемая площадь сечения растянутой арматуры

(2.39)

.

Принимаем 1 Æ 8 с , S500 (каркас КР – 2).

 




Поделиться с друзьями:


Дата добавления: 2015-06-28; Просмотров: 1308; Нарушение авторских прав?; Мы поможем в написании вашей работы!


Нам важно ваше мнение! Был ли полезен опубликованный материал? Да | Нет



studopedia.su - Студопедия (2013 - 2026) год. Все материалы представленные на сайте исключительно с целью ознакомления читателями и не преследуют коммерческих целей или нарушение авторских прав! Последнее добавление




Генерация страницы за: 0.007 сек.