Студопедия

КАТЕГОРИИ:


Архитектура-(3434)Астрономия-(809)Биология-(7483)Биотехнологии-(1457)Военное дело-(14632)Высокие технологии-(1363)География-(913)Геология-(1438)Государство-(451)Демография-(1065)Дом-(47672)Журналистика и СМИ-(912)Изобретательство-(14524)Иностранные языки-(4268)Информатика-(17799)Искусство-(1338)История-(13644)Компьютеры-(11121)Косметика-(55)Кулинария-(373)Культура-(8427)Лингвистика-(374)Литература-(1642)Маркетинг-(23702)Математика-(16968)Машиностроение-(1700)Медицина-(12668)Менеджмент-(24684)Механика-(15423)Науковедение-(506)Образование-(11852)Охрана труда-(3308)Педагогика-(5571)Полиграфия-(1312)Политика-(7869)Право-(5454)Приборостроение-(1369)Программирование-(2801)Производство-(97182)Промышленность-(8706)Психология-(18388)Религия-(3217)Связь-(10668)Сельское хозяйство-(299)Социология-(6455)Спорт-(42831)Строительство-(4793)Торговля-(5050)Транспорт-(2929)Туризм-(1568)Физика-(3942)Философия-(17015)Финансы-(26596)Химия-(22929)Экология-(12095)Экономика-(9961)Электроника-(8441)Электротехника-(4623)Энергетика-(12629)Юриспруденция-(1492)Ядерная техника-(1748)

Соединение деталей болтом




Лист 2-2

На листе чертежной бумаги формата А3 выполнить упрощенные резьбовые соединения: болтовое, шпилечное и винтовое.

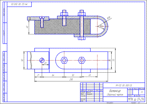
Чертеж балансира выполнять по размерам образца. Стандартные изделия применить согласно своему варианту. Вариант задания выбирается по таблице 4 по последней цифре шифра.

 

Таблица 4

 

Вариант Болт Шпилька Винт
  М10 ГОСТ 7798-70 М10 ГОСТ 22032-76 М8 ГОСТ 17475-85
  М10 ГОСТ 7798-70 М10 ГОСТ 22032-76 М10 ГОСТ 17475-85
  М12 ГОСТ 7798-70 М10 ГОСТ 22032-76 М8 ГОСТ 17473-80
  М12 ГОСТ 7798-70 М12 ГОСТ 22032-76 М10 ГОСТ 1491-80
  М14 ГОСТ 7798-70 М12 ГОСТ 22032-76 М10 ГОСТ 17473-80
  М14 ГОСТ 7798-70 М14 ГОСТ 22032-76 М12 ГОСТ 1491-80
  М14 ГОСТ 7798-70 М12 ГОСТ 22032-76 М14 ГОСТ 17473-80
  М16 ГОСТ 7798-70 М14 ГОСТ 22032-76 М12 ГОСТ 17475-85
  М16 ГОСТ 7798-70 М16 ГОСТ 22032-76 М14 ГОСТ 17475-85
  М16 ГОСТ7798-70 М14 ГОСТ 22032-76 М16 ГОСТ 17475-85

Примечание – Все детали изготовлены из стали.

 

 

Образец выполнения листа приведен на рисунке 10

 

 

Рисунок 10 - Образец выполнения листа 2-2

Болтовое соединение состоит из болта, гайки, шайбы и скрепляемых деталей. Характерная особенность соединения деталей болтом в том, что в соединяемых деталях выполняются отверстия без резьбы (так называемые свободные отверстия), размеры которых стандартизированы. Болт вставляется в отверстия деталей, а на его свободный конец накидывается шайба и навинчивается гайка.

Упрощенное изображение болтового соединениявыполняется в соответствии с требованиями ГОСТ 2315-68.

Особенности такого изображения заключаются в следующем:

а) резьбу изображают на всём стержне болта;

б) стержень болта, головку, гайку и шайбу изображают без фасок;

в) на виде сверху шайбу не вычерчивают;

г) зазор между стержнем болта и отверстием не показывают.

Чтобы выполнить чертеж болтового соединения упрощенно, достаточно знать наружный диаметр резьбы стержня болта d. Относительно него определяют остальные размеры элементов болта, гайки и шайбы, рисунок 11.

Полученную длину болта l сравнивают со стандартными длинами болтов и выбирают ближайшую большую стандартную величину.

Стандартный ряд длин болтов в миллиметрах по ГОСТ 7798-70: 14; 16; (18); 20; (22); 25; (28); 30; (32); 35; (38); 40; 45; 50; 55; 60; 65; 70; 75; 80; (85); 90; (95); 100; (105); 110; (115); 120.

Примечание - В скобки заключены размеры болтов ограниченного применения.

 

 

Рисунок 11 – Упрощенное соединение деталей болтом




Поделиться с друзьями:


Дата добавления: 2015-06-28; Просмотров: 2712; Нарушение авторских прав?; Мы поможем в написании вашей работы!


Нам важно ваше мнение! Был ли полезен опубликованный материал? Да | Нет



studopedia.su - Студопедия (2013 - 2025) год. Все материалы представленные на сайте исключительно с целью ознакомления читателями и не преследуют коммерческих целей или нарушение авторских прав! Последнее добавление




Генерация страницы за: 0.007 сек.