Студопедия

КАТЕГОРИИ:


Архитектура-(3434)Астрономия-(809)Биология-(7483)Биотехнологии-(1457)Военное дело-(14632)Высокие технологии-(1363)География-(913)Геология-(1438)Государство-(451)Демография-(1065)Дом-(47672)Журналистика и СМИ-(912)Изобретательство-(14524)Иностранные языки-(4268)Информатика-(17799)Искусство-(1338)История-(13644)Компьютеры-(11121)Косметика-(55)Кулинария-(373)Культура-(8427)Лингвистика-(374)Литература-(1642)Маркетинг-(23702)Математика-(16968)Машиностроение-(1700)Медицина-(12668)Менеджмент-(24684)Механика-(15423)Науковедение-(506)Образование-(11852)Охрана труда-(3308)Педагогика-(5571)Полиграфия-(1312)Политика-(7869)Право-(5454)Приборостроение-(1369)Программирование-(2801)Производство-(97182)Промышленность-(8706)Психология-(18388)Религия-(3217)Связь-(10668)Сельское хозяйство-(299)Социология-(6455)Спорт-(42831)Строительство-(4793)Торговля-(5050)Транспорт-(2929)Туризм-(1568)Физика-(3942)Философия-(17015)Финансы-(26596)Химия-(22929)Экология-(12095)Экономика-(9961)Электроника-(8441)Электротехника-(4623)Энергетика-(12629)Юриспруденция-(1492)Ядерная техника-(1748)

Основная часть. Конструкция выпарного аппарата должна удовлетворять ряду общих требований, к числу которых относятся: высокая производительность и интенсивность теплопередачи




Цели и задачи проекта

Конструкция выпарного аппарата должна удовлетворять ряду общих требований, к числу которых относятся: высокая производительность и интенсивность теплопередачи при возможно меньших объёме аппарата и расходе металла на его изготовление, простота устройства, надёжность в эксплуатации, легкость очистки поверхности теплообмена, удобство осмотра, ремонта и замены отдельных частей.

Вместе с тем выбор конструкции и материала выпарного аппарата определяется в каждом конкретном случае физико-химическими свойствами выпариваемого раствора (вязкость, температурная депрессия, кристаллизуемость, термическая стойкость, химическая агрессивность и др.).

 

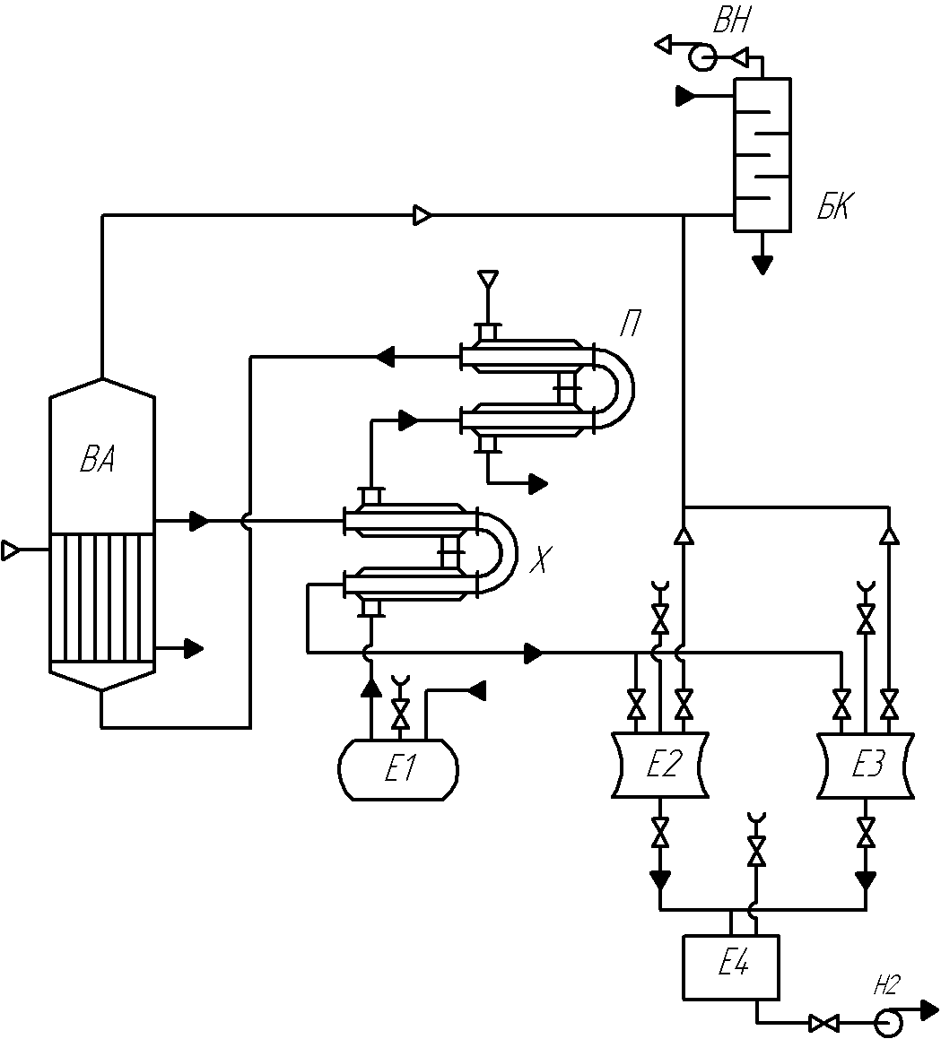
В однокорпусной выпарной установке, принципиальная схема которой показана на рисунке 1, подвергается выпариванию раствор MgSO4 под вакуумом.

Исходный разбавленный раствор из промежуточной ёмкости Е1 подается в межтрубное пространство холодильника Х, где он нагревается, охлаждая концентрированный раствор. Потом попадает в подогреватель П (где нагревается греющим паром уже до температуры, близкой к температуре кипения), а затем – в трубное пространство греющей камеры выпарного аппарата ВА. Предварительный подогрев раствора повышает интенсивность кипения в выпарном аппарате. Греющая камера обогревается греющим паром, который поступает в ее межтрубное пространство. Конденсат греющего пара из выпарного аппарата выводится с помощью конденсатоотводчика.

Концентрированный раствор из выпарного аппарата подается в трубное пространство холодильника Х. Затем раствор отводится в вакуум-сборники Е2-3, работающие попеременно. Вакуум-сборники опорожняются периодически (по мере накопления). Далее раствор поступает в емкость концентрированного раствора Е4.

Движение раствора и вторичного пара осуществляется вследствие перепада давлений, создаваемого барометрическим конденсатором БК и вакуум-насосом ВН.

 


Рисунок 1 - Принципиальная схема однокорпусной выпарной установки

 




Поделиться с друзьями:


Дата добавления: 2015-08-31; Просмотров: 654; Нарушение авторских прав?; Мы поможем в написании вашей работы!


Нам важно ваше мнение! Был ли полезен опубликованный материал? Да | Нет



studopedia.su - Студопедия (2013 - 2026) год. Все материалы представленные на сайте исключительно с целью ознакомления читателями и не преследуют коммерческих целей или нарушение авторских прав! Последнее добавление




Генерация страницы за: 0.01 сек.