Студопедия

КАТЕГОРИИ:


Архитектура-(3434)Астрономия-(809)Биология-(7483)Биотехнологии-(1457)Военное дело-(14632)Высокие технологии-(1363)География-(913)Геология-(1438)Государство-(451)Демография-(1065)Дом-(47672)Журналистика и СМИ-(912)Изобретательство-(14524)Иностранные языки-(4268)Информатика-(17799)Искусство-(1338)История-(13644)Компьютеры-(11121)Косметика-(55)Кулинария-(373)Культура-(8427)Лингвистика-(374)Литература-(1642)Маркетинг-(23702)Математика-(16968)Машиностроение-(1700)Медицина-(12668)Менеджмент-(24684)Механика-(15423)Науковедение-(506)Образование-(11852)Охрана труда-(3308)Педагогика-(5571)Полиграфия-(1312)Политика-(7869)Право-(5454)Приборостроение-(1369)Программирование-(2801)Производство-(97182)Промышленность-(8706)Психология-(18388)Религия-(3217)Связь-(10668)Сельское хозяйство-(299)Социология-(6455)Спорт-(42831)Строительство-(4793)Торговля-(5050)Транспорт-(2929)Туризм-(1568)Физика-(3942)Философия-(17015)Финансы-(26596)Химия-(22929)Экология-(12095)Экономика-(9961)Электроника-(8441)Электротехника-(4623)Энергетика-(12629)Юриспруденция-(1492)Ядерная техника-(1748)

Курсовая работа 2 страница. - активная мощность собственных нужд;




- активная мощность собственных нужд;

- минимальная активная нагрузка на генераторном напряжении;

n – количество блоков на станции.

 

(21)

где:

Рв.сист – активная мощность, отдаваемая в систему;

РW - активная мощность одной линии.

 

РW = 900 МВт [ 8] с. 13 справочные материалы

 

по формуле (20)

МВт

 

по формуле (21)

 

 

Для связи распределительного устройства высокого напряжения 500 кВ с системой принимаем 3 воздушные линии.

 

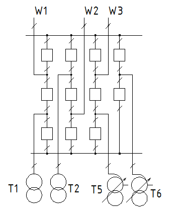
5.2. Выбор упрощенной схемы РУВН 500 кВ.

 

На основании НТП ТЭС в соответствии с числом присоединений 7 на напряжение 500 кВ, принята «схема с двумя системами сборных шин и 3-мя выключателями на две цепи».

 

 

Рис. 4

 

Достоинства:

1. Ремонт любого выключателя без отключения присоединения.

2. Высокая надежность схемы, т.к при повреждении на СШ, все остается в работе.

3. Разъединители – изолирующие аппараты.

4. Количество операций при выводе в ремонт любого выключателя минимально.

Недостатки:

1. Дорогая, на каждое присоединение 1,5 выключателя. Для ячейки Т6 – два выключателя на одно присоединение.

2. Отключение любого присоединения 2-мя выключателями, что увеличивает число ремонтов.

3. Сложная релейная защита.

 

5.3. Выбор упрощенной схемы РУСН 220 кВ

На основании НТП ТЭС в соответствии с числом присоединений 12 на напряжение 220 кВ, принимаем схему с двумя рабочими системами шин. ОСШ не предусматривается, т. к. к установке предполагаются элегазовые выключатели.

Рис. 5

 

Достоинства:

1. Ремонт любой системы шин без перерыва электроснабжения.

2. При аварии на шинах, перерыв в электроснабжении на время перевода на другую систему шин.

3. Схема гибкая в отношении расширения.

4. Экономична

 

Недостатки:

1. Повреждение шиносоединительного выключателя приводит к отключению всех присоединений.

2. Отказ выключателя при повреждении элемента приводит к отключению источников питания и линий присоединенных к данной системе шин.

3. Ремонт оборудования связан с большим количеством оперативных переключений.

4. Сложные блокировки между выключателями и разъединителями.

5. Усложненная эксплуатация РУ из-за более низкой наглядности схемы по сравнению с «Одной рабочей системой шин».

 

5.4. Выбор схемы блока генератор – трансформатор.

 

На основании НТП ТЭС в соответствии с числом присоединений принята схема «Блок генератор-трансформатор с генераторным выключателем». Наличие генераторного выключателя позволяет осуществить пуск генератора без использования пускорезервного ТСН.

 

Рис. 6

 

В схеме блоков генератор-трансформатор устанавливается выключатель между генератором и трансформатором. Рабочий трансформатор собственных нужд присоединяется отпайкой между генераторным выключателем и блочным трансформатором. Никакой коммутационной аппаратуры в отпайке не предусматривается. Генераторный выключатель необходим по следующим соображениям:

При отключении генератора сохраняется питание собственных нужд.

Уменьшается количество операций выключателем высокого напряжения т.к.

останов и пуск генератора производится генераторным выключателем.

 

 

Недостатки:

1. Удорожание схемы в связи с использованием выключателя.

 

Достоинства:

1. Возможность вывода в ремонт любого выключателя без отключения присоединения.

2. При К.З. на любой системе шин, все присоединения этой системы могут быть переведены на другую систему шин.

 

 

6. ВЫБОР СХЕМ СОБСТВЕННЫХ НУЖД И ТРАСФОРМАТОРОВ

СОБСТВЕННЫХ НУЖД

 

6.1. Для питания крупных двигателей применяется напряжение 6 кВ, для остальных 0,4 кВ.

 

6.2. Питание собственных нужд осуществляется отпайками от блоков.

 

6.3. Мощность рабочих ТСН определяется по формуле:

 

; МВА (22)

 

где:

- номинальная мощность генератора, кВт;

- коэффициент спроса;

- процент расхода на собственные нужды энергоблока [8] с 12.

 

6.4. РУСН 6 кВ выполняется с одной системой сборных шин, разделенных на секции. При мощности блоков 800 МВт 2 секции на блок с применением трансформатора с расщепленной обмоткой низкого напряжения.

 

6.5. Число ПРТСН принимается равное двум, так как четыре блока с генераторными выключателями, причем один ПРТСН, не присоединенный к источнику питания, устанавливается на фундаменте и готов к перекатке. Так как в схемах энергоблоков установлены генераторные выключатели, то мощность ПРТСН принимается равной мощности рабочих ТСН.

 

6.6. ПРТСН1 генераторного напряжения не присоединяется к источнику питания, но установлен на фундаменте и готов к перекатке.

6.6. ПРТСН2 подключается к шинам РУСН-220кВ.

6.8. Магистрали резервного питания С.Н. секционируются через2 блока.

6.9. Для поддержки необходимого напряжения на шинах 6 кВ, все ТСН должны иметь РПН.

 

6.10. Выбор ТСН и ПРТСН.

 

по формуле (22)

 

МВА; SПРТСН = SТСН

 

 

 

 

 

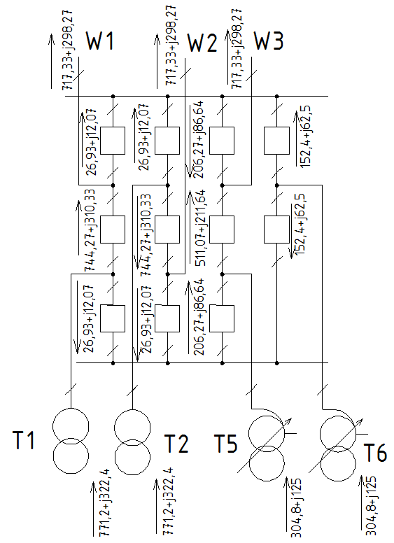
Схема собственных нужд

 

C
T1
T2
T5
T6
T3
T4
РУВН-500кВ
РУСН-220кВ
G1
G2
G3
G4
1C
2C
3C
4C
5C
6C
7C
8C
 
ТCН1
ТСН2
ТСН3
 
 
 
ТСН4
 
 
 
ПРТСН1
 
ПРТСН2
 
 
шины резервного питания 6кВ

Рис.7

 

Таблица 4 [Таблица номинальных параметров трансформаторов собственных нужд]

Тип трансформатора Номинальное напряжение, кВ Потери кВт Напряжение к.з.            
ВН НН Рх.х. Рк.з.        
ТРДНС-40000/24   6,3-6,3     12,7 ТСН1,ТСН2, ТСН3,ПРТСН1            
ТРДН-40000/220   6,3-6,3     11.5 ПРТСН2            

 

 

Принимаем к установке трансформаторы типа:

ТРДНС-40000/35 - ТСН1, ТСН2, ТСН3, ПРТСН2

 

SПРТСН = SТСН = 36 MBA,

следовательно принимаем к установке ТРДН-40000/220- ПРТСН1

 

 

7. РАСЧЁТ ТОКОВ КОРОТКОГО ЗАМЫКАНИЯ

 

Расчет токов короткого замыкания производится для правильного выбора и проверки электрооборудования и токоведущих частей. Расчет ведется в относительных единицах. За базовую мощность принимаем 1000 МВА.

 

SБ = 1000 МВА

 

7.1. Расчётная схема КЭС

 

 

 

Рис.8

 

 

7.2. Расчётная схема КЭС

 

Рис. 9

 

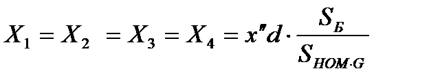
7.3. Расчет сопротивлений элементов схемы.

 

Генераторы G1, G2, G3, G4.

 

(23)

 

где:

х”d – сверхпереходное индуктивное сопротивление;

SНОМ.G – номинальная мощность генераторов.

 

по формуле (23)

 

Трансформаторы Т1, Т2.

 

(24)

где:

SНОМт – номинальная мощность трансформатора

 

 

по формуле (24)

 

Трансформаторы Т3, Т4.

 

по формуле (24)

 

 

Автотрансформаторы Т5, Т6.

 

 

 

 

 

Система

 

 

(25)

 

XС НОМ – номинальное сопротивление системы;

SНОМ.С – номинальная мощность системы

 

По формуле (25)

 

 

ТСН

 

по формуле (24)

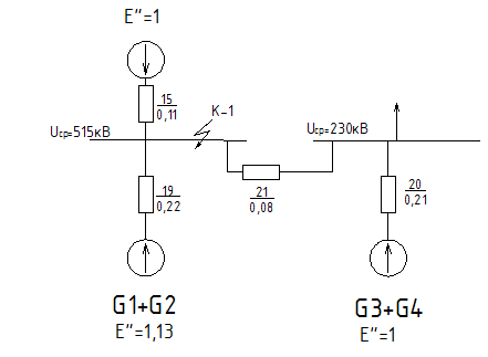
7.4 Расчёт токов короткого замыкания в точке К-1

Рис.10

Рис. 11

 

Рис.12

 

 

Таблица 5 [ ] Таблица расчетов токов короткого замыкания в точке К-1

  Источник Формула   G1+G2   G3+G4+C       S
; о.е. 0,22 0,094 -
; МВА    
; кВ    
; кА   -
; о.е. 1,13   -
; МВА 888,9 2=1777,8 2 888,9+8000=9777,8  
; кА     17,66
; кА       -
[] с.150 1,967 1,85 -
Та; с []с.150 0,3 0,06 -
    -
0,028  
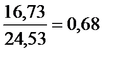
[] с152   0,89   0,98  
; кА 16,79
; кА 47,15
0,91 0,63 -
; кА 16,82

 

7.5. Расчёт токов короткого замыкания в точке К-2

 

Рис.13

 

 

Рис.14

 

Таблица 6[ ] расчетов токов короткого замыкания в точке К-2

Источник Формула   С+G1+G2   G3+G4   S
; о.е. 0,15 0,21  
; МВА    
; кВ    
; МВА 2 888,9+8000=9777,8 888,9 2=1777,8  
; кА  
; о.е.   1,13  
; кА   30,24
; кА    
   
t 0,027  
  0,85  
; кА 28,21
1,717 1,967  
Та; с 0,03 0,3  
; кА 78,2
0,41 0,91  
; кА 27,09

 

7.6. Расчёт токов короткого замыкания в точке К-3.

 

Рис.15

 

Рис.16

 

 

 

Рис.17

 

 

Таблица7 [ ] расчета токов короткого замыкания в точке К-3

Источник Формула   С+G1+G2+ G3+G4   M   S
; о.е. 6,09    
; МВА    
; кВ 6,3  
; МВА 4 888,9+8000=11555,6    
; кА  
; о.е.      
; кА     27,74    
; кА  
; кА    
     
t 0,1  
     
1,86    
  1,65  
Та; с 0,064    
Та д; с   0,04  
; кА   68,15
; кА  
0,21 0,08  
; кА   18,09
; кА  
; кА   5,91
; кА  

 

 

8. ВЫБОР АППАРАТОВ И ТОКОВЕДУЩИХ ЧАСТЕЙ ДЛЯ ЦЕПЕЙ 500 кВ

 

Расчетные условия для выбора аппаратов и токоведущих частей по режиму К.З. и по продолжительному режиму работы.

 

Нормальный режим

Рис.18

 

Ток нормалного режима в цепи ОРУ-500кВ

Ток нормалного режима в цепи трансформатора

Ток нормалного режима в цепи линии.

 

 

Аварийный режим

 

Рис.19

 

 

Ток аварийного режима в цепи ОРУ-500кВ

Ток аварийного режима в цепи трансформатора

Ток аварийного режима в цепи линии.

 

Таблица 8 [7 ] c. 206

  Расчетные формулы   Цепь линии 500 кВ Цепь трансформатора Цепь ОРУ-500кВ
       
U ном, кВ  
I норм, А 897,05 965,19 931,12
Imax, А 1345,58 965,19 1155,38
I п.о, кА 17,66
i у, кА 47,15
I п,τ, кА 16,79
I a,τ , кА 16,82
,кА2 17,66²(0,118 +0,14)=80,46

 




Поделиться с друзьями:


Дата добавления: 2015-08-31; Просмотров: 728; Нарушение авторских прав?; Мы поможем в написании вашей работы!


Нам важно ваше мнение! Был ли полезен опубликованный материал? Да | Нет



studopedia.su - Студопедия (2013 - 2026) год. Все материалы представленные на сайте исключительно с целью ознакомления читателями и не преследуют коммерческих целей или нарушение авторских прав! Последнее добавление




Генерация страницы за: 0.011 сек.