Студопедия

КАТЕГОРИИ:


Архитектура-(3434)Астрономия-(809)Биология-(7483)Биотехнологии-(1457)Военное дело-(14632)Высокие технологии-(1363)География-(913)Геология-(1438)Государство-(451)Демография-(1065)Дом-(47672)Журналистика и СМИ-(912)Изобретательство-(14524)Иностранные языки-(4268)Информатика-(17799)Искусство-(1338)История-(13644)Компьютеры-(11121)Косметика-(55)Кулинария-(373)Культура-(8427)Лингвистика-(374)Литература-(1642)Маркетинг-(23702)Математика-(16968)Машиностроение-(1700)Медицина-(12668)Менеджмент-(24684)Механика-(15423)Науковедение-(506)Образование-(11852)Охрана труда-(3308)Педагогика-(5571)Полиграфия-(1312)Политика-(7869)Право-(5454)Приборостроение-(1369)Программирование-(2801)Производство-(97182)Промышленность-(8706)Психология-(18388)Религия-(3217)Связь-(10668)Сельское хозяйство-(299)Социология-(6455)Спорт-(42831)Строительство-(4793)Торговля-(5050)Транспорт-(2929)Туризм-(1568)Физика-(3942)Философия-(17015)Финансы-(26596)Химия-(22929)Экология-(12095)Экономика-(9961)Электроника-(8441)Электротехника-(4623)Энергетика-(12629)Юриспруденция-(1492)Ядерная техника-(1748)

Подготовительный этап




Э-321-2

 

Выполнил:

Курсант группы Э-321-2.

Русов Олег Александрович

ФИО

Сдал: «___» __________2015 г.

___________________
(подпись)

 

Проверил:

преподаватель

Власов А.Б.

 

 

Мурманск
2015


СОДЕРЖАНИЕ

 

1. ПОДГОТОВИТЕЛЬНЫЙ ЭТАП.. 3

2. РАСЧЁТ ПАРАМЕТРОВ ТРАНСФОРМАТОРА.. 6

3. РАСЧЁТ ВНЕШНИХ ХАРАКТЕРИСТИК.. 7

4. РАСЧЁТ КОЭФФИЦИЕНТА МОЩНОСТИ ВЫПРЯМИТЕЛЯ.. 8

5. РАСЧЁТ СГЛАЖИВАЮЩЕГО ДРОССЕЛЯ.. 10

6. ВЫБОР ТИРИСТОРОВ.. 12

7. РАСЧЁТ АВАРИЙНЫХ ТОКОВ И ИНТЕГРАЛА ПРЕДЕЛЬНОЙ НАГРУЗКИ ВНЕШНЕГО КЗ ВЫПРЯМИТЕЛЕЙ.. 13

8. ПРОВЕРКА ТИРИСТОРОВ СИЛОВОГО БЛОКА.. 16

9. ВЫБОР УСТРОЙСТВ ЗАЩИТЫ ТИРИСТОРОВ.. 17

10. СПИСОК ИСПОЛЬЗОВАННОЙ ЛИТЕРАТУРЫ.. 19

11. ПРИЛОЖЕНИЯ...............................................................................................20

 


 

1.1. Для электрической схемы, соответствующей номеру варианта и изображенной в таблице 1, выполнить следующие этапы расчета:

– записать номер варианта.

– зарисовать схему, соответствующую варианту.

– записать конкретное задание, соответствующее варианту.

 

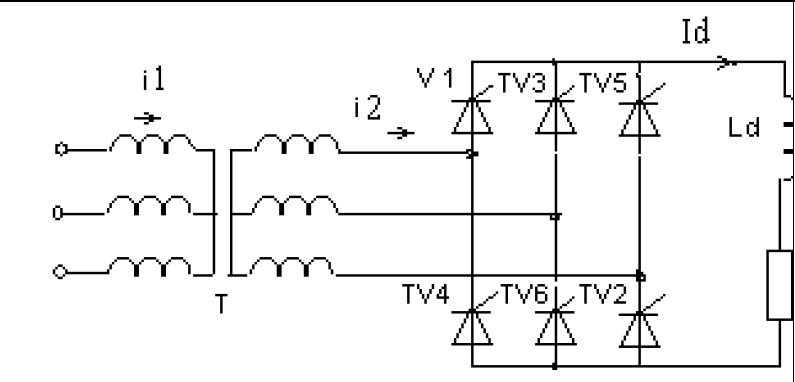
Вариант №15(575), что соответствует коду 575 из таблицы 1.

 

Рис 1. Трёхфазная мостовая симметричная схема выпрямления

 

Исходя из заданных входных параметров определить средние и действующие значения токов вентилей, параметры вторичной обмотки трансформатора.

 

1.2. Определим значения всех параметров в системе СИ с учетом данных таблицы П1

Таблица П1

Данные для расчетов

Тип схемы Параметры трансформатора Параметры вентиля
Ud 0/ U 2ф I 1/ Id I2/ Id k пр= S т/ Pd н U обр.мах/ Ud I в/ Id I в.ср/ Id
Однофазная мостовая 1.05

 

Входными параметрами являются:

Ud 0 - выходное напряжение выпрямителя, равное потолочному U пот;

U – фазное напряжение вторичной обмотки трансформатора;

k т – коэффициент трансформации (трёхфазный трансформатор);

I – первичный ток трансформатора;

I – вторичный ток трансформатора;

Id – средний ток нагрузки; I dн - средний номинальный ток нагрузки выпрямителя;

S т – полная мощность трансформатора;

Pd – средняя мощность на нагрузке; Pd н – средняя номинальная мощность на нагрузке выпрямителя;

k пр – коэффициент повышения расчетной мощности трансформатора;

I в – действующее значение переменного тока вентиля;

I в.ср – среднее значение тока вентиля;

U обр.мах – максимальное значение обратного напряжения вентиля.

 

Ud0 =230В; uк.з. = 2,5%;

Pк.з. = 70 Вт; Idн = 36 А;

Uс =380В; S=10;

Pd н = 8 кВт; f=50Гц;

mk =6

 

 

1.2.1. Найдем U – фазное напряжение первичной обмотки трансформатора

UСЛ= Uс=380 В;

1.2.2. Найдем U – фазное напряжение вторичной обмотки трансформатора

1.2.3. Коэффициент трансформации Кт

1.2.4. Ток трансформатора I 1 в первичной обмотке.

 

1.2.5. Ток трансформатора I 2 во вторичной обмотке.

А

1.2.6. Коэффициент повышения расчетной мощности k пр.

1.2.7. Номинальное напряжение U н нагрузки.

1.2.8. Максимальное обратное напряжение U обр макс.

1.2.9. Действующее значение тока вентиля I в.

 

1.2.10. Среднее значение переменного тока вентиля I вср

2. РАСЧЁТ ПАРАМЕТРОВ ТРАНСФОРМАТОРА

Расчет параметров исследуемого трансформаторапроизводится в следующем порядке:

2.1. Полная мощность трансформатора равна:

S т = k пр· Pd н=1,05∙8000=8400 ВА.

2.2. Напряжение короткого замыкания равно:

U к.з = u кз(%)· U = 2,5∙220/100=5,5 В;

где, U – номинальное напряжение на первичной обмотке трансформатора (для трёхфазной сети U = 220 В).

2.3. Коэффициент мощности cosjкз при коротком замыкании

cosjкз= Р к.з /(U КЗ· I )= 70/(5,5∙13,2)=0,964;

2.4. Модуль полного сопротивления Z КЗ короткого замыкания

Z кз= U к.з/ I =5,5/13,2=0,42 Ом.

2.5. Активное сопротивление короткого замыкания

R кз = Z кз·cosjкз=0,42∙0,964=0,405 Ом.

2.6. Реактивное сопротивление короткого замыкания (Х кз - индуктивное сопротивление КЗ трансформатора):

Х кз = Z кз·sinjкз=0,42∙0,257=0,1074 Ом.

2.7. Учитывая, что индуктивное сопротивление рассеяния фазы равно половине индуктивного сопротивления короткого замыкания трансформатора, можно рассчитать значение индуктивности Ls рассеяния трансформатора:

Ls = Х к.з/2·2p f=0,1074/2∙ 2p ∙50=170,93 мкГн.

 

2.8. Результаты расчетов (с размерностями) привести в таблице П2.

Таблица П2

Параметры U k т I I S т I в I в.ср U обр.мах R кз Х кз Ls
Результат расчета 2,23 13,2 А 36 А 8,4 кВА 20,7А 12 А 241 В 0,405 Ом 0,1074 Ом 170,93 мкГн

3. РАСЧЁТ ВНЕШНИХ ХАРАКТЕРИСТИК

Внешняя характеристика – зависимость среднего напряжения Uda (Id) на выходе выпрямителя в зависимости от тока Id нагрузки при фиксированном угле управления a.

Расчет внешних характеристик необходимо провести с учетом коммутационного падения напряжения D U x, угла управления a и особенностей схемы

Уравнение внешней характеристики Uda (Id) для симметричных схем выпрямления имеет вид:

Ud a(Id) = Ud 0·cosa – D U x(Id).

Коммутационное падение напряжения для всех схем рассчитывается по соотношению:

D U x = w LsId mk /2p,

где mk =2 - число коммутаций за период, число полупериодов (тактов) выпрямления за период питающего напряжения; w = 2p f;

Построим внешние характеристики при изменении тока нагрузки в пределах от 0 до Id н для трех значений угла управления: a = 0o, a = 30o, a = 60o

 

Рис.2 Внешние характеристики при изменении тока нагрузки

 

 

4. РАСЧЁТ КОЭФФИЦИЕНТА МОЩНОСТИ ВЫПРЯМИТЕЛЯ

4.1. Коэффициент мощности выпрямителя рассчитывается как отношение активной мощности Р, потребляемой из сети, к полной S мощности, потребляемой из сети по соотношению

χ = Р/S.

При синусоидальной форме тока и напряжения:

для трёхфазной - Р =3 U Ф· I с·cosj, S = 3 U Ф· I c, где Uф – фазное напряжение первичной обмотки трансформатора (действую-щее напряжение сети, питающей выпрямитель); Ic – действующее значение тока сети; ϕ – угол сдвига синусоидального тока по отношению к синусоидальному напряжению питающей сети.

4.2. Для выпрямителей, создающих искажения формы тока следует учитывать, что коэффициент мощностиc равен:

c = KI cosj1,

где сдвиг фаз j1 между первой гармоникой тока первичной обмотки и напряжением сети.

Коэффициенты искажения KI (при прямоугольной форме тока, потребляемого из внешней цепи, и угле коммутации g < 15о) можно рассчитать по соотношениям:

- трёхфазные мостовые схемы выпрямления:

KI = .

4.2.3. Сдвиг фаз j1 между первой гармоникой тока вторичной обмотки и напряжением сети определяется углом управления a выпрямителя и углом коммутации g:

j1 = a + g/2.

Для расчета j1 следует воспользоваться следующими соображениями.

Введем понятие глубины регулированияD Uda max, под которой понимают разность между максимальным и минимальным уровнями выходного напряжения, соответствующих одному и тому же питающему напряжению и току нагрузки.

Максимальное значение amax определяется глубиной регулирования напряжения D Udamax. Максимальный угол регулирования αmax зависит также от схемы выпрямления.

В случае применения управляемого выпрямителя как источника стабилизированного напряжения глубина регулирования D Ud a max равна:

D Ud a max = Ud 0·D Ux (Idn)/ Udn =230·0,615/222=0,637 В;

где Ud 0 - напряжение холостого хода, D Ux (Idn)– коммутационное падение напряжения при номинальном токе Idn и номинальном напряжении Udn.

В симметричной схеме при отсутствии обратного диода при активно-индуктивной нагрузке для любой схемы, закон регулирования Ud a(a) напряжения определяется:

Uda (a)= Ud 0·cosa,

Тогда при αmax имеем:

Uda max = Ud 0 – D Udamax = Ud 0cosa max,

а значение угла cosαmax рассчитывается как:

cosαmaxС 2 = 1 – D Uda max/ Ud 0 = 1 – D Ux (Idn)/ Udn.

cosαmax= 1-(0,615/222)=0,997;

Из последнего выражения определяем значение αmax

αmax = arсcos (С 2)=4,44°.

Ввиду того, что величина угла коммутации g уменьшается с увеличением угла регулирования α, считают, что

j1 = amax + g/2 ≈ amax.

С учетом вышесказанного, имеем, что коэффициент мощности c равен:

c = KI cosj1 = KI cosamax = .

 


5. РАСЧЁТ СГЛАЖИВАЮЩЕГО ДРОССЕЛЯ

5.1. Считаем, что U m1 – амплитуда переменной составляющей напряжения на входе фильтра; U * m 1- амплитуда переменной составляющей напряжения первой гармоники на выходе фильтра (на нагрузке). Сглаживающий фильтр выпрямителя не влияет на значение Ud, но уменьшает пульсации Um 1* на выходе по сравнению с пульсациями Um 1 на входе фильтра (рис. 1).

Сглаживающий фильтр:

1) не должен изменять режим работы самого выпрямителя;

2) должен обеспечить заданную степень сглаживания напряжения на нагрузке.

 

 

Рис. 3. Пульсации напряжения на входе (а) и выходе (б) простого
индуктивного фильтра (в)

Выполнение первого требования достигается соответствующим выбором схемы фильтра. Для силовых выпрямителей не рекомендуется наличие емкости на выходе выпрямителя ввиду резкого ухудшения формы тока, протекающего через диоды и обмотки трансформаторы. В результате в них возрастают потери и повышается установленная мощность. Наличие емкости на выходе управляемого выпрямителя вызывает прерывистый ток нагрузки при увеличении угла регулирования. Потому все фильтры силовых выпрямителей имеют индуктивный вход. Индуктивность фильтра должна обеспечить непрерывность тока во всех режимах его работы.

 

Второе требование задается коэффициентом сглаживания s, который представляет собой отношение коэффициента пульсаций напряжения q 1 на выходе выпрямителя к коэффициенту пульсации напряжения q 2 на нагрузке:

s = q 1/ q 2.

Поскольку (см. рис. 1, а, б)

q 1 = Um 1/ Ud;

q 2 = U * m 1/ Ud,

то коэффициент пульсаций можно выразить как

s = Um 1/ U * m 1.

5.2. Активное сопротивление Rd равно:

Rd = U d/ Id= 230/36=6,39 Ом.

 

5.3. Ввиду того, что выпрямленный ток до и после индуктивности один и тот же, а активным сопротивлением дросселя можно пренебречь, отношение амплитуд Um1 и U*m1 напряжений гармоники пульсаций s можно заменить отношением полных сопротивлений

 

где w k = 2π mkf, где mk – число коммутаций за период для заданной схемы выпрямления.

Из приведенного выражения можно рассчитать величину индуктивности L др сглаживающего дросселя:

 

 




Поделиться с друзьями:


Дата добавления: 2015-08-31; Просмотров: 775; Нарушение авторских прав?; Мы поможем в написании вашей работы!


Нам важно ваше мнение! Был ли полезен опубликованный материал? Да | Нет



studopedia.su - Студопедия (2013 - 2026) год. Все материалы представленные на сайте исключительно с целью ознакомления читателями и не преследуют коммерческих целей или нарушение авторских прав! Последнее добавление




Генерация страницы за: 0.012 сек.