Студопедия

КАТЕГОРИИ:


Архитектура-(3434)Астрономия-(809)Биология-(7483)Биотехнологии-(1457)Военное дело-(14632)Высокие технологии-(1363)География-(913)Геология-(1438)Государство-(451)Демография-(1065)Дом-(47672)Журналистика и СМИ-(912)Изобретательство-(14524)Иностранные языки-(4268)Информатика-(17799)Искусство-(1338)История-(13644)Компьютеры-(11121)Косметика-(55)Кулинария-(373)Культура-(8427)Лингвистика-(374)Литература-(1642)Маркетинг-(23702)Математика-(16968)Машиностроение-(1700)Медицина-(12668)Менеджмент-(24684)Механика-(15423)Науковедение-(506)Образование-(11852)Охрана труда-(3308)Педагогика-(5571)Полиграфия-(1312)Политика-(7869)Право-(5454)Приборостроение-(1369)Программирование-(2801)Производство-(97182)Промышленность-(8706)Психология-(18388)Религия-(3217)Связь-(10668)Сельское хозяйство-(299)Социология-(6455)Спорт-(42831)Строительство-(4793)Торговля-(5050)Транспорт-(2929)Туризм-(1568)Физика-(3942)Философия-(17015)Финансы-(26596)Химия-(22929)Экология-(12095)Экономика-(9961)Электроника-(8441)Электротехника-(4623)Энергетика-(12629)Юриспруденция-(1492)Ядерная техника-(1748)

Выбор тиристоров




6.1. Условия выбора тиристоров определяются неравенством

I срmaxI в.ср,

где I ср max - максимально допустимый средний ток тиристора (табл. П3), I в ср – ток рассчитанный в таблице П2.

По заданному среднему значению тока I в.ср через тиристор выбираем из справочника тиристор, обеспечивающий этот ток с заданным типом охладителя при естественном охлаждении, используя для примера данные таблицы П3 ″Нагрузочная способность тиристоров″. Данные тиристоров и тип охладителей приведены в справочниках.

Максимально допустимое повторяющееся обратное напряжение U п (амплитудное) на тиристоре определяется классом тиристора. Класс – это целое число ряда ″к″. Допустимое обратное напряжение U п выражается числом ″к″, умноженным на 100. Например: тиристор 4-класса допускает обратное напряжение не свыше U п = 400 вольт. С обозначением тиристоров, например, Т-143-630-16, необходимо ознакомиться самостоятельно: 630 А – предельный ток, к = 16 - класс напряжения.

Максимально допустимый однократныйимпульс перенапряжения не должен превышать значение U нПмаксимально допустимое неповторяющееся напряжение с учетом класса тиристора (U нП > U П).

Ударным током I удар называют наибольший импульсный ток в открытом состоянии тиристора, протекание которого вызывает превышение максимально допустимой температуры перехода, но воздействие которого за время срока службы тиристора предполагается редким, с ограниченным числом повторений.

Защитным показателем называют значение интеграла от квадрата ударного неповторяющегося тока в открытом состоянии тиристора за время протекания ударного тока.

 

Таблица П4

Характеристика выбранного тиристора

 

Марка тиристора I ср, A T=850С Класс к U п,, В U нП, В I удар, кА tи=10мс dU / dt доп В/мкс dI / dt доп А/мкс tвыкл, мкс Защитный показатель кA2c
Т171-200     1,1 1,75          

6.2. Выберем охладитель, конструктивного исполнения 171, длиной 80 мм, с условным обозначением О-171-80.

 

7. РАСЧЁТ АВАРИЙНЫХ ТОКОВ И ИНТЕГРАЛА ПРЕДЕЛЬНОЙ НАГРУЗКИ ВНЕШНЕГО КЗ ВЫПРЯМИТЕЛЕЙ

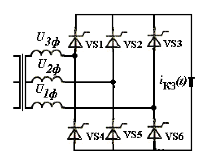
Для расчета тока КЗ следует рассчитать параметры, характеризующие цепь КЗ (рис. 4).

 

Рис. 4. Схема контура протекания аварийного тока внешнего КЗ трёхфазной мостовой схемы.

7.1. Активное сопротивление обмоток трансформатора r т определяется активными потерями в нем. Активные потери (потери в меди) принимаются равными 2,5% от полной мощности S T трансформатора. Тогда активное сопротивление цепи находится как:

r T = 0,025·[3 U 2/ S T]=0,025∙3∙98,332/8400=0,086 Ом.

 

 

7.2. Индуктивная составляющая сопротивления Хs обмотки трансформатора рассчитана в п. 2.6.

7.3. Мгновенное значение тока i к1(t) внутреннего КЗ рассчитывается по соотношению

 

 

где =0,9, рад;

=0,8;

=875 А

где Iа ­– базовый ток для трёхфазной мостовой схемы. Заметим, что в формулу подставляются углы, выраженные в радианах. Базовый ток I а характеризует амплитуду периодической составляющей короткозамкнутой цепи. Величина этого тока характеризует максимальное значение рассчитываемого тока короткого замыкания.

 

7.4.2. Рассчитывается значение базового тока I б.

 

Таблица П7

 

t, c   0,002 0,006 0,010 0,015
i(t), А          
I б 875 А
t удар2 4,9 мс
I удар2 =I авар2 i к2(t)max=872 А
313

 

 

7.4.3. По соотношению, приведенному выше, производится расчет и построение зависимости тока КЗ i к2(t) интервале времени 0 < t < 0,015 сек вплоть до нулевого значения тока (таблица П7).

 

Рис. 5. Количественная характеристика i КЗ(t)

 

7.4.4. По кривой i к2(t) производится расчет ударного тока I удар1внешнего КЗ как максимальное значение i к2(t)max в момент времени t удар2 в интервале
0 < t < 0,015 сек (табл. П7).7.4.5. Определяется расчетное значение интеграла предельной нагрузки (А2с) по соотношению (табл. П7):

 

 




Поделиться с друзьями:


Дата добавления: 2015-08-31; Просмотров: 1106; Нарушение авторских прав?; Мы поможем в написании вашей работы!


Нам важно ваше мнение! Был ли полезен опубликованный материал? Да | Нет



studopedia.su - Студопедия (2013 - 2025) год. Все материалы представленные на сайте исключительно с целью ознакомления читателями и не преследуют коммерческих целей или нарушение авторских прав! Последнее добавление




Генерация страницы за: 0.011 сек.