Студопедия

КАТЕГОРИИ:


Архитектура-(3434)Астрономия-(809)Биология-(7483)Биотехнологии-(1457)Военное дело-(14632)Высокие технологии-(1363)География-(913)Геология-(1438)Государство-(451)Демография-(1065)Дом-(47672)Журналистика и СМИ-(912)Изобретательство-(14524)Иностранные языки-(4268)Информатика-(17799)Искусство-(1338)История-(13644)Компьютеры-(11121)Косметика-(55)Кулинария-(373)Культура-(8427)Лингвистика-(374)Литература-(1642)Маркетинг-(23702)Математика-(16968)Машиностроение-(1700)Медицина-(12668)Менеджмент-(24684)Механика-(15423)Науковедение-(506)Образование-(11852)Охрана труда-(3308)Педагогика-(5571)Полиграфия-(1312)Политика-(7869)Право-(5454)Приборостроение-(1369)Программирование-(2801)Производство-(97182)Промышленность-(8706)Психология-(18388)Религия-(3217)Связь-(10668)Сельское хозяйство-(299)Социология-(6455)Спорт-(42831)Строительство-(4793)Торговля-(5050)Транспорт-(2929)Туризм-(1568)Физика-(3942)Философия-(17015)Финансы-(26596)Химия-(22929)Экология-(12095)Экономика-(9961)Электроника-(8441)Электротехника-(4623)Энергетика-(12629)Юриспруденция-(1492)Ядерная техника-(1748)

Розрахунок температури природного газу при його розширенні у детандері




 

У детандер-генераторному агрегаті (ДГА) відбувається зниження тиску природного газу і перетворення механічної роботи турбодетандера у електричну енергію на виведенні генератора. Підігрів газу перед ДГА необхідний внаслідок зниження його температури при розширенні аж до декількох десятків негативних градусів Цельсія. Крім того, більш висока температура на вході у турбодетандер підвищує його ККД (через більшу величину теплоперепада).

Для підбору способу підігріву і розрахунку обладнання для нагріву газу перед ДГА, необхідно визначити температуру газу після його розширення у детандері.

Спочатку оцінимо на скільки знизиться температура природного газу при його розширенні від вихідного тиску 2.5 МПа до кінцевого 0.3 МПа при самій низькій температурі природного газу 3 °С на вході у ГРС для Одеської області в січні (див. табл. 2.2).

Приймаємо адіабатний ККД детандера 0.75.

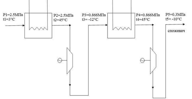
Попередній розрахунок показав, що при одноступінчастому розширенні у детандері для заданого перепаду тиску температура газу знижується дуже істотно. За вимогами ДСТУ, температура газу на виході з ГРС повинна становити не менше мінус 10 °С. При заданому перепаді тиску необхідно буде нагріти газ до досить високої температури перед входом в ДГА, для того, щоб отримати на виході його температуру не нижче мінус 10 °С. Тому, приймається рішення використовувати двоступеневе розширення газу в детандері з його проміжним підігрівом. Схема такого способу підігріву наведена на мал. 2.3.

Малюнок 2.3 Двоступенева схема розширення газу у детандерах з його проміжним підігрівом

 

Тут прийняті такі індекси:

1 - параметри газу на вході у підігрівач першої ступені;

2 - параметри газу на виході з підігрівача першої ступені (вході у ДГА першої ступені);

3 - параметри газу на вході у підігрівач другої ступені (на виході з ДГА першої ступені);

4 - параметри газу на виході з підігрівача другої ступені (вході у ДГА другої ступені);

5 - параметри газу на виході з ДГА другої ступені.

 

Відповідно з наведеною на мал. 2.3 схемою був виконаний розрахунок параметрів газу при його двоступеневому розширенні у детандері.

Розрахунок проводився за методикою [1].

1. Визначається температура газу на виході з ДГА другого ступеня по ДСТУ: t = -10°C.

2. Визначається оптимальний проміжний тиск між ступенями детандера: , при прийнятих умовах оптимальний тиск визначається з виразу .

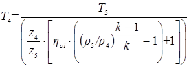
3. Визначається температура газу на вході у детандер другого ступеня ; коефіцієнт z4 у першому наближенні задається рівним z5, потім розрахунок температури газу на виході з ДГА ведеться методом послідовних наближень.

4. Визначається температура газу на вході у ДГА першого ступеня: .

5. Визначається температура газу на виході з першої ступені ДГА:

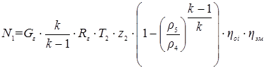
6. Визначається потужність, що виробляється ДГА:

Розрахунки за наведеною методикою виконувалися у mathcad, результати розрахунку для різних тисків на вході у ГРС наведено в табл. 2.3.


 

Таблиця 2.3 Параметри природного газу при його двоступеневому розширенні у детандері при різних температурах природного газу на вході у ГРС, тиску на вході 2.5 МПа, на виході 0.3 МПа.

P1=P2, МПа 2.5
P3=P4, МПа 0.866
P5, МПа 0.3
t2, °С  
t3, °С -12
t4, °С  
t5, °С -10
N1, кВт  
N2, кВт  
Nсумм, кВт  

 

Як видно з виконаного розрахунку, температуру, до якої потрібно нагрівати газ при двоступеневому розширенні у детандері при максимальному тиску на вході у ГРС становить 45 °С. Для цієї температури і буде виконуватися розрахунок теплового насосу.

 

 




Поделиться с друзьями:


Дата добавления: 2015-07-13; Просмотров: 422; Нарушение авторских прав?; Мы поможем в написании вашей работы!


Нам важно ваше мнение! Был ли полезен опубликованный материал? Да | Нет



studopedia.su - Студопедия (2013 - 2026) год. Все материалы представленные на сайте исключительно с целью ознакомления читателями и не преследуют коммерческих целей или нарушение авторских прав! Последнее добавление




Генерация страницы за: 0.011 сек.