Студопедия

КАТЕГОРИИ:


Архитектура-(3434)Астрономия-(809)Биология-(7483)Биотехнологии-(1457)Военное дело-(14632)Высокие технологии-(1363)География-(913)Геология-(1438)Государство-(451)Демография-(1065)Дом-(47672)Журналистика и СМИ-(912)Изобретательство-(14524)Иностранные языки-(4268)Информатика-(17799)Искусство-(1338)История-(13644)Компьютеры-(11121)Косметика-(55)Кулинария-(373)Культура-(8427)Лингвистика-(374)Литература-(1642)Маркетинг-(23702)Математика-(16968)Машиностроение-(1700)Медицина-(12668)Менеджмент-(24684)Механика-(15423)Науковедение-(506)Образование-(11852)Охрана труда-(3308)Педагогика-(5571)Полиграфия-(1312)Политика-(7869)Право-(5454)Приборостроение-(1369)Программирование-(2801)Производство-(97182)Промышленность-(8706)Психология-(18388)Религия-(3217)Связь-(10668)Сельское хозяйство-(299)Социология-(6455)Спорт-(42831)Строительство-(4793)Торговля-(5050)Транспорт-(2929)Туризм-(1568)Физика-(3942)Философия-(17015)Финансы-(26596)Химия-(22929)Экология-(12095)Экономика-(9961)Электроника-(8441)Электротехника-(4623)Энергетика-(12629)Юриспруденция-(1492)Ядерная техника-(1748)

Тормозная рычажная передача вагона

 

Тормозная рычажная передача вагона представляет собой систему рычагов, тяг, триангелей, передающих на фрикционные узлы системы усилие, действующее от давления сжатого воздуха на поршень тормозного цилиндра, или силу от привода стояночного тормоза.

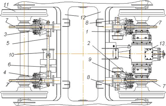
Схема а) и конструкция б тормозной рычажной передачи четырехосного грузового вагона представлена на рис. 10.4.

 
 

 


Рис. 10.4. Схема (а) и конструкция ) тормозной рычажной передачи
четырехосного грузового вагона:

1 – вертикальный рычаг; 2 и 11 – тяга; 3 – авторегулятор; 4 и 10 – горизонтальные рычаги; 5 – затяжка; 6 – шток; 7 – кронштейн на задней крышке тормозного цилиндра;
8 – отверстие (при композиционных колодках); 9 – отверстие (при чугунных тормозных колодках); 12 и 14 – рычаги; 13 – серьги; 15 – распорки; 16 – подвески;
7 – распорки триангелей; 18 – триангель; 19 – специальные наконечники триангелей

 

Для всех грузовых вагонов колеи 1520 мм характерной особенностью является одностороннее нажатие тормозных колодок на колеса,
а для пассажирских и рефрижераторных вагонов – двухстороннее нажатие.

В тормозной рычажной передаче четырехосного грузового вагона (рис. 10.4) горизонтальные рычаги 4 и 10 шарнирно соединены со штоком 6 и кронштейном 7 на задней крышке тормозного цилиндра, а также с тягой 2 и авторегулятором 3 и с тягой 11. Между собой они соединены затяжкой 5, отверстия 8 которой предназначены для установки валиков при композиционных колодках, а отверстия 9 – при чугунных тормозных колодках.

Тяги 2 и 11 соединены с вертикальными рычагами 1 и 12, а рычаги 14 соединены с серьгами 13 мертвых точек на шкворневых балках тележек. Между собой вертикальные рычаги соединены распорками 15, а их промежуточные отверстия шарнирно соединены с распорками 17 триангелей с тормозными башмаками и колодками, которые подвесками 16 соединены с кронштейнами боковых рам тележки.

Схема и элементы конструкции тормозной рычажной передачи пассажирского вагона отечественной постройки с двусторонним нажатием тормозных колодок представлены на рис. 10.5.

 

 

Рис. 10.5. Схема (а) и конструкция (б) тормозной рычажной передачи пассажирского вагона

Тяги 1, одна из которых имеет авторегулятор тормозной рычажной передачи 3, соединены с балансирами 4, которые через промежуточные тяги 5 равномерно распределяют усилие на вертикальные рычаги 6 и 9 обеих тележек (на рис. 10.5 показана одна тележка). Вертикальные рычаги 6 и 9 через серьги 7 соединены с траверсами 8, а между собой – затяжкой 10. На концах траверсы на цилиндрических цапфах свободно укреплены тормозные башмаки с тормозными колодками. Затяжки 10 с вертикальными рычагами подвешены к раме тележки на подвесках 11, а траверсы – на подвесках 12.

Привод ручного тормоза состоит из винта 20 с самотормозящейся резьбой, гайки 19, двух конических шестерен 21 и штурвала 22, находящегося в тамбуре кузова вагона. Усилие от поступательно перемещающейся гайки передается через кривой рычаг 18, тяги 17, 15, 13 и рычаги 16 и 14 на горизонтальный рычаг 2. Для предохранения от падения на путь деталей тормозной рычажной передачи имеются скобы 23. При торможении усилие от штока поршня тормозного цилиндра через горизонтальные рычаги 2, тягу 1, балансир 4 передается на вертикальные рычаги 9, которые, поворачиваясь относительно своих затяжек 10, прижимают через траверсы тормозные колодки к колесам. При отпуске тормоза тормозная рычажная передача под воздействием собственной массы и усилия оттормаживающей пружины тормозного цилиндра, которая при торможении сжимается, возвращается в первоначальное отпущенное состояние.

В пассажирских вагонах, предназначенных для эксплуатации в скоростных поездах, применяются дисковые тормоза с дисками на оси колесной пары.

 

 

Рис. 10.6. Дисковый тормоз пассажирского вагона

 

Дисковый тормоз (рис. 10.6) состоит из тормозных блоков 1, 2, 3 и 4, закрепленных при помощи болтовых соединений к кронштейнам поперечных балок 12 рамы тележки. Тормозные блоки 1 и 2 состоят из корпусов 8 и закрепленных на них тормозных цилиндров и клещевых механизмов 9 с тормозными башмаки и накладками из композиционного материала.

Тормозные блоки 3 и 4 состоят из корпусов и клещевых механизмов, внутренние рычаги которых шарнирно связаны соответственно со штоком и корпусом тормозного цилиндра 10 продольными тягами 5 и 6. Тормозные цилиндры предназначены для прижатия тормозных накладок к тормозному диску 7. посредством передачи тормозного усилия к ним через тягу и клещевые механизмы.

Дисковые тормоза позволяют избежать образования термических трещин на поверхности катания колеса. Однако при таких тормозах поверхность катания колес не очищается от грязи, масляных пленок, что приводит к ухудшению сцепления колес с рельсами, а следовательно, и к юзу (заклиниванию) колеса с образованием ползуна при высоких удельных тормозных силах.

Для предотвращения юза колеса на скоростном подвижном составе применяются противоюзные устройства, которые при появлении определенного проскальзывания колеса по рельсу и замедлении вращения колесной пары обеспечивают на период повышенного скольжения колеса уменьшение момента тормозных сил, действующих на соответствующую колесную пару. При действии противоюзного устройства длина тормозного пути несколько увеличивается.

 

<== предыдущая лекция | следующая лекция ==>
Электропневматические тормоза | Расчет суммарного нажатия тормозных колодок
Поделиться с друзьями:


Дата добавления: 2014-01-03; Просмотров: 10861; Нарушение авторских прав?; Мы поможем в написании вашей работы!


Нам важно ваше мнение! Был ли полезен опубликованный материал? Да | Нет



studopedia.su - Студопедия (2013 - 2026) год. Все материалы представленные на сайте исключительно с целью ознакомления читателями и не преследуют коммерческих целей или нарушение авторских прав! Последнее добавление




Генерация страницы за: 0.013 сек.