Студопедия

КАТЕГОРИИ:


Архитектура-(3434)Астрономия-(809)Биология-(7483)Биотехнологии-(1457)Военное дело-(14632)Высокие технологии-(1363)География-(913)Геология-(1438)Государство-(451)Демография-(1065)Дом-(47672)Журналистика и СМИ-(912)Изобретательство-(14524)Иностранные языки-(4268)Информатика-(17799)Искусство-(1338)История-(13644)Компьютеры-(11121)Косметика-(55)Кулинария-(373)Культура-(8427)Лингвистика-(374)Литература-(1642)Маркетинг-(23702)Математика-(16968)Машиностроение-(1700)Медицина-(12668)Менеджмент-(24684)Механика-(15423)Науковедение-(506)Образование-(11852)Охрана труда-(3308)Педагогика-(5571)Полиграфия-(1312)Политика-(7869)Право-(5454)Приборостроение-(1369)Программирование-(2801)Производство-(97182)Промышленность-(8706)Психология-(18388)Религия-(3217)Связь-(10668)Сельское хозяйство-(299)Социология-(6455)Спорт-(42831)Строительство-(4793)Торговля-(5050)Транспорт-(2929)Туризм-(1568)Физика-(3942)Философия-(17015)Финансы-(26596)Химия-(22929)Экология-(12095)Экономика-(9961)Электроника-(8441)Электротехника-(4623)Энергетика-(12629)Юриспруденция-(1492)Ядерная техника-(1748)

Перенесение на местность главных и основных осей сооружений




Перенесение на местность проекта здания или сооружения начинают с разбивки главных и основных осей по данным геодезической подготовки генплана (разбивочным чертежам, схемам), где указана их привязка к пунктам разбивочной основы. Главные и основные оси являются геодезической основой для последующих разбивочных работ.

Оси разбивают от пунктов плановой разбивочной основы (красных линий, строительной сетки, пунктов полигонометрии и др.).

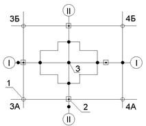
Разбивку зданий и сооружений сложной в плане формы (рис. 3.9.1.) начинают с перенесения главных осей I-I и II-II. Для этого от опорного пункта переносят и закрепляют сначала длинную главную ось. Затем путем промеров находят на ней точку 3 пересечения осей. Установив теодолит в точке 3, строят полным приемом два прямых угла и получают оси II-II. Главные оси здания закрепляют на местности не менее чем в пяти точках с помощью обрезков труб, уголков, скоб с раскосами, деревянных столбов с гвоздями, забитыми сверху и т. п.

 

Рис. 3.9.1. Схема разбивки главных осей

1 – пункт строительной сетки, 2 – постоянные знаки закрепления осей, 3 – металлические штыри.

 

Рис. 3.9.2. Схема разбивки основных осей

1 – пункты полигонометрии, 2 – точки теодолитных ходов, 3 –постоянные знаки закрепления осей, 4 – металлические штыри.

 

Разбивку основных осей (рис. 3.9.2.) начинают от опорных пунктов с перенесения на местность двух крайних точек: А2 и Б2, определяющих положение наиболее длинной продольной оси, от которой в последующем проводится дальнейшая разбивка. Построением полным приемом прямых углов в этих точках и отложением в полученном направлении проектной длины получают точки А1 и Б1. Для контроля измеряют линию А1Б1 и сравнивают с проектным значением. Правильность построения также проверяют измерением длин диагоналей А1 – Б2 и А2 – Б1, разность между которыми должна быть в пределах допустимого.

Перенесение осей осуществляется различными способами, рассмотренными выше, в зависимости от рельефа местности, вида опорных пунктов, точности разбивочных работ.

 




Поделиться с друзьями:


Дата добавления: 2013-12-12; Просмотров: 1226; Нарушение авторских прав?; Мы поможем в написании вашей работы!


Нам важно ваше мнение! Был ли полезен опубликованный материал? Да | Нет



studopedia.su - Студопедия (2013 - 2026) год. Все материалы представленные на сайте исключительно с целью ознакомления читателями и не преследуют коммерческих целей или нарушение авторских прав! Последнее добавление




Генерация страницы за: 0.008 сек.