Студопедия

КАТЕГОРИИ:


Архитектура-(3434)Астрономия-(809)Биология-(7483)Биотехнологии-(1457)Военное дело-(14632)Высокие технологии-(1363)География-(913)Геология-(1438)Государство-(451)Демография-(1065)Дом-(47672)Журналистика и СМИ-(912)Изобретательство-(14524)Иностранные языки-(4268)Информатика-(17799)Искусство-(1338)История-(13644)Компьютеры-(11121)Косметика-(55)Кулинария-(373)Культура-(8427)Лингвистика-(374)Литература-(1642)Маркетинг-(23702)Математика-(16968)Машиностроение-(1700)Медицина-(12668)Менеджмент-(24684)Механика-(15423)Науковедение-(506)Образование-(11852)Охрана труда-(3308)Педагогика-(5571)Полиграфия-(1312)Политика-(7869)Право-(5454)Приборостроение-(1369)Программирование-(2801)Производство-(97182)Промышленность-(8706)Психология-(18388)Религия-(3217)Связь-(10668)Сельское хозяйство-(299)Социология-(6455)Спорт-(42831)Строительство-(4793)Торговля-(5050)Транспорт-(2929)Туризм-(1568)Физика-(3942)Философия-(17015)Финансы-(26596)Химия-(22929)Экология-(12095)Экономика-(9961)Электроника-(8441)Электротехника-(4623)Энергетика-(12629)Юриспруденция-(1492)Ядерная техника-(1748)

Эксплуатационные параметры транзистора




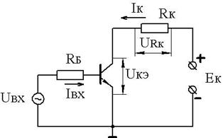
Работа транзистора с нагрузкой (динамический режим).

(Динамическая характеристика).

тогда

 

 

 

 

Составной транзистор (схема Дарлингтона).

 

Если

При .

При .

 

1. Коэффициенты передачи тока α и β ();

2.

3. Обратный ток коллекторного перехода

4. – максимально допустимый ток коллектора;

5. Максимально допустимое напряжение между коллектором и общим электродом ();

6. Напряжение насыщения ;

7. - максимально допустимая мощность на коллекторе

;

В усилительном режиме

8. Емкость коллекторного перехода – СК;

9. Предельная частота усиления по току () (иногда это называют граничной частотой) – это частота на которой α или β уменьшаются до 0,7 от своего статического значения.

10. Тепловое сопротивление между коллектором транзистора и корпусом ; - перепад температур между коллектором и корпусом.

11. Максимальная частота усиления (генерации) fmax – это частота при которой КР=1.

 




Поделиться с друзьями:


Дата добавления: 2014-01-06; Просмотров: 376; Нарушение авторских прав?; Мы поможем в написании вашей работы!


Нам важно ваше мнение! Был ли полезен опубликованный материал? Да | Нет



studopedia.su - Студопедия (2013 - 2026) год. Все материалы представленные на сайте исключительно с целью ознакомления читателями и не преследуют коммерческих целей или нарушение авторских прав! Последнее добавление




Генерация страницы за: 0.011 сек.