Студопедия

КАТЕГОРИИ:


Архитектура-(3434)Астрономия-(809)Биология-(7483)Биотехнологии-(1457)Военное дело-(14632)Высокие технологии-(1363)География-(913)Геология-(1438)Государство-(451)Демография-(1065)Дом-(47672)Журналистика и СМИ-(912)Изобретательство-(14524)Иностранные языки-(4268)Информатика-(17799)Искусство-(1338)История-(13644)Компьютеры-(11121)Косметика-(55)Кулинария-(373)Культура-(8427)Лингвистика-(374)Литература-(1642)Маркетинг-(23702)Математика-(16968)Машиностроение-(1700)Медицина-(12668)Менеджмент-(24684)Механика-(15423)Науковедение-(506)Образование-(11852)Охрана труда-(3308)Педагогика-(5571)Полиграфия-(1312)Политика-(7869)Право-(5454)Приборостроение-(1369)Программирование-(2801)Производство-(97182)Промышленность-(8706)Психология-(18388)Религия-(3217)Связь-(10668)Сельское хозяйство-(299)Социология-(6455)Спорт-(42831)Строительство-(4793)Торговля-(5050)Транспорт-(2929)Туризм-(1568)Физика-(3942)Философия-(17015)Финансы-(26596)Химия-(22929)Экология-(12095)Экономика-(9961)Электроника-(8441)Электротехника-(4623)Энергетика-(12629)Юриспруденция-(1492)Ядерная техника-(1748)

Топливные баки




Схемы систем питания двигателей

Схема системы питания карбюраторного двигателя. Система пита-
ния карбюраторного двигателя предназначена для приготовления из
топлива и воздуха горючей смеси требуемого качества и подачи ее в ци-
линдры двигателя в нужном количестве.

Топливо из бака 10 (рис. 89) через фильтр-отстойник 14 и топливо-
провод 7 засасывается топливным насосом 18 и подается в карбюратор
3. При такте впуска воздух из атмосферы, пройдя воздушный фильтр
(воздухоочиститель) 2, очищается от посторонних примесей и поступа-
ет в карбюратор. Здесь топливо распыливается, смешивается с воздухом
и начинает испаряться. Приготовление горючей смеси происходит и
во впускной трубе, двигаясь по которой топливо продолжает испарять-
ся и перемешиваться с воздухом. Этот процесс заканчивается в цилинд-
рах двигателя во время тактов впуска и сжатия.

После сгорания рабочей смеси отработавшие газы через выпускной
трубопровод 17, трубы 16 и глушитель 15 выбрасываются в атмосферу.
Топливо заливают в бак 10 через горловину, закрываемую пробкой 11.

Схема системы питания дизеля. Система питания дизеля предназна-
чена для подачи жидкого топлива (под давлением) и воздуха в цилинд-
ры. Схемы системы питания тракторных дизелей мало отличаются друг
от друга. Ниже в качестве примера рассматривается схема системы пи-
тания дизеля Д-240 (рис. 90).

Топливо, заливаемое в бак 2, проходит сквозь фильтр бака и при
открытом кране 3 засасывается топливоподкачнвающим насосом 7 че-
рез топливопровод 4, фильтр грубой очистки 5, топливопровод 6 и по-
дается под давлением по топливопроводу 8 к фильтру 9 тонкой очистки.
В фильтре 5 топливо очищается от крупных механических частиц, а в
фильтре 9 — от оставшихся примесей. По топливопроводу 10 топливо
поступает в насос 12, из которого под большим давлением подается но
топливопроводам 13 высокого давления к форсункам 16. Форсунки
впрыскивают топливо в камеры 14 сгорания.

Топливо, просачивающееся через зазоры сопрягаемых деталей фор-
сунок, по трубкам 15 отводится в бак 2. Излишки топлива из насо-
са по топливопроводу попадают обратно в топливоподкачивающий
насос 7.

Воздух в цилиндры дизеля поступает через воздухоочиститель 18
и впускной трубопровод 19. Отработавшие газы из цилиндров выпуска-
ются в атмосферу через трубопровод 17 и глушитель /.

Топливные баки изготовляют из листовой стали. Емкость бака рас-
считана на непрерывную работу двигателя с полной нагрузкой в течение
не менее 10 ч.


Рис. 89. Схема спегемы инталия карбюрг»тормого двшмтс.-ш (311Л-130):

 

/капал подвода воздуха к воздухоочистителю; 2 ■ воздухоочиститель; X карбюратор; 4- рукоятка ручного управления воздушной заслонкой; г> —
рукоятка ручного управления дроссельными заслонками; 6 ■ педаль иода<т топлива; 7 топливопроводы; указатель уровня чоп.'шва; 9 -- датчик
указатели уровня топлива; (0- топливным бак; // пробка гор.човипы топливного бака; /2 крап; /.'i — выпускная труба глушителя; 14 — фн.чьчр-
отстойник; f.'i глушитель; 16-•• приемные трубы глушителя; /7 выпускной грубиировод; /Л' няьчивный n;»coi\


Рис. 90. Схема системы питания дизеля Д-240: 1— глушитель; 2— топливный бак; 3—кран; 4, 6, 8, 10— топливопроводы; 5 — фильтр гру- бой очистки; 7 — топливоподкачивающнй насос; 9— фильтр тонкой очистки; //- - регулятор скорости; 12 — топливный насос; 13 — топливопровод высокого давления; 14 — камера сго- рания; 15 — слнвной топливопровод; 16 — форсунка; 17 — выпускной трубопровод; 18— воз- духоочиститель; 19— впускной трубопровод; 20 — электрофакельный подогреватель.

 

Обычно топливные баки для удобства заправки и в целях противо-
пожарной безопасности устанавливают за кабиной водителя и крепят
к раме или корпусу заднего моста. Устройство топливного бака тракто-
ра ДТ-75М показано на рисунке 91.

Бак состоит из двух половин, сваренных между собой. Для повыше-
ния жесткости бака и уменьшения колебания топлива в нем внутри каж-
дой половины бака приварены две перегородки, имеющие отверстия в
нижней части. В наливную горловину 5 вставлены сетчатый фильтр 2
и линейка 1 для замера уровня топлива. Горловина закрывается проб-
кой 4, отверстие 3 которой сообщает полость бака с атмосферой.

Топливо из бака отбирается через трубку 6, которая с целью умень-
шения возможности попадания отстоя топлива в приборы системы пи-
тания расположена выше дна бака. Расходный кран 7 служит для отъе-
динения бака от остальной части системы питания, а сливной кран 8—
для удаления отстоя топлива. Топливные баки автомобилей оборудова-
ны пробкой (рис. 92) с паровым и воздушным клапанами. Выпускной
клапан 6, нагруженный пружиной 3, открывается и выпускает пары
топлива в атмосферу, когда из-за испарения топлива давление в баке
увеличится и превысит на 0,01—0,18 МПа атмосферное. По мере рас-
ходования топлива давление в баке уменьшается. При разрежении
0,002—0,004 МПа открывается воздушный клапан 4, нагруженный сла-
бой пружиной 5, и в бак поступает воздух.

Основные детали баков различных тракторов примерно те же, что
и у трактора ДТ-75М. Топливный бак тракторов Т-Ю0М и Т-130 имеет
приспособление для механизированной заправки топливом.

 

щенное топливо поступает из стаканчика через фильтрующую сетку 11
по топливопроводу в карбюратор.

У двигателей ЗМЗ-451М, ГАЭ-53, ЗИЛ-130 и других между баком
и топливным насосом установлен щелевой пластинчатый фильтр-от-
стойник (рис. 93, б). Его фильтрующий элемент 6 состоит из набора ла-
тунных колец-пластин 11 толщиной 0,14 мм и двух опорных (верхней и
нижней) пластин, надетых на стойки 7.

Рис. 93. Фильтры-отстойкпкй топлива двигателей:

 

а — фильтр-отстойник двигателей ПД-ЮУ и П-350: / - корпус; 2 — канал в корпусе: 3 — штуцер,
■/--трубка; 5 — фильтрующая сетка; 6 — краиик; 7 — стаканчик; в —гайка; 9 -- винт; 10 — дужка:
// — фильтрующая сетка; 12 — пробковая прокладка; 13 — отверстие для штуцера; б — щелевой
пластинчатый фильтр-отстойник двигателей 3M3-451, ЗИЛ-130 и ГАЗ-оЗ: / — трубка от бака; 2 —
прокладка корпуса: 3— болт; 4 — трубка к топливному насосу:.5 — прокладка: 6 — фильтрующий
элемент; 7 —стойка; 8— корпус: 9— пробка сливного отверстия: 10 — стержень; // — пластина
фильтрующего элемента; 12 — отверстие в пластине для прохода топлива; 13—- выступы на пласти-
не; 14 — отверстие в пластине для стоек; 15 — головка фильтра-отстойника: в - фильтр-отстойник
двигателей ЗМЗ-451М, ЗИЛ-130 н ГАЭ-53: / — корпус; 2 — прокладка: 3 - фильтрующий элемент:
4 — пружина: 5 —стакан: 6 — дужка; г ■ фил: тр (ФГ) грубой очистки топлива дизелей: /, 2 — по-
лые болты; 3 --корпус: -(— распределитель; 5 — фплырующш) элемент; 6" — стакан; 7 — успокои-
тель: Л, Б, В — полости.

Фильтрующая пластина имеет два отверстия 14 для крепления на
стойках, отверстия 12 для прохода очищенного топлива и выступы 13
высотой 0,05 мм. Благодаря выступам между пластинами образуются
щели шириной 0,05 мм.

Топливо из бака по трубке 1 поступает в корпус 8, доверху заполняя
его. Вода и крупные механические частицы оседают на дно корпуса, а
топливо проходит через щели между пластинами, по отверстиям 12, об-
разующим ряд вертикальных проходов, поступает в камеру головки 15
и по трубке 4 идет к топливному (бензиновому) насосу. Фильтрующий
элемент задерживает частицы размером более 0,05 мм. Отстой из кор-
пуса периодически сливают через отверстие, закрытое пробкой 9.

У двигателей ЗМЗ-451М, ГАЭ-53, ГАЗ-52 и ЗИЛ-130 между топлив-
ным насосом и карбюратором установлен фильтр тонкой очистки топли-
ва, имеющий керамический фильтрующий элемент 3 (рис. 93, в) или эле-
мент, состоящий из стакана, изготовленного из алюминиевого сплава
с отверстиями и ребрами, на который намотана мелкая латунная сетка.

Фильтры очистки топлива дизелей. У дизелей применяется двойная
очистка топлива: последовательно в фильтрах грубой и тонкой очистки
(см. рис. 90).

Фильтр грубой очистки служит для удаления из топлива крупных
механических примесей и мельчайших частиц воды, а фильтр тонкой
очистки — для удаления мелких твердых частиц.

На дизелях А-41, А-01М. Д-50, Д-240, Д-160, СМД-60 и СМД-14
грубой очистке топливо подвергается в фильтре-отстойнике типа
ФГ (рис. 93, г), действующем следующим образом. Топливо, засасывае-
мое подкачивающим насосом через полый болт 1 из бака, заполняет
кольцевую полость А в корпусе 3 и через восемь отверстий диаметром
2 мм в распределителе 4 поступает в стакан 6. Потек топлива проходит
через кольцевой зазор между фильтрующим элементом 5 и стаканом 6
и поступает в полость Б. Основная часть топлива, засасываемая насосом,
резко меняет направление своего движения и преходит через сетку
фильтрующего элемента 5, имеющую ячейки размером 0,1X0,1 мм. Ос-
тальная часть топлива движется вниз вдоль стенок стакана 6. Механи-
ческие примеси и микрочастицы воды, имеющие больший удельный вес,
стремятся сохранить прямолинейное движение и вместе с потоком топ-
лива проходят через кольцевой зазор между успокоителем 7 и стака-
ном 6 в полость В отстоя. Успокоитель 7 отделяет полость Б, в которой
циркулирует топливо, от полости В и обеспечивает эффективную работу
фильтра при вибрации, уменьшая попадание отстой в полость Б.

На дизелях СМД-60 и А-01М установлен двухступенчатый
фильтр тонкой очистки (рис. 94, а) с последовательно включен-
ными первой и второй ступенями очистки.

В качестве первой ступени используется фильтр 2ТФ-3, состоящий
из двух одинаковых секций. Каждая секция представляет собой пласт-
массовый корпус 14, в котором размещен неразборный фильтрующий
элемент 4 (ЭТФ-3). Обе секции крепятся к одной общей крышке 8.

Фильтрующий элемент 4 представляет собой штору из специаль-
ной бумаги, помещенную в картонный цилиндр с отверстиями для
прохода топлива. С целью создания максимальной поверхности очист-
ки штора свернута в виде «гармошки». Снизу и сверху цилиндр плотно
закрыт жестяными крышками. Фильтрующий элемент надет на стер-
жень 5, один конец которого ввернут в штуцер 13, а второй закреплен
в крышке 8 гайкой 9. Вверху фильтрующий элемент уплотняется вой-
лочным кольцом 7, приклеенным к крышке, а внизу резиновым саль-
ником 3, плотно надетым на стержень 5. Фильтрующие элементы при-
жимаются к крышке 8 пружиной 12.

Топливо из подкачивающего насоса поступает в корпуса 14 через
трехходовой кран 10 и канал в крышке 8. Оба фильтрующие элемента

ф ф ф

Лротвка Ps5cm РрсмыНна
провийсекиии /евзй izwuo §

Рис 94 Фильтр тонкой очистки топлива дизеля А-01М:

а — фильтр тонкой очистки топлива; 0—положение трехходоиого крана при промывке сек-
ций первой ступени очистки: / — пробка; 2- шарик; 3— резиновый сальник; — фильтру-
ющий элемент: 5 — стержень; в. 11 и 17 — топливопроводы; 7 — поблочное колъио: 8 — крыш-
ка фильтра; У — гаИка; 10 — трехходовой кран; 12 — пружина; 13 — штуцер; 14—корпус сек-
ции фильтра; 15 ■— сливная трубка; 16 —■ рукоятка вентиля.

4 работают параллельно. Топливо, проходя через штору во внутрен-
нюю полость элемента, очищается, а отфильтрованные примеси осаж-
даются на наружной поверхности шторы.

Из внутренней полости элемента 4 топливо через канал в крышке
8 и топливопровод 11 направляется в фильтр ТФ-3 второй ступени, с
одним фильтрующим элементом ЭТФ-3. Отсюда очищенное топливо
поступает по топливопроводу 17 в топливный насос.

Изменяя положение трехходового крана 10 фильтра 2ТФ-3
(рис. 94, б) и соответственно отворачивая на 1—2 оборота пробку /,
можно поочередно через каждый элемент 4 (рис. 94, а) пропускать в
обратном направлении топливо, которое смывает со шторы элемента
отложения и восстанавливает его фильтрующую способность. Воздух
из фильтра удаляют, отвернув рукоятку 16 вентиля.

В дизелях СМД-14 и А-41 применен двухступенчатый фильтр
2СТФ-3, который аналогичен фильтру 2ТФ-3, но секции его работают
последовательно, то есть все топливо очищается сначала в одной (пра-
вой, если смотреть на кран), а затем в другой. Для промывки противо-
током топлива правого фильтрующего элемента предусмотрен двуххо-
довой кран.

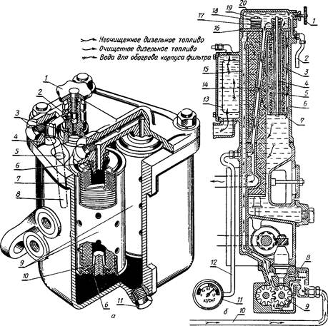
На дизелях Д-240, Д-50, Д-21А1, Д-37Е для тонкой очистки топлива
используют фильтр с бумажным фильтрующим элемен-
том БФДТ. Конструкция такого фильтра дизеля Д-240 показана на
рисунке 95, а.

В фильтре тонкой очистки топлива дизеля Д-160 (рис. 95,6) шесть
фильтрующих элементов 3 надеты на стержни 5 (на два длин-
ных стержня — по два элемента 3, а на два коротких — по одному).
Фильтрующие элементы прикреплены к плите 16 стержнями с
упорными шайбами 7 и 18, пружинами 17 и штифтами 19. Фильт-
рующий элемент представляет собой сетчатый каркас 4, обернутый
фильтровальной бумагой, на которую плотно намотано перекрест-
ной навивкой несколько рядов ворсистого хлопчатобумажного
шнура.


Топливо под давлением от подкачивающего насоса 9 поступает в
корпус Ь и, проходя через намотку из пряжи, фильтровальную бумагу,
очищается от примесей. Отфильтрованное топливо попадает в полость
под крышкой и затем направляется в топливный насос. Отстой из
фильтра сливают через отверстие в корпусе 6, закрываемое пробкой.
В крышке 20 имеется вентиль для выпуска воздуха из фильтра через
трубку 2. Корпус фильтра обогревается водой, поступающей из блок-
картера дизеля. Это облегчает фильтрацию топлива в холодное время
года.

Фильтрующие элементы очищают топливо от частиц размером
2—3 мк.

Бумажные фильтрующие элементы характеризуются небольшим
гидравлическим сопротивлением и отсутствием усадки, а по качеству
очистки топлива не уступают элементам из хлопчатобумажной пряжи.

В фильтрах грубой очистки топлива дизелей ЯМЗ применяют смен-
ные фильтрующие элементы из хлопчатобумажного шнура такого же

Рис. 95. Фильтры тонкой очистки топлива дизелей Д-240 и Д-160: я— фнльтр тонкой очистки дизеля Д-240: /— рукоятка вентиля; '/ — запорный шарик; 3—каналы отвода очищенного топлива; 4 — крышка фильтра; 5 — канал подвода неочищенного топлива; 6 — резиновое уплотнение; 7 — корпус фильтра: 8— трубка отвода воздуха (показано условно); 9— фильтрующие элементы; 10 —- опора фильтрующего элемента; // — пробка; б — фильтр топкой очистки дизеля Д-160: / — рукоятка вентиля: 9 — трубка отвода воздуха: 3 — фильтрующий эле- мент; •/ — сетчатый каркас; 5 — стержень: 6 — корпус фильтра; 7, 18 — шайбы; 8 — перепускной клапан; 9 — подкачивающий насос: 10 — топливопровод к подкачивающему насосу; // — указатель давления; 12 — топливопровод к укззагелю давления: 13 — полость водяной рубашки корпуса фильтра. 14— канал отвода очищенного топлива: 15 — канал подвода неочищенного топлива; 16 - плита крепления фильтрующих элементов; 17 — пружина; 19 — штифт; 20 — крышка.

 

Рис. 96. Конструкция указателя давления (МД218): / — штуцер: 2— основание; 3—мембрана; 4 — резиновая прокладка; 5 — стекло; 6 — экран; 7— рычажок; 8—штифт: 9—отверстие; 10 — пружинка; // — мостик; 12 — стрелка; 13 — циферблат.

 

типа, как показано на рисунке 95, б, а в фильтрах для тонкой очист-
ки — сменные элементы из перфорированного металлического каркаса,
с фильтрующей массой из древесной муки на пульвербакелитовой ос-
нове.

К фильтрам тонкой очистки топлива некоторых дизелей (Д-160)
присоединен указатель давления 11, показывающий избыточное давле-
ние очищенного топлива. По показаниям этого прибора определяют
степень засоренности фильтрующих элементов. Чем больше засорен
фильтр, тем сильнее падает давление.

Конструкция указателя давления показана на рисунке 96. Топливо
через штуцер 1 и небольшое отверстие 9 поступает в полость под мем-
браной 3. При этом мембрана прогибается вправо, перемещая
штифт 8, проходящий через отверстие основания 2. Штифт поворачи-
вает рычажок 7, нижний конец которого действует на стрелку 12. Та-
ким образом, при перемещении штифта 8 стрелка 12 поворачивается и
показывает на циферблате 13 избыточное давление топлива. Если дей-
ствие избыточного давления прекращается, то в нулевое положение
стрелку 12 возвращает пружинка 10, закрепленная на стойке мости-
ка 11. На циферблате 13 выделены три зоны: первая и третья, окра-
шенные в красный цвет, — нерабочие, вторая (зеленая)--рабочая.




Поделиться с друзьями:


Дата добавления: 2014-10-31; Просмотров: 1347; Нарушение авторских прав?; Мы поможем в написании вашей работы!


Нам важно ваше мнение! Был ли полезен опубликованный материал? Да | Нет



studopedia.su - Студопедия (2013 - 2026) год. Все материалы представленные на сайте исключительно с целью ознакомления читателями и не преследуют коммерческих целей или нарушение авторских прав! Последнее добавление




Генерация страницы за: 0.009 сек.