Студопедия

КАТЕГОРИИ:


Архитектура-(3434)Астрономия-(809)Биология-(7483)Биотехнологии-(1457)Военное дело-(14632)Высокие технологии-(1363)География-(913)Геология-(1438)Государство-(451)Демография-(1065)Дом-(47672)Журналистика и СМИ-(912)Изобретательство-(14524)Иностранные языки-(4268)Информатика-(17799)Искусство-(1338)История-(13644)Компьютеры-(11121)Косметика-(55)Кулинария-(373)Культура-(8427)Лингвистика-(374)Литература-(1642)Маркетинг-(23702)Математика-(16968)Машиностроение-(1700)Медицина-(12668)Менеджмент-(24684)Механика-(15423)Науковедение-(506)Образование-(11852)Охрана труда-(3308)Педагогика-(5571)Полиграфия-(1312)Политика-(7869)Право-(5454)Приборостроение-(1369)Программирование-(2801)Производство-(97182)Промышленность-(8706)Психология-(18388)Религия-(3217)Связь-(10668)Сельское хозяйство-(299)Социология-(6455)Спорт-(42831)Строительство-(4793)Торговля-(5050)Транспорт-(2929)Туризм-(1568)Физика-(3942)Философия-(17015)Финансы-(26596)Химия-(22929)Экология-(12095)Экономика-(9961)Электроника-(8441)Электротехника-(4623)Энергетика-(12629)Юриспруденция-(1492)Ядерная техника-(1748)

Окончательное оформление чертежа. Оформление чертежа, содержащего вид с разрывом, ничем не отличается от оформления обычного чертежа




Оформление чертежа, содержащего вид с разрывом, ничем не отличается от оформления обычного чертежа. Можно проставлять размеры, выполнять расчеты — система будет возвращать реальные результаты.

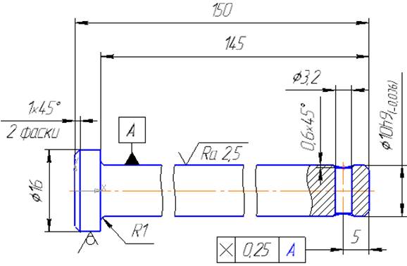
· Используя приведенный ниже рисунок и рисунок в начале практической работы, самостоятельно оформите чертеж.

 

 

 

Тема: СБОРОЧНЫЕ ЧЕРТЕЖИ. ДЕТАЛИРОВКИ. СПЕЦИФИКАЦИИ.

Конечным итогом проектирования изделия является выпуск комплекта конструкторских документов: сборочных чертежей и спецификаций самого изделия и входящих в него сборочных единиц, рабочих чертежей деталей и т.д.

§ Сборочные чертежи и деталировки создаются в системе КОМПАС-График с помощью буфера обмена, который позволяет копировать изображение из одного документа в другой. Кроме того, новые документы можно создавать непосредственно из спецификаций. Таким образом, поддерживаются способы проектирования "сверху вниз" и "снизу вверх". Виды обеспечивают автоматическое масштабирование изображения при передаче графических объектов между чертежами, выполненными в разных масштабах.

§ Исходные данные, необходимые для полуавтоматического создания спецификаций, можно создавать и хранить непосредственно в графических документах. Объекты спецификации для деталей и сборочных единиц создает конструктор в процессе работы над чертежом. Информация о стандартных элементах, вставленных в сборочные чертежи из прикладных библиотек, формируется автоматически. Объекты спецификации для внешних и библиотечных фрагментов, вставленных в сборочный чертеж из файлов и пользовательских библиотек документов, также могут быть созданы автоматически.

§ Спецификации и прочие табличные документы создаются с помощью Системы проектирования спецификаций. Спецификация может быть связана со сборочным чертежом и рабочими чертежами деталей. За счет связей документы могут обмениваться данными. Из спецификации в сборочный чертеж передаются номера позиций компонентов сборки. Из чертежей в спецификацию передаются данные о форматах документов, номерах зон. Обозначение, наименование, масса и другие данные передаются в обоих направлениях.

Таким образом, система КОМПАС-График позволяет создать связанный комплект конструкторских документов и значительно сократить объем вводимых конструктором данных.

При создании комплекта документов система не накладывает каких-либо жестких ограничений на пользователя. Большинство операций можно выполнять в любой последовательности. Типовая последовательность действий может быть, например, такой.

1. Создайте сборочный чертеж изделия, используя методы проектирования "сверху вниз" и "снизу вверх".

2. Проставьте в чертеже позиционные линии-выноски.

3. Создайте в чертеже объекты спецификации (OC). В процессе создания:

3.1. Обязательно включите в их состав позиционные линии-выноски.

3.2. По возможности включайте в их состав геометрические объекты.

3.3. Если на данный ОС уже есть документ (чертеж или спецификация), подключайте эти документы к объекту. Это позволит автоматически формировать текстовую часть объекта на основе данных из основных надписей документов. К объектам раздела Детали подключайте их рабочие чертежи. К объектам раздела Сборочные единицы подключайте вначале спецификации, а затем сборочные чертежи.

3.4. Если на данный ОС документы еще не созданы, создайте текстовую часть объекта вручную.

4. Создайте новый документ — спецификацию на изделие.

5. Подключите к спецификации сборочный чертеж изделия. При этом ОС из сборочного чертежа будут переданы в спецификацию, автоматически разнесены по разделам и отсортированы.

6. Непосредственно из спецификации либо с использованием буфера обмена создайте чертежи на те ОС, для которых они отсутствовали.

7. Закончите оформление спецификации на изделие: создайте раздел Документация и другие необходимые разделы.

8. Заполните в спецификации те графы основной надписи, которые не были заполнены автоматически.

9. Выполните в спецификации процедуру автоматической простановки позиций.

10. Выполните процедуру синхронизации документов.

11. Сохраните документы на диске.

Создание комплекта конструкторских документов:

В следующих уроках будет показан процесс создания комплекта документов на изделие Блок направляющий. Документы, помеченные на рисунке коричневым цветом, нуждаются в доработке. Документы, которые нужно создать, помечены голубым цветом. Готовые документы помечены зеленым цветом. Все документы хранятся в папке \Tutorials\Блок направляющий 2D основного каталога системы. В эту же папку нужно поместить новые документы.

Перед началом работы над проектом нужно тщательно продумать структуру папок для хранения создаваемых документов. Обычно для нового проекта создается отдельная папка. Внутри нее создается структура папок, соответствующая структуре изделия. В каждой папке хранятся документы, относящиеся к определенному узлу. Перемещение уже существующих документов из папки в папку может привести к ошибкам, так как документы могут быть связаны друг с другом ссылками. В этом уроке документы проекта для простоты хранятся в одной папке.

Документ нужно доработать.

Документ готов.

Документ нужно создать.

Информация о документах проекта показана ниже.

1. Сборочный чертеж изделия Блок направляющий. Документ необходимо доработать: вставить в него изображение сборочной единицы Ролик и пакета крепежных деталей.

2. Готовый чертеж детали Планка.

3. Чертеж сборочной единицы Ролик. Документ нужно создать.

4. Спецификация на изделие Блок направляющий. Документ нужно создать.

5. Готовые чертежи деталей Вилка и Ось, входящих в изделие.

6. Спецификация сборочной единицы Ролик. Документ нужно создать.

7. Готовые чертежи деталей Ролик и Втулка, входящих в сборочную единицу Ролик.

8. Чертеж детали Кронштейн. Документ нужно создать. На его примере будет показано, как можно создать чертеж непосредственно из спецификации.




Поделиться с друзьями:


Дата добавления: 2014-11-16; Просмотров: 1297; Нарушение авторских прав?; Мы поможем в написании вашей работы!


Нам важно ваше мнение! Был ли полезен опубликованный материал? Да | Нет



studopedia.su - Студопедия (2013 - 2026) год. Все материалы представленные на сайте исключительно с целью ознакомления читателями и не преследуют коммерческих целей или нарушение авторских прав! Последнее добавление




Генерация страницы за: 0.012 сек.