Студопедия

КАТЕГОРИИ:


Архитектура-(3434)Астрономия-(809)Биология-(7483)Биотехнологии-(1457)Военное дело-(14632)Высокие технологии-(1363)География-(913)Геология-(1438)Государство-(451)Демография-(1065)Дом-(47672)Журналистика и СМИ-(912)Изобретательство-(14524)Иностранные языки-(4268)Информатика-(17799)Искусство-(1338)История-(13644)Компьютеры-(11121)Косметика-(55)Кулинария-(373)Культура-(8427)Лингвистика-(374)Литература-(1642)Маркетинг-(23702)Математика-(16968)Машиностроение-(1700)Медицина-(12668)Менеджмент-(24684)Механика-(15423)Науковедение-(506)Образование-(11852)Охрана труда-(3308)Педагогика-(5571)Полиграфия-(1312)Политика-(7869)Право-(5454)Приборостроение-(1369)Программирование-(2801)Производство-(97182)Промышленность-(8706)Психология-(18388)Религия-(3217)Связь-(10668)Сельское хозяйство-(299)Социология-(6455)Спорт-(42831)Строительство-(4793)Торговля-(5050)Транспорт-(2929)Туризм-(1568)Физика-(3942)Философия-(17015)Финансы-(26596)Химия-(22929)Экология-(12095)Экономика-(9961)Электроника-(8441)Электротехника-(4623)Энергетика-(12629)Юриспруденция-(1492)Ядерная техника-(1748)

Полупроводниковые реле




Полупроводниковые реле. Устройство, параметры.

Лекция №15.

Реле с электромагнитным замедлением РЭ-100­­ – РЭ-570.

Принцип электромагнитного замедления используется в ря­де конструкций реле (реле типа РЭ-100, РЭ-180, РЭ-500, РЭ-570 и др.). Реле типа РЭ имеют магнитную систему кла­панного типа с короткозамкнутым витком (втулкой), и только реле РЭ-100 может выполняться и без короткозамкнутого витка. Эти реле выпускаются на напряжения 48, 110 и 220В. Мощность, потребляемая обмотками, 20—25 Вт,мощность кон­тактов реле дана в табл. 1.

При работе реле используется выдержка времени, давае­мая ими при отпускании якоря. Для реле РЭ-100 и РЭ-500 может быть получена выдержка порядка 0,25—0,9 сек. Для реле РЭ-180 и РЭ-560 выдержка времени 1—3 и 3—5 сек.

Собственное время притяжения якоря реле при наличии короткозамкнутого витка примерно в 3 раза больше, чем без него.

 

Тема лекции:

а) Общие сведения. Полупроводниковые реле в отноше­нии быстродействия, чувствительности, селективности и на­дежности превосходят электромагнитные. В ряде случаев полупроводниковые реле обладают характеристиками, ко­торые невозможно получить с помощью электромагнитных реле.

Полупроводниковые реле защиты содержат измеритель­ный орган и логическую часть. В измерительном органе непрерывные входные величины преобразуются в дискрет­ный выходной сигнал. Дискретный выходной сигнал посту­пает на вход логической части, выдающей управляющий сигнал чаще всего на электромагнитное реле.

Измерительный орган полупроводникового реле тока обычно имеет на входе трансформатор тока, нагруженный на малое активное сопротивление. Напряжение на этом сопротивлении пропорционально первичному току в контро­лируемой сети.

В измерительных органах используются следующие три принципа:

1) сравнение однородных физических величин, напри­мер напряжений. В момент равенства измеряемого и опор­ного напряжений на выходе появляется нулевой сигнал, который приводит к срабатыванию нуль-органа. На выходе появляется дискретный сигнал. Регулируя опорное напря­жение, можно менять уставку срабатывания. Реализация такого принципа показана на рис. 15.1. Выпрямлен­ный сигнал, пропорциональный напряжению или току, по­дается на мост RJ, R2, R3, VD1. В момент равенства на­пряжений на R2 и VDI на выходе моста появляется нуле­вой сигнал, который приводит в действие нуль-орган. Глав­ным источником погрешности полупроводниковых реле яв­ляется зависимость параметров полупроводниковых прибо­ров от температуры. Поэтому в схемы вводится темпера­турная компенсация. В данной схеме для температурной компенсации последовательно со стабилитроном VD1 вклю­чается в прямом направлении диод. С ростом температуры у стабилитрона падение напряжения растет, а у диода в проводящем направлении падает;

 
 

 


Рис. 15.1. Измерительный орган со стабилитроном

2) проявление физического эффекта, возникающего при определенном значении измеряемого напряжения, — скачок в нелинейной характеристике туннельного диода, релейная характеристика триггера Шмидта и др.;

3)преобразование непрерывного входного сигнала и опорного напряжения в цифровую форму. После этого производится сравнение входного сигнала с опорным на­пряжением. Обработка входного сигнала в цифровой фор­ме может производиться по требуемому алгоритму вычисли­тельного устройства. Последний принцип наиболее перспек­тивен ввиду высокой универсальности и развития вычислительной техники.

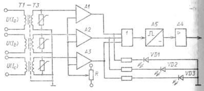
Функциональная схема трехфазного полупроводниково­го реле тока представлена на рис. 15.2. Пропорциональ­ные токам напряжения трех фаз подводятся к промежуточ­ным трансформаторам Т1ТЗ. Между первичной и вторич­ной обмотками установлен экран. На выходе трансформа­торов включены нелинейные резисторы. Эти мероприятия защищают усилители ОУ от перенапряжений. Сигнал со вторичных обмоток трансформаторов, пропорциональный контролируемому току, подается на входы ОУ А1A3. На эти же усилители подается опорное напряжение с резисто­ра R. Входные и опорные напряжения сравнива ются между собой. При их равенстве на выходе усилителей А1A3 появляется выходной сигнал, который через эле­мент ИЛИ (§ 12.6), блок расширения импульса А5 и око­нечный усилитель А4 подается на исполнительный орган. В блоке А5 кратковременный импульс преобразуется в им­пульс большей длительности. Светоизлучаюшие диоды VD1VD3 сигнализируют о фазе, в которой произошла перегрузка.

Рис. 15.2. Трехфазное полупроводниковое реле тока

Для того чтобы схема не реагировала на кратковремен­ные и безопасные для защищаемой цепи перегрузки, вводится выдержка времени (рис. 15.3). Для этого один сигнал с элемента ИЛИ подается на элемент И непосредственно, второй — с выдержкой времени, определяемой цепоч­кой Rl, C1. Сигнал на выходе реле появляется только тог­да, когда на элемент И придут оба сигнала.

 
 

 


Рис. 15.3. Реле тока с выдержкой времени

 

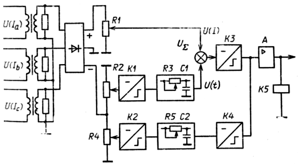
б) Реле тока с выдержкой времени, зависящей от тока. В таких реле используются и аналоговые, и дискретные схемы. На рис. 15.4 в качестве примера показана функ­циональная схема полупроводникового токового расцепителя автоматического выключателя серии «Электрон». На­пряжения, пропорциональные токам в фазах, через проме­жуточные трансформаторы подаются на выпрямитель, после чего поступают на резисторы Rl, R2, R4. Пропор­циональный току сигнал И (I) с Rl подается на сумми­рующий блок , на который приходит сигнал U(t), сни­маемый с цепочки временной задержки R3, С1. Канал сиг­нала U(t) начинает работать, когда под действием тока перегрузки срабатывает полупроводниковое реле К1. Ког­да суммарный сигнал достигает порога срабатывания полупроводникового реле КЗ, оно выдает сигнал на тиристорный усилитель А, воздействующий на обмотку электро­магнита расцепителя К5.

в) Реле защиты от замыканий на землю. Реле применя­ется в схемах защиты при замыканиях на землю генерато­ров, двигателей и линий с малыми токами замыкания на землю. Основные параметры реле: ток срабатывания j регулируется в пределах 0,02—0,12 А; коэффициент возвврата не менее 0,93; коммутируемое напряжение не более 250 В; механическая износостойкость 104 циклов; электрическая износостойкость не менее 103 циклов.

 

 
 

 


Рис. 15.4. Полупроводниковый расцепитель для управления автомати­ческим выключателем серии «Электрон»

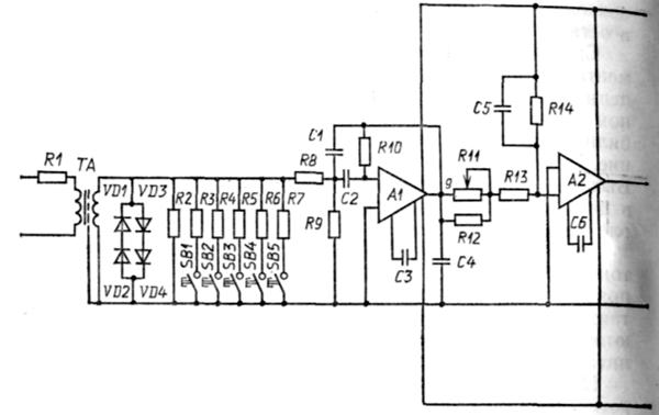
Схема реле представлена на рис. 15.5. Измерительный орган реле содержит промежуточный трансформатор ТА и резисторы R2R7, которые вместе с выключателями SB1SB5 служат для дискретной регулировки тока сраба­тывания. При отключенных выключателях ток срабатыва­ния реле минимален. По мере включения R3—R7 уменьша­ется напряжение на выходе операционного усилителя А1. и ток срабатывания увеличивается. Диоды VD1VD4 слу­жат для ограничения сигнала на входе А1. При большом входном сигнале трансформатор ТА насыщается и его входное сопротивление падает. Резистор R1 ограничивает ток в цепи трансформатора, ТА.

Операционный усилитель А1 работает как активный фильтр. Многоконтурная отрицательная обратная связь с помощью резисторов R8, R9, R10 и конденсаторов CI, C2 позволяет отфильтровать высшие гармоники в сигнале и оставить основную частоту 50 Гц.

Сравнивающая часть реле состоит из порогового эле­мента на операционном усилителе А2, время-измерительной цепи. VD5, R15, R16, С8 и триггера Шмидта на операцион­ном усилителе A3. Конденсаторы СЗ—С10 служат для ста­билизации работы усилителя, исключая его самовозбужде­ние. Резистор R17 создает положительную обратную связь. Выходной каскад реле выполнен на транзисторе VT1, в цепь коллектора которого включено быстродействующее электромагнитное реле К.

Питание схемы осуществляется от сети постоянного тока (контакты 4, 1 при напряжении 220 В и 4, 2 при на­пряжении 110 В) или от сети переменного тока 100 В (кон­такты 4, 3). С помощью стабилитронов VD6 и VD7 получа­ются два симметричных напряжения —15 В и +15 В для питания операционных усилителей.

Порог срабатывания порогового элемента определяется резисторами R11—R14. Настройка реле на минимальную уставку производится резистором R11.

 
 

 


Рис. 15.5. Реле защиты от замыканий на землю

 

г) Реле защиты асинхронных двигателей (РЗД). Реле (рис. 15.6) обеспечивает защиту асинхронных двигателей от больших перегрузок и неполнофазных режимов. В цепи вторичных обмоток трансформаторов тока через мосты VI—V3 включены нагрузочные резисторы, напряжения на которых пропорциональны токам двигателя. Конденсаторы С/—СЗ сглаживают пульсации напряжения. Эти напряже­ния через диоды VD1—VD3 приложены к потенциометру Rl, напряжение с которого поступает на пороговый эле­мент К1. Если токи в фазах двигателя не превышают но­минальное значение, то напряжение на входе К.1 недоста­точно для его срабатывания. Если токовая перегрузка превышает допустимую, то К1 срабатывает и запускает промежуточное реле К4, которое подает сигнал на цепь задержки R4, С4. Напряжение с конденсатора С4 пода­йся на пороговый элемент КЗ, усилитель А и выходное электромагнитное реле К, контакты которого включены в цепь катушки пускателя или электромагнитного расцепителя автомата.

Если длительность перегрузки меньше, чем время за­держки в цепи R4, С4, то двигатель не отключается. При нормальном пуске или допустимой технологической перегрузке благодаря наличию цепи задержки двигатель не отключается. Если длительность перегрузки больше, чем время задержки, то двигатель обесточивается. При обрыве одной фазы, например фазы А, пропадает напряжение на нагрузочном резисторе R3 этой фазы. Поскольку фазы В и С остались под током, то на выходе MN имеется напря жение {/Вых указанной полярности. Под действием этого напряжения протекает ток через резистор R3, диод VD4, который открывается, и потенциометр R2. Напряжение с потенциометра R2 прикладывается к пороговому эле­менту К2, который срабатывает. После этого действует цепочка К4, R4, С4, КЗ, А, К и происходит отключение двигателя.

 
 


Рис. 15.6. Реле защиты асинхронных двигателей

д) Трехфазные реле напряжения. В схеме трехфазного реле напряжения (рис. 15.7) напряжение срабатывания регулируется резистором R1. Реле может работать как максимальное (переключатель S в положении /) и как ми­нимальное (переключатель 5 в положении 2). Коэффициент возврата реле регулируется в широком диапазоне с по­мощью резистора R2, которым изменяется коэффициент положительной обратной связи в усилителях AI, A2, A3. Логический элемент И обеспечивает срабатывание реле в случае, когда напряжение хотя бы в одной фазе падает ниже допустимого (при S в положении 2).

Для защиты электродвигателей, тиристорных преобра­зователей, других трехфазных потребителей при недопу стимом снижении симметричного напряжения, асимметрии междуфазных напряжений, обратном чередовании фаз служит реле ЕЛ-10-1 (с выдержкой времени) и ЕЛ-10-2 (без выдержки времени). Структурная схема этого реле приведена на рис. 15.8. На входе реле включены порого­вые элементы ПЭ1, ПЭ2, ПЭЗ, образующие пороговый блок ПБ. С выхода ПБ система полученных в нем прямоуголь­ных импульсов (рис. 12.23) поступает в логический блок ЛС, на триггеры 77, Т2 и логический элемент И. Полученная в ЛС система прямоугольных импульсов через дифференцирующую цепочку RC подается на схему временной уставки СВУ, которая с выдержкой времени от­крывает транзистор VT выходного усилителя ВУ. Если контролируемое напряжение симметрично и близко к но­минальному значению, то выходные импульсы ЛБ не при­водят к срабатыванию СВУ и ВУ.

Когда изменения трехфазного напряжения или порядка чередования фаз выходят за пределы допустимых, на вы­ходе ЛС исчезает показанная на рис. 12.23 последователь­ность импульсов. При этом по истечении выдержки време­ни в СВУ выдается сигнал на ВУ и выходное реле срабаты­вает. Допустим, исчезло напряжение в фазе А. При этом перестает работать триггер Т1 и на выходе логического элемента И появится логический 0. Триггер Т2 тоже перестает переключаться. На выходе -цепочки сигнал пропадает, на вход СВУ и ВУ не подается сигнал ЛС, и реле К отключает цепь. Реле срабатывает при снижении напряжения в одной из фаз до 55 — 65 % Uном при номи­нальном напряжении в остальных. При обрыве двух или трех фаз одновременно или при обратном следовании фаз реле срабатывает при напряжении 70 — 75 % Uном. Коэф фициент возврата реле не менее 0,9. Время срабатыва­ния реле ЕЛ-10-1 не превышает 5 с. Реле не срабаты­вает при колебании симметричного напряжения в пределах 85—110 % I ном.

е) Полупроводниковые реле времени. Благодаря боль­шому диапазону выдержек времени (от 0,1 с до 100 ч), вы­сокой надежности и точности, а также малым габаритам в настоящее время эти реле широко распространены. В схе­ме простейшего полупроводникового реле времени 15.9 при замыкании контакта 1напряжение на конденсаторе С растет по экспоненте с постоянной времени Т=RC. Напряжение Uc подается на пороговый элемент. При равенстве Uc пороговому напряжению U ппороговый эле­мент срабатывает и с выдержкой времени t ср выдает сиг­нал на усилитель мощности, который управляет выходным электромагнитным реле. Возможно использование разряда конденсатора (замыкается контакт 2). Процесс разряда идет по кривой 2 (рис. 15.9, б). Такие реле работают на начальных участках кривых 1 и 2. Выдержку времени регулируют за счет изменения сопротивления R (плавно) и емкости конденсатора С (скачкообразно). Предельная вы­держка времени — до 10 с.


Рис. 15.7. Трехфазное реле напряжения

 
 


Рис. 15.8. Структурная схема реле напряжения

При больших выдержках вре­мени погрешность реле возрастает, так как экспонента ста­новится пологой. Этим ограничивается выдержка времени таких реле. Для повышения точности заряд конденсатора производят через токостабилизирующее устройство.Схема реле и процесс заряда конденсатора показаны на рис. 15.9. Поскольку напряжение на базе транзистора стабилизировано, то коллекторный ток не зависит от на­пряжения на коллекторе (генератор тока). Ток заряда устанавливается резистором R1. Чем больше ток заряда, тем меньше выдержка времени. Стабилитрон VD дела­ет неизменным напряжение на резисторе R1, что позволяет получить постоянное время срабатывания при данном по­ложении движка потенциометра.

 
 

 


Рис. 15.9. Полупроводниковое реле времени:

в — принципиальная схема; б — процессы заряда / и разряда 2 конденса­тора

С целью увеличения выдержки времени можно исполь­зовать заряд конденсатора от источника импульсного на­пряжения. При каждом импульсе на­пряжение на конденсаторе поднимается на небольшую величину, после чего во время паузы остается неизменным. Такое реле позво­ляет увеличить выдержку времени. Дело в том, что во время паузы напряжение на емкости не меняется и это время паузы входит в выдержку времени реле. Тем самым уменьшается погрешность за счет нелинейности кривой за­ряда.

ж) Цифровые реле времени. В цифровом реле времени управляющее устройство запускает гене­ратор. Импульсы от генератора подаются на вход не-синхронизируемого двоичного счетчика. В момент совпа­дения кода времени с заданной уставкой сигнал дешифра­тора скачкообразно меняется и выходной импульс подается на усилители.

После каждого цикла счетчик переводится в нуль. Приведенная погрешность описанных реле времени не превышает 5 %. Коммутационная износостойкость состав­ляет не менее 4*106 циклов.

 




Поделиться с друзьями:


Дата добавления: 2014-11-29; Просмотров: 1826; Нарушение авторских прав?; Мы поможем в написании вашей работы!


Нам важно ваше мнение! Был ли полезен опубликованный материал? Да | Нет



studopedia.su - Студопедия (2013 - 2026) год. Все материалы представленные на сайте исключительно с целью ознакомления читателями и не преследуют коммерческих целей или нарушение авторских прав! Последнее добавление




Генерация страницы за: 0.012 сек.