Студопедия

КАТЕГОРИИ:


Архитектура-(3434)Астрономия-(809)Биология-(7483)Биотехнологии-(1457)Военное дело-(14632)Высокие технологии-(1363)География-(913)Геология-(1438)Государство-(451)Демография-(1065)Дом-(47672)Журналистика и СМИ-(912)Изобретательство-(14524)Иностранные языки-(4268)Информатика-(17799)Искусство-(1338)История-(13644)Компьютеры-(11121)Косметика-(55)Кулинария-(373)Культура-(8427)Лингвистика-(374)Литература-(1642)Маркетинг-(23702)Математика-(16968)Машиностроение-(1700)Медицина-(12668)Менеджмент-(24684)Механика-(15423)Науковедение-(506)Образование-(11852)Охрана труда-(3308)Педагогика-(5571)Полиграфия-(1312)Политика-(7869)Право-(5454)Приборостроение-(1369)Программирование-(2801)Производство-(97182)Промышленность-(8706)Психология-(18388)Религия-(3217)Связь-(10668)Сельское хозяйство-(299)Социология-(6455)Спорт-(42831)Строительство-(4793)Торговля-(5050)Транспорт-(2929)Туризм-(1568)Физика-(3942)Философия-(17015)Финансы-(26596)Химия-(22929)Экология-(12095)Экономика-(9961)Электроника-(8441)Электротехника-(4623)Энергетика-(12629)Юриспруденция-(1492)Ядерная техника-(1748)

Регулирующие полупроводниковые




Тиристорных элементов.

Бесконтактные контакторы и пускатели на базе

Лекция №16.

 

Тема лекции:

БЕСКОНТАКТНЫЕ КОММУТИРУЮЩИЕ И

УСТРОЙСТВА ПЕРЕМЕННОГО ТОКА (БКРПУ)

а) Общие сведения. На основе тиристоров возможно осуществление следующих операций:

1) включение и отключение электрической цепи с актив­ной и смешанной (индуктивной и емкостной) нагрузкой;

2) изменение тока нагрузки за счет регулирования мо­мента подачи сигнала управления.

Наиболее широкое применение в бесконтактных элек­трических аппаратах получили фазовое и широтно-импульс-ное управление (рис. 16.1).

В первом случае среднее и действующее значения тока меняются зa счет изменения момента подачи на тиристор открывающего сигнала — за счет угла . Угол называ ется углом управления. Действующее напряжение на на­грузке при двухполупериодной схеме и встречно-парал­лельном включении двух тиристоров (рис. 16.2)

,

где Uт — амплитуда напряжения питания; Uc, Uно — дей­ствующее и среднее значения напряжения питания; у — угол регулирования.

Кривая тока в сети и в нагрузке не синусоидальна, что вызывает искажение формы напряжения сети и наруше­ния в работе потребителей, чувствительных к высокочастот­ным помехам. Для уменьшения этих искажений необходи­мы специальные меры.

 

 

 


Рис. 16.1. Напряжение на нагрузке при фазовом (а), фазовом с принудительной коммутацией (б) и широтно-импульсном (в) управлении

 
 

 


Рис. 16.2. Встречно-параллельное включение тиристоров (а) и форма тока при активной нагрузке (б)

При широтно-импульсном управлении (рис. 12.46, в) в течение времени Тоткр на тиристоры подан открывающий сигнал, они открыты и к нагрузке приложено напряжение UH. В течение времени Тзакр управляющий сигнал снят и ти­ристоры закрыты. Действующее значение тока в нагрузке

где — ток нагрузки при Тзакр=0.

Регулирование тока нагрузки возможно за счет изменения как угла , так и угла . Принудительная коммутация ( <18О°) осуществляется с помощью специальных узлов или специальных тиристоров, которые могут запи­раться подачей сигнала управления. При больших токах из-за сложности такие схемы не применяются. Создание транзисторов на большие токи (сотни ампер) и большие напряжения (сотни вольт) позволяет упростить принуди­тельную коммутацию цепей постоянного и переменного то­ка, что особенно важно в аппаратах повышенного быстро­действия.

На основе тиристоров работают следующие бесконтакт­ные электрические аппараты:

1) тиристорные пускатели для прямого пуска асинхрон­ных двигателей;

2) тиристорные пускатели для плавного пуска, реверса и останова асинхронных двигателей большой мощности (до 5000 кВт);

3) регуляторы мощности и напряжения;

4) автоматические выключатели переменного тока высо­кого и низкого напряжения повышенного быстродействия;

5) регулирующие аппараты для управления двигателя­ми электрического транспорта переменного тока с рекупе­рацией энергии при торможении.

Для тиристорных аппаратов, как правило, необходима защита от токов перегрузки и КЗ, а также от недопустимого повышения темпера­туры корпусов тиристоров. Защита от КЗ в данном случае осуществля­ется с помощью быстродействующих токоограничивающих предохрани­телей или автоматических выключателей.

Ниже приводятся основные технические данные тиристорных пуска­телей и регуляторов, выпускаемых отечественной промышленностью.

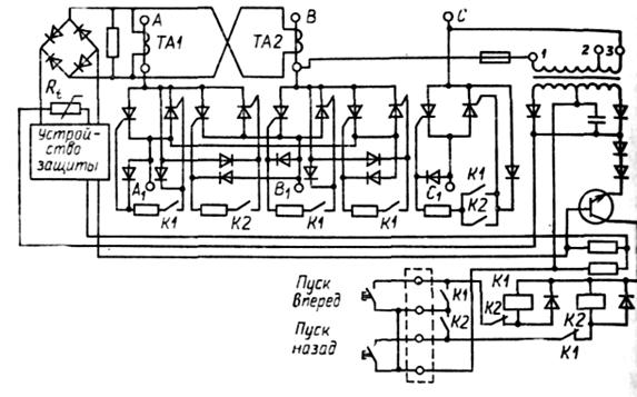
Пускатели тиристорные серии ПТ. В фазах А и В пускателя (рис. 16.3) установлены трансформаторы тока ТА1 и ТА2, обеспечива­ющие работу устройства токовой зашиты. Защита тиристоров от пере­грузки осуществляется терморезистором Rt. Поскольку пускатель пред­назначен для реверса двигателя, то в фазах А и В установлены допол­нительные комплекты встречно включенных тиристоров. При нажатии кнопки «Пуск вперед» включается реле KI, которое подает напряжение на управляющие электроды тиристоров, участвующих в пуске «Вперед». При нажатии кнопки «Пуск назад» включается реле КЗ и подастся на­пряжение на управляющие электроды тиристоров, участвующих в пус­ке «Назад». Питание блока защиты и реле К1 и КЗ осуществляется выпрямителем, питающимся от фаз В и С.

Основные параметры пускателя: Uном — 380 В; Iном—40 А; Iпуск = 360 А при t пуск =0,4с; электрическая износостойкость циклов; ре­сурс работы не менее 10 000 ч.

 
 

 


Рис. 16.3. Тиристорный пускатель типа ПТ

 




Поделиться с друзьями:


Дата добавления: 2014-11-29; Просмотров: 582; Нарушение авторских прав?; Мы поможем в написании вашей работы!


Нам важно ваше мнение! Был ли полезен опубликованный материал? Да | Нет



studopedia.su - Студопедия (2013 - 2025) год. Все материалы представленные на сайте исключительно с целью ознакомления читателями и не преследуют коммерческих целей или нарушение авторских прав! Последнее добавление




Генерация страницы за: 0.011 сек.