Студопедия

КАТЕГОРИИ:


Архитектура-(3434)Астрономия-(809)Биология-(7483)Биотехнологии-(1457)Военное дело-(14632)Высокие технологии-(1363)География-(913)Геология-(1438)Государство-(451)Демография-(1065)Дом-(47672)Журналистика и СМИ-(912)Изобретательство-(14524)Иностранные языки-(4268)Информатика-(17799)Искусство-(1338)История-(13644)Компьютеры-(11121)Косметика-(55)Кулинария-(373)Культура-(8427)Лингвистика-(374)Литература-(1642)Маркетинг-(23702)Математика-(16968)Машиностроение-(1700)Медицина-(12668)Менеджмент-(24684)Механика-(15423)Науковедение-(506)Образование-(11852)Охрана труда-(3308)Педагогика-(5571)Полиграфия-(1312)Политика-(7869)Право-(5454)Приборостроение-(1369)Программирование-(2801)Производство-(97182)Промышленность-(8706)Психология-(18388)Религия-(3217)Связь-(10668)Сельское хозяйство-(299)Социология-(6455)Спорт-(42831)Строительство-(4793)Торговля-(5050)Транспорт-(2929)Туризм-(1568)Физика-(3942)Философия-(17015)Финансы-(26596)Химия-(22929)Экология-(12095)Экономика-(9961)Электроника-(8441)Электротехника-(4623)Энергетика-(12629)Юриспруденция-(1492)Ядерная техника-(1748)

КОД 13 Низкий уровень сигнала датчика расхода воздуха




 

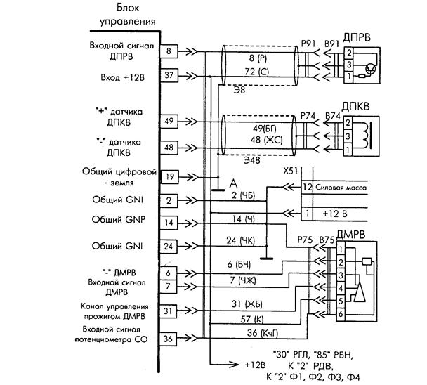
Рис. 2.5.2 Цепи датчиков

УСЛОВИЯ:

• двигатель запущен;

• массовый расход воздуха через датчик меньше 0,05 кг/час;

• выходное напряжение с датчика массового расхода воздуха меньше 1,5 В (контакты 2 и 3 в розетке Р75).

ЧТО ПРОВЕРЯТЬ

13.1. Обрыв нити чувствительного элемента датчика.

13.2. Обрыв в проводе 57 (К).

13.3. Замыкание провода 57 (К) на "массу".

13.4. Замыкание провода 7 (ЧЖ) на "массу". Провод 7 соединяет контакт 3 датчика массового расхода с контактом 7 блока управления.

13.5. Короткое замыкание между проводом 6 (БЧ) и проводом 7 (ЧЖ), или проводом 56 (Ч)) и проводом 7(ЧЖ).

КАК ПРОВЕРЯТЬ

13.1.1. Демонтируйте датчик массового расхода и визуально проверьте сохранность чувствительного элемента датчика (платиновой нити).

13.2.2. Отключите блок управления и датчик массового расхода воздуха от жгута проводов.

Убедитесь в отсутствии обрыва в проводе 57 (К), измерив сопротивление между контактами 5 в

розетке Р75 и контактом 1 в диагностической розетке Х51.

13.3.3. При отключенном блоке управления и датчике массового расхода воздуха убедитесь в

отсутствии замыкания провода 57 (К) на "массу" двигателя, измерив сопротивление между

контактом 5 в розетке Р75 и "массой" двигателя.

13.4.4. При отключенном блоке управления и датчике массового расхода воздуха убедитесь в

отсутствии замыкания провода 7 (ЧЖ) на "массу", измерив сопротивление между контактом 3 в

розетке Р75 и контактом 7 в розетке соединителя блока управления.

13.5.5. При отключенном блоке управления и датчике убедитесь в отсутствии замыкания между

проводом 7 (ЧЖ) и проводом 6 (БЧ), измерив сопротивление между контактами 6 и 7 в розетке

соединителя блока управления.

После устранения неисправности включите зажигание, при помощи прибора DST 2 сбросьте коды неисправностей, запустите двигатель и проконтролируйте отсутствие кода 13.

 




Поделиться с друзьями:


Дата добавления: 2014-12-23; Просмотров: 720; Нарушение авторских прав?; Мы поможем в написании вашей работы!


Нам важно ваше мнение! Был ли полезен опубликованный материал? Да | Нет



studopedia.su - Студопедия (2013 - 2026) год. Все материалы представленные на сайте исключительно с целью ознакомления читателями и не преследуют коммерческих целей или нарушение авторских прав! Последнее добавление




Генерация страницы за: 0.009 сек.