Студопедия

КАТЕГОРИИ:


Архитектура-(3434)Астрономия-(809)Биология-(7483)Биотехнологии-(1457)Военное дело-(14632)Высокие технологии-(1363)География-(913)Геология-(1438)Государство-(451)Демография-(1065)Дом-(47672)Журналистика и СМИ-(912)Изобретательство-(14524)Иностранные языки-(4268)Информатика-(17799)Искусство-(1338)История-(13644)Компьютеры-(11121)Косметика-(55)Кулинария-(373)Культура-(8427)Лингвистика-(374)Литература-(1642)Маркетинг-(23702)Математика-(16968)Машиностроение-(1700)Медицина-(12668)Менеджмент-(24684)Механика-(15423)Науковедение-(506)Образование-(11852)Охрана труда-(3308)Педагогика-(5571)Полиграфия-(1312)Политика-(7869)Право-(5454)Приборостроение-(1369)Программирование-(2801)Производство-(97182)Промышленность-(8706)Психология-(18388)Религия-(3217)Связь-(10668)Сельское хозяйство-(299)Социология-(6455)Спорт-(42831)Строительство-(4793)Торговля-(5050)Транспорт-(2929)Туризм-(1568)Физика-(3942)Философия-(17015)Финансы-(26596)Химия-(22929)Экология-(12095)Экономика-(9961)Электроника-(8441)Электротехника-(4623)Энергетика-(12629)Юриспруденция-(1492)Ядерная техника-(1748)

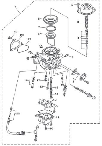
Карбюратор




 
 

 

 


№ п.п Название детали Количество Отметки
  Разборка карбюратора   Снимите детали, действуя в предписанном порядке.
  Карбюратор в сборе    
  Винт крышки камеры дозирующей иглы    
  Пружина дозирующей иглы карбюратора    
  Игла дозирующая карбюратора в сборе    
  Большая диафрагма    
  Золотник карбюратора    
  Кольцо стопорное диафрагмы    
  Мембранный клапан ACV    
  Винт качества смеси    
  Винт слива топлива из поплавковой камеры    
  Поплавковая камера карбюратора    
  Поплавок поплавковой камеры карбюратора    
  Эмульсионный колодец    
  Главный топливный жиклер    
  Жиклер воздушный карбюратора    
  Жиклер холостого хода    
  Жиклер пусковой    

 

- 143 -

  Регулировочный винт заслонки карбюратора    
  Винт М4х8    
  Крышка карбюратора    
  Прокладка крышки карбюратора    
  Тросик газа карбюратора    
      Установку следует производить в обратном порядке.

 


Проверьте:

 

• корпус карбюратора

• поплавковую камеру карбюратора

• поплавок карбюратора (1)

• пластину поплавка карбюратора (2)

 

Если есть трещины, повреждения – замените

поврежденные детали карбюратора.

 

 

 


• седло игольчатого клапана карбюратора (1)

• игольчатый клапан карбюратора (2)

• уплотнительное кольцо игольчатого клапана

карбюратора (3)

 

ПРИМЕЧАНИЕ: Всегда заменяйте игольчатый




Поделиться с друзьями:


Дата добавления: 2014-12-23; Просмотров: 661; Нарушение авторских прав?; Мы поможем в написании вашей работы!


Нам важно ваше мнение! Был ли полезен опубликованный материал? Да | Нет



studopedia.su - Студопедия (2013 - 2025) год. Все материалы представленные на сайте исключительно с целью ознакомления читателями и не преследуют коммерческих целей или нарушение авторских прав! Последнее добавление




Генерация страницы за: 0.013 сек.