Студопедия

КАТЕГОРИИ:


Архитектура-(3434)Астрономия-(809)Биология-(7483)Биотехнологии-(1457)Военное дело-(14632)Высокие технологии-(1363)География-(913)Геология-(1438)Государство-(451)Демография-(1065)Дом-(47672)Журналистика и СМИ-(912)Изобретательство-(14524)Иностранные языки-(4268)Информатика-(17799)Искусство-(1338)История-(13644)Компьютеры-(11121)Косметика-(55)Кулинария-(373)Культура-(8427)Лингвистика-(374)Литература-(1642)Маркетинг-(23702)Математика-(16968)Машиностроение-(1700)Медицина-(12668)Менеджмент-(24684)Механика-(15423)Науковедение-(506)Образование-(11852)Охрана труда-(3308)Педагогика-(5571)Полиграфия-(1312)Политика-(7869)Право-(5454)Приборостроение-(1369)Программирование-(2801)Производство-(97182)Промышленность-(8706)Психология-(18388)Религия-(3217)Связь-(10668)Сельское хозяйство-(299)Социология-(6455)Спорт-(42831)Строительство-(4793)Торговля-(5050)Транспорт-(2929)Туризм-(1568)Физика-(3942)Философия-(17015)Финансы-(26596)Химия-(22929)Экология-(12095)Экономика-(9961)Электроника-(8441)Электротехника-(4623)Энергетика-(12629)Юриспруденция-(1492)Ядерная техника-(1748)

Стабилитрон. Стабилитрон - это полупроводниковый диод, p-n-переход которого работает в режиме лавинного пробоя




Стабилитрон - это полупроводниковый диод, p-n-переход которого работает в режиме лавинного пробоя. Такой режим возникает при смеще-нии p-n-перехода в обратном направлении. В режиме лавинного пробоя в широком диапазоне изменения тока через диод падение напряжения на нем остается практически неизменным. На рис. 1.2 (а, б) показано схема-тическое изображение стабилитронов, а на рис. 1.2в приведена типовая ВАХ.


       
   
 
 

 

Рис. 1.2. Схематическое изображение стабилитронов

(а - односторонний, б - двухсторонний) и их ВАХ (в):

Uct — напряжение стабилизации

Лавинный ток для типового маломощного кремниевого стабилитро­на составляет примерно 10мА, поэтому для ограничения тока через стаби­литрон последовательно с ним включают ограничительное сопротивление (рис1.3.а). Если лавинный ток таков, что мощность, рассеиваемая на стабилитроне, не превышает предельно допустимого значения, то в таком режиме прибор может работать неограниченно долго. Для большинства стабилитронов предельно допустимая рассеиваемая мощность составляет от 100 мВт до 8 Вт.

Рис. 1.3. Схема включения стабилитрона (а) и стабистора (б):

- балластный резистор, Ubx~ входное напряжение,

Rh - сопротивление нагрузки

Иногда для стабилизации напряжения используют тот факт, что прямое падение напряжения на диоде слабо зависит от силы протекающего через p-n-переход тока. Приборы, в которых используется этот эффект в отличие от стабилитронов называются стабисторами. В области прямого


смещения падение напряжения на p-n-переходе составляет, как правило, 0,7В...2 В, поэтому, стабисторы позволяют стабилизировать только малые напряжения (не более 2 В). Для ограничения тока через стабистор после­довательно с ним также включают сопротивление (рис. 1.36). Дифференциальное сопротивление стабилитрона - это параметр, который характеризует наклон его вольтамперной характеристики в области про-



 


На рис. 1.4 показан линеаризованный участок ВАХ стабилитрона, который позволяет определить дифференциальное сопротивление прибора.

Полупроводниковые выпрямители

Выпрямителем называется устройство, предназначенное для преоб­разования переменного напряжения в постоянное. Основное назначение выпрямителей заключается в сохранении направления тока в нагрузке при изменении полярности напряжения, приложенного к входу выпрямителя Существуют разновидности полупроводниковых выпрямителей, отличаю­щиеся количеством диодов и схемой их включения. Ниже рассмотрены не которые из этих схем.

Схема однофазного однополупериодного выпрямителя приведена на; рис. 1.5.




Рис.1.4. Линеаризованная

характериетпка

стабилитрона


Рис, 1,5. Схема однофазного однополупериодного

выпрямителя Тр - трансформатор: Rн - сопротивление нагрузки: u1, и2- напряжения на. первичной и вторичной обмотках трансформатора Uн - напряжение на нагрузке


Однофазный однополупериодный выпрямитель пропускает на выход только одну полуволну питающего напряжения (рис. 1.6). Среднее значе-ние напряжения на выходе такого выпрямителя вычисляется по формуле:


       
 
 
   

 

где Um - амплитуда напряжения на вторичной обмотке трансформатора; Т - период входного напряжения; со - круговая частота сигнала, со = 2п/Т.

Период сигнала на выходе однополупериодного выпрямителя равен периоду входного сигнала. Максимальное обратное напряжение на диоде равно максимуму входного напряжения:

Рис. 1.6. Форма напряжений на входе (а) и выходе (б) однофазного однополупериодного выпрямителя

На рис. 1.7 приведена схема двухфазного двухполупериодного вы­прямителя.


Рис. 1.7. Схема двухполупериодного выпрямителя

По сути, она представляет собой два параллельно соединенных од­нофазных выпрямителя, которые питаются от двух половин вторичной об­мотки трансформатора. В результате создаются два противофазных пи­тающих выпрямители напряжения. Форма напряжения на выходе такого выпрямителя приведена на рис. 1.8.


Рис. 1.8. Форма напряжений на входе (а) и выходе (б) двухфазного двухполупериодного выпрямителя

Двухфазный двухполупериодный выпрямитель характеризуется хо­рошим использованием трансформатора. Среднее значение напряжения на выходе выпрямителя вычисляется по формуле:



(1.9)


Период сигнала на выходе двухполупериодного выпрямителя в два раза меньше чем у однополупериодного. Максимальное обратное напря­жение на каждом диоде равно разности максимального значения напряже­ния на вторичной обмотке (сумма напряжений на двух полуобмотках и2 = U2 ' + U2 ") и прямого падения напряжения на диоде Uпр:


 
 

(1.10)

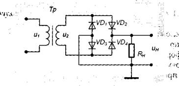
Наиболее широкое практическое распространение получил однофаз­ный двухполупериодный мостовой выпрямитель, схема которого приведе­на на рис. 1.9.

Рис. 1.9. Схема однофазного мостового выпрямителя

Форма напряжений на входе и выходе мостового выпрямителя, а также среднее значение выходного напряжения UBbIX такие же, как и для двухфазного двухполупериодного выпрямителя. Максимальное обратное напряжениеv Umaх для мостового выпрямителя равно напряжению на вто-


ричной обмотке трансформатора.

Мостовой выпрямитель в отличие от двухфазного двухполупериод-ного может работать без трансформатора. К недостаткам мостовой схемы относится удвоенное число выпрямительных диодов.




Поделиться с друзьями:


Дата добавления: 2015-05-06; Просмотров: 2441; Нарушение авторских прав?; Мы поможем в написании вашей работы!


Нам важно ваше мнение! Был ли полезен опубликованный материал? Да | Нет



studopedia.su - Студопедия (2013 - 2026) год. Все материалы представленные на сайте исключительно с целью ознакомления читателями и не преследуют коммерческих целей или нарушение авторских прав! Последнее добавление




Генерация страницы за: 0.012 сек.