Студопедия

КАТЕГОРИИ:


Архитектура-(3434)Астрономия-(809)Биология-(7483)Биотехнологии-(1457)Военное дело-(14632)Высокие технологии-(1363)География-(913)Геология-(1438)Государство-(451)Демография-(1065)Дом-(47672)Журналистика и СМИ-(912)Изобретательство-(14524)Иностранные языки-(4268)Информатика-(17799)Искусство-(1338)История-(13644)Компьютеры-(11121)Косметика-(55)Кулинария-(373)Культура-(8427)Лингвистика-(374)Литература-(1642)Маркетинг-(23702)Математика-(16968)Машиностроение-(1700)Медицина-(12668)Менеджмент-(24684)Механика-(15423)Науковедение-(506)Образование-(11852)Охрана труда-(3308)Педагогика-(5571)Полиграфия-(1312)Политика-(7869)Право-(5454)Приборостроение-(1369)Программирование-(2801)Производство-(97182)Промышленность-(8706)Психология-(18388)Религия-(3217)Связь-(10668)Сельское хозяйство-(299)Социология-(6455)Спорт-(42831)Строительство-(4793)Торговля-(5050)Транспорт-(2929)Туризм-(1568)Физика-(3942)Философия-(17015)Финансы-(26596)Химия-(22929)Экология-(12095)Экономика-(9961)Электроника-(8441)Электротехника-(4623)Энергетика-(12629)Юриспруденция-(1492)Ядерная техника-(1748)

Трехстрелочный моторный индикатор эми-зк




ТАХОМЕТР ИТЭ-1

Тахометр предназначен для дистанционного измерения скорости вращения вала двигателя, выраженной в процентах от числа максимальных оборотов в минуту.

Принцип действия прибора основан на преобразовании скорости вращения вала двигателя в ЭДС с частотой, пропорциональной скорости вращения вала.

В комплект тахометра входят указатели ИТЭ-1 датчик ДТЭ-6. Указатели устанавливаются на приборных досках, датчика на двигателе.

Рис. 1 Комплект дистанционного магнито-индукционного тахометра ИТЭ-1: а - указатель ИТЭ-2; б - датчик-генератор ДТЭ-1

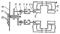
Рис. 2 Электрическая схема тахометра ИТЭ-1

1-ротор датчика-генератора; 2-статорная обмотка генератора; 3-ротор электродвигателя указателя; 4-статорная обмотка электродвигателя указателя; 5 - гистерезисный диск; 6 - диск указателя; 7 - магнит чувствительного элемента; 8-пружина-волосок; 9- зубчатая передача; 10-шкала прибора; 11- оси стрелок; 12 - стрелка

 

Основные данные:

Диапазон измерения............................................... от 10% до 110%

Погрешность при +20°С........................................ ± 1%

Температурный интервал работы...................... от +500 до-60°С

Трехстрелочный моторный индикатор служит для дистанционного контроля работы двигателя самолёта и представляет собой комбинированный прибор, измеряющий давление топлива и масла и температуру масла.

В комплект прибора входят указатель УКЗ-1, приемник давления топлива П-1Б, приемник давления масла ПМ-15Б и приемник температуры масла П-1.

Указатель установлен на приборной доске.

Рис. 3 Комплект трехстрелочного индикатора ЭМИ ЗК: 1-4 - датчики ИД; 2 - приемник П-1; 3 - указатель УИЗ t

Основные данные:

Диапазон измерения:

- давление топлива.................................................. 0- 1 кГ/см2

- давление масла...................................................... 0- 15 кГ/см2

- температура масла............................................... 0-150°С

Напряжение питания.............................................. 27 ±:2,7 В

Температурный режим.......................................... от-60 до +50°С




Поделиться с друзьями:


Дата добавления: 2015-06-25; Просмотров: 1763; Нарушение авторских прав?; Мы поможем в написании вашей работы!


Нам важно ваше мнение! Был ли полезен опубликованный материал? Да | Нет



studopedia.su - Студопедия (2013 - 2026) год. Все материалы представленные на сайте исключительно с целью ознакомления читателями и не преследуют коммерческих целей или нарушение авторских прав! Последнее добавление




Генерация страницы за: 0.013 сек.