Студопедия

КАТЕГОРИИ:


Архитектура-(3434)Астрономия-(809)Биология-(7483)Биотехнологии-(1457)Военное дело-(14632)Высокие технологии-(1363)География-(913)Геология-(1438)Государство-(451)Демография-(1065)Дом-(47672)Журналистика и СМИ-(912)Изобретательство-(14524)Иностранные языки-(4268)Информатика-(17799)Искусство-(1338)История-(13644)Компьютеры-(11121)Косметика-(55)Кулинария-(373)Культура-(8427)Лингвистика-(374)Литература-(1642)Маркетинг-(23702)Математика-(16968)Машиностроение-(1700)Медицина-(12668)Менеджмент-(24684)Механика-(15423)Науковедение-(506)Образование-(11852)Охрана труда-(3308)Педагогика-(5571)Полиграфия-(1312)Политика-(7869)Право-(5454)Приборостроение-(1369)Программирование-(2801)Производство-(97182)Промышленность-(8706)Психология-(18388)Религия-(3217)Связь-(10668)Сельское хозяйство-(299)Социология-(6455)Спорт-(42831)Строительство-(4793)Торговля-(5050)Транспорт-(2929)Туризм-(1568)Физика-(3942)Философия-(17015)Финансы-(26596)Химия-(22929)Экология-(12095)Экономика-(9961)Электроника-(8441)Электротехника-(4623)Энергетика-(12629)Юриспруденция-(1492)Ядерная техника-(1748)

Нанесение размеров




Правила нанесения размеров на чертежах и других документах устанавливает ГОСТ 2.307-68.

В данном пособии указаны основные правила нанесения размеров.

Размеры на чертежах указывают размерными числами и размерными линиями. (см. рисунок 6, а) Размеры бывают линейные – длина, ширина, диаметр, радиус и угловые – размеры углов..Линейные размеры указывают в миллиметрах, угловые – в градусах, минутах и секундах. Общее количество размеров должно быть минимальным, но достаточным для изготовления и контроля изделия.

Стрелки, ограничивающие размерные линии, должны упираться острием в соответствующие линии контура или выносные и осевые линии. Величина стрелки выбирается в зависимости от толщины линии видимого контура и должна быть одинаковой для всех размерных линий чертежа. (см. рис 6,б).

Рис. 1.6.

 

При нанесении нескольких параллельных или концентрических размерных линий на небольшом расстоянии друг от друга размерные числа над ними рекомендуется располагать в шахматном порядке. В месте нанесения размерного числа осевые, центровые линии и линии штриховки прерывают (см. рис.1.7).

Рис.1.7.

Размерные числа линейных размеров при различных наклонах размерных линий располагают, как показано на рисунке 1.8, угловых – на рисунке 1.9.

Рис. 1.8. Рис. 1.9.

 

 

Если для написания размерного числа недостаточно места над размерной линией, то размеры наносят, как показано на рисунке 1.10а.

Рис. 1.10а.

При изображении изделия с разрывом размерную линию не прерывают и наносят действительный размер (см.рис. 1.10). При указании размера диаметра перед размерным числом наносят знак «Ø». Размеры квадрата наносят, как показано на рисунке 1.11. Высота знака «□» должна быть равна высоте размерных чисел на чертеже.

Рис. 1.10. Рис. 1.11.

При нанесении размера радиуса перед размерным числом помещают прописную букву R(см. рис 1.12)

Рис. 1.12

Перед размерным числом характеризующим конусность наносят знак «∆», острый угол которого должен быть направлен в сторону вершины конуса. Пример обозначения конусности приведен на рисунке 1.13. перед размерным числом, определяющим уклон, наносят знак «<», острый угол которого должен быть направлен в сторону уклона (см. рис. 1.14).

Рис. 1.13 Рис. 1.14

Размеры фасок под углом 45°наносят, как показано на рисунке 1.15. Размеры фасок под другим углом указывают по общим правилам – линейным и угловым размерами или двумя линейными размерами.

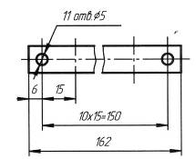
При нанесении размеров, определяющих расстояние между равномерно расположенными одинаковыми элементами изделии (например, отверстия), рекомендуется наносить размер между соседними элементами и размер между крайними элементами в виде произведения количества промежутков между элементами на размер промежутка (см. рис. 1.16).

Рис. 1.15. Рис. 1.16.

Предельные отклонения размеров следует указывать непосредственно после номинальных размеров или оговаривать записью в технических требованиях чертежа.

Например:

18Н7, 12e8 или 18+0,018, 45±0.5.

«Неуказанные предельные отклонения размеров: Н14, h14, ±it14/2»

 


КОНТРОЛЬНЫЕ ЗАДАНИЯ № 1 (по разделам 1и2)

Задание 1.01. – Титульный лист к альбому заданий (форма А4).

Задание 1.02. – Шрифты, линии, геометрические построения (формат А3).

Задание 1.03. – Чертёж точки (формат А4).

Задание 1.04. – Чертёж отрезков (формат А3).

Задание 1.05. – Чертёж плоской фигуры (формат А3).

Задание 1.06. – Способы преобразования проекций (формат А3).

Задание 1.07. – Проекции геометрических тел (формат А3 или А2 или два листа А3).

Задание 1.08. – Проекции и развёртка усеченного геометрического тела (формат А3).

Задание 1.09. – Пересечение поверхностей геометрических тел.

Задание 1.10. – Построение третьей проекции детали по двум заданным(формат А3)

Задание 1.11 - Чертеж детали с применением сопряжений (формат А3)

 


Содержание заданий и примеры их выполнений

Задание1. 01. Выполнить титульный лист к альбому заданий

Образец выполнения титульного листа

    МИНИСТЕРСТВО ОБРАЗОВАНИЯ И НАУКИ МУРМАНСКОЙ ОБЛАСТИ Государственное автономное образовательное учреждение Мурманской области среднего профессионального образования «Оленегорский горнопромышленный колледж»   Отделение: заочное Специальность:140448 Группа: 3ГЭМз Вариант 7   КОНТРОЛЬНАЯ РАБОТА ПО ИНЖЕНЕРНОЙ ГРАФИКЕ     Выполнил: Ерыкалов С.И. Проверил: Короткова Н.Ф.    

 

Задание 1.02. Шрифты, линии, геометрические построения. Шрифтом размера 5 типа Б написать от руки изображенные буквы, цифры и слова. При выполнении задания нанести вспомогательную сетку.

.

 

Начертить по две линии: сплошную толстую основную, сплошную тонкую, штриховую, штрихпунктирную тонкую.

Выполнить чертеж детали (рис. 1.17), нанести размеры.

Образец выполнения см. рис.1.18

Рис.1.17

Варианты1,17   Варианты2,18
Варианты3,19   Варианты4,20
Варианты5,21   Варианты6,22
Варианты7,23   Варианты8,24
Варианты9,25 Варианты10,26
Варианты 11,27 Варианты12,28
Варианты13,29 Варианты14,30
Варианты15,31 Варианты16,32

 



Задание 1. 03. Чертеж точки.

Построить комплексный чертеж точек А и В. Определить положение точек относительно плоскостей проекций
Задание 1.03.1 Задание 1.03.2

Задание1. 04. Чертеж отрезков.




Поделиться с друзьями:


Дата добавления: 2015-06-28; Просмотров: 1909; Нарушение авторских прав?; Мы поможем в написании вашей работы!


Нам важно ваше мнение! Был ли полезен опубликованный материал? Да | Нет



studopedia.su - Студопедия (2013 - 2026) год. Все материалы представленные на сайте исключительно с целью ознакомления читателями и не преследуют коммерческих целей или нарушение авторских прав! Последнее добавление




Генерация страницы за: 0.009 сек.